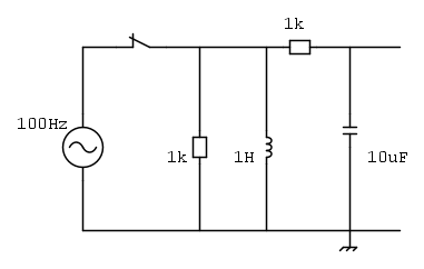
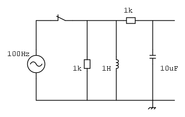
Salve,ho ils eguente circuito
in cui l'interruttore viene aperto al tempo t1 e la corrente nel circuito inizia a diminuire con andamento esponenziale,si chiede di determinare il tipo di regime della corrente e l'andamento della corrente in funzione del tempo.Essendoci un generatore in AC che tipo di approccio dovrei applicare pere la soluzione?
Circuito con transitorio
Moderatori:
g.schgor,
IsidoroKZ
0
voti
Ammetto che non conosco il modo di procedere, però,
dovresti indicare la corrente voluta.
Michele.
dovresti indicare la corrente voluta.
Michele.
0
voti
secondo me senza un valore di T1, non si possa calcolare il valore di tensione e correnti del circuito in quell'istante.
saluti.
saluti.
-

lelerelele
4.899 3 7 9 - Master

- Messaggi: 5505
- Iscritto il: 8 giu 2011, 8:57
- Località: Reggio Emilia
0
voti
La corrente voluta non è specificata nel testo,ma credo si possa scegliere una tra quelle dei vari rami del circuito rcl,d'altronde quando l'interruttore si apre si avrà
,forse il testo vuole dire che la corrente alla fine del transitorio sarà nulla in ognuno dei singoli rami
,forse il testo vuole dire che la corrente alla fine del transitorio sarà nulla in ognuno dei singoli rami-

Roswell1947
89 1 3 8 - Stabilizzato

- Messaggi: 438
- Iscritto il: 10 feb 2020, 16:39
0
voti
Ecco le tensioni dell'induttore (verde) e del con densatore (rossa) supponendo 1V quella del generatore:
E' molto importante sapere con precisione il tempo di apertura
del contatto perché da questo dipendono i valori iniziali del transitorio.
In mancanza di dati l'unica cosa che si può dire è che il transitorio è
smorzato senza oscillazioni.
E' molto importante sapere con precisione il tempo di apertura
del contatto perché da questo dipendono i valori iniziali del transitorio.
In mancanza di dati l'unica cosa che si può dire è che il transitorio è
smorzato senza oscillazioni.
0
voti
A me servirebbe la soluzione analitica e non quella del simulatore....
-

Roswell1947
89 1 3 8 - Stabilizzato

- Messaggi: 438
- Iscritto il: 10 feb 2020, 16:39
0
voti
ecco il testo completo....non credo differisca molto da ciò che avevo descritto in precedenza
-

Roswell1947
89 1 3 8 - Stabilizzato

- Messaggi: 438
- Iscritto il: 10 feb 2020, 16:39
Torna a Elettrotecnica generale
Chi c’è in linea
Visitano il forum: Nessuno e 150 ospiti

Elettrotecnica e non solo (admin)
Un gatto tra gli elettroni (IsidoroKZ)
Esperienza e simulazioni (g.schgor)
Moleskine di un idraulico (RenzoDF)
Il Blog di ElectroYou (webmaster)
Idee microcontrollate (TardoFreak)
PICcoli grandi PICMicro (Paolino)
Il blog elettrico di carloc (carloc)
DirtEYblooog (dirtydeeds)
Di tutto... un po' (jordan20)
AK47 (lillo)
Esperienze elettroniche (marco438)
Telecomunicazioni musicali (clavicordo)
Automazione ed Elettronica (gustavo)
Direttive per la sicurezza (ErnestoCappelletti)
EYnfo dall'Alaska (mir)
Apriamo il quadro! (attilio)
H7-25 (asdf)
Passione Elettrica (massimob)
Elettroni a spasso (guidob)
Bloguerra (guerra)






