Buon pomeriggio,
dopo i lavori di rivestimento del bagno a a causa di una perdita, ho riscontrato un problema nello spostamento di una scatola porta frutti dove erano installati gli interruttori bipolari che controllavano l'accensione dello scalda acqua a metano di città e il press control del serbatoio di accumulo di acqua.
I bravi operai mi hanno murato i cavi elettrici una volta scoperti dal corrugato e quindi non mi è possibile vedere che tipo di collegamento è stato fatto.
In pratica, quando è stato realizzato l'impianto certificato, fu utilizzato un unico cavo esterno dove sono stati collegati appunto, lo scalda acqua a gas e il motore con press control. A questo unico cavo (tripolare) si vedono una moltitudine di fili collegati sugli interruttori bipolari. Ciò che mi preoccupa di più è il ponticello realizzato con il filo di neutro ed il filo di neutro e fase collegati insieme su un interruttore, mentre nell'altro un ponticello colore blu (neutro) e il giallo-verde (terra) nell'alloggio neutro.
Vista la situazione ingarbugliata e l'impossibilità di raggiungere i cavi (murati dietro la piastrella) ho pensato di ripassare il filo con i colori giusti ed effettuare di sana pianta i collegamenti ai bipolari. Avevo intenzione di installare un faretto che si collegasse a questa cassettina intercettando la linea che alimenta i due sistemi ma vista la situazione strana mi preoccupa anche solo smontare gli interruttori. Al momento non posso neanche chiudere la mascherina porta frutti nel suo alloggiamento.
Volevo capire, se i due sistemi, scalda acqua e press control, sia possibile collegarli in serie ed eventualmente ipotizzare il suo schema elettrico per non fare errori una volta smantellata la linea attuale.
Mi domando, non era più facile utilizzare un cavo esapolare (due fase, due neutri, due terra) e collegarli indistintamente oppure è possibile farlo con un solo tripolare?
Ricostruzione schema interruttori caldaia - press control
Moderatori:
sebago,
MASSIMO-G,
lillo,
Mike
10 messaggi
• Pagina 1 di 1
0
voti
Ho provato a riprodurre grosso modo lo schema che ipotizzo dai cavi che mi è permesso vedere. Però mi sorgono molti dubbi, forse mi sfugge qualcosa come se la fase andasse in corto nell'interruttore bipolare del motore press control.
0
voti
Potrebbe essere utile conoscere marca/modello dello scalda acqua a metano, e del presscontrol per verificare da manuale le corrette alimentazioni.
Mentre dallo schema che hai realizzato si direbbe che ci sia qualcosa che non quadra,fermo restando che non ho ben capito cosa siano quei due cerchi blu e rossi ..
In linea di massima, lo schema elettrico dovrebbe essere ..
I conduttori di collegamento dovranno essere di sezione e colore corretto, possono essere di tipo unipolare o gommato, dipende dal tipo di posa.
Mentre dallo schema che hai realizzato si direbbe che ci sia qualcosa che non quadra,fermo restando che non ho ben capito cosa siano quei due cerchi blu e rossi ..
In linea di massima, lo schema elettrico dovrebbe essere ..
I conduttori di collegamento dovranno essere di sezione e colore corretto, possono essere di tipo unipolare o gommato, dipende dal tipo di posa.
I circuiti sono controcorrente. Seguono sempre la massa
-Per rispondere utilizza il tasto [RISPONDI] e non il tasto [CITA], grazie.-
-Per rispondere utilizza il tasto [RISPONDI] e non il tasto [CITA], grazie.-
0
voti
Grazie @mir per la risposta.
Il modello di scalda acqua è Opalia della Herman mentre il press control del serbatoio autoclave è della Watertech.
In realtà i pallini rosso e blu non sono carichi ma giunzioni con cappucci a vite e non sapendo come rappresentarli ho utilizzato il simbolo dei mammut.
Anche io pensavo allo schema che avevi fatto tu però questi due carichi sono alimentati da un unico filo tripolare gommato che entra nel muro (esterno vs interno) passano in corrugato e si collega alla linea interna dell'impianto elettrico in scatola porta frutti. Questi due carichi possono essere controllati da due interruttori bipolari.
La soluzione potrebbe essere che i due carichi, scalda acqua e press control siano derivati all'esterno in una scatola ed il cavo gommato alimenta direttamente i due in parallelo (come prosecuzione della linea interna). Ma non capisco come sia possibile controllarli singolarmente con due distinti interruttori bipolari all'interno della cassetta porta frutti (ben distante da quella dove sono derivati gli attacchi) e soprattutto con un unico cavo tripolare.
Il modello di scalda acqua è Opalia della Herman mentre il press control del serbatoio autoclave è della Watertech.
In realtà i pallini rosso e blu non sono carichi ma giunzioni con cappucci a vite e non sapendo come rappresentarli ho utilizzato il simbolo dei mammut.
Anche io pensavo allo schema che avevi fatto tu però questi due carichi sono alimentati da un unico filo tripolare gommato che entra nel muro (esterno vs interno) passano in corrugato e si collega alla linea interna dell'impianto elettrico in scatola porta frutti. Questi due carichi possono essere controllati da due interruttori bipolari.
La soluzione potrebbe essere che i due carichi, scalda acqua e press control siano derivati all'esterno in una scatola ed il cavo gommato alimenta direttamente i due in parallelo (come prosecuzione della linea interna). Ma non capisco come sia possibile controllarli singolarmente con due distinti interruttori bipolari all'interno della cassetta porta frutti (ben distante da quella dove sono derivati gli attacchi) e soprattutto con un unico cavo tripolare.
0
voti
Mi sembra evidente che i colori non sono stati rispettati, probabilmente sono tutti e tre la fase.
Alla scatola portafrutti dove vi sono i due interruttori, arriva un'altra forassite o altti fili, magari provenienti dalla cassetta di derivazione?
Alla scatola portafrutti dove vi sono i due interruttori, arriva un'altra forassite o altti fili, magari provenienti dalla cassetta di derivazione?
-

SediciAmpere
4.187 5 5 8 - Master

- Messaggi: 4848
- Iscritto il: 31 ott 2013, 15:00
0
voti
SediciAmpere ha scritto:Mi sembra evidente che i colori non sono stati rispettati, probabilmente sono tutti e tre la fase.
Infatti è quello che penso anche io, ma dal tripolare gommato vedevo che ci stavano i tre colori, solo agli interruttori mi trovo colori diversi, una moltitudine di colori della fase e alcuni neutro accanto alloggiamento fase.
SediciAmpere ha scritto:Alla scatola portafrutti dove vi sono i due interruttori, arriva un'altra forassite o altti fili, magari provenienti dalla cassetta di derivazione?
Di forassite ne vedevo due (prima che murassero tutto) una che si collegava al muro della cucina (l'impianto è suddiviso per muri, quindi la parete che confina col bagno e la cucina è controllata da una linea ben distinta fino a derivazione). Il primo forassite diretto è da derivazione bagno il secondo invece porta la linea del bagno nella cucina e collega parte delle prese collegate sul muro della cucina. Non sono linee luce ma proprio per carichi pesanti.
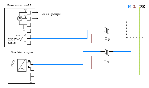
Ti allego la modifica del tuo schema sperando di aver interpretato quello che ipotizzo ci sia dietro:
0
voti
Malux ha scritto:Ti allego la modifica del tuo schema sperando di aver interpretato quello che ipotizzo ci sia dietro:
considerando il tuo schema,qualunque interruttore chiudi Ip oppure Is alimenti sempre entrambi i dispositivi, ovvero alimenti contemporaneamente il presscontrol e lo scalda acqua ..
se hai tre conduttori, ed hai necessittà di alimentare separatamente i due dispositivi, significa che i tre conduttori dovranno essere due fasi ed un neutro; diversamente se hai una linea di alimentazione con fase neutro e conduttore di protezione, vale il primo schema che ho postato.
I circuiti sono controcorrente. Seguono sempre la massa
-Per rispondere utilizza il tasto [RISPONDI] e non il tasto [CITA], grazie.-
-Per rispondere utilizza il tasto [RISPONDI] e non il tasto [CITA], grazie.-
0
voti
mir ha scritto:se hai tre conduttori, ed hai necessittà di alimentare separatamente i due dispositivi, significa che i tre conduttori dovranno essere due fasi ed un neutro; diversamente se hai una linea di alimentazione con fase neutro e conduttore di protezione, vale il primo schema che ho postato.
Forse è come hai descritto tu due fasi e un neutro però la linea a protezione sarebbe problematico se non fosse collegata all'impianto.
Ho scattato due immagini prima che murassero i cavi e quello che attualmente forse è più comprensibile.
1
voti
Non è semplicissimo mettere le mani lì, i fili sono cortissimi e questa scatola portafrutti funge anche da cassetta di derivazione.
Probabilmente i fili azzurri nel morsetto in basso portano veramente il neutro e sono tutti uniti insieme, il neutro non è interrotto; il nero è la fase che viene portata anche all'interruttore adiacente attraverso il ponticello azzurro, le due fasi interrotte sono il marrone e il giallo-verde.
Giudica tu cosa fare: se funziona e non hai voglia di riaprire il cantiere lo richiudi e te lo tieni così, altrimenti richiami il muratore insieme ad un elettricista, gli fai aggiungere un pezzo di forassite per ognuna che arrivava alla scatola (ovviamente utilizzando gli appositi giunti) e fai ripassare i fili nuovi dei colori corretti e della lunghezza sufficiente e senza fare giunte nelle forassiti.
Quello che è stato fatto non è un lavoro a regola d'arte, ma non so giudicare se ci siano gli estremi per una contestazione, probabilmente c'è stata poca chiarezza sull'esecuzione dello spostamento e poca presenza tua durante i lavori. Se fosse casa mia io farei sistemare per bene quella parte di impianto
Probabilmente i fili azzurri nel morsetto in basso portano veramente il neutro e sono tutti uniti insieme, il neutro non è interrotto; il nero è la fase che viene portata anche all'interruttore adiacente attraverso il ponticello azzurro, le due fasi interrotte sono il marrone e il giallo-verde.
Giudica tu cosa fare: se funziona e non hai voglia di riaprire il cantiere lo richiudi e te lo tieni così, altrimenti richiami il muratore insieme ad un elettricista, gli fai aggiungere un pezzo di forassite per ognuna che arrivava alla scatola (ovviamente utilizzando gli appositi giunti) e fai ripassare i fili nuovi dei colori corretti e della lunghezza sufficiente e senza fare giunte nelle forassiti.
Quello che è stato fatto non è un lavoro a regola d'arte, ma non so giudicare se ci siano gli estremi per una contestazione, probabilmente c'è stata poca chiarezza sull'esecuzione dello spostamento e poca presenza tua durante i lavori. Se fosse casa mia io farei sistemare per bene quella parte di impianto
-

SediciAmpere
4.187 5 5 8 - Master

- Messaggi: 4848
- Iscritto il: 31 ott 2013, 15:00
0
voti
SediciAmpere ha scritto:Non è semplicissimo mettere le mani lì, ..
In effetti era come pensavo. Purtroppo è necessario che risolvano il problema per poter passare un cavo di alimentazione per un faretto. Già una volta si è bruciato un bipolare e con la sostituzione non partiva il press controll che doveva essere avviato da fuori.
Avevo dato disposizioni di centrare la cassetta qualora vi fossero le condizioni ideali per evitare giunzioni o quanto altro. In caso non fosse stato possibile avrebbero dovuto spostarlo più vicino alle linee di giunzione per poter eseguire eventuali aggiornamenti dopo con l'attenzione di non murare alcun cavo o forassiti.
SediciAmpere ha scritto: Quello che è stato fatto non è un lavoro a regola d'arte, ma non so giudicare se ci siano gli estremi per una contestazione, probabilmente c'è stata poca chiarezza sull'esecuzione dello spostamento e poca presenza tua durante i lavori. Se fosse casa mia io farei sistemare per bene quella parte di impianto
A dire il vero sono stato sempre presente nell'esecuzione di ogni opera però ogni qualvolta mi dovevo assentare per pochi minuti per rispondere al telefono o ad aprire agli operai che spesso salivano e scendevano, mi sono ritrovato sempre col danno già commesso e con la richiesta di modifica in corso d'opera. Una volta il tubo dell'acqua forato per distrazione e la richiesta del taglio per operare agevolmente e poi risaldarli, un'altra il telaio dell'infisso piegato che si sarebbe sistemato da solo con la posa delle mattonelle.
Avevo chiesto di prendere una 504 oppure in extremis una 507 per evitare giunzioni anomale o taglio di cavi ma solo dopo la posa mi sono accorto del danno ossia che le giunzioni si trovavano dentro il muro e le linee non seguono più la direzione che avevano originariamente, la stessa forassite si sposta a suo piacere lungo i cavi esposti.
Avevo dato chiare disposizioni che mi serviva tutto ben sistemato per poter collegare dopo un faretto con calma.
Adesso ho acquistato una 507 e appena verranno per il montaggio del box doccia chiederò il taglio della mattonella e la posa della cassettina perché così non potrei neanche inserire alcun termostato per la gestione dello scalda acqua visto il groviglio di cavi.
Anche io sono della tua idea perché ho paura per chi dovrà metterci mano e soprattutto per eventuali manutenzioni o migliorie.
10 messaggi
• Pagina 1 di 1
Torna a Impianti, sicurezza e quadristica
Chi c’è in linea
Visitano il forum: Nessuno e 162 ospiti

Elettrotecnica e non solo (admin)
Un gatto tra gli elettroni (IsidoroKZ)
Esperienza e simulazioni (g.schgor)
Moleskine di un idraulico (RenzoDF)
Il Blog di ElectroYou (webmaster)
Idee microcontrollate (TardoFreak)
PICcoli grandi PICMicro (Paolino)
Il blog elettrico di carloc (carloc)
DirtEYblooog (dirtydeeds)
Di tutto... un po' (jordan20)
AK47 (lillo)
Esperienze elettroniche (marco438)
Telecomunicazioni musicali (clavicordo)
Automazione ed Elettronica (gustavo)
Direttive per la sicurezza (ErnestoCappelletti)
EYnfo dall'Alaska (mir)
Apriamo il quadro! (attilio)
H7-25 (asdf)
Passione Elettrica (massimob)
Elettroni a spasso (guidob)
Bloguerra (guerra)






