Devo interfacciare una uscita di un Attiny85 ad un GPIO di un Rasperry che funziona a 3.3V
Ho il GPIO3 di Raspberry configurato come ingresso e con resistenza di pullup. Se lo porto a ground il Raspberry si spegne.
Il comando di spegnimento deve arrivare da Attiny85 che però è a 5V. Chi mi consiglia come comportarmi?
Un traslatore di livello? Mi date qualche idea?
Grazie,
Dario
Interfacciare uscita Attiny85 a 5V con GPIO Raspberry
Moderatori:
carloc,
g.schgor,
BrunoValente,
IsidoroKZ
5 messaggi
• Pagina 1 di 1
0
voti
Tu dici che tollera?
Con quello che costano i raspberry in questo momento storico non vorrei rischiare.....
Con quello che costano i raspberry in questo momento storico non vorrei rischiare.....
⋮ƎlectroYou e non smetti mai di imparare!
2
voti
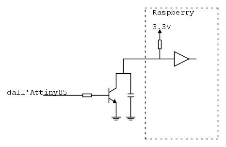
Scusa la risposta precedente "stringata"
con "5V tolerant logic" intendo una logica alimentata a 3.3V ma che accetta in ingresso 5V
Val 3.3V
Vout 3.3V al lampone
Vin 5V dall'Attiny85
Ci sono molte logiche 5V tolerant logic (cerca con goggle)
Altrimenti usa un "banale" transistor in configurazione "open collector"
base - dall'Attiny85 con opportune(e) resistenza(e)
collettore - al lampone
emitter - a massa
con "5V tolerant logic" intendo una logica alimentata a 3.3V ma che accetta in ingresso 5V
Val 3.3V
Vout 3.3V al lampone
Vin 5V dall'Attiny85
Ci sono molte logiche 5V tolerant logic (cerca con goggle)
Altrimenti usa un "banale" transistor in configurazione "open collector"
base - dall'Attiny85 con opportune(e) resistenza(e)
collettore - al lampone
emitter - a massa
1
voti
Puoi anche semplicemente usare un transistor (BJT o FET) che "tira giú" il pullup.
Metti tra l'ingresso della Raspberry e GND un piccolo condensatore ceramico (10 nF bastano) per evitare che qualche disturbo radiato o condotto te la spenga per errore.
Boiler
EDIT: vedo che mi sono "sovrapposto" a
elfo
Metti tra l'ingresso della Raspberry e GND un piccolo condensatore ceramico (10 nF bastano) per evitare che qualche disturbo radiato o condotto te la spenga per errore.
Boiler
EDIT: vedo che mi sono "sovrapposto" a
5 messaggi
• Pagina 1 di 1
Chi c’è in linea
Visitano il forum: Nessuno e 165 ospiti

Elettrotecnica e non solo (admin)
Un gatto tra gli elettroni (IsidoroKZ)
Esperienza e simulazioni (g.schgor)
Moleskine di un idraulico (RenzoDF)
Il Blog di ElectroYou (webmaster)
Idee microcontrollate (TardoFreak)
PICcoli grandi PICMicro (Paolino)
Il blog elettrico di carloc (carloc)
DirtEYblooog (dirtydeeds)
Di tutto... un po' (jordan20)
AK47 (lillo)
Esperienze elettroniche (marco438)
Telecomunicazioni musicali (clavicordo)
Automazione ed Elettronica (gustavo)
Direttive per la sicurezza (ErnestoCappelletti)
EYnfo dall'Alaska (mir)
Apriamo il quadro! (attilio)
H7-25 (asdf)
Passione Elettrica (massimob)
Elettroni a spasso (guidob)
Bloguerra (guerra)




