Buona sera.
Avrei un quesito da porre in discussione, del quale non sono certo della risposta che mi son dato.
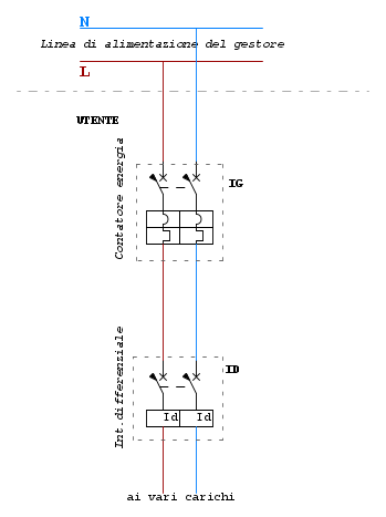
Supponiamo di poter avere accesso ad una rete monofase (ma anche trifase) a monte di un contatore di energia e del relativo salvavita.
Supponiamo di applicare una pinza amperometrica ( ad esempio ad un paio di metri a monte del contatore) su uno dei due conduttori ed iniettare con questa una corrente di 1 Amp a frequenza industriale.
Secondo voi il salvavita che sta a valle del contatore scatta?
Secondo me no. Ma se invece di iniettare una correte di 1 Amp a frequenza industriale la iniettassi ad una frequenza più bassa, forse scatterebbe. Scatterebbe perché ad una frequenza più bassa le bobine amperometriche del contatore non riuscirebbero a sbarrarne il transito e nel toroidale del salvavita il flusso concatenato diverrebbe diverso da zero.
Voi che ne dite?
Un salvavita martoriato.
Moderatori:
sebago,
MASSIMO-G,
lillo,
Mike
22 messaggi
• Pagina 1 di 3 • 1, 2, 3
1
voti
secondo me' hai le idee confuse. la quantita' di corrente non la puoi iniettare a tuo piacimento ma e' data
dalla formula V/R dove V indica la tensione di alimentazione e R la resistenza del carico.
POI la pinza amperometrica non inietta nulla , serve per misurare la corrente transitante SU OGNI CONDUTTORE.
dalla formula V/R dove V indica la tensione di alimentazione e R la resistenza del carico.
POI la pinza amperometrica non inietta nulla , serve per misurare la corrente transitante SU OGNI CONDUTTORE.
0
voti
Calma. Per pinza amperometrica intendevo un TA apribile (simile quindi ad una pinza amperometrica) non certo una pinza per multimetri come voi avete inteso.
Detto questo torniamo al quesito del post che credo sia interessante discuterne, per chi vuole, ovviamente!
Detto questo torniamo al quesito del post che credo sia interessante discuterne, per chi vuole, ovviamente!
0
voti
Ho capito poco.
La corrente di un ampere che "inietti" sarebbe la corrente nella spira che avvolge il cavo?
Perché nel contatore dovrebbe esserci qualcosa che sbarra l'ingresso di corrente?
Nella teoria di base il differenziale non si accorge di quello che fai a monte (poi la pratica è diversa ma quello è un altro discorso)
La corrente di un ampere che "inietti" sarebbe la corrente nella spira che avvolge il cavo?
Perché nel contatore dovrebbe esserci qualcosa che sbarra l'ingresso di corrente?
Nella teoria di base il differenziale non si accorge di quello che fai a monte (poi la pratica è diversa ma quello è un altro discorso)
0
voti
Il quesito sarebbe a questo punto.
Con un trasformatore apribile con una spira come secondario in serie alla linea che entra in un interruttore differenziale (a valle c'è un impianto?) riesco a fare aprire il differenziale mandando una corrente / tensione adatta?
Secondo me no.
Ciao
Con un trasformatore apribile con una spira come secondario in serie alla linea che entra in un interruttore differenziale (a valle c'è un impianto?) riesco a fare aprire il differenziale mandando una corrente / tensione adatta?
Secondo me no.
Ciao
600 Elettra
4
voti
Concordo con stefanopc: No, non è possibile.
Solo a scopo (auto)didattico:
Iniettare una corrrente non è possibile, perché la corrente dipende dal carico: se il carico è disinserito non assorbe, la corrente è sempre zero:
Con il trasformatore a pinza, potresti iniettare una tensione in serie a un cavo di alimentazione, per esempio in serie alla 230 Vac 60 Hz, potresti iniettare 5 Veff (anche a 25 Hz se puoi/riesci), la corrente assorbita dall'impianto potrebbe aumentare perché la tensione passa da 230 a 235 V, ma la corrente ritorna indietro dall'altro cavo per cui il differenziale non rileva variazioni.

Solo a scopo (auto)didattico:
Iniettare una corrrente non è possibile, perché la corrente dipende dal carico: se il carico è disinserito non assorbe, la corrente è sempre zero:
Con il trasformatore a pinza, potresti iniettare una tensione in serie a un cavo di alimentazione, per esempio in serie alla 230 Vac 60 Hz, potresti iniettare 5 Veff (anche a 25 Hz se puoi/riesci), la corrente assorbita dall'impianto potrebbe aumentare perché la tensione passa da 230 a 235 V, ma la corrente ritorna indietro dall'altro cavo per cui il differenziale non rileva variazioni.

0
voti
Tralasciamo il dispositivo con cui inietteresti la corrente, tralasciamo anche la frequenza.
Se riuscissi a iniettare una corrente su uno dei due conduttori (fase e neutro) non succederebbe assolutamente nulla. La sommatoria della corrente in ingresso al toroide del differenziale farebbe comunque zero: la corrente iniettata entrerà ad esempio dalla fase e tornerà indietro dal neutro, come una normale corrente di carico.
Se riuscissi a iniettare una corrente su uno dei due conduttori (fase e neutro) non succederebbe assolutamente nulla. La sommatoria della corrente in ingresso al toroide del differenziale farebbe comunque zero: la corrente iniettata entrerà ad esempio dalla fase e tornerà indietro dal neutro, come una normale corrente di carico.
-

Giovanni123
502 1 3 6 - Sostenitore

- Messaggi: 606
- Iscritto il: 5 mag 2017, 9:05
0
voti
luigi_48 ha scritto:Buona sera.
Salve
.luigi_48 ha scritto:Avrei un quesito da porre in discussione, del quale non sono certo della risposta che mi son dato
..
luigi_48 ha scritto:Supponiamo di poter avere accesso ad una rete monofase (ma anche trifase) a monte di un contatore di energia e del relativo salvavita.
quindi una situazione del genere ..
luigi_48 ha scritto:Supponiamo di applicare una pinza amperometrica ( ad esempio ad un paio di metri a monte del contatore)
ovvero, qualcosa del tipo ..
..luigi_48 ha scritto:su uno dei due conduttori ed iniettare con questa una corrente di 1 Amp a frequenza industriale.
.luigi_48 ha scritto:Calma. ..
ben detto; pertanto è fondamentale fissare alcuni punti, ed il primo come già ti hanno correttamente scritto, "la pinza amperometrica è uno strumento di misura, ovvero opportunamente collegato o inserito su un circuito rileva l'ampiezza dell'intensità di corrente che fluisce in quel tratto di circuito interessato".
La pinza amperometrica fonda il suo principio di misura sull'utilizzo e sulle caratteristiche di un trasformatore amperometrico, brevemente indicato con TA. Quest'ultima realizza proprio la "pinza" dello strumento che andrà ad abbracciare il conduttore sottomisura, dal quale sentirà il passaggio dell'intensità di corrente sul conduttore, sfruttando le leggi dei circuiti magnetici che caratterizzano i trasformatori, sarà poi compito dei circuiti della pinza amperometrica leggere il valore fornito dal TA e convertirlo in un valore leggibile sul proprio display.
Pertanto, tanto con la pinza amperometrica, quanto con un TA si può apprezzare il passaggio dell'intensità di corrente in un conduttore, ma non iniettare.
Poi come , ti hanno giustamente fatto osservare,l'intensità di corrente che fluisce in un conduttore è funzione dell'assorbimento da parte del carico, pertanto non puoi iniettarla, per variarla dovrai variare le condizioni di carico a valle dello strumento o del punto di misura.
Quindi, supponendo una variazione del carico a valle del punto di misura, o a valle del contatore, si potrebbe dire che ..
Secondo voi il salvavita che sta a valle del contatore scatta?
l'interruttore differenziale a valle del contatore (alias salvavita, nome comune ma errato), interviene se è presente un guasto verso terra (differenza vettoriale delle correnti), o se il valore della sua corrente nominale è superato; entrambe le condizioni possono essere determinate dal carico/chi collegati a valle dell'interruttore differenziale.
luigi_48 ha scritto:Secondo me no.
Come scritto, se si superano le caratteristiche dell'interruttore differenziale a valle dello stesso, interviene.
luigi_48 ha scritto: Ma se invece di iniettare una correte di 1 Amp a frequenza industriale la iniettassi ad una frequenza più bassa, forse scatterebbe.
Come già scritto, non è possibile "iniettare un'intensità di corrente", mentre è possibile variare la frequenza di alimentazione in un circuito, con opportuni dispositivi; fermo restando che l'interruttore differenziale ha dei range di lavoro per frequenze di ordine elevato e categorie di rispetto, pertanto andrebbe individuato il tipo di applicazione.
Scatterebbe perché ad una frequenza più bassa le bobine amperometriche del contatore non riuscirebbero a sbarrarne il transito e nel toroidale del salvavita il flusso concatenato diverrebbe diverso da zero.
Voi che ne dite?
Che un TA come detto, è un componente di misura, e non svolge ne la funzione di iniettare un'intensità di corrente e tantomeno svolge la funzione di blocco per intensità di correnti a frequenza diversa da quella nominale di funzionamento.
I circuiti sono controcorrente. Seguono sempre la massa
-Per rispondere utilizza il tasto [RISPONDI] e non il tasto [CITA], grazie.-
-Per rispondere utilizza il tasto [RISPONDI] e non il tasto [CITA], grazie.-
22 messaggi
• Pagina 1 di 3 • 1, 2, 3
Torna a Impianti, sicurezza e quadristica
Chi c’è in linea
Visitano il forum: Google Adsense [Bot] e 74 ospiti

Elettrotecnica e non solo (admin)
Un gatto tra gli elettroni (IsidoroKZ)
Esperienza e simulazioni (g.schgor)
Moleskine di un idraulico (RenzoDF)
Il Blog di ElectroYou (webmaster)
Idee microcontrollate (TardoFreak)
PICcoli grandi PICMicro (Paolino)
Il blog elettrico di carloc (carloc)
DirtEYblooog (dirtydeeds)
Di tutto... un po' (jordan20)
AK47 (lillo)
Esperienze elettroniche (marco438)
Telecomunicazioni musicali (clavicordo)
Automazione ed Elettronica (gustavo)
Direttive per la sicurezza (ErnestoCappelletti)
EYnfo dall'Alaska (mir)
Apriamo il quadro! (attilio)
H7-25 (asdf)
Passione Elettrica (massimob)
Elettroni a spasso (guidob)
Bloguerra (guerra)













