Ciao a tutti, avrei bisogno di un aiuto per togliermi di dosso 20 anni di ruggine su un argomento che tratto sempre a singhiozzo e non ho mai davvero padroneggiato quando ero giovane.
Ho un trasformatore da 24Vac da cui vorrei ricavare 5Vdc per alimentare un Arduino che dovrà pilotare delle elettrovalvole a 24Vac, quindi se riesco a partire dalla stessa alimentazione risparmio spazio e un secondo trasformatore/alimentatore.
Ho già in casa degli MC34063A che ho visto essere consigliati spesso, nel forum, per questi scopi, oltre ad essere usati in moduli già fatti, ma visto che ne ho di sfusi e ci potrei imparere qualcosa...
L'idea è di crearmi un raddrizzatore con filtro capacitivo, un ponte di Graetz e un condensatore e attaccarci a valle uno step down fatto con un MC34063A.
Mi sono letto il datasheet, che allego qui per comodità: https://www.onsemi.cn/pdf/datasheet/mc34063a-d.pdf
A pagina 7 c'è lo schema che mi serve calcolato esattamente per quel che mi serve. Oro benon.
Quello che vorrei fare è verificare il funzionamento generale facendo anche qualche conto di massima per rinfrescarmi un po' la mia elettrotecnica decisamente arrugginita.
Partiamo dall'inizio, il trasformatore da 24Vac mi fornisce 24 V di tensione efficace, quindi per avere la tensione massima devo moltiplicare per la radice quadrata di 2.
Vmax = Veff * √2 = 24 V * 1,414 = 33,94V
Il mio alimentatore mi dovrà fornire 5V e 0,5A, quindi 2,5W come potenza massima per alimentare tutto quel che mi serve.
Vorrei ora capire che corrente massima e che tensione avrò in ingresso nello step-down non conoscendo la sua resistenza di ingresso e quindi calcolare un valore sensato per il condensatore a valle del ponte.
L'unica cosa che conosco è l'efficienza, dichiarata nel datasheet, dello step-down che è del 83,7% e per ora mi fido.
Questo significa che se ho una potenza in ingresso di X, in uscita ne avrò una pari all'83,7% di X.
Quindi per avere 2,5W in uscita, in ingresso ne dovrò avere 2,98W.
Per calcolare la tensione media a valle del raddrizzatore con filtro capacitivo, mi servirebbe conoscere RC, ma non ho nessuna delle due.
Posso ribaltare il problema, diciamo che voglio che al massimo della potenza, cioè a 2,98W, la tensione sia 24 V come scelta di progetto e mi calcolo il resto di conseguenza.
Sto parlando dell'uscita del ponte, che poi è l'ingresso dello step-down.
Mi posso già calcolare la corrente media (dato che ci sarà del bel ripple) in ingresso allo step-down:
I = P/V = 2,98W/24 V = 0,12A
e la resistenza di ingresso equivalente, sempre dello step-down:
R = V/I = 24 V/0,12A = 200Ω
Se ora mi concentro su quello che esce dal ponte raddrizzatore con filtro capacitivo, sarà una doppia semionda positiva filtrata che avrà come tensione media, quella stabilita progettualmente in precedenza, cioè 24 V e un ripple.
A questo punto, la mia tensione massima in uscita dal trasformatore Vmax (Vm) sarà equivalente alla tensione media di progetto (V = 24 V) + la tensione del diodo del ponte (assumiamo Vd = 1,1V) + metà della tensione picco picco del ripple, che chiamo Vrpp:
Vm = V + Vd + Vrpp/2
ribaltando per esprime Vrpp:
Vrpp = (Vm - V - Vd) * 2 = (33,94V - 24 V - 1,1V) * 2 = 8,84V
Ho assunto 1,1V la tensione di un diodo del ponte, giusto per usare un valore verosimile, poi userò il valore corretto appena procurerò il ponte da usare effettivamente.
La differenza di tensione picco-picco del ripple, dovrebbe essere esprimibile anche così:
Vrpp = V / (f*RC)
La frequenza è doppia rispetto a quella di rete per via del ponte che raddrizza entrambe le semionde.
Posso, a questo punto, calcolarmi C per avere questa situazione, e soprattutto i 24 V medi stabiliti prima.
C = V / (f*R*Vrpp) = 24 V / (100Hz * 200Ω * 8,84V) = 136µF
A questo punto, più alzo la capacità del condensatore, meno ripple avrò e più si alzerà la tensione media in ingresso allo step-down, dovrò solo stare attento a non farla alzare troppo.
Secondo voi, tutto questo ragionamento è corretto oppure ho commesso delle macro ca....ate?
Lo step-down del datasheet, dichiara un suo ripple in uscita di 120mVpp che con un ulteriore filtro LC si può abbassare a 40mVpp che potrebbe non essere male per il mio scopo, anche perché è quello massimo quando l'assorbimento totale sarà di 0,5A, il consumo reale dovrebbe essere decisamente minore.
grazie mille a chi vorrà controllare i miei ragionamenti/conti
Maurizio
Alimentatore con MC34063A come step-down
Moderatori:
g.schgor,
IsidoroKZ
13 messaggi
• Pagina 1 di 2 • 1, 2
2
voti
La soluzione empirica/ingegneristca del tuo problema recita
:

0.008 = 8 ms (un po' meno di un periodo (a 100 Hz)
3 = 10% di ripple rispetto al valore di picco
Non puoi
"giocare" con il valore del condensatore per "tenere bassa" la tensione media in ingresso al regolatore perche' il regolatore potrebbe "non gradire" un valore di Vr "alto" - il 10% come Vr e' il valore "giusto".

0.008 = 8 ms (un po' meno di un periodo (a 100 Hz)
3 = 10% di ripple rispetto al valore di picco

Non puoi
0
voti
Ecco, sapevo che c'era una via più facile ;).
Non è che mi sai dare un riferimento per capire come si arriva a questa formula empirica/ingeneristica?
O è semplicemente empirica?
Però... ragionando...
Io so che:


Ma...
...e...
quindi

Che è appunto la formula empirica/ingegneristica... dovrei esserci arrivato da solo
Stavo giocando con il ripple perché da quello che stavo ristudiando, era la sola via che al momento ero in grado di seguire
Però, mi conforta di non aver fatto errori ben più gravi.
grazie mille
Maurizio
P.S.
Così sono anche riuscito a capire come scrivere le formule con LaTeX
Non è che mi sai dare un riferimento per capire come si arriva a questa formula empirica/ingeneristica?
O è semplicemente empirica?
Però... ragionando...
Io so che:


Ma...
...e...
quindi
Che è appunto la formula empirica/ingegneristica... dovrei esserci arrivato da solo
Stavo giocando con il ripple perché da quello che stavo ristudiando, era la sola via che al momento ero in grado di seguire
Però, mi conforta di non aver fatto errori ben più gravi.
grazie mille
Maurizio
P.S.
Così sono anche riuscito a capire come scrivere le formule con LaTeX

1
voti
Sul forum ne abbiamo parlato piu' volte - cerca con google:
site:electroyou.it/forum ripple
Vedi anche:
Voltage Regulator Handbook NATIONAL SEMICONDUCTOR (RIP
)
https://www.smcelectronics.com/DOWNLOAD ... OLTREG.PDF
Sez.8 Pag 8-4 punto 8.2 Capacitor Selection
site:electroyou.it/forum ripple
Vedi anche:
Voltage Regulator Handbook NATIONAL SEMICONDUCTOR (RIP
https://www.smcelectronics.com/DOWNLOAD ... OLTREG.PDF
Sez.8 Pag 8-4 punto 8.2 Capacitor Selection
0
voti
Visto, grazie.
Avevo fatto ricerche, ma con le parole sbagliate
Ho trovato questi, che metto qui sotto nel caso possano tornare utili anche ad altri.
Qui suggerisci lo stesso PDF e anche un altro.
https://www.electroyou.it/forum/viewtopic.php?t=78940
Segue questo, linkato dal precedente:
https://www.electroyou.it/forum/viewtopic.php?f=1&t=56260&start=10#p553793
Poi si approfondiscono concetti ulteriori
https://www.electroyou.it/forum/viewtopic.php?t=59877
Se poi uno vuole farsi proprio un alimentatore e impararci qualcosa di più, io non ho ancora letto tutto ma da quel che ho viso pare molto interessante anche se lunghetto da leggere.
https://www.electroyou.it/brabus/wiki/ey-vlog-5-introduzione-agli-alimentatori-stabilizzati-lineari
https://www.electroyou.it/forum/viewtopic.php?f=48&t=47586
https://www.electroyou.it/forum/viewtopic.php?f=48&t=49005
Dovrei essermi tolto i vari dubbi.
Con un ripple al 10% dovrei avere una tensione media un po' maggiore, ora vedo se non è troppo maggiore e poi dovrei aver quagliato.
Grazie ancora
Maurizio
Avevo fatto ricerche, ma con le parole sbagliate
Ho trovato questi, che metto qui sotto nel caso possano tornare utili anche ad altri.
Qui suggerisci lo stesso PDF e anche un altro.
https://www.electroyou.it/forum/viewtopic.php?t=78940
Segue questo, linkato dal precedente:
https://www.electroyou.it/forum/viewtopic.php?f=1&t=56260&start=10#p553793
Poi si approfondiscono concetti ulteriori
https://www.electroyou.it/forum/viewtopic.php?t=59877
Se poi uno vuole farsi proprio un alimentatore e impararci qualcosa di più, io non ho ancora letto tutto ma da quel che ho viso pare molto interessante anche se lunghetto da leggere.
https://www.electroyou.it/brabus/wiki/ey-vlog-5-introduzione-agli-alimentatori-stabilizzati-lineari
https://www.electroyou.it/forum/viewtopic.php?f=48&t=47586
https://www.electroyou.it/forum/viewtopic.php?f=48&t=49005
Dovrei essermi tolto i vari dubbi.
Con un ripple al 10% dovrei avere una tensione media un po' maggiore, ora vedo se non è troppo maggiore e poi dovrei aver quagliato.
Grazie ancora
Maurizio
0
voti
Rifacendo bene i conti facendo tesoro dei suggerimenti, abbiamo:
P = 2,98W (potenza in uscita dal trasformatore con filtro capacitivo e quindi ingresso allo step down)
Vm = 33,94V (tensione massima in uscita dal trasformatore)
V = tensione in uscita dal trasformatore con filtro capacitivo e quindi ingresso allo step down
Vd = 1,1V (tensione del diodo del ponte raddrizzatore)
Vrpp = 10% di Vm = 3,4V

R è la resistenza equivalente di ingresso dello step-down e I è la corrente di ingresso.




Perfettamente in linea con quanto calcolato da elfo sui valori approssimati del primo calcolo.
Ora resta un solo dubbio.
Sul datasheet del MC34063A, il circuito dello step-down viene presentato come accettante in ingresso una tensione variabile tra 15V e 25V mentre l'MC34063A è indicato per lavorare fino a 40V.
La domanda è: il limite di 15-25V è unicamente riferita ai valori di efficienza, ripple, ecc. riportati sotto lo schema?
Oppure vanno ricalcolati alcuni componenti?
La tensione di uscita è fissata dal partitore R1, R2 che si basa sul riferimento di tensione interna, per cui non dipende dalla tensione di ingresso, ma il resto?
Dite che posso dargli tranquillamente i 31,14V calcolati senza grandi differenze in output?
Oppure è meglio se cerco di capire bene quanto scritto su questo documento cui il datasheet fa riferimento, anche se mi pare più complicato da capire.
https://www.onsemi.com/pub/Collateral/AN920-D.PDF
che però, mi fa una trattazione solo della combinazione step-up/step-down a pag. 18 mentre per il solo step-down riporta solo schemi e tabelle.
In altre parole, c'è modo di capire come sono dimensionati gli altri componenti?
Maurizio
P = 2,98W (potenza in uscita dal trasformatore con filtro capacitivo e quindi ingresso allo step down)
Vm = 33,94V (tensione massima in uscita dal trasformatore)
V = tensione in uscita dal trasformatore con filtro capacitivo e quindi ingresso allo step down
Vd = 1,1V (tensione del diodo del ponte raddrizzatore)
Vrpp = 10% di Vm = 3,4V

R è la resistenza equivalente di ingresso dello step-down e I è la corrente di ingresso.




Perfettamente in linea con quanto calcolato da elfo sui valori approssimati del primo calcolo.
Ora resta un solo dubbio.
Sul datasheet del MC34063A, il circuito dello step-down viene presentato come accettante in ingresso una tensione variabile tra 15V e 25V mentre l'MC34063A è indicato per lavorare fino a 40V.
La domanda è: il limite di 15-25V è unicamente riferita ai valori di efficienza, ripple, ecc. riportati sotto lo schema?
Oppure vanno ricalcolati alcuni componenti?
La tensione di uscita è fissata dal partitore R1, R2 che si basa sul riferimento di tensione interna, per cui non dipende dalla tensione di ingresso, ma il resto?
Dite che posso dargli tranquillamente i 31,14V calcolati senza grandi differenze in output?
Oppure è meglio se cerco di capire bene quanto scritto su questo documento cui il datasheet fa riferimento, anche se mi pare più complicato da capire.
https://www.onsemi.com/pub/Collateral/AN920-D.PDF
che però, mi fa una trattazione solo della combinazione step-up/step-down a pag. 18 mentre per il solo step-down riporta solo schemi e tabelle.
In altre parole, c'è modo di capire come sono dimensionati gli altri componenti?
Maurizio
4
voti
Uno schemino di quello che vuoi fare potrebbe aiutare!
Qualche osservazione sparsa. Se ho ben capito vuoi usare il secondario a 24 V per alimentare le valvole e anche raddrizzare lo stesso secondario e con un buck ottenere i 5V che ti servono.
Come dici nel tuo messaggio, una tensione efficace alternata di 24 V, una volta raddrizzata da` circa 34V, ma bisogna considerare un paio di fattori ancora. Di solito l'uscita del trasformatore a vuoto fornisce una tensione piu` alta della nominale, in modo che sotto carico scenda circa al valore nominale.
Inoltre la rete potrebbe essere un po' piu` alta del valore nominale, dipende da quanto sei lontano dalla cabina di trasformazione, in definitiva sul condensatore di livellamento potresti avere una tensione di picco di quasi 40V. L'integrato che vuoi utilizzare ha una tensione massima di 40V, sei molto vicino al limite!
Cosi` per sicurezza proverei a mettere un raddrizzatore sull'uscita e un elettrolitico, senza nessun carico, e misurerei la tensione sul condensatore. Per questa prova si puo` anche fare un raddrizzatore a un solo diodo + condensatore, tanto il carico e` solo un voltmetro. Capacita` del condensatore, quella che ti viene in mano, da 100µF in su, tensione di lavoro direi 63V o 50V se lo trovi.
Poi bisogna anche considerare che comandi carichi induttivi (quanti, e quanto consumano?) e quando li spegni potresti avere delle sovratensioni non gradite al regolatore.
I regolatori a commutazione hanno una caratteristica di ingresso "strana", sono tutto meno che resistivi, anzi localmente hanno una resistenza differenziale negativa, vedi qui, dove c'e` anche il calcolo dell'assorbimento all'ingresso del convertitore
Fidarsi e` bene, non fidarsi e` meglio (anche se in questo caso non cambia molto). Quel rendimento e` dato a una specifica tensione di ingresso, e a un preciso valore di assorbimento. Quando la tensione di ingresso sale (da 25V del data sheet a oltre 35V del tuo caso), il rendimento potrebbe anche aumentare, ma non ci sono curve o dati in proposito sul data sheet.
Mi pare un po' brutale, anche se FORSE potrebbe funzionare. Il ripple di ingresso a un convertitore regolato non e` molto importante, visto che il regolatore ha una retroazione che tiene costante l'uscita, ma avere un ripple picco picco dalle parti di 20V per avere una tensione media di 24 V mi pare un po' eccessivo. Inoltre con ripple elevato il conto del condensatore non e` semplice, e soprattutto le tolleranze del condensatore (20% se va bene), i parametri parassiti del trasformatore ecc. ecc. fanno si` che un conto del genere non abbia senso
Questa e` la resistenza apparente: se fai i conti un po' piu` precisi vedi che quando l'ingresso e` a 34V il convertitore assorbe 3W/34V circa 90mA, ma quando la tensione scende a 14V (il ripple in prima approssimazione, a spanne, e` triangolare) il consumo e` di oltre 200mA e la forma del ripple non e` piu` triangolare
(
Come dicevo prima, l'ampiezza del ripple all'ingresso di un convertitore regolato non e` molto importante, ci pensa lui a tenere stabile l'uscita, ma non bisogna neanche esagerare. Direi che qualche volt di ripple vadano bene.
Ultima osservazione e` il comando delle elettrovalvole. Sono in alternata, quindi serve un interruttore bidirezionale e il comando dal processore all'interruttore deve essere isolato, altrimenti, come diceva il mio prof di elettronica di potenza, KA-BOOM!
Sull'interruttore bisogna poi ricordarsi di mettere dei buoni snubber, altrimenti commutazione induttiva e processore vicino fanno una brutta commistione! Il processore potrebbe fare errori quando ci sono i disturbi della commutazione.
Qualche osservazione sparsa. Se ho ben capito vuoi usare il secondario a 24 V per alimentare le valvole e anche raddrizzare lo stesso secondario e con un buck ottenere i 5V che ti servono.
Come dici nel tuo messaggio, una tensione efficace alternata di 24 V, una volta raddrizzata da` circa 34V, ma bisogna considerare un paio di fattori ancora. Di solito l'uscita del trasformatore a vuoto fornisce una tensione piu` alta della nominale, in modo che sotto carico scenda circa al valore nominale.
Inoltre la rete potrebbe essere un po' piu` alta del valore nominale, dipende da quanto sei lontano dalla cabina di trasformazione, in definitiva sul condensatore di livellamento potresti avere una tensione di picco di quasi 40V. L'integrato che vuoi utilizzare ha una tensione massima di 40V, sei molto vicino al limite!
Cosi` per sicurezza proverei a mettere un raddrizzatore sull'uscita e un elettrolitico, senza nessun carico, e misurerei la tensione sul condensatore. Per questa prova si puo` anche fare un raddrizzatore a un solo diodo + condensatore, tanto il carico e` solo un voltmetro. Capacita` del condensatore, quella che ti viene in mano, da 100µF in su, tensione di lavoro direi 63V o 50V se lo trovi.
Poi bisogna anche considerare che comandi carichi induttivi (quanti, e quanto consumano?) e quando li spegni potresti avere delle sovratensioni non gradite al regolatore.
maubarzi ha scritto:
Il mio alimentatore mi dovrà fornire 5V e 0,5A, quindi 2,5W come potenza massima per alimentare tutto quel che mi serve.
Vorrei ora capire che corrente massima e che tensione avrò in ingresso nello step-down non conoscendo la sua resistenza di ingresso e quindi calcolare un valore sensato per il condensatore a valle del ponte.
I regolatori a commutazione hanno una caratteristica di ingresso "strana", sono tutto meno che resistivi, anzi localmente hanno una resistenza differenziale negativa, vedi qui, dove c'e` anche il calcolo dell'assorbimento all'ingresso del convertitore
maubarzi ha scritto:L'unica cosa che conosco è l'efficienza, dichiarata nel datasheet, dello step-down che è del 83,7% e per ora mi fido.
Fidarsi e` bene, non fidarsi e` meglio (anche se in questo caso non cambia molto). Quel rendimento e` dato a una specifica tensione di ingresso, e a un preciso valore di assorbimento. Quando la tensione di ingresso sale (da 25V del data sheet a oltre 35V del tuo caso), il rendimento potrebbe anche aumentare, ma non ci sono curve o dati in proposito sul data sheet.
maubarzi ha scritto:Per calcolare la tensione media a valle del raddrizzatore con filtro capacitivo, mi servirebbe conoscere RC, ma non ho nessuna delle due.
Posso ribaltare il problema, diciamo che voglio che al massimo della potenza, cioè a 2,98W, la tensione sia 24 V come scelta di progetto e mi calcolo il resto di conseguenza.
Mi pare un po' brutale, anche se FORSE potrebbe funzionare. Il ripple di ingresso a un convertitore regolato non e` molto importante, visto che il regolatore ha una retroazione che tiene costante l'uscita, ma avere un ripple picco picco dalle parti di 20V per avere una tensione media di 24 V mi pare un po' eccessivo. Inoltre con ripple elevato il conto del condensatore non e` semplice, e soprattutto le tolleranze del condensatore (20% se va bene), i parametri parassiti del trasformatore ecc. ecc. fanno si` che un conto del genere non abbia senso
maubarzi ha scritto:I = P/V = 2,98W/24 V = 0,12A
e la resistenza di ingresso equivalente, sempre dello step-down:
R = V/I = 24 V/0,12A = 200Ω
Questa e` la resistenza apparente: se fai i conti un po' piu` precisi vedi che quando l'ingresso e` a 34V il convertitore assorbe 3W/34V circa 90mA, ma quando la tensione scende a 14V (il ripple in prima approssimazione, a spanne, e` triangolare) il consumo e` di oltre 200mA e la forma del ripple non e` piu` triangolare
(Come dicevo prima, l'ampiezza del ripple all'ingresso di un convertitore regolato non e` molto importante, ci pensa lui a tenere stabile l'uscita, ma non bisogna neanche esagerare. Direi che qualche volt di ripple vadano bene.
Ultima osservazione e` il comando delle elettrovalvole. Sono in alternata, quindi serve un interruttore bidirezionale e il comando dal processore all'interruttore deve essere isolato, altrimenti, come diceva il mio prof di elettronica di potenza, KA-BOOM!
Sull'interruttore bisogna poi ricordarsi di mettere dei buoni snubber, altrimenti commutazione induttiva e processore vicino fanno una brutta commistione! Il processore potrebbe fare errori quando ci sono i disturbi della commutazione.
Per usare proficuamente un simulatore, bisogna sapere molta più elettronica di lui
Plug it in - it works better!
Il 555 sta all'elettronica come Arduino all'informatica! (entrambi loro malgrado)
Se volete risposte rispondete a tutte le mie domande
Plug it in - it works better!
Il 555 sta all'elettronica come Arduino all'informatica! (entrambi loro malgrado)
Se volete risposte rispondete a tutte le mie domande
0
voti
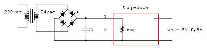
IsidoroKZ ha scritto:Uno schemino di quello che vuoi fare potrebbe aiutare!
Eccolo, molto semplice, ma giustamente, così lo abbiamo sott'occhio.
IsidoroKZ ha scritto:Qualche osservazione sparsa. Se ho ben capito vuoi usare il secondario a 24 V per alimentare le valvole e anche raddrizzare lo stesso secondario e con un buck ottenere i 5V che ti servono.
Come dici nel tuo messaggio, una tensione efficace alternata di 24 V, una volta raddrizzata da` circa 34V, ma bisogna considerare un paio di fattori ancora. Di solito l'uscita del trasformatore a vuoto fornisce una tensione piu` alta della nominale, in modo che sotto carico scenda circa al valore nominale.
Inoltre la rete potrebbe essere un po' piu` alta del valore nominale, dipende da quanto sei lontano dalla cabina di trasformazione, in definitiva sul condensatore di livellamento potresti avere una tensione di picco di quasi 40V. L'integrato che vuoi utilizzare ha una tensione massima di 40V, sei molto vicino al limite!
Cosi` per sicurezza proverei a mettere un raddrizzatore sull'uscita e un elettrolitico, senza nessun carico, e misurerei la tensione sul condensatore. Per questa prova si puo` anche fare un raddrizzatore a un solo diodo + condensatore, tanto il carico e` solo un voltmetro. Capacita` del condensatore, quella che ti viene in mano, da 100µF in su, tensione di lavoro direi 63V o 50V se lo trovi.
Ma infatti!
Questo, fondamentalmente, è il motivo per cui sto cercando di fare questi calcoli.
Da profani si prende sempre tutto al nominale, ma in realtà le cose possono essere ben diverse.
Appena ho un attimo faccio la verifica con il condensatore, di fatto vuoi vedere fino a che tensione il trasformatore raddrizzato lo riesce a caricare senza dargli la possibilità di scaricarsi, per poter misurare l'effettiva tensione massima del trasformatore al netto della Vf del diodo, giusto?
IsidoroKZ ha scritto:Poi bisogna anche considerare che comandi carichi induttivi (quanti, e quanto consumano?) e quando li spegni potresti avere delle sovratensioni non gradite al regolatore.
Si tratta di elettrovalvole, attivate tendenzialmente una alla volta ma potrebbero essere attive anche due assieme.
Quelle montate, non saprei, troppo vecchie e incastrate per vedere al volo, ne ho una nuova di tipo diverso che dice 2W e 24Vac
Pensavo di attivarle tramite relè allo stato solido tipo questi:
https://www.amazon.it/gp/product/B073W9HB2F/ref=ppx_yo_dt_b_asin_title_o06_s02?ie=UTF8&psc=1
IsidoroKZ ha scritto:maubarzi ha scritto:Il mio alimentatore mi dovrà fornire 5V e 0,5A, quindi 2,5W come potenza massima per alimentare tutto quel che mi serve.
Vorrei ora capire che corrente massima e che tensione avrò in ingresso nello step-down non conoscendo la sua resistenza di ingresso e quindi calcolare un valore sensato per il condensatore a valle del ponte.
I regolatori a commutazione hanno una caratteristica di ingresso "strana", sono tutto meno che resistivi, anzi localmente hanno una resistenza differenziale negativa, vedi qui, dove c'e` anche il calcolo dell'assorbimento all'ingresso del convertitore
Certo, a potenza costante, la corrente aumenta al calare della tensione, però non dovrebbe cambiare molto, si possono calcolare i due estremi per vedere se sono critici, poi si resterà tra questi due confini.
La resistenza equivalente è comunque significativa, anche se non precisa, ma ci da l'ordine di grandezza e gli estremi di variazione.
Comunque, si, annotazione considerata, spero nel modo giusto.
IsidoroKZ ha scritto:maubarzi ha scritto:L'unica cosa che conosco è l'efficienza, dichiarata nel datasheet, dello step-down che è del 83,7% e per ora mi fido.
Fidarsi e` bene, non fidarsi e` meglio (anche se in questo caso non cambia molto). Quel rendimento e` dato a una specifica tensione di ingresso, e a un preciso valore di assorbimento. Quando la tensione di ingresso sale (da 25V del data sheet a oltre 35V del tuo caso), il rendimento potrebbe anche aumentare, ma non ci sono curve o dati in proposito sul data sheet.
Ok, l'importante, anche qui, è che non ci siano stravolgimenti strani, ma mi pare che sia abbastanza limitata la variazione. Se poi aumenta l'efficienza, diminuisce la potenza a monte.
IsidoroKZ ha scritto:maubarzi ha scritto:Per calcolare la tensione media a valle del raddrizzatore con filtro capacitivo, mi servirebbe conoscere RC, ma non ho nessuna delle due.
Posso ribaltare il problema, diciamo che voglio che al massimo della potenza, cioè a 2,98W, la tensione sia 24 V come scelta di progetto e mi calcolo il resto di conseguenza.
Mi pare un po' brutale, anche se FORSE potrebbe funzionare. Il ripple di ingresso a un convertitore regolato non e` molto importante, visto che il regolatore ha una retroazione che tiene costante l'uscita, ma avere un ripple picco picco dalle parti di 20V per avere una tensione media di 24 V mi pare un po' eccessivo. Inoltre con ripple elevato il conto del condensatore non e` semplice, e soprattutto le tolleranze del condensatore (20% se va bene), i parametri parassiti del trasformatore ecc. ecc. fanno si` che un conto del genere non abbia senso![]()
Si, già visto con elfo, poi ho ribaltato l'ottica facendo il calcolo dritto, se ho capito bene la tua obiezione.
Decido il ripple, più basso rispetto al primo post, e calcolo il condensatore di conseguenza.
Con i nuovi conti risulta tutto più "normale".
IsidoroKZ ha scritto:maubarzi ha scritto:I = P/V = 2,98W/24 V = 0,12A
e la resistenza di ingresso equivalente, sempre dello step-down:
R = V/I = 24 V/0,12A = 200Ω
Questa e` la resistenza apparente: se fai i conti un po' piu` precisi vedi che quando l'ingresso e` a 34V il convertitore assorbe 3W/34V circa 90mA, ma quando la tensione scende a 14V (il ripple in prima approssimazione, a spanne, e` triangolare) il consumo e` di oltre 200mA e la forma del ripple non e` piu` triangolare(
Come dicevo prima, l'ampiezza del ripple all'ingresso di un convertitore regolato non e` molto importante, ci pensa lui a tenere stabile l'uscita, ma non bisogna neanche esagerare. Direi che qualche volt di ripple vadano bene.
Si, capito bene gli effetti di un ripple troppo elevato.
IsidoroKZ ha scritto:Ultima osservazione e` il comando delle elettrovalvole. Sono in alternata, quindi serve un interruttore bidirezionale e il comando dal processore all'interruttore deve essere isolato, altrimenti, come diceva il mio prof di elettronica di potenza, KA-BOOM!
Sull'interruttore bisogna poi ricordarsi di mettere dei buoni snubber, altrimenti commutazione induttiva e processore vicino fanno una brutta commistione! Il processore potrebbe fare errori quando ci sono i disturbi della commutazione.
Questo aspetto mi è molto chiaro, difatti, in genere, quando comando relè o carichi induttivi, tendo ad isolare completamente i circuiti separando le alimentazioni e isolando la parte comando, otticamente.
In questo caso, mi interesserebbe approfondire il concetto perché ho 2 elementi per me nuovi:
1) convertitore dc-dc che non so bene se isola la sua uscita da queste eventuali fluttuazioni in entrata, ma a naso direi di si.
2) relè allo stato solido, che non si comportano come dei relè tradizionali, quindi anche questi potrebbero avere un effetto mitigante sul problema.
Resta da capire se l'ingresso è a pelo con le capacità dell'MC34063A (40V) e quindi eventuali fluttuazioni lo portano a lavorare oltre i suoi limiti, oppure ho sufficiente margine per stare tranquillo.
grazie mille
Maurizio
0
voti
IsidoroKZ ha scritto:Cosi` per sicurezza proverei a mettere un raddrizzatore sull'uscita e un elettrolitico, senza nessun carico, e misurerei la tensione sul condensatore. Per questa prova si puo` anche fare un raddrizzatore a un solo diodo + condensatore, tanto il carico e` solo un voltmetro. Capacita` del condensatore, quella che ti viene in mano, da 100µF in su, tensione di lavoro direi 63V o 50V se lo trovi.
Ho guardato e in casa, quello più grosso che ho è da 10uF 50V
perché dici "da 100uF in su"?
Misura influenzata dal tester?
Ne ho anche di capacità maggiore, ma scende la tensione, quindi non vanno bene.
Maurizio
0
voti
Se ci metti solo il tester bastano anche 10µF.
La resistenza apparente NON ha nessun significato per un regolatore a commutazione: se guardi la curva tensione/corrente dell'articolo che ti avevo indicato, vedi che non e` una resistenza.
Se la formula che vuoi usare per il ripple richiede il valore della resistenza... vuol dire che non e` la formula che ti serve in questo caso, devi basarti sulla corrente assorbita.
La resistenza apparente NON ha nessun significato per un regolatore a commutazione: se guardi la curva tensione/corrente dell'articolo che ti avevo indicato, vedi che non e` una resistenza.
Se la formula che vuoi usare per il ripple richiede il valore della resistenza... vuol dire che non e` la formula che ti serve in questo caso, devi basarti sulla corrente assorbita.
Per usare proficuamente un simulatore, bisogna sapere molta più elettronica di lui
Plug it in - it works better!
Il 555 sta all'elettronica come Arduino all'informatica! (entrambi loro malgrado)
Se volete risposte rispondete a tutte le mie domande
Plug it in - it works better!
Il 555 sta all'elettronica come Arduino all'informatica! (entrambi loro malgrado)
Se volete risposte rispondete a tutte le mie domande
13 messaggi
• Pagina 1 di 2 • 1, 2
Torna a Elettrotecnica generale
Chi c’è in linea
Visitano il forum: Nessuno e 59 ospiti

Elettrotecnica e non solo (admin)
Un gatto tra gli elettroni (IsidoroKZ)
Esperienza e simulazioni (g.schgor)
Moleskine di un idraulico (RenzoDF)
Il Blog di ElectroYou (webmaster)
Idee microcontrollate (TardoFreak)
PICcoli grandi PICMicro (Paolino)
Il blog elettrico di carloc (carloc)
DirtEYblooog (dirtydeeds)
Di tutto... un po' (jordan20)
AK47 (lillo)
Esperienze elettroniche (marco438)
Telecomunicazioni musicali (clavicordo)
Automazione ed Elettronica (gustavo)
Direttive per la sicurezza (ErnestoCappelletti)
EYnfo dall'Alaska (mir)
Apriamo il quadro! (attilio)
H7-25 (asdf)
Passione Elettrica (massimob)
Elettroni a spasso (guidob)
Bloguerra (guerra)




