Roswell1947 ha scritto: ... vero? ...
Tutto vero

Roswell1947 ha scritto:... purtropp senza una figura non si capisce il passaggio..
Vedi che lo avevi capito anche senza.
Moderatori:
carloc,
g.schgor,
BrunoValente,
IsidoroKZ
Roswell1947 ha scritto: ... vero? ...

Roswell1947 ha scritto:... purtropp senza una figura non si capisce il passaggio..


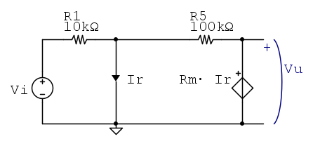
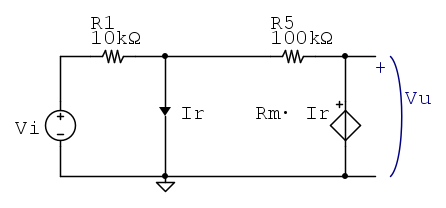
RenzoDF ha scritto:@BrunoValente E questo Bruno si fa a mente, di conseguenza la soluzione via EET è forse più semplice e immediata della tua, non credi?



.
è appena appena più laborioso infatti, non assorbendo corrente il terminale invertente di OPA1, si ha:
.
in
:
.
,
e
in
:
.
.
, si ha
.
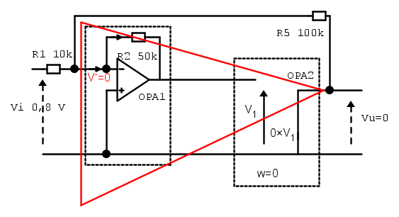
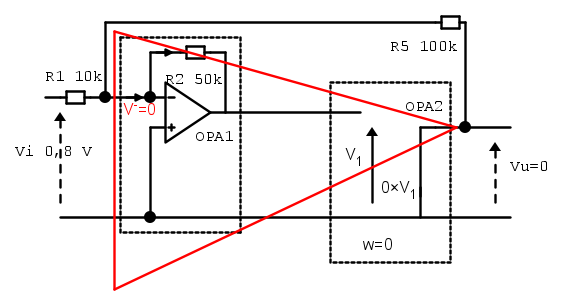
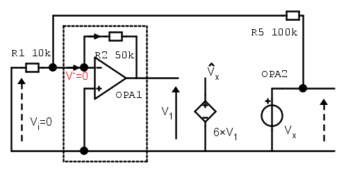
micdisav ha scritto: il vecchio metodo OA della massa virtuale.
[...]
(a potenziale di massa virtuale)


modella l'attenuazione tra sorgente e nodo somma,
la non unidirezionalità dei blocchi mentre Zp e Vp permettono di "aprire" l'anello senza cambiarne il guadagno.
=0 e Zp=0, e applicando la "versione" nodo somma in corrente 



qualunque della rete, ad esempio il valore di un componente, il guadagno di un generatore pilotato, l'amplificazione di un blocco amplificatore che sia all'interno dell'anello di retroazione, calcolando poi questi tre parametri
quando
e lo chiamiamo 
quando
e lo chiamiamo 
, usando il suo valore proprio, e lo chiamiamo 
conviene usare ad esempio il guadagno
di un transistore oppure
e conviene che il generatore pilotato con guadagno
sia collegato a ground: questo semplifica molto i conti di
.
il guadagno differenziale uno dei due operazionali. Essendo pero` degli operazionali ideali si ha gia` in partenza
e non si riesce a usare in modo semplice questo metodo, dato che infinito non e` un numero e bisognerebbe tirarsi dietro dei limiti per tutti i conti.
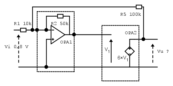
il guadagno di questo secondo amplificatore. Il circuito risulta il seguente.
e` nulla. Con tensione di uscita del primo stadio nulla, essendo anche l'ingresso invertente del primo stadio a potenziale zero (V- insegue V+, vedere qui), la corrente che passa attraverso la R da 50 kΩ e` nulla, e quindi anche all'ingresso del primo operazionale localmente retroazionato non entra corrente. 
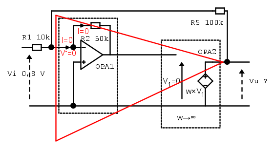
viene calcolato ponendo a zero il guadagno
del generatore pilotato di tensione. In pratica il generatore pilotato di tensione diventa un cortocircuito, come in figura
e questo semplifica la vita. In molti circuiti reali il segnale di ingresso riesce a raggiungere l'uscita passando "contromano" nella rete di retroazione e il valore di
non e` piu` nullo.
. Si calcola la tensione
generata dal generatore originale con il suo guadagno proprio. Il rapporto di ritorno vale 

, il secondo, dentro la parentesi, deriva dalla configurazione di ampli invertente del primo stadio.
e dividere per zero porta molto male! Magari provo a usarlo su un circuito un po' piu` complicato in cui si veda bene come funziona.

Visitano il forum: Nessuno e 232 ospiti