Il padre di un mio amico mi ha chiesto se potevo provare a riparargli un vecchio diffusore autoalimentato a 12V di un antifurto molto datato che ha smesso di emettere suoni. Aprendo il diffusore si è scoperto che non funziona più il generatore di nota che è un tutt'uno con l'amplificatore "annegato" in una scatoletta riempita di resina.
Si tratterebbe quindi di sostituire il modulo con qualcosa di simile e il lavoro sarebbe finito, niente di difficile.
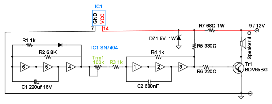
Per sostituire il modulo ho pensato di riutilizzare il circuito del Kit di NE LX144 della rivista N° 40/41, pag. 312 documentato più avanti. Ho scelto questo circuito perché tempo addietro lo avevo già costruito per un mio amico di Novara che aveva il Kit completo ma non si fidava a saldarlo non essendo sicuro di collocare correttamente i componenti.
Si trattò quindi d'inserire e saldare i componenti correttamente sulla PCB e il circuito funzionante partì per Novara.
Adesso invece la situazione è un po' diversa. I componenti li avrei, grazie anche alla donazione da parte di
L'intenzione era di costruire il circuito emulando la PCB con la piastrina mille fori ma seguendo lo schema teorico non riesco a far coincidere i collegamenti ai pin dell'integrato come da PCB originale.
Sembrerebbe che la numerazione dei pin dello schema sia errata e non possa coincidere con la disposizione pratica della PCB. Sbaglio io? Dove sbaglio? E' possibile ricevere un parere? Grazie.

Elettrotecnica e non solo (admin)
Un gatto tra gli elettroni (IsidoroKZ)
Esperienza e simulazioni (g.schgor)
Moleskine di un idraulico (RenzoDF)
Il Blog di ElectroYou (webmaster)
Idee microcontrollate (TardoFreak)
PICcoli grandi PICMicro (Paolino)
Il blog elettrico di carloc (carloc)
DirtEYblooog (dirtydeeds)
Di tutto... un po' (jordan20)
AK47 (lillo)
Esperienze elettroniche (marco438)
Telecomunicazioni musicali (clavicordo)
Automazione ed Elettronica (gustavo)
Direttive per la sicurezza (ErnestoCappelletti)
EYnfo dall'Alaska (mir)
Apriamo il quadro! (attilio)
H7-25 (asdf)
Passione Elettrica (massimob)
Elettroni a spasso (guidob)
Bloguerra (guerra)



Max





