Buonasera a tutti,
Spesso mi diletto nella costruzione di effettistica per chitarra elettrica e cose simili. Ultimamente sto realizzando diversi "phaser", utilizzando degli LFO per modulare il pivot del filtro notch tipico di questi circuiti.
In tutte le mie realizzazioni ho usato un LFO copiato pari pari dall'MXR phase 90 (per approfondimenti date un occhio qui: https://www.electrosmash.com/mxr-phase90).
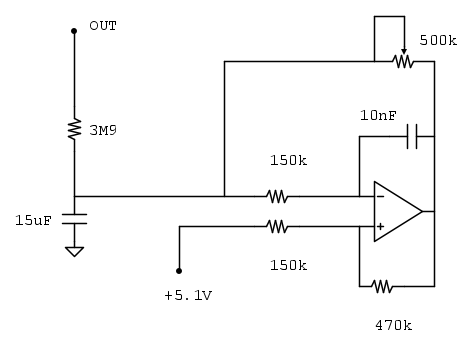
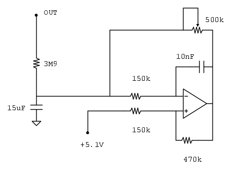
Lo schema dell'LFO è questo:
L'operazionale è alimentato a 9V e ho sempre utilizzato il comunissimo 741 senza alcun problema.
In questi giorni, per ragioni dettate dalla semplice indisponibilità del 741, ho provato ad appoggiarmi all' NE5532, ma l'oscillatore non ne vuol sapere di fare il suo mestiere.
Detto tra noi il problema è minimo, perché nel frattempo mi sono arrivati i 741 nuovi e potrei tranquillamente dimenticarmi della cosa, vorrei però capire dove sta l'inghippo per ragioni puramente didattiche. Da profano quale sono mi aspettavo che, a basse frequenze, qualsiasi opamp funzionasse in modo pressoché ideale e non ci fossero differenze di sorta. Cosa non sto considerando?
Problema con LFO
Moderatori:
carloc,
g.schgor,
BrunoValente,
IsidoroKZ
16 messaggi
• Pagina 1 di 2 • 1, 2
0
voti
Il problema è proprio dello NE5532 che non può essere usato tout court come sostituto "general purpose",però nella mia ignoranza non ne conosco il motivo che penso dipenda dalla struttura interna, fatto sta che anni fa lo provai come sostituto dello TL082 in distorsori e preamplificatori col risultato che suonava "inscatolato" come se ci fosse un brutto riverbero 
"Non farei mai parte di un club che accettasse la mia iscrizione" (G. Marx)
-

claudiocedrone
21,3k 4 7 9 - Master EY

- Messaggi: 15302
- Iscritto il: 18 gen 2012, 13:36
0
voti
La prima idea che mi viene in mente e' che l'NE5532 ha collegati internamente in (anti)parallelo sugli ingressi due diodi per protezione.
Vdiff Differential input voltage (1) ± .5 V
che "sporcano" il funzionamento del circuito come Schmitt trigger/oscillatore
Vedi data sheet e circuito equivalente (pag.1 del PDF)
http://www.elektronikjk.com/elementy_cz ... E5532A.pdf
Nota 1
Diodes protect the inputs against over-voltage. Therefore, unless current-limiting resistors are used, large currents will flow if the differential input voltage exceeds 0.6V.
Maximum current should be limited to ± 10mA.
Vdiff Differential input voltage (1) ± .5 V
che "sporcano" il funzionamento del circuito come Schmitt trigger/oscillatore
Vedi data sheet e circuito equivalente (pag.1 del PDF)
http://www.elektronikjk.com/elementy_cz ... E5532A.pdf
Nota 1
Diodes protect the inputs against over-voltage. Therefore, unless current-limiting resistors are used, large currents will flow if the differential input voltage exceeds 0.6V.
Maximum current should be limited to ± 10mA.
0
voti
Ahhhhhh ok! Quindi, se ho capito bene, non c'è modo di far lavorare un NE5532 come LFO per ragioni "strutturali"...
Già che ci siamo faccio una domanda inerente a queste differenze interne degli integrati: che differenza dovrei aspettarmi tra un MC1458 (praticamente un doppio 741) e un LF353 che presenta degli stadi in ingresso con JFET?
Da elettronico della domenica mi sono sempre limitato a guardare le tabelle dei datasheet, senza curarmi delle caratteristiche interne della componentistica...
Già che ci siamo faccio una domanda inerente a queste differenze interne degli integrati: che differenza dovrei aspettarmi tra un MC1458 (praticamente un doppio 741) e un LF353 che presenta degli stadi in ingresso con JFET?
Da elettronico della domenica mi sono sempre limitato a guardare le tabelle dei datasheet, senza curarmi delle caratteristiche interne della componentistica...
0
voti
Damn87 ha scritto:sempre limitato a guardare le tabelle dei datasheet, senza curarmi delle caratteristiche interne della componentistica...
Ma quello che ho scritto e' riportato nel datasheet
MC1458 e LF53 ?
Vuoi aprire "a can of worms"
Riguardo l'inversione di fase e il superamento dei limiti di modo commune sugli ingressi dell'LF353:
dal datasheet dell'LF353 National (solo National) - la National e' stata comprata dalla Texas
pag 7 e 8 (pag 8 e 9 del PDF)
https://datasheet.octopart.com/LF353M-N ... 188024.pdf
Exceeding the negative common-mode limit on either input
will force the output to a high state, potentially causing a
reversal of phase to the output. Exceeding the negative
common-mode limit on both inputs will force the amplifier
output to a high state. In neither case does a latch occur
Application Hints (Continued)
since raising the input back within the common-mode range
again puts the input stage and thus the amplifier in a normal
operating mode.
Exceeding the positive common-mode limit on a single input
will not change the phase of the output; however, if both
inputs exceed the limit, the output of the amplifier will be
forced to a high state.
0
voti
elfo ha scritto:Damn87 ha scritto:sempre limitato a guardare le tabelle dei datasheet, senza curarmi delle caratteristiche interne della componentistica...
Ma quello che ho scritto e' riportato nel datasheet![]()
Assolutamente. Infatti sono colpevole di lettura superficiale (delle sole tabelle riassuntive). D'ora in avanti cercherò di essere più accorto
elfo ha scritto:MC1458 e LF53 ?IsidoroKZ recentemente aveva scritto dell'inversione di fase per gli Op-Amp BiFet (es LF353) ma non ritrovo il post.
Vuoi aprire "a can of worms"![]()
Riguardo l'inversione di fase e il superamento dei limiti di modo commune sugli ingressi dell'LF353:
dal datasheet dell'LF353 National (solo National) - la National e' stata comprata dalla Texas
pag 7 e 8 (pag 8 e 9 del PDF)
https://datasheet.octopart.com/LF353M-N ... 188024.pdfExceeding the negative common-mode limit on either input
will force the output to a high state, potentially causing a
reversal of phase to the output. Exceeding the negative
common-mode limit on both inputs will force the amplifier
output to a high state. In neither case does a latch occur
Application Hints (Continued)
since raising the input back within the common-mode range
again puts the input stage and thus the amplifier in a normal
operating mode.
Exceeding the positive common-mode limit on a single input
will not change the phase of the output; however, if both
inputs exceed the limit, the output of the amplifier will be
forced to a high state.
Aiuto, qui non ho capito niente
Che c'entrano le inversioni di fase e le violazioni di modo comune? Io chiedevo solo la differenza pratica dell'avere due BJT (MC1458) o due JFET (LF353) come terminali di ingresso, ho scoperchiato inavvertitamente un vaso di pandora?
0
voti
Ho ritrovato grazie a
claudiocedrone:
Guarda (studia
) questo articolo di
IsidoroKZ e rimira la fig. 12 Violazione modo comune ( la terza a DX) in cui si vede l'inversione di fase
https://www.electroyou.it/isidorokz/wik ... erazionali
Nell'articolo qui sopra e' citato (ed e' da studiare) anche di
brabus
EY Vlog 2 - "Op-Amp Common Mode Voltage Range"
https://www.electroyou.it/brabus/wiki/e ... tage-range
Guarda (studia
https://www.electroyou.it/isidorokz/wik ... erazionali
Nell'articolo qui sopra e' citato (ed e' da studiare) anche di
EY Vlog 2 - "Op-Amp Common Mode Voltage Range"
https://www.electroyou.it/brabus/wiki/e ... tage-range
0
voti
Grazie
elfo, siete una miniera di informazioni. Inizio a studiarmi il materiale, sperando di capirlo.
Ciao
edgar, grazie per il suggerimento. Comunque l'operazionale è alimentato a 9V, i 5.1V indicati in schema polarizzano il terminale non invertente e servono (credo) a non violare le condizioni di modo comune
Ciao
0
voti
[10] Re: Problema con LFO
"Non farei mai parte di un club che accettasse la mia iscrizione" (G. Marx)
-

claudiocedrone
21,3k 4 7 9 - Master EY

- Messaggi: 15302
- Iscritto il: 18 gen 2012, 13:36
16 messaggi
• Pagina 1 di 2 • 1, 2
Chi c’è in linea
Visitano il forum: Google Adsense [Bot] e 222 ospiti

Elettrotecnica e non solo (admin)
Un gatto tra gli elettroni (IsidoroKZ)
Esperienza e simulazioni (g.schgor)
Moleskine di un idraulico (RenzoDF)
Il Blog di ElectroYou (webmaster)
Idee microcontrollate (TardoFreak)
PICcoli grandi PICMicro (Paolino)
Il blog elettrico di carloc (carloc)
DirtEYblooog (dirtydeeds)
Di tutto... un po' (jordan20)
AK47 (lillo)
Esperienze elettroniche (marco438)
Telecomunicazioni musicali (clavicordo)
Automazione ed Elettronica (gustavo)
Direttive per la sicurezza (ErnestoCappelletti)
EYnfo dall'Alaska (mir)
Apriamo il quadro! (attilio)
H7-25 (asdf)
Passione Elettrica (massimob)
Elettroni a spasso (guidob)
Bloguerra (guerra)





