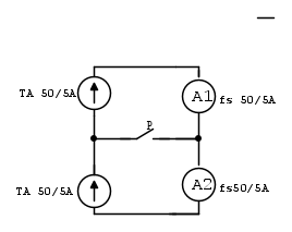
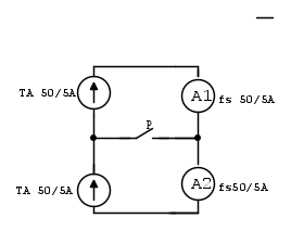
Ho un dubbio su un collegamento di due TA in serie: se il pulsante P è chiuso, su ogni TA scorre una corrente di 5A, ma se apro il pulsante P che corrente scorre sul TA? 5 o 10A? e se scorre 5A il pulsante P non serve a nulla?
Grazie per la delucidazione
TA in serie
Moderatori:
g.schgor,
IsidoroKZ
6 messaggi
• Pagina 1 di 1
0
voti
[2] Re: TA in serie
Evidenze:
V1 = 0
V2 = 0
Se Vz e Vy hanno versi concordi:
Domanda
Quanto vale la tensione tra I punti A, B?
V1 = 0
V2 = 0
Se Vz e Vy hanno versi concordi:
Domanda
Quanto vale la tensione tra I punti A, B?
0
voti
[3] Re: TA in serie
Proprio a sentimento mi sembra che il transito della corrente nel punto dove c'è l'interruttore ci possa essere solo nel caso che i due TA non siano perfettamente identici.
Cosa è un modello teorico? O un circuito reale?
Cosa è un modello teorico? O un circuito reale?
Altrove. .Volutamente Anonimo
0
voti
[4] Re: TA in serie
direi che se i due TA non fossero identici, dovremmo avere un grosso problema, visto che le correnti di uscita devono essere specifiche per ogni TA e la corrente in entrata è la stessa.
secondo me, se fossero ideali non cambierebbe nulla chiudendo l'interruttore, se fossero reali non cambierebbe nulla, ma secondo me devono essere uguali, altrimenti per commutarli ci dovrebe essere un deviatore che commuti uno o l'altro, cortocircuitandone sempre uno.
saluti.
secondo me, se fossero ideali non cambierebbe nulla chiudendo l'interruttore, se fossero reali non cambierebbe nulla, ma secondo me devono essere uguali, altrimenti per commutarli ci dovrebe essere un deviatore che commuti uno o l'altro, cortocircuitandone sempre uno.
saluti.
-

lelerelele
4.899 3 7 9 - Master

- Messaggi: 5505
- Iscritto il: 8 giu 2011, 8:57
- Località: Reggio Emilia
6 messaggi
• Pagina 1 di 1
Torna a Elettrotecnica generale
Chi c’è in linea
Visitano il forum: Nessuno e 128 ospiti

Elettrotecnica e non solo (admin)
Un gatto tra gli elettroni (IsidoroKZ)
Esperienza e simulazioni (g.schgor)
Moleskine di un idraulico (RenzoDF)
Il Blog di ElectroYou (webmaster)
Idee microcontrollate (TardoFreak)
PICcoli grandi PICMicro (Paolino)
Il blog elettrico di carloc (carloc)
DirtEYblooog (dirtydeeds)
Di tutto... un po' (jordan20)
AK47 (lillo)
Esperienze elettroniche (marco438)
Telecomunicazioni musicali (clavicordo)
Automazione ed Elettronica (gustavo)
Direttive per la sicurezza (ErnestoCappelletti)
EYnfo dall'Alaska (mir)
Apriamo il quadro! (attilio)
H7-25 (asdf)
Passione Elettrica (massimob)
Elettroni a spasso (guidob)
Bloguerra (guerra)







