Premetto che in elettronica sono un po' arrugginito, chiederei a tutto il forum una mano per risolvere insieme questo esercizio di elettronica.
Non tutti i punti mi sono chiari, ma naturalmente proporrei di partire e proseguire con ordine, punto per punto (sono 4).
Allego il pdf dell'esercizio e scrivo come avrei risolto il primo punto:
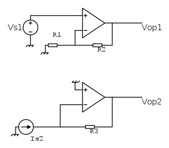
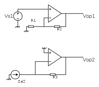
1) Il circuito mostrato in figura è un miscelatore di segnali di tensione e corrente, realizzato con 3 stadi ad amplificatore operazionale.
più precisamente, si individuano:
STADIO 1: costituito da U1 in configurazione non invertente, dal generatore di tensione Vs1 con relativa Resistenza Rs1, dalla rete di reazione costituita dai resistori R1 e R2 e il capacitore C1 il quale serve per bloccare la DC, separando di fatto lo stadio in questione con quello in cascata (di U3).
STADIO 2: costituito da U2 in configurazione invertente, dal generatore di corrente Is2 con relativa Resistenza Rs2, dal resistore di retroazione R3 e il capacitore C2 il quale serve per bloccare la DC, separando di fatto lo stadio in questione con quello in cascata (di U3).
STADIO 3: costituito da U3 in configurazione invertente, dai resistori R4 e R5 (a cosa servono
Cosa ve ne pare? A parte il non sapere il ruolo dei resistori R4 e R5, ho sbagliato qualcosa?
Vi ringrazio per il tempo che mi dedicherete


Elettrotecnica e non solo (admin)
Un gatto tra gli elettroni (IsidoroKZ)
Esperienza e simulazioni (g.schgor)
Moleskine di un idraulico (RenzoDF)
Il Blog di ElectroYou (webmaster)
Idee microcontrollate (TardoFreak)
PICcoli grandi PICMicro (Paolino)
Il blog elettrico di carloc (carloc)
DirtEYblooog (dirtydeeds)
Di tutto... un po' (jordan20)
AK47 (lillo)
Esperienze elettroniche (marco438)
Telecomunicazioni musicali (clavicordo)
Automazione ed Elettronica (gustavo)
Direttive per la sicurezza (ErnestoCappelletti)
EYnfo dall'Alaska (mir)
Apriamo il quadro! (attilio)
H7-25 (asdf)
Passione Elettrica (massimob)
Elettroni a spasso (guidob)
Bloguerra (guerra)






dell'OPAMP (già bassa di suo), questo contributo è praticamente trascurabile.
: il testo ti dice ti calcolare la fdt ipotizzando di lavorare in centrobanda, quindi quando C1-C2 sono in corto e non sono ancora intervenuti i poli degli OPAMP. 


equazione alla maglia
tensione uscita generatore dipendente
è ovvio, guardate i riferimenti
, dove
reazione


quello che volevo ottenere. 



) ti tocca aggiungere una equazione per il nodo di corrente che allunga un po' il calcolo. O comunque ti ritrovi a passare sempre dalla relazione in tensione.