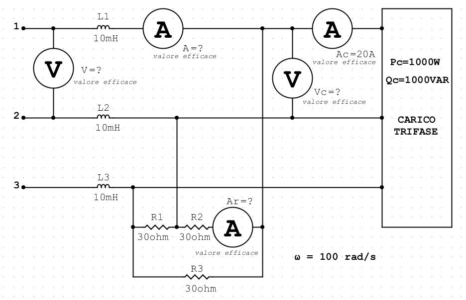
Certamente, e vi ringrazio tantissimo per questo. Vorrei solo la conferma se la Vc e' calcolata correttamente, e cioe' considerare la "radice di 3" moltiplicata per la corrente Ac al denominatore. Purtroppo mi e' stato fornito questo scherma e questi dati, non l'ho disegnato io.
Grazie
problema con calcolo valori su circuito trifase
Moderatori:
g.schgor,
IsidoroKZ
42 messaggi
• Pagina 2 di 5 • 1, 2, 3, 4, 5
2
voti
Signori scusate ma il forum ha un regolamento che andrebbe (va!) rispettato: schemi in FidoCadJ e formule in LaTex per favore.
Riguardo al LaTex non occorre nemmeno impararlo (e qui mi rivolgo anche a
MarcoD
) basta utilizzare http://www.codecogs.com/latex/eqneditor.php e poi fare copia e incolla.
Riguardo al LaTex non occorre nemmeno impararlo (e qui mi rivolgo anche a
"Non farei mai parte di un club che accettasse la mia iscrizione" (G. Marx)
-

claudiocedrone
21,3k 4 7 9 - Master EY

- Messaggi: 15303
- Iscritto il: 18 gen 2012, 13:36
0
voti
Buongiorno, ho rifatto lo schema con FidoCadJ, come richiesto.
Ho tentato tentato di allegarlo ma mi dice che non è permesso allegare file con estensione .fcd.

Avendo ricavato la Vc dalle formule precedenti, il calcolo è corretto?
A questo punto suppongo che per ricavare la potenza complessiva assorbita dalle resistenze del triangolo, devo ricavare la potenza di una sola resistenza e moltiplicarla per 3, dico bene?
Scusate ma sono veramente nella confusione piu' totale.
Ho tentato tentato di allegarlo ma mi dice che non è permesso allegare file con estensione .fcd.

Avendo ricavato la Vc dalle formule precedenti, il calcolo è corretto?
A questo punto suppongo che per ricavare la potenza complessiva assorbita dalle resistenze del triangolo, devo ricavare la potenza di una sola resistenza e moltiplicarla per 3, dico bene?
Scusate ma sono veramente nella confusione piu' totale.
1
voti
Il disegno in FidoCadJ non va allegato, devi semplicemente copiare il codice sorgente e incollarlo tra i tag che compaiono cliccando sul bottone virtuale "fcd" (é tra i vari che vedi sopra il riquadro per scrivere i post).
Coraggio, ancora un piccolo sforzo
Coraggio, ancora un piccolo sforzo
"Non farei mai parte di un club che accettasse la mia iscrizione" (G. Marx)
-

claudiocedrone
21,3k 4 7 9 - Master EY

- Messaggi: 15303
- Iscritto il: 18 gen 2012, 13:36
0
voti
0
voti
0
voti
Ti ringrazio tantissimo.
A questo punto possiamo calcolare. C'è qualche punto che non mi è chiaro, ed è qui che ho bisogno del vostro aiuto.
Calcolo la Sc:
![Sc = \sqrt[]{((1000)^2 + (1000)^2} = 1414.21VA Sc = \sqrt[]{((1000)^2 + (1000)^2} = 1414.21VA](/forum/latexrender/pictures/10bc144bf58255a65fa768b4b3cca616.png)
Calcolo la Vc:
![Vc = \frac{Sc}{\sqrt[3]{3}*Ic} = 40.82V Vc = \frac{Sc}{\sqrt[3]{3}*Ic} = 40.82V](/forum/latexrender/pictures/bf3b1e1b2f770b2027b5d389df3b19d1.png)
Posso ricavarmi la Ar:

Ho necessariamente bisogno che qualcuno confermi questi calcoli, altrimenti è inutile andare avanti.
Ringrazio anticipatamente, e come potete vedere la buona volontà c'è la sto mettendo proprio tutta.
A questo punto possiamo calcolare. C'è qualche punto che non mi è chiaro, ed è qui che ho bisogno del vostro aiuto.
Calcolo la Sc:
![Sc = \sqrt[]{((1000)^2 + (1000)^2} = 1414.21VA Sc = \sqrt[]{((1000)^2 + (1000)^2} = 1414.21VA](/forum/latexrender/pictures/10bc144bf58255a65fa768b4b3cca616.png)
Calcolo la Vc:
![Vc = \frac{Sc}{\sqrt[3]{3}*Ic} = 40.82V Vc = \frac{Sc}{\sqrt[3]{3}*Ic} = 40.82V](/forum/latexrender/pictures/bf3b1e1b2f770b2027b5d389df3b19d1.png)
Posso ricavarmi la Ar:

Ho necessariamente bisogno che qualcuno confermi questi calcoli, altrimenti è inutile andare avanti.
Ringrazio anticipatamente, e come potete vedere la buona volontà c'è la sto mettendo proprio tutta.
0
voti
Eccellente.
Adesso bisogna calcolare la potenza assorbita dal triangolo resistivo, quindi calcolo la potenza assorbita da una delle 3 resistenze e poi la moltiplico per 3:


E posso calcolare una nuova Sa che comprende sia il carico che il triangolo resistivo:
![Sa = \sqrt[]{((PC+Prtot)^2 + Qc^2)} = \sqrt[]{((1166.53)^2 + (1000^2)} = 1536.48VA Sa = \sqrt[]{((PC+Prtot)^2 + Qc^2)} = \sqrt[]{((1166.53)^2 + (1000^2)} = 1536.48VA](/forum/latexrender/pictures/81a112bbd973f6aba96d60fa78cca38f.png)
Adesso arriva il calolo della A, e qui casca l'asino. Ho calcolato la A tenendo conto di tutte le 3 fasi e quindi:
![A = \frac{Sa}{\sqrt[]{3}*Vc} = 21.76A A = \frac{Sa}{\sqrt[]{3}*Vc} = 21.76A](/forum/latexrender/pictures/9fc8658e09a8ff2f36ebbe5f8406bccc.png)
Il mio terribile dubbio è proprio sulla![\sqrt[]{3} \sqrt[]{3}](/forum/latexrender/pictures/b84ccc0f808c82dca2d7b0f887c64445.png)
Potete confermare o smentire questo calcolo?
Grazie ancora
Adesso bisogna calcolare la potenza assorbita dal triangolo resistivo, quindi calcolo la potenza assorbita da una delle 3 resistenze e poi la moltiplico per 3:


E posso calcolare una nuova Sa che comprende sia il carico che il triangolo resistivo:
![Sa = \sqrt[]{((PC+Prtot)^2 + Qc^2)} = \sqrt[]{((1166.53)^2 + (1000^2)} = 1536.48VA Sa = \sqrt[]{((PC+Prtot)^2 + Qc^2)} = \sqrt[]{((1166.53)^2 + (1000^2)} = 1536.48VA](/forum/latexrender/pictures/81a112bbd973f6aba96d60fa78cca38f.png)
Adesso arriva il calolo della A, e qui casca l'asino. Ho calcolato la A tenendo conto di tutte le 3 fasi e quindi:
![A = \frac{Sa}{\sqrt[]{3}*Vc} = 21.76A A = \frac{Sa}{\sqrt[]{3}*Vc} = 21.76A](/forum/latexrender/pictures/9fc8658e09a8ff2f36ebbe5f8406bccc.png)
Il mio terribile dubbio è proprio sulla
![\sqrt[]{3} \sqrt[]{3}](/forum/latexrender/pictures/b84ccc0f808c82dca2d7b0f887c64445.png)
Potete confermare o smentire questo calcolo?
Grazie ancora
0
voti
RenzoDF ha scritto:Senza dubbio il metodo migliore in questo caso è quello che usa le potenze, da destra verso sinistra.
ad es.:
https://www.electroyou.it/admin/wiki/potenza-in-regime-sinusoidale
42 messaggi
• Pagina 2 di 5 • 1, 2, 3, 4, 5
Torna a Elettrotecnica generale
Chi c’è in linea
Visitano il forum: Nessuno e 59 ospiti

Elettrotecnica e non solo (admin)
Un gatto tra gli elettroni (IsidoroKZ)
Esperienza e simulazioni (g.schgor)
Moleskine di un idraulico (RenzoDF)
Il Blog di ElectroYou (webmaster)
Idee microcontrollate (TardoFreak)
PICcoli grandi PICMicro (Paolino)
Il blog elettrico di carloc (carloc)
DirtEYblooog (dirtydeeds)
Di tutto... un po' (jordan20)
AK47 (lillo)
Esperienze elettroniche (marco438)
Telecomunicazioni musicali (clavicordo)
Automazione ed Elettronica (gustavo)
Direttive per la sicurezza (ErnestoCappelletti)
EYnfo dall'Alaska (mir)
Apriamo il quadro! (attilio)
H7-25 (asdf)
Passione Elettrica (massimob)
Elettroni a spasso (guidob)
Bloguerra (guerra)




