Magari quello ipotizzato a livello elettrico potrebbe anche essere compatibile ma, come è stato scritto, occorrerebbe una migliore descrizione a livello idraulico.
C'è un separatore che presumo non sia lì per caso e rimango con dei dubbi sulla presenza di quella valvola regolabile perché potrebbe essere stata una scelta consapevole e non un vezzo o un errore.
Però, boh.
Saluti
Schema elettrico relé + pompa ricircolo + caldaia+valvola
Moderatori:
sebago,
MASSIMO-G,
lillo,
Mike
42 messaggi
• Pagina 3 di 5 • 1, 2, 3, 4, 5
0
voti
Ho fatto in modo di eliminare la valvola Frese, nel senso che questa è alimentata da un'altra macchina e questa mi fornisce il contatto pulito:
Questa macchina ha a bordo una centralina Honeywell MVC-80M. Quindi si elimina la problematica dell'alimentazione a 24 V
Aggiungo anche lo schema idraulico indicando gli elementi indicati in precedenza:
-D: pompa del circuito
-C: valvola FRESE (adesso devo gestire solo il segnale Aperto/Chiuso da Honeywell MVC-80M che gestisce batteria VMC)
-A: valvola Honeywell
-B: termostato
Ripeto la logica richiesta:
-B decide se A apre o chiude il circuito idraulico
-C la batteria (Honeywell MVC-80M) decide se C apre o chiude il circuito idraulico
-se C e A hanno chiuso il circuito, D e la caldaia devono fermarsi
Spero adesso possiate indicarmi uno schema chiaro con una eventuale indicazione del modello preciso del relé
Questa macchina ha a bordo una centralina Honeywell MVC-80M. Quindi si elimina la problematica dell'alimentazione a 24 V
Aggiungo anche lo schema idraulico indicando gli elementi indicati in precedenza:
-D: pompa del circuito
-C: valvola FRESE (adesso devo gestire solo il segnale Aperto/Chiuso da Honeywell MVC-80M che gestisce batteria VMC)
-A: valvola Honeywell
-B: termostato
Ripeto la logica richiesta:
-B decide se A apre o chiude il circuito idraulico
-C la batteria (Honeywell MVC-80M) decide se C apre o chiude il circuito idraulico
-se C e A hanno chiuso il circuito, D e la caldaia devono fermarsi
Spero adesso possiate indicarmi uno schema chiaro con una eventuale indicazione del modello preciso del relé
0
voti
Non mi è ancora chiaro come gestisco il parallelo tra segnale batteria e valvola/termostato a comandare caldaia e pompa.
Posso mettere in contatto il NO della batteria con quello della valvola/termostato? Se sì, la batteria erroneamente comanderà anche la valvola. Come faccio a separare?
Posso mettere in contatto il NO della batteria con quello della valvola/termostato? Se sì, la batteria erroneamente comanderà anche la valvola. Come faccio a separare?
0
voti
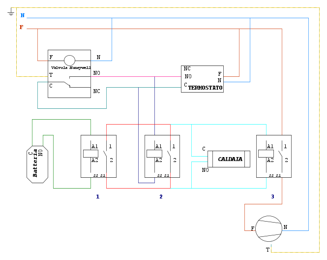
Ho ragionato su come far funzionare i due segnali in parallelo sulla base dei relé che ho trovato in commercio.
Ho pensato di usare 3 relé Finder 22.21 secondo lo schema indicato. Non sono riuscito a trovare un relé che avesse due bobine indipendenti ad unico comando
Secondo voi è tutto corretto?
Ho pensato di usare 3 relé Finder 22.21 secondo lo schema indicato. Non sono riuscito a trovare un relé che avesse due bobine indipendenti ad unico comando
Secondo voi è tutto corretto?
0
voti
Per quanto concerne FidocadJ, che non richiede installazione, trovi tutte le info nel portale digitando la parola FidocadJ nella casella -"Cerca" in alto a dx, oppure nella voce "Help" del menu a tendina in alto.
..
Ora fatta la premessa, relativamente alal tua richiesta, non ho avuto modo di leggere l'intero thread, e per quel poco che ho letto, francamente non c'ho capito nulla, mi sono limitato a rifare lo schema che hai postato appunto con FidocadJ, così potrai/potranno apportare le giuste correzzioni .. non mi è hiaro l'utilizzo dei tre relè..
Ciao
I circuiti sono controcorrente. Seguono sempre la massa
-Per rispondere utilizza il tasto [RISPONDI] e non il tasto [CITA], grazie.-
-Per rispondere utilizza il tasto [RISPONDI] e non il tasto [CITA], grazie.-
0
voti
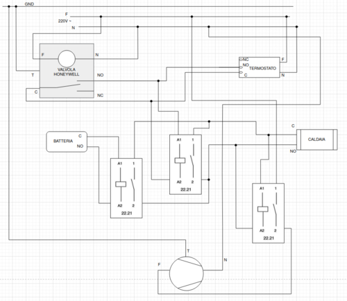
Visto che lo schema postato da sps non ha alcun senso (ci sono due anelli in cui non circola corrente e la valvola Honeywell è sempre aperta fissa) e che si continuano a cambiare le carte in tavola...
Le nuove specifiche sono:
- due termostati on/off a contatto pulito [X]vero [ ]falso
- non servono ritardi all'avvio pompa [X]vero [ ]falso
- una sola valvola on/off da comandare solo da uno dei due termostati [X]vero [ ]falso
- caldaia da comandare on/off tramite contatto pulito assieme alla pompa [X]vero [ ]falso
SE tutte le specifiche sopra sono corrette, allora lo schema funzionale diventa questo:
Le nuove specifiche sono:
- due termostati on/off a contatto pulito [X]vero [ ]falso
- non servono ritardi all'avvio pompa [X]vero [ ]falso
- una sola valvola on/off da comandare solo da uno dei due termostati [X]vero [ ]falso
- caldaia da comandare on/off tramite contatto pulito assieme alla pompa [X]vero [ ]falso
SE tutte le specifiche sopra sono corrette, allora lo schema funzionale diventa questo:
Una domanda ben posta è già mezza risposta.
0
voti
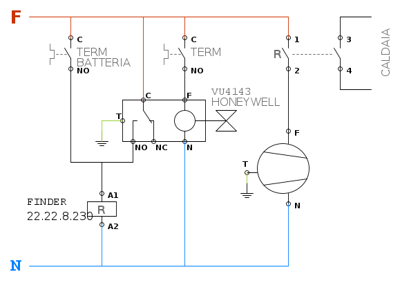
Per quanto riguarda lo schema di
djnz, non mi è chiaro cosa sia R nello schema.
Inoltre il relé proposto, il Finder 22.22 è un monostabile con una bobina e 2 poli.
Quindi se ho capito bene, con un polo viene gestita la pompa, con l'altra il contatto pulito in ingesso alla caldaia.
Corretto?
Altro dubbio è sulla valvola Honeywell: il termostato chiude e apre il circuito di alimentazione della valvola, quindi se la valvola è alimentata tramite F/N, la valvola è aperta, mentre se non c'è corrente la valvola è chiusa? Come sono sicuro di questa logica: valvola rimane aperta senza alimentazione? Io credevo che fosse l'altro circuito interno alla valvola a decidere la posizione della stessa: cioé il circuito C-NO è per un segnale in ingresso o uscita? Inoltre la posizione dell'interruttore sulla valvola deve essere su AUTO?
Grazie
mir per il suggerimento: ci provo ad usarlo
Inoltre il relé proposto, il Finder 22.22 è un monostabile con una bobina e 2 poli.
Quindi se ho capito bene, con un polo viene gestita la pompa, con l'altra il contatto pulito in ingesso alla caldaia.
Corretto?
Altro dubbio è sulla valvola Honeywell: il termostato chiude e apre il circuito di alimentazione della valvola, quindi se la valvola è alimentata tramite F/N, la valvola è aperta, mentre se non c'è corrente la valvola è chiusa? Come sono sicuro di questa logica: valvola rimane aperta senza alimentazione? Io credevo che fosse l'altro circuito interno alla valvola a decidere la posizione della stessa: cioé il circuito C-NO è per un segnale in ingresso o uscita? Inoltre la posizione dell'interruttore sulla valvola deve essere su AUTO?
Grazie
0
voti
'R' è solo il nome del relé nello schema.
Con un contatto viene gestita la pompa, con l'altro si comanda la caldaia.
Da quanto ho letto su delle specifiche che non trovo più, la chiusura avviene con molla di ritorno appena manca alimentazione.
Si
Nel funzionamento normale si.
con un polo viene gestita la pompa, con l'altra il contatto pulito in ingesso alla caldaia. Corretto?
Con un contatto viene gestita la pompa, con l'altro si comanda la caldaia.
mentre se non c'è corrente la valvola è chiusa?
Da quanto ho letto su delle specifiche che non trovo più, la chiusura avviene con molla di ritorno appena manca alimentazione.
il circuito C-NO è per un segnale in ingresso o uscita?
Si
cioé Inoltre la posizione dell'interruttore sulla valvola deve essere su AUTO?
Nel funzionamento normale si.
Una domanda ben posta è già mezza risposta.
0
voti
Scusa
sps ma quale è il tuo ruolo in questa commessa? Perché pensare di acquistare i relè prima di aver capito come deve funzionare l'impianto mi pare un po' "ardito".
Devo fare due ipotesi:
a) Il VMC viene attivato da qualcosa, che chiameremo C1 (che potrebbe essere un termostato o un orologio o un telecomando o un contatto di un interruttore) e lo scambiatore viene attivato da un altro oggetto che chiameremo C2 (idem c.s. contatto, orologio ecc) insomma, per partire ci debbono essere dei consensi.
E' così?
b) C1 attiva il VMC e la sua regolazione Honeywell, che regolerà la sua valvola (a punto fisso?) tramite sonda (da qualche parte?) se Honeywell fornisce una contatto di richiesta attivazione, si userà questo (chiamiamolo -KHON) se Honeywell non fornisce una richiesta a partire, allora C1 attiverà un relè monostabile (-K1)
c) C2 attiva lo scambiatore ovvero entra in serie con il termostato e attiva la valvola.
Se la valvola ha un suo contatto si userà questo (chiamiamolo -KVLV), se la valvola non ha un contatto ausiliario si entrerà in un relè (-K2)
A questo punto si mettono in parallelo i due consensi a partire ovvero -KHON (oppure -K1) e -KVLV (oppure -K2).
Questo in maniera mooooolto scolastica, senza tener conto di eventuali necessità di tempi di ritardo all'off per evitare pendolamenti.
Ovviamente questa è una ipotesi non sapendo come devono interagire tra loro scambiatore e VMC (ammesso che debbono interagire).
Credo tu debba parlare con il termotecnico per capire come vuole far funzionare l'impianto.
Ah. . l'Honeywell che hai citato, è un liberamente programmabile, la cosa più intelligente sarebbe portare i punti tutti a lui e farglieli gestire.
Devo fare due ipotesi:
a) Il VMC viene attivato da qualcosa, che chiameremo C1 (che potrebbe essere un termostato o un orologio o un telecomando o un contatto di un interruttore) e lo scambiatore viene attivato da un altro oggetto che chiameremo C2 (idem c.s. contatto, orologio ecc) insomma, per partire ci debbono essere dei consensi.
E' così?
b) C1 attiva il VMC e la sua regolazione Honeywell, che regolerà la sua valvola (a punto fisso?) tramite sonda (da qualche parte?) se Honeywell fornisce una contatto di richiesta attivazione, si userà questo (chiamiamolo -KHON) se Honeywell non fornisce una richiesta a partire, allora C1 attiverà un relè monostabile (-K1)
c) C2 attiva lo scambiatore ovvero entra in serie con il termostato e attiva la valvola.
Se la valvola ha un suo contatto si userà questo (chiamiamolo -KVLV), se la valvola non ha un contatto ausiliario si entrerà in un relè (-K2)
A questo punto si mettono in parallelo i due consensi a partire ovvero -KHON (oppure -K1) e -KVLV (oppure -K2).
Questo in maniera mooooolto scolastica, senza tener conto di eventuali necessità di tempi di ritardo all'off per evitare pendolamenti.
Ovviamente questa è una ipotesi non sapendo come devono interagire tra loro scambiatore e VMC (ammesso che debbono interagire).
Credo tu debba parlare con il termotecnico per capire come vuole far funzionare l'impianto.
Ah. . l'Honeywell che hai citato, è un liberamente programmabile, la cosa più intelligente sarebbe portare i punti tutti a lui e farglieli gestire.
Altrove. .Volutamente Anonimo
42 messaggi
• Pagina 3 di 5 • 1, 2, 3, 4, 5
Torna a Impianti, sicurezza e quadristica
Chi c’è in linea
Visitano il forum: Nessuno e 48 ospiti

Elettrotecnica e non solo (admin)
Un gatto tra gli elettroni (IsidoroKZ)
Esperienza e simulazioni (g.schgor)
Moleskine di un idraulico (RenzoDF)
Il Blog di ElectroYou (webmaster)
Idee microcontrollate (TardoFreak)
PICcoli grandi PICMicro (Paolino)
Il blog elettrico di carloc (carloc)
DirtEYblooog (dirtydeeds)
Di tutto... un po' (jordan20)
AK47 (lillo)
Esperienze elettroniche (marco438)
Telecomunicazioni musicali (clavicordo)
Automazione ed Elettronica (gustavo)
Direttive per la sicurezza (ErnestoCappelletti)
EYnfo dall'Alaska (mir)
Apriamo il quadro! (attilio)
H7-25 (asdf)
Passione Elettrica (massimob)
Elettroni a spasso (guidob)
Bloguerra (guerra)









