Buongiorno, dall'allegato che vi invio vi chiedo gentilmente qual è la configurazione corretta.
Come si evince nel primo schema i pin 1 e 2 del 74HC164 sono direttamente collegati ai 5V.
Nel secondo invece v'è una caduta di tensione provocata dal resistore R2 1K0.
Quindi è giusto il primo schema o il secondo?
Grazie per l'attenzione
Renato G,
Led chaser” con 74HC164
Moderatori:
carloc,
g.schgor,
BrunoValente,
IsidoroKZ
0
voti
Ciao
doresi, vedo che sei nuovo.
Benvenuto! Ma ho dovuto cancellare lo schema che hai postato. La risoluzione pessima lo rendeva illeggibile.
Per piacere caricane una versione migliore, possibilmente usando FidoCadJ come da regolamento del forum.
Boiler
Benvenuto! Ma ho dovuto cancellare lo schema che hai postato. La risoluzione pessima lo rendeva illeggibile.
Per piacere caricane una versione migliore, possibilmente usando FidoCadJ come da regolamento del forum.
Boiler
0
voti
boiler ha scritto:Ciaodoresi, vedo che sei nuovo.
Benvenuto! Ma ho dovuto cancellare lo schema che hai postato. La risoluzione pessima lo rendeva illeggibile.
Per piacere caricane una versione migliore, possibilmente usando FidoCadJ come da regolamento del forum.
Boiler
Grazie per l'osservazione e la risposta rapida
Ti mando i file uno alla volta sper tu possa leggerli
Grazie mille
Renato G,
2
voti
I due circuiti realizzano funzioni diverse (ho disegnato solo 4 led per semplicità):
Piccolo esercizio per te: quale è quale? E perché?
Il circuito che realizza la funzione di destra è una ciofeca: il passaggio da uno stato all'altro è controllato dagli impulsi del 555, eccezion fatta per il passaggio da tutto acceso a tutto spento e dello stato successivo. Avrai quindi una specie di "singhiozzo" nel timing del circuito.
Anche l'altro circuito non è proprio il meglio del meglio. Con frequenze molto basse impostate sul 555 rischia di non resettarsi correttamente.
Boiler
Piccolo esercizio per te: quale è quale? E perché?
Il circuito che realizza la funzione di destra è una ciofeca: il passaggio da uno stato all'altro è controllato dagli impulsi del 555, eccezion fatta per il passaggio da tutto acceso a tutto spento e dello stato successivo. Avrai quindi una specie di "singhiozzo" nel timing del circuito.
Anche l'altro circuito non è proprio il meglio del meglio. Con frequenze molto basse impostate sul 555 rischia di non resettarsi correttamente.
Boiler
0
voti
boiler ha scritto:I due circuiti realizzano funzioni diverse (ho disegnato solo 4 led per semplicità):
Piccolo esercizio per te: quale è quale? E perché?![]()
Il circuito che realizza la funzione di destra è una ciofeca: il passaggio da uno stato all'altro è controllato dagli impulsi del 555, eccezion fatta per il passaggio da tutto acceso a tutto spento e dello stato successivo. Avrai quindi una specie di "singhiozzo" nel timing del circuito.
Anche l'altro circuito non è proprio il meglio del meglio. Con frequenze molto basse impostate sul 555 rischia di non resettarsi correttamente.
Boiler
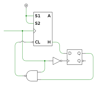
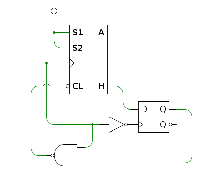
Ciao, scusa se ti disturbo un'altra volta, per la mia ignoranza , se ti sottopongo quest'altro schema, potrebbe essere meno ciofeca di quello precedente?
Grazie ancora
Renato
- Allegati
-
74hHC164.pdf- (18.8 KiB) Scaricato 332 volte
Ultima modifica di
boiler il 20 lug 2023, 20:09, modificato 1 volta in totale.
Motivazione: corretto tag di chiusura del quote
Motivazione: corretto tag di chiusura del quote
1
voti
Per piacere non citare tutto il messaggio a cui rispondi. C'è il tasto rispondi a fondo pagina che apre un messaggio senza citazione. Se vuoi citare fallo dove serve, cancellando il resto.
Come detto, schemi in Fidocadj per piacere. Il prossimo lo cancello.
Qualcosa fa, non sapendo cosa vuoi fare tu, potrebbe essere eccellente, pessimo o qualcosa a metà strada.
Boiler
Come detto, schemi in Fidocadj per piacere. Il prossimo lo cancello.
doresi ha scritto:se ti sottopongo quest'altro schema, potrebbe essere meno ciofeca di quello precedente?
Qualcosa fa, non sapendo cosa vuoi fare tu, potrebbe essere eccellente, pessimo o qualcosa a metà strada.
Boiler
0
voti
No guarda, sono io che mi cancello.
Grazie lo stesso
Cordiali Saluti
Renato G.
Grazie lo stesso
Cordiali Saluti
Renato G.
0
voti
E che è, la barzelletta del leone re della savana?

"Non farei mai parte di un club che accettasse la mia iscrizione" (G. Marx)
-

claudiocedrone
21,3k 4 7 9 - Master EY

- Messaggi: 15302
- Iscritto il: 18 gen 2012, 13:36
0
voti
boiler ha scritto:Avrai quindi una specie di "singhiozzo" nel timing del circuito.
Ci ho pensato un po' su e mi viene fuori il circuito seguente... ci sarà un modo più semplice per avere il periodo off uguale agli altri?
Una domanda ben posta è già mezza risposta.
2
voti
Mettere della logica sul clock è sempre una pessima idea.
Un po' come aiutare l'OP, considerando la sua ultima risposta...
Un po' come aiutare l'OP, considerando la sua ultima risposta...
-

PietroBaima
90,7k 7 12 13 - G.Master EY

- Messaggi: 12206
- Iscritto il: 12 ago 2012, 1:20
- Località: Londra
Chi c’è in linea
Visitano il forum: Nessuno e 285 ospiti

Elettrotecnica e non solo (admin)
Un gatto tra gli elettroni (IsidoroKZ)
Esperienza e simulazioni (g.schgor)
Moleskine di un idraulico (RenzoDF)
Il Blog di ElectroYou (webmaster)
Idee microcontrollate (TardoFreak)
PICcoli grandi PICMicro (Paolino)
Il blog elettrico di carloc (carloc)
DirtEYblooog (dirtydeeds)
Di tutto... un po' (jordan20)
AK47 (lillo)
Esperienze elettroniche (marco438)
Telecomunicazioni musicali (clavicordo)
Automazione ed Elettronica (gustavo)
Direttive per la sicurezza (ErnestoCappelletti)
EYnfo dall'Alaska (mir)
Apriamo il quadro! (attilio)
H7-25 (asdf)
Passione Elettrica (massimob)
Elettroni a spasso (guidob)
Bloguerra (guerra)





pigreco]=π