Led chaser” con 74HC164
Moderatori:
carloc,
g.schgor,
BrunoValente,
IsidoroKZ
-1
voti
Posso comprendere la tua frustrazione...
Facciamo così: prova a postare un esempio di logica complessa con retroazioni multiple e io ti dimostro che è perfettamente realizzabile con un programma in un qualsiasi linguaggio.
Altrimenti... va bene anche così, lasciando aperti tutti gli appunti del mio post precedente.
Facciamo così: prova a postare un esempio di logica complessa con retroazioni multiple e io ti dimostro che è perfettamente realizzabile con un programma in un qualsiasi linguaggio.
Altrimenti... va bene anche così, lasciando aperti tutti gli appunti del mio post precedente.
0
voti
Mi sembra che la "confusione"nasca dal diverso livello interpretativo. Un conto è calcolare una funzione logica (prodotta da un eventuale hardware), un conto è simulare le caratteristiche intrinseche dell'hardware stesso. Ad esempio:
Il risultato della funzione logica è sempre zero.
Sappiamo che in realtà otteniamo un impulso a uno ad ogni fronte di salita dell'ingresso.
La simulazione corretta del circuito dovrebbe scendere al girone dei tempi di propagazione dei singoli gate.
VHDL gestisce tutto questo? (lo chiedo per ignoranza eh, io non lo so)
Il risultato della funzione logica è sempre zero.
Sappiamo che in realtà otteniamo un impulso a uno ad ogni fronte di salita dell'ingresso.
La simulazione corretta del circuito dovrebbe scendere al girone dei tempi di propagazione dei singoli gate.
VHDL gestisce tutto questo? (lo chiedo per ignoranza eh, io non lo so)
Una domanda ben posta è già mezza risposta.
0
voti
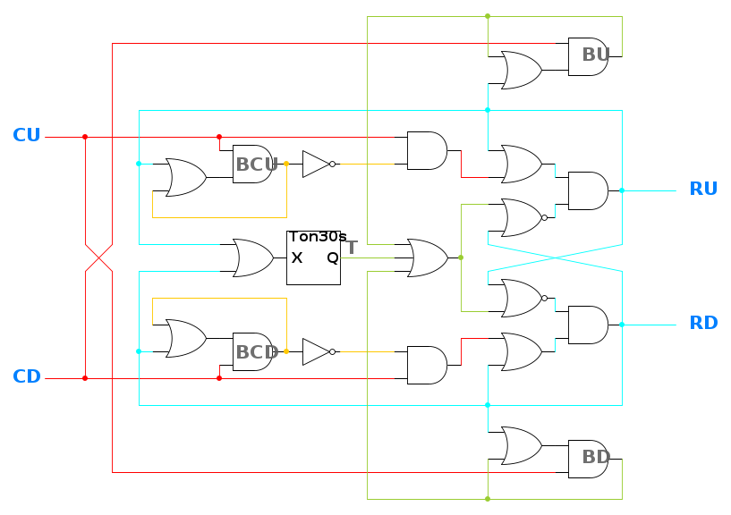
Invece per quanto riguarda il metodo del post 32 ringrazio
gekofive per averlo esposto. Ho provato ad applicarlo al seguente circuito con sei retroazioni, e noto che l'ordine di esplorazione dell'albero dei nodi è irrilevante, purché si proceda sempre dall'uscita verso ingresso.
Si ottengono due possibili soluzioni (a seconda di quale uscita si valuta per prima), questa è una:
Intuitivamente a mano ho sempre fatto lo stesso, mi fa piacere sapere che c'è un metodo formale (beh, ovvio che doveva esserci ma non pensavo così "semplice") che seguito pedissequamente porta allo stesso risultato
NOTA: il circuito è un saliscendi tapparelle
Si ottengono due possibili soluzioni (a seconda di quale uscita si valuta per prima), questa è una:
Intuitivamente a mano ho sempre fatto lo stesso, mi fa piacere sapere che c'è un metodo formale (beh, ovvio che doveva esserci ma non pensavo così "semplice") che seguito pedissequamente porta allo stesso risultato

NOTA: il circuito è un saliscendi tapparelle
Una domanda ben posta è già mezza risposta.
0
voti
djnz ha scritto:Mi sembra che la "confusione"nasca dal diverso livello interpretativo. Un conto è calcolare una funzione logica (prodotta da un eventuale hardware), un conto è simulare le caratteristiche intrinseche dell'hardware stesso.
Bingo!
VHDL gestisce tutto questo? (lo chiedo per ignoranza eh, io non lo so)
VHDL è in grado di descrivere il circuito che hai disegnato.
Ci sono poi software (per esempio ModelSim) che sono in grado di simularlo con tutti i glitches e hazards che puoi aspettarti. Oltre a questo fanno molto molto di piú, al punto che se conosci l'hardware concreto sul quale verrà implementata la tua logica, possono dirti quanta energia servirà per una determinata operazione.
2
voti
E in tutto questo casino, cosa fa questo circuito?
Un micio cui quando gli propongono di tagliare la retroazione gli viene l'orticaria

Per usare proficuamente un simulatore, bisogna sapere molta più elettronica di lui
Plug it in - it works better!
Il 555 sta all'elettronica come Arduino all'informatica! (entrambi loro malgrado)
Se volete risposte rispondete a tutte le mie domande
Plug it in - it works better!
Il 555 sta all'elettronica come Arduino all'informatica! (entrambi loro malgrado)
Se volete risposte rispondete a tutte le mie domande
0
voti
IsidoroKZ ha scritto:E in tutto questo casino, cosa fa questo circuito?
Niente, è chiuso su se stesso
"Non farei mai parte di un club che accettasse la mia iscrizione" (G. Marx)
-

claudiocedrone
21,3k 4 7 9 - Master EY

- Messaggi: 15303
- Iscritto il: 18 gen 2012, 13:36
0
voti
Non sono sicuro che oscilli.
È lo stadio finale di un classe A chiuso in retroazione negativa,nse non si aggiungono poli sull anello di retroazione potrebbe essere stabile e amplificare
Per favore Isidoro correggimi se sparo fesserie
È lo stadio finale di un classe A chiuso in retroazione negativa,nse non si aggiungono poli sull anello di retroazione potrebbe essere stabile e amplificare
Per favore Isidoro correggimi se sparo fesserie
0
voti
dadduni ha scritto:È lo stadio finale di un classe A chiuso in retroazione negativa,nse non si aggiungono poli sull anello di retroazione potrebbe essere stabile e amplificare![]()
Provo a dire la mia:
L'unico punto stabile è quello in cui
(se assumiamo PMOS e NMOS simmetrici, cosa in realtà spesso falsa).In questo punto (e in tutto il rettangolo colorato) il guadagno è negativo e superiore all'unità.
Vuol dire che ogni piccola perturbazione verrà amplificata in direzione opposta. Questa perturbazione amplificata si ripresenterà all'ingresso e il ciclo si ripeterà, oscillando sulla curva rossa a destra e a sinistra del punto di equilibrio.
Il propagation delay del gate detterà la frequenza di oscillazione.
L'ampiezza (che "per abitudine" avrei pensato essere 0 - Vdd) credo che in realtà sia data dalle tensioni di ingresso alle quali il guadagno dell'amplificatore è esattamente -1. È corretto?

Per favore Isidoro correggimi se sparo fesserie
Idem anche per me
Boiler
Chi c’è in linea
Visitano il forum: Nessuno e 145 ospiti

Elettrotecnica e non solo (admin)
Un gatto tra gli elettroni (IsidoroKZ)
Esperienza e simulazioni (g.schgor)
Moleskine di un idraulico (RenzoDF)
Il Blog di ElectroYou (webmaster)
Idee microcontrollate (TardoFreak)
PICcoli grandi PICMicro (Paolino)
Il blog elettrico di carloc (carloc)
DirtEYblooog (dirtydeeds)
Di tutto... un po' (jordan20)
AK47 (lillo)
Esperienze elettroniche (marco438)
Telecomunicazioni musicali (clavicordo)
Automazione ed Elettronica (gustavo)
Direttive per la sicurezza (ErnestoCappelletti)
EYnfo dall'Alaska (mir)
Apriamo il quadro! (attilio)
H7-25 (asdf)
Passione Elettrica (massimob)
Elettroni a spasso (guidob)
Bloguerra (guerra)












