Potete dirmi che differenze ci sono tra S4A e PictoBlox?
Servono entrambe per programmare Arduino usando i blocchi.
Arduino: App per programmare a blocchi
2 messaggi
• Pagina 1 di 1
0
voti
0
voti
Non li conoscevo, mi sembra che pictoblox faccia molte più cose, non solo per Arduino e non solo in C, ma non ho capito se può generare del codice standalone. In ogni caso riSconsiglio, come già fatto in gennaio, di programmare con i blocchi. Per cose appena più che elementari si fa solo più fatica, e forse non sono neppure possibili.
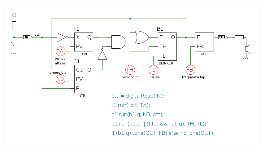
Ad esempio il seguente schema è una possibile soluzione, pensata a "blocchi funzionali PLC", per un quesito di un altro post. Tutto lo schema è creato dalle cinque righe di codice riportate eseguite continuamente. A "blocchi scratch" è impensabile.
Ad esempio il seguente schema è una possibile soluzione, pensata a "blocchi funzionali PLC", per un quesito di un altro post. Tutto lo schema è creato dalle cinque righe di codice riportate eseguite continuamente. A "blocchi scratch" è impensabile.
Una domanda ben posta è già mezza risposta.
2 messaggi
• Pagina 1 di 1
Chi c’è in linea
Visitano il forum: Nessuno e 8 ospiti

Elettrotecnica e non solo (admin)
Un gatto tra gli elettroni (IsidoroKZ)
Esperienza e simulazioni (g.schgor)
Moleskine di un idraulico (RenzoDF)
Il Blog di ElectroYou (webmaster)
Idee microcontrollate (TardoFreak)
PICcoli grandi PICMicro (Paolino)
Il blog elettrico di carloc (carloc)
DirtEYblooog (dirtydeeds)
Di tutto... un po' (jordan20)
AK47 (lillo)
Esperienze elettroniche (marco438)
Telecomunicazioni musicali (clavicordo)
Automazione ed Elettronica (gustavo)
Direttive per la sicurezza (ErnestoCappelletti)
EYnfo dall'Alaska (mir)
Apriamo il quadro! (attilio)
H7-25 (asdf)
Passione Elettrica (massimob)
Elettroni a spasso (guidob)
Bloguerra (guerra)


