Aiuto con esercizio di elettrotecnica
Moderatori:
g.schgor,
IsidoroKZ
47 messaggi
• Pagina 4 di 5 • 1, 2, 3, 4, 5
0
voti
yes, e hai risolto
-

PietroBaima
90,7k 7 12 13 - G.Master EY

- Messaggi: 12206
- Iscritto il: 12 ago 2012, 1:20
- Località: Londra
0
voti
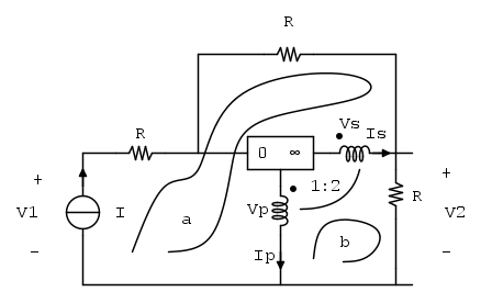
Va benissimo, grazie mille. per quanto riguarda questo invece, come calcolo il valore delle due tensioni?
Mi è stato detto di usare il metodo delle maglie, per cui avevo scritto così:
2*a = Vs - Vinf + Vp
1*b = Vp + Vinf + Vs
Considerando che Vp = 2Vs e che is = -2ip
Io stavo pensando che V1 = 2*a + Vp mentre V2 = 1*b, è corretto?
0
voti
Non amo molto il metodo delle maglie, cerco di usarlo solo quando sono costretto, comunque non devi fare altro che fare come hai fatto prima, il circuito è molto simile.
-

PietroBaima
90,7k 7 12 13 - G.Master EY

- Messaggi: 12206
- Iscritto il: 12 ago 2012, 1:20
- Località: Londra
0
voti
Immagino, noi invece per esercitarci dobbiamo usarlo.
Comunque, credo a questo punto si abbia sempre che is e ip siano nulle, quindi prendendo ad esempio is = 0 = b - a abbiamo che a = b
Ma sapendo che a = I (la corrente di prova che abbiamo messo) anche b = I
Poi le equazioni diventano 2a = Vp - Vinf = 2b = 2Vinf - 2Vp
Quindi Vp = Vinf
Ma Vinf = 1*a ?
Comunque, credo a questo punto si abbia sempre che is e ip siano nulle, quindi prendendo ad esempio is = 0 = b - a abbiamo che a = b
Ma sapendo che a = I (la corrente di prova che abbiamo messo) anche b = I
Poi le equazioni diventano 2a = Vp - Vinf = 2b = 2Vinf - 2Vp
Quindi Vp = Vinf
Ma Vinf = 1*a ?
0
voti
Ormai hai capito il metodo, questi circuiti non dovrebbero essere più un problema.
Comunque sì, ovviamente è corretto, fai solo attenzione alle unità di misura.
Comunque sì, ovviamente è corretto, fai solo attenzione alle unità di misura.
-

PietroBaima
90,7k 7 12 13 - G.Master EY

- Messaggi: 12206
- Iscritto il: 12 ago 2012, 1:20
- Località: Londra
0
voti
Però aspetta, se Vp = Vinf allora sia 2*a che 1*b sono nulli, ma si ha un assurdo perché le correnti a e b sono uguali a quella che abbiamo messo di prova
0
voti
MarcoD ha scritto:
Sono poco competente, ma incuriosito. Il circuito, realizzato con un amplificatore operazionale ideale, sarebbe così ?
Quasi, devi solo considerare che il trasformatore ideale è in serie anche all'uscita, non solo all'ingresso.
In realtà non cambia molto, perché se metti una impedenza in serie al generatore di uscita e prendi la reazione dopo...
MarcoD ha scritto:La corrente Ip è = zero, in quanto l'impedenza di ingresso dell'operazionale è infinita?
Amche qui più o meno. Essendo che il nullatore di ingresso non assorbe corrente, tutta la corrente che scorre verso il riferimento è quella di uscita, sulla quale però è stato posto il secondario del trasformatore ideale.
Per cui si ha che ip=-is, ma anche che ip=2is, da cui ip=is=0.
-

PietroBaima
90,7k 7 12 13 - G.Master EY

- Messaggi: 12206
- Iscritto il: 12 ago 2012, 1:20
- Località: Londra
0
voti
FT28 ha scritto:Però aspetta, se Vp = Vinf allora sia 2*a che 1*b sono nulli, ma si ha un assurdo perché le correnti a e b sono uguali a quella che abbiamo messo di prova
Controlla bene. Hai capito il metodo e ora ti perdi in un bicchiere di acqua?
-

PietroBaima
90,7k 7 12 13 - G.Master EY

- Messaggi: 12206
- Iscritto il: 12 ago 2012, 1:20
- Località: Londra
0
voti
Vp = Vinf = 1*a = I
V1 = 2*a + Vp = 3I
V2 = 1*b = I
Però è strano, le soluzioni danno V1 = 5/2 e V2 = 1/2
Dove mi confondo?
V1 = 2*a + Vp = 3I
V2 = 1*b = I
Però è strano, le soluzioni danno V1 = 5/2 e V2 = 1/2
Dove mi confondo?
1
voti
Il nullore è un bipolo?
Il nullore è un bipolo "patologico"? Potresti indicarmi la definizione di bipolo patologico?
Il noratore (bipolo degenere) non è il duale del nullore (non degenere). Il noratore è la seconda porta del nullore. La prima porta del nullore è invece costituita dal nullatore (bipolo degenere).
Infine, anche se è l'affermazione meno grave fra quelle che ho letto, direi solo imprecisa, il noratore non accetta qualsiasi tensione e corrente. E' un bipolo degenere che non ha equazioni descrittive. Questo significa che le variabili descrittive del bipolo sono imposte dal resto del circuito in cui si trova connesso. E' un fatto ben diverso dall'accettare qualsiasi tensione e corrente.
Ti consiglio di disimparare il termine e quanto hai appreso e di rimpararli correttamente.
Il Conte di Montecristo
Se non studio un giorno, me ne accorgo io. Se non studio due giorni, se ne accorge il pubblico.
Io devo studiare sodo e preparare me stesso perché prima o poi verrà il mio momento.
Abraham Lincoln
Se non studio un giorno, me ne accorgo io. Se non studio due giorni, se ne accorge il pubblico.
Io devo studiare sodo e preparare me stesso perché prima o poi verrà il mio momento.
Abraham Lincoln
-

EdmondDantes
11,9k 8 11 13 - Disattivato su sua richiesta
- Messaggi: 3619
- Iscritto il: 25 lug 2009, 22:18
- Località: Marsiglia
47 messaggi
• Pagina 4 di 5 • 1, 2, 3, 4, 5
Torna a Elettrotecnica generale
Chi c’è in linea
Visitano il forum: Nessuno e 44 ospiti

Elettrotecnica e non solo (admin)
Un gatto tra gli elettroni (IsidoroKZ)
Esperienza e simulazioni (g.schgor)
Moleskine di un idraulico (RenzoDF)
Il Blog di ElectroYou (webmaster)
Idee microcontrollate (TardoFreak)
PICcoli grandi PICMicro (Paolino)
Il blog elettrico di carloc (carloc)
DirtEYblooog (dirtydeeds)
Di tutto... un po' (jordan20)
AK47 (lillo)
Esperienze elettroniche (marco438)
Telecomunicazioni musicali (clavicordo)
Automazione ed Elettronica (gustavo)
Direttive per la sicurezza (ErnestoCappelletti)
EYnfo dall'Alaska (mir)
Apriamo il quadro! (attilio)
H7-25 (asdf)
Passione Elettrica (massimob)
Elettroni a spasso (guidob)
Bloguerra (guerra)
pigreco]=π

