Salve a tutti,
vorrei sommare due segnali audio (left e right) con potenza di circa 5-10W e inviarli ad un altoparlante a tromba a 100V, vorrei evitare di aggiungere un amplificatore perché so che gli utenti se lo dimenticherebbero costantemente acceso e vorrei evitare anche l'utilizzo di resistenze per sommare i segnali, per sfruttare al massimo la poca potenza disponibile.
secondo voi, se mi faccio fare due trasformatori adatti, è possibile sommare i due segnali in questo modo?
Sommare due segnali audio mediante trasformatori
Moderatori:
carloc,
g.schgor,
BrunoValente,
IsidoroKZ
25 messaggi
• Pagina 1 di 3 • 1, 2, 3
0
voti
Se gli amplificatori non si offendono per lavorare su un carico attivo, direi che si possa fare.
I due amplificatori escono con impedenza molto bassa? Ad esempio TDA20... qualcosa?
I due segnali sono correlati fra di loro?
I due amplificatori escono con impedenza molto bassa? Ad esempio TDA20... qualcosa?
I due segnali sono correlati fra di loro?
Per usare proficuamente un simulatore, bisogna sapere molta più elettronica di lui
Plug it in - it works better!
Il 555 sta all'elettronica come Arduino all'informatica! (entrambi loro malgrado)
Se volete risposte rispondete a tutte le mie domande
Plug it in - it works better!
Il 555 sta all'elettronica come Arduino all'informatica! (entrambi loro malgrado)
Se volete risposte rispondete a tutte le mie domande
0
voti
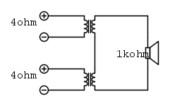
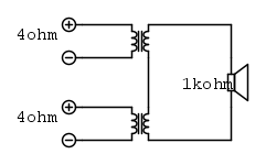
Che significato ha quel 1Khom segnato sull'altoparlante, se è la sua impedenza su una linea a 100V vuol dire che è da 10W, è questo il significato, i due trasformatori dovrebbero essere trasformatori per altoparlanti a 100volt usati al contrario, è così? l'audio che potrai tirare fuori, a meno di non usare trasformatori MOLTO costosi sarà degno di un sistema per fare annunci alla stazione dei treni. Ma sulle uscite dell'amplificatore stereo non ci sono altri carichi?
0
voti
IsidoroKZ ha scritto:Se gli amplificatori non si offendono per lavorare su un carico attivo, direi che si possa fare.
è questo il mio dubbio
praticamente, vorrei scollegare gli altoparlanti interni di un televisore, e metterci questo
-

SediciAmpere
4.187 5 5 8 - Master

- Messaggi: 4847
- Iscritto il: 31 ott 2013, 15:00
0
voti
Soluzione molto costosa per risultati sicuramente scadenti
0
voti
graic ha scritto:Che significato ha quel 1Khom segnato sull'altoparlante, se è la sua impedenza su una linea a 100V vuol dire che è da 10W, è questo il significato, i due trasformatori dovrebbero essere trasformatori per altoparlanti a 100volt usati al contrario, è così?
1kΩ è l'impedenza d'ingresso del trasformatore interno alla tromba, con collegamento a 10W, effettivamente potrei eliminare questo trasformatore e collegarmi direttamente all'altoparlante (8Ω).
I trasformatori me li farei avvolgere su misura dal mio trasformatoraio di fiducia, che fa ottimi prodotti a prezzi più che onesti.
-

SediciAmpere
4.187 5 5 8 - Master

- Messaggi: 4847
- Iscritto il: 31 ott 2013, 15:00
0
voti
SediciAmpere ha scritto: interni di un televisore
Non ti conviene spillare il segnale audio (analogico/digitale) e amplificarlo per conto tuo con un circuito dedicato ?
-1
voti
SediciAmpere ha scritto:I trasformatori me li farei avvolgere su misura dal mio trasformatoraio di fiducia, che fa ottimi prodotti a prezzi più che onesti.
Se fa trasformatori di alimentazione non ti illudere è tutta un'altra storia
0
voti
SediciAmpere ha scritto:praticamente, vorrei scollegare gli altoparlanti interni di un televisore, e metterci questo
Hai lo schema interno del televisore?
Quasi di sicuro non puoi fare a meno dei trasformatori (almeno uno serve).
Per usare proficuamente un simulatore, bisogna sapere molta più elettronica di lui
Plug it in - it works better!
Il 555 sta all'elettronica come Arduino all'informatica! (entrambi loro malgrado)
Se volete risposte rispondete a tutte le mie domande
Plug it in - it works better!
Il 555 sta all'elettronica come Arduino all'informatica! (entrambi loro malgrado)
Se volete risposte rispondete a tutte le mie domande
1
voti
Non ho mai provato ma mi è venuto in mente che su Nuova Elettronica si era parlato qualche volta di "Collegamento a Ponte"
https://www.worldradiohistory.com/INTERNATIONAL/Nova-Elettronica-IT/Nuova-Elettronica-174.pdf
---
Vedere anche qui
https://www.wikihow.it/Collegare-a-Ponte-un-Amplificatore
---
Però mi sono dimenticato di chiedere una cosa
il Televisore è Mono o Stereo ?
K
https://www.worldradiohistory.com/INTERNATIONAL/Nova-Elettronica-IT/Nuova-Elettronica-174.pdf
---
Vedere anche qui
https://www.wikihow.it/Collegare-a-Ponte-un-Amplificatore
---
Però mi sono dimenticato di chiedere una cosa
il Televisore è Mono o Stereo ?
K
-

Kagliostro
6.396 4 5 7 - Master

- Messaggi: 4830
- Iscritto il: 19 set 2012, 11:32
25 messaggi
• Pagina 1 di 3 • 1, 2, 3
Chi c’è in linea
Visitano il forum: Google [Bot] e 73 ospiti

Elettrotecnica e non solo (admin)
Un gatto tra gli elettroni (IsidoroKZ)
Esperienza e simulazioni (g.schgor)
Moleskine di un idraulico (RenzoDF)
Il Blog di ElectroYou (webmaster)
Idee microcontrollate (TardoFreak)
PICcoli grandi PICMicro (Paolino)
Il blog elettrico di carloc (carloc)
DirtEYblooog (dirtydeeds)
Di tutto... un po' (jordan20)
AK47 (lillo)
Esperienze elettroniche (marco438)
Telecomunicazioni musicali (clavicordo)
Automazione ed Elettronica (gustavo)
Direttive per la sicurezza (ErnestoCappelletti)
EYnfo dall'Alaska (mir)
Apriamo il quadro! (attilio)
H7-25 (asdf)
Passione Elettrica (massimob)
Elettroni a spasso (guidob)
Bloguerra (guerra)




