Lo so, è una domanda un po' strana
Avete presente (se ne è parlato in più thread) quella piccola luminescenza che avviene su lampade LED ad interruttore aperto, credo di sì
In un piccolo servizio ho una plafoniera che monta uno di quei dischi con LED al posto di una lampadina, ad interruttore aperto i LED emettono un leggero bagliore intermittente (credo alla frequenza di rete)
La mia domanda è il contrario di quella che viene fatta di solito
Vi viene in mente qualche idea su come si potrebbe tentare non di eliminare questo bagliore (mi basterebbe aggiungere il solito condensatore tra fase e Neutro), ma come, invece, rendere il bagliore stabile e non pulsato ?
(Sfrutto questa piccola luminosità per vederci quando giro per casa di notte)
Grazie
K
Lampadine LED - È possibile stabilizzare il bagliore ?
Moderatori:
carloc,
g.schgor,
BrunoValente,
IsidoroKZ
30 messaggi
• Pagina 1 di 3 • 1, 2, 3
1
voti
Il fatto che sia intermittente mi fa pensare che la piastra a led non sia alimentata dal solito condensatore in serie (ho alcune lampadine filament-led in una plafoniera di mia madre di quel tipo, e fanno da "lucetta notturna" quando spente
, e sono costanti, non sfarfallano), ma da un circuito elettronico, in quel caso l'intermittenza o sfarfallio (che se fosse a frequenza di rete, probabilmente non vedresti) dovrebbe essere data dal fatto che la poca energia che arriva alle lampade carica lentamente il condensatore dell'alimentazione del circuito, che quando vede un livello sufficente si accende scaricandola nei led, ciclicamente.
In quel caso non c'e' molto da fare, o si stravolge totalmente il circuito, ma poi potrebbe non funzionare correttamente da acceso (e comunque sarebbe manomissione di apparato elettrico), o si cambia con uno che abbia una funzione UVLO, ma poi non avresti la luminosita' perche' rimarrebbe spento se non correttamente alimentato .
Se potessi tirare anche il secondo conduttore nella plafoniera, potresti eliminare lo sfarfallio con i soliti sistemi, ed aggiungere un circuitino con un paio di led alimentati da un condensatorino passante, come "lucetta notturna" incorporata nella plafoniera stessa, o ancora meglio come combinazione "luce notturna / lampada di emergenza in caso di mancanza di rete", il circuito e' banale.
In quel caso non c'e' molto da fare, o si stravolge totalmente il circuito, ma poi potrebbe non funzionare correttamente da acceso (e comunque sarebbe manomissione di apparato elettrico), o si cambia con uno che abbia una funzione UVLO, ma poi non avresti la luminosita' perche' rimarrebbe spento se non correttamente alimentato .
Se potessi tirare anche il secondo conduttore nella plafoniera, potresti eliminare lo sfarfallio con i soliti sistemi, ed aggiungere un circuitino con un paio di led alimentati da un condensatorino passante, come "lucetta notturna" incorporata nella plafoniera stessa, o ancora meglio come combinazione "luce notturna / lampada di emergenza in caso di mancanza di rete", il circuito e' banale.
"Sopravvivere" e' attualmente l'unico lusso che la maggior parte dei Cittadini italiani,
sia pure a costo di enormi sacrifici, riesce ancora a permettersi.
sia pure a costo di enormi sacrifici, riesce ancora a permettersi.
-

Etemenanki
9.517 3 6 10 - Master

- Messaggi: 5940
- Iscritto il: 2 apr 2021, 23:42
- Località: Dalle parti di un grande lago ... :)
0
voti
@
Etemenanki
Sì, ho capito, eliminare il bagliore con il solito sistema ed implementare un circuito per avere un paio di LED costantemente accesi al minimo
Si potrebbe fare
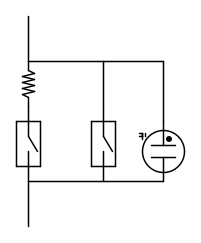
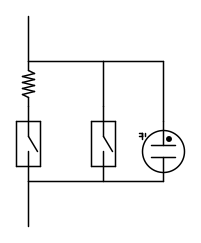
Nel frattempo mi era venuto in mente di mettere in parallelo all'interruttore una resistenza per far si che anche ad interruttore aperto una tensione molto bassa passasse e mantenesse i LED costantemente accesi al minimo
Se mettere un resistore in parallelo non fosse "sicuro" potrei sempre mettere due interruttori uno diretto alla lampada ed uno con in serie il resistore, in questo modo ci sarebbe sempre la possibilità di non avere tensione alcuna sul filo della fase della lampada o di avere una tensione minima
Ma probabilmente per poterlo fare servirebbe che il disco LED fosse dimmerabile
Franco
Sì, ho capito, eliminare il bagliore con il solito sistema ed implementare un circuito per avere un paio di LED costantemente accesi al minimo
Si potrebbe fare
Nel frattempo mi era venuto in mente di mettere in parallelo all'interruttore una resistenza per far si che anche ad interruttore aperto una tensione molto bassa passasse e mantenesse i LED costantemente accesi al minimo
Se mettere un resistore in parallelo non fosse "sicuro" potrei sempre mettere due interruttori uno diretto alla lampada ed uno con in serie il resistore, in questo modo ci sarebbe sempre la possibilità di non avere tensione alcuna sul filo della fase della lampada o di avere una tensione minima
Ma probabilmente per poterlo fare servirebbe che il disco LED fosse dimmerabile
Franco
-

Kagliostro
6.396 4 5 7 - Master

- Messaggi: 4830
- Iscritto il: 19 set 2012, 11:32
0
voti
Non credo che quel "bagliore", che in realtà è una minima luminosità dovuta a frazioni di mA, possa bastare a illuminare un minimo un locale.
A parte la soluzione, ovvia, di procurarsi le luci di cortesia da mettere in giro, le uniche lampadine LED alle quali si riesce a mettere mano sono, per quanto ne so, quelle a pannocchia, qui avevo illustrato una riparazione recente
viewtopic.php?t=59692&p=971397#p971397
lo schema tipico è partitore capacitivo + ponte diodi e R serie, sarebbe possibile con pochi componenti fare in modo che si accendano a luce ridotta (impostabile con a R) solo in caso di ambiente al buio totale, ma sono sicuro che se cerchi sui vari siti di vendita cinesate qualcosa esiste già
A parte la soluzione, ovvia, di procurarsi le luci di cortesia da mettere in giro, le uniche lampadine LED alle quali si riesce a mettere mano sono, per quanto ne so, quelle a pannocchia, qui avevo illustrato una riparazione recente
viewtopic.php?t=59692&p=971397#p971397
lo schema tipico è partitore capacitivo + ponte diodi e R serie, sarebbe possibile con pochi componenti fare in modo che si accendano a luce ridotta (impostabile con a R) solo in caso di ambiente al buio totale, ma sono sicuro che se cerchi sui vari siti di vendita cinesate qualcosa esiste già
0
voti
Ciao
richiurci
Il bagliore emesso mi è sufficiente, le luci di cortesia sarebbero esagerate, ne ho provata più di una
Per quanto riguarda il tipo di Lampada LED che ho, del tutto casualmente, ne ho una di aperta sul tavolo, tra un attimo aggiungo la foto
---
Riguardo a come stanno le cose adesso forse ho capito qualcosa, ripeto, forse
Quella lampada è alimentata tramite un interruttore Vimar Plana con installato il modulino luce spia, la luce spia risulta accesa ad interruttore aperto ed è sicuramente collegata in parallelo ai contatti dell'interruttore e quindi in serie al circuito se l'interruttore è aperto, ora non so se si tratti di un LED o di una spia al neon, anche se vista l'intermittenza propendo per una al neon, in ogni caso penso che attraverso la spia passi la tensione che provoca il brillamento
La cosa probabilmente rende impossibile usare un resistore in parallelo ai contatti dell'interruttore ma non l'eventuale uso di un secondo interruttore il parallelo al primo e dotato di resistore in serie
Franco
Il bagliore emesso mi è sufficiente, le luci di cortesia sarebbero esagerate, ne ho provata più di una
Per quanto riguarda il tipo di Lampada LED che ho, del tutto casualmente, ne ho una di aperta sul tavolo, tra un attimo aggiungo la foto
---
Riguardo a come stanno le cose adesso forse ho capito qualcosa, ripeto, forse
Quella lampada è alimentata tramite un interruttore Vimar Plana con installato il modulino luce spia, la luce spia risulta accesa ad interruttore aperto ed è sicuramente collegata in parallelo ai contatti dell'interruttore e quindi in serie al circuito se l'interruttore è aperto, ora non so se si tratti di un LED o di una spia al neon, anche se vista l'intermittenza propendo per una al neon, in ogni caso penso che attraverso la spia passi la tensione che provoca il brillamento
La cosa probabilmente rende impossibile usare un resistore in parallelo ai contatti dell'interruttore ma non l'eventuale uso di un secondo interruttore il parallelo al primo e dotato di resistore in serie
Franco
-

Kagliostro
6.396 4 5 7 - Master

- Messaggi: 4830
- Iscritto il: 19 set 2012, 11:32
1
voti
Anche con la resistenza non farai altro che ritardare la carica degli elettrolitici aumentando (rallentando) ulteriormente il lampeggio, a meno di non dimensionarla in modo che la corrente sia sufficiente a tenerli accesi.
ma anche li.... non è meglio usare un condensatore ?

ma anche li.... non è meglio usare un condensatore ?

1
voti
Togliendo il condensatore cosa succede?
-

SediciAmpere
4.187 5 5 8 - Master

- Messaggi: 4847
- Iscritto il: 31 ott 2013, 15:00
0
voti
@
ThEnGi
Alla resistenza avevo pensato per fare in modo che i LED si accendessero al minimo (per questo dicevo che servirebbe una versione dimmerabile)
Un condensatore ... dove ... al posto del resistore che dicevo io ?
@
SediciAmpere
Togliendo quale condensatore ?
----
Ho pensato ad un' altra possibilità
Un condensatore elettrolitico aggiunto in parallelo ai LED, all' uscita del circuitino che li alimenta, vedere la foto che ho postato prima
Franco
p.s.: quel circuitino è troppo complicato per me, non so come possa essere, forse se avessi uno schema qualcosa potrei arrivare a capire ma senza brancolo nel buio
Alla resistenza avevo pensato per fare in modo che i LED si accendessero al minimo (per questo dicevo che servirebbe una versione dimmerabile)
Un condensatore ... dove ... al posto del resistore che dicevo io ?
@
Togliendo quale condensatore ?
----
Ho pensato ad un' altra possibilità
Un condensatore elettrolitico aggiunto in parallelo ai LED, all' uscita del circuitino che li alimenta, vedere la foto che ho postato prima
Franco
p.s.: quel circuitino è troppo complicato per me, non so come possa essere, forse se avessi uno schema qualcosa potrei arrivare a capire ma senza brancolo nel buio
-

Kagliostro
6.396 4 5 7 - Master

- Messaggi: 4830
- Iscritto il: 19 set 2012, 11:32
1
voti
Kagliostro ha scritto:Un condensatore ... dove ... al posto del resistore che dicevo io ?
Si sei in alternata puoi usare un condensatore al posto della resistenza almeno non scalda
Dubito che aggiungere capacità aiuti solitamente i circuiti sono in switching... Il circuito è piccolo secondo me con foto da sopra e sotto si risale allo schema.
Ma tieni conto che sempre secondo me alla prima accensione gli eletrolitici a bordo PCB si scaricano (accendendo il led) e il ciclo riparte
Dovrebbe esserci una resistenza (SMD sicuro) che imposta il valore della corrente nei led, ti metti in parallelo/serie con una resistenza e il tuo interruttore (non è il massimo per le interferenze
la sigla dell'integrato si legge ? (99999999999999% no
EDIT: Vedi youtube

1
voti
il condensatore subito a valle del ponte a diodi, togliendolo smette di accumulare energia ma probabilmente avrà problemi di sfarfallamento quando è accesa, se non hai già fatto la prova non perdere tempo a farla
-

SediciAmpere
4.187 5 5 8 - Master

- Messaggi: 4847
- Iscritto il: 31 ott 2013, 15:00
30 messaggi
• Pagina 1 di 3 • 1, 2, 3
Chi c’è in linea
Visitano il forum: Nessuno e 47 ospiti

Elettrotecnica e non solo (admin)
Un gatto tra gli elettroni (IsidoroKZ)
Esperienza e simulazioni (g.schgor)
Moleskine di un idraulico (RenzoDF)
Il Blog di ElectroYou (webmaster)
Idee microcontrollate (TardoFreak)
PICcoli grandi PICMicro (Paolino)
Il blog elettrico di carloc (carloc)
DirtEYblooog (dirtydeeds)
Di tutto... un po' (jordan20)
AK47 (lillo)
Esperienze elettroniche (marco438)
Telecomunicazioni musicali (clavicordo)
Automazione ed Elettronica (gustavo)
Direttive per la sicurezza (ErnestoCappelletti)
EYnfo dall'Alaska (mir)
Apriamo il quadro! (attilio)
H7-25 (asdf)
Passione Elettrica (massimob)
Elettroni a spasso (guidob)
Bloguerra (guerra)



