Cos'è ElectroYou | Login Iscriviti

ElectroYou - la comunità dei professionisti del mondo elettrico

Ridurre il tempo di un impulso di 12 V cc

Elettronica lineare e digitale: didattica ed applicazioni

Moderatori: Foto Utentecarloc, Foto Utenteg.schgor, Foto UtenteBrunoValente, Foto UtenteIsidoroKZ

0
voti

[11] Re: Ridurre il tempo di un impulso di 12 V cc

Messaggioda Foto Utenteattila666 » 24 ago 2024, 16:50

boiler ha scritto:
attila666 ha scritto:questo lo schema che mi ha proposto ChatGpt

Bene, sembrerebbe che io non debba preoccuparmi per il mio posto di lavoro :D
Boiler

sto ancora a ride :lol:
edgar ha scritto:La mia serratura elettrica funziona egregiamente con un impulso di 300 mSec. Se anche la tua funzionasse con tempi minori dei 2 secondi, per correnti limitate si potrebbe pensare ad un brutale condensatore in serie al solenoide.

Questa è interessante, intendi che in uscita al circuito di boiler, invece di un mosfet, alimentatore aggiuntivo etc.. abbasso ancora il tempo di impulso a 500 ms e collego la serratura direttamente con un condensatore in parallelo ?
Avatar utente
Foto Utenteattila666
70 3
New entry
New entry
 
Messaggi: 84
Iscritto il: 23 giu 2014, 13:59

0
voti

[12] Re: Ridurre il tempo di un impulso di 12 V cc

Messaggioda Foto Utentestandardoil » 24 ago 2024, 19:01

Rischi di avere un secondo impulso al termine degli 8 secondi
Avatar utente
Foto Utentestandardoil
547 2 4
Stabilizzato
Stabilizzato
 
Messaggi: 420
Iscritto il: 15 lug 2022, 19:14

2
voti

[13] Re: Ridurre il tempo di un impulso di 12 V cc

Messaggioda Foto UtenteGuidoB » 24 ago 2024, 19:03

edgar ha scritto:... per correnti limitate si potrebbe pensare ad un brutale condensatore in serie al solenoide.

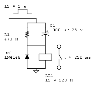
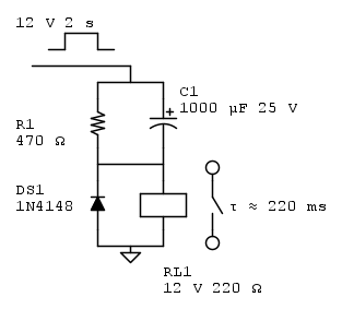
Sì, molti anni fa feci qualcosa di simile comandando l'elettroserratura con un relè:

R1 deve avere valore circa doppio della resistenza della bobina del relè. Serve a scaricare il condensatore alla fine dell'impulso.

Il tempo di lavoro del relè è, molto a spanne, il prodotto R_relé x C1 quindi in questo caso circa 220 ms, che bastano per gran parte delle elettroserrature.

Tra l'altro l'elettroserratura che avevo era a 12 V ac, ma per un tempo così breve la alimentavo a 12 V cc e funzionava ugualmente.

Per non far scintillare il contatto del relè devi mettere un diodo robusto (1N5408 che porta 3 A, per esempio) in antiparallelo alla bobina dell'elettroserratura se la alimenti in cc, o un piccolo condensatore in serie a una resistenza (prova 1 μF 400 V poliestere in serie a 39 Ω) in parallelo alla bobina se la alimenti in ac.
Big fan of ƎlectroYou!       Ausili per disabili e anziani su ƎlectroYou
Caratteri utili: À È É Ì Ò Ó Ù α β γ δ ε η θ λ μ π ρ σ τ φ ω Ω º ª ² ³ √ ∛ ∜ ₀ ₁ ₂ ₃ ₄ ₅ ₆ ∃ ∄ ∆ ∈ ∉ ± ∓ ∾ ≃ ≈ ≠ ≤ ≥
Avatar utente
Foto UtenteGuidoB
17,8k 7 12 13
G.Master EY
G.Master EY
 
Messaggi: 2809
Iscritto il: 3 mar 2011, 16:48
Località: Madrid

0
voti

[14] Re: Ridurre il tempo di un impulso di 12 V cc

Messaggioda Foto Utenteattila666 » 25 ago 2024, 9:02

grazie GuidoB per lo schema e la spiegazione, ma perdonami non ho capito un paio di cose, se dici che posso alimentare la serratura elettrica in AC direttamente con la CC e potrebbe funzionare, a cosa serve il circuito che hai illustrato ? non basterebbe lavorare sul circuito di boiler per avere un impulso di 500 ms e alimentare direttamente la serratura ?
Avatar utente
Foto Utenteattila666
70 3
New entry
New entry
 
Messaggi: 84
Iscritto il: 23 giu 2014, 13:59

0
voti

[15] Re: Ridurre il tempo di un impulso di 12 V cc

Messaggioda Foto Utenteboiler » 25 ago 2024, 10:24

Aspetta un attimo, il mio circuito funziona solo in DC. La tua alimentazione è AC o DC?

Boiler
Avatar utente
Foto Utenteboiler
26,4k 5 9 13
G.Master EY
G.Master EY
 
Messaggi: 5602
Iscritto il: 9 nov 2011, 12:27

0
voti

[16] Re: Ridurre il tempo di un impulso di 12 V cc

Messaggioda Foto Utenteattila666 » 25 ago 2024, 10:37

si, è in DC (corrente continua) :ok:
Avatar utente
Foto Utenteattila666
70 3
New entry
New entry
 
Messaggi: 84
Iscritto il: 23 giu 2014, 13:59

0
voti

[17] Re: Ridurre il tempo di un impulso di 12 V cc

Messaggioda Foto Utenteattila666 » 25 ago 2024, 12:14

boiler ha scritto:Non ho specificato diodo e mosfet perché dipendono dall'assorbimento della serratura e perché forse si può riciclare qualcosa che già hai nel cassetto.
Boiler

calcolando che la serratura credo assorba 15-20 w a 12V AC potresti darmi cortesemente anche le sigle del diodo e mosfet cosi faccio un acquisto unico su Ali, tanto devo acquistare il CD4047 :D
Avatar utente
Foto Utenteattila666
70 3
New entry
New entry
 
Messaggi: 84
Iscritto il: 23 giu 2014, 13:59

1
voti

[18] Re: Ridurre il tempo di un impulso di 12 V cc

Messaggioda Foto Utenteedgar » 25 ago 2024, 13:18

attila666 ha scritto:a cosa serve il circuito che hai illustrato ?

E' alternativo al circuito di boiler e usa solo componenti passivi.
Avatar utente
Foto Utenteedgar
10,0k 4 5 8
Master
Master
 
Messaggi: 5229
Iscritto il: 15 set 2012, 22:59

0
voti

[19] Re: Ridurre il tempo di un impulso di 12 V cc

Messaggioda Foto UtenteGuidoB » 25 ago 2024, 18:00

attila666 ha scritto:grazie GuidoB per lo schema e la spiegazione, ma perdonami non ho capito un paio di cose, se dici che posso alimentare la serratura elettrica in AC direttamente con la CC e potrebbe funzionare, a cosa serve il circuito che hai illustrato ? non basterebbe lavorare sul circuito di boiler per avere un impulso di 500 ms e alimentare direttamente la serratura ?

La risposta l'ha già data Foto Utenteedgar qui sopra (grazie).

Io aggiungo che alimentare in cc una elettroserratura prevista per l'ac potrebbe far aumentare la corrente, perché a regime viene a mancare la limitazione dovuta alla componente induttiva dell'impedenza (resta solo quella resistiva). Non ricordo molto, ma probabilmente misurai la resistenza dell'elettroserratura e la corrente in ac, concludendo che per quell'elettroserratura la componente resistiva era preponderante e l'aumento di corrente in cc non era significativo.
In caso contrario avrei dovuto diminuire la tensione di comando in cc o inserire una resistenza in serie per limitare la corrente.
Non ce ne fu bisogno, tanto più che l'impulso di comando era molto breve e quindi l'energia dissipata (tensione x corrente x tempo) non poteva portare a pericolosi surriscaldamenti.

Il tutto fu perché l'elettroserratura doveva funzionare anche in assenza di tensione di rete.
Un'elettroserratura in cc non era reperibile, perciò alimentai quella in ac da un'accumulatore a 12 V, interponendo un fusibile di protezione, dopo aver fatto le verifiche descritte sopra.

Così evitai l'uso di un inverter, che avrebbe introdotto una probabilità di guasto aggiuntiva, oltre al costo e all'ingombro.

Se vuoi usare un'elettroserratura a 12 Vac in cc, dovresti prima verificarne la resistenza e la corrente assorbita in ac. Se la corrente che avresti in cc (che calcoli con la legge di Ohm) non supera significativamente quella in ac, puoi andare tranquillo. Altrimenti, o abbassi la tensione o inserisci una resistenza di limitazione in serie, di potenza adeguata.
Big fan of ƎlectroYou!       Ausili per disabili e anziani su ƎlectroYou
Caratteri utili: À È É Ì Ò Ó Ù α β γ δ ε η θ λ μ π ρ σ τ φ ω Ω º ª ² ³ √ ∛ ∜ ₀ ₁ ₂ ₃ ₄ ₅ ₆ ∃ ∄ ∆ ∈ ∉ ± ∓ ∾ ≃ ≈ ≠ ≤ ≥
Avatar utente
Foto UtenteGuidoB
17,8k 7 12 13
G.Master EY
G.Master EY
 
Messaggi: 2809
Iscritto il: 3 mar 2011, 16:48
Località: Madrid

0
voti

[20] Re: Ridurre il tempo di un impulso di 12 V cc

Messaggioda Foto Utenteattila666 » 25 ago 2024, 18:03

@edgar, ho provato a simulare il tuo circuito su una breadboard visto che avevo i componenti a disposizione (a parte il diodo, ho messo un IN53528 e tutti gli altri che avevo, ma 1N5408 non l'ho trovato) ma non funziona come dovrebbe, quando do l'impulso si attiva subito il rele e rimane eccitato finché l'impulso è attivo, poi se provo a ridare l'impulso subito dopo non si attiva il rele, devo aspettare qualche secondo per farlo attivare nuovamente, colpa del diodo ?

ps. ho misurato il rele che ho usato e ha una resistenza di 800 ohm , quindi ho messo la resistenza R1 di 1k giusto vero ?
Avatar utente
Foto Utenteattila666
70 3
New entry
New entry
 
Messaggi: 84
Iscritto il: 23 giu 2014, 13:59

PrecedenteProssimo

Torna a Elettronica generale

Chi c’è in linea

Visitano il forum: Nessuno e 44 ospiti