Cos'è ElectroYou | Login Iscriviti

ElectroYou - la comunità dei professionisti del mondo elettrico

Programma Arduino che indica su un display 4 azioni

Progetti, interfacciamento, discussioni varie su questa piattaforma.

Moderatori: Foto UtenteWALTERmwp, Foto Utentexyz

0
voti

[31] Re: Programma Arduino che indica su un display 4 azioni

Messaggioda Foto Utentestefanopc » 18 ott 2024, 20:16

Concordo con il messaggio precedente di Foto Utentedjnz.
Anche al lavoro utilizzo spesso strumenti di questo genere ed è immensamente comodo avere una lettura senza dover tenere premuto un pulsante o altre scomodità operative.
Nelle mani hai già i due puntali e distogliere lo sguardo dal componente da verificare é abbastanza conveniente.
Ad esempio.
Un bip corto può segnalare il fine misura e aggiornamento del display con misura a vuoto.
Un bip più lungo acuto giunzione ok.
Un bip più lungo grave giunzione ko.
Sul display tensione misurata diretta e inversa.
Due led in prossimità delle uscite dei puntali per individuare Anodo e Katodo
Led rosso acceso lato anodo.
Due led accesi corto circuito.
Nessun led acceso circuito aperto.
Ciao
600 Elettra
Avatar utente
Foto Utentestefanopc
13,3k 5 9 13
Master EY
Master EY
 
Messaggi: 5567
Iscritto il: 4 ago 2020, 9:11

0
voti

[32] Re: Programma Arduino che indica su un display 4 azioni

Messaggioda Foto Utenteelektronik » 18 ott 2024, 20:55

Mi sa che ho chiesto qualcosa di difficile realizzazione, purtroppo non avendo esperienza con arduino credevo fosse più facile realizzarlo, non preoccupatevi più di tanto, il mio era solo uno sfizio, il circuito mi aiuta moltissimo e mi evita di fare il doppio scambio dei puntali per misurare un diodo, come avviene invece con un tester, la ricerca e molto veloce e con questa sequenza ho creato dei test di molti integrati e devo dire che funziona. Vi linco un video che ho fatto tempo fa, molto terra terra, spero solo che renda l'idea di come funziona. https://www.youtube.com/watch?v=muNgLjRzs-8&t=171s
Avatar utente
Foto Utenteelektronik
7.800 4 6 7
Master
Master
 
Messaggi: 3836
Iscritto il: 12 mag 2015, 22:26

0
voti

[33] Re: Programma Arduino che indica su un display 4 azioni

Messaggioda Foto Utentestefanopc » 19 ott 2024, 0:05

Non è difficile.
Ci vuole un po di pazienza ma vedrai che qualcosa ne viene fuori.
Ciao
600 Elettra
Avatar utente
Foto Utentestefanopc
13,3k 5 9 13
Master EY
Master EY
 
Messaggi: 5567
Iscritto il: 4 ago 2020, 9:11

0
voti

[34] Re: Programma Arduino che indica su un display 4 azioni

Messaggioda Foto Utenteelektronik » 19 ott 2024, 9:39

stefanopc ha scritto:Non è difficile.
Ci vuole un po di pazienza ma vedrai che qualcosa ne viene fuori.
Ciao

Grazie Stefano.
Avatar utente
Foto Utenteelektronik
7.800 4 6 7
Master
Master
 
Messaggi: 3836
Iscritto il: 12 mag 2015, 22:26

0
voti

[35] Re: Programma Arduino che indica su un display 4 azioni

Messaggioda Foto Utentestefanopc » 19 ott 2024, 9:48

Secondo te quanta corrente esce dai puntali del tuo strumentino attuale?
Potresti fare una misura con un multimetro?
Ciao
600 Elettra
Avatar utente
Foto Utentestefanopc
13,3k 5 9 13
Master EY
Master EY
 
Messaggi: 5567
Iscritto il: 4 ago 2020, 9:11

1
voti

[36] Re: Programma Arduino che indica su un display 4 azioni

Messaggioda Foto Utentedjnz » 19 ott 2024, 10:28

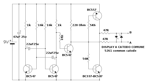
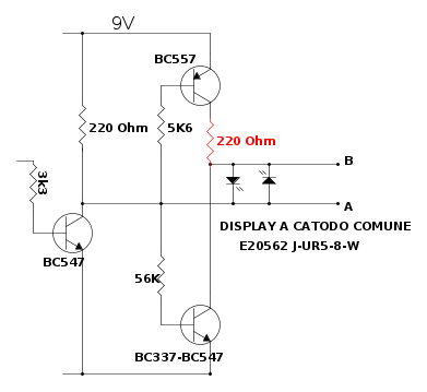
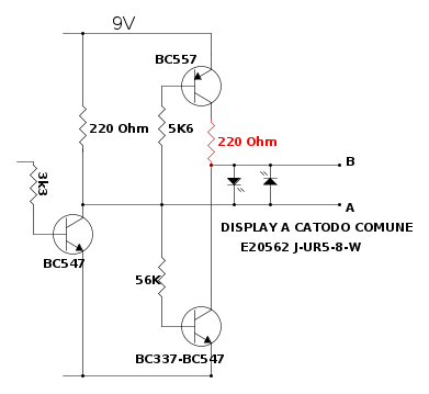
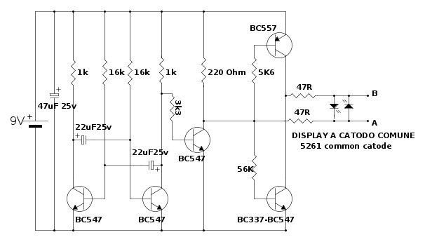
La risposta, guardando lo stadio finale postato, dovrebbe essere 40 mA, ma vedo la possibilità di un corto. Lo ripropongo con l'aggiunta di una resistenza (in rosso). Senza quella resistenza, quando il pilota è basso, mettendo in corto i puntali B-A dovrebbero saltare i transistor. Anzi, dovrebbero saltare ad ogni commutazione ?% Magari è stata dimenticata nello schema originale ?

Una domanda ben posta è già mezza risposta.
Avatar utente
Foto Utentedjnz
1.590 1 4 7
Master
Master
 
Messaggi: 708
Iscritto il: 26 lug 2020, 14:52

0
voti

[37] Re: Programma Arduino che indica su un display 4 azioni

Messaggioda Foto Utenteelektronik » 19 ott 2024, 16:19

djnz ha scritto:La risposta, guardando lo stadio finale postato, dovrebbe essere 40 mA, ma vedo la possibilità di un corto. Lo ripropongo con l'aggiunta di una resistenza (in rosso). Senza quella resistenza, quando il pilota è basso, mettendo in corto i puntali B-A dovrebbero saltare i transistor. Anzi, dovrebbero saltare ad ogni commutazione ?% Magari è stata dimenticata nello schema originale ?

lo strumento funziona da circa 10 anni, non si è mai bruciato un transistor, con quella resistenza un display accende meno dell'altro, vanno bene due resistenze da 47ohm : una messa tra i due collettori dei transistor 337e 557 e all'anodo del primo led, l'altra va messa tra le resistenze da 56k e 5k6 e al catodo del primo led. le avevo levate perché alcuni giorni e in situazioni particolari non vedevo bene il display perché la luminosità era scarsa.
Avatar utente
Foto Utenteelektronik
7.800 4 6 7
Master
Master
 
Messaggi: 3836
Iscritto il: 12 mag 2015, 22:26

0
voti

[38] Re: Programma Arduino che indica su un display 4 azioni

Messaggioda Foto UtenteGioArca67 » 19 ott 2024, 16:41

Perché la resistenza di base del pnp così bassa rispetto a quella dell'npn?
Avatar utente
Foto UtenteGioArca67
4.580 4 6 9
Master EY
Master EY
 
Messaggi: 4591
Iscritto il: 12 mar 2021, 9:36

0
voti

[39] Re: Programma Arduino che indica su un display 4 azioni

Messaggioda Foto Utenteelektronik » 19 ott 2024, 16:45

GioArca67 ha scritto:Perché la resistenza di base del pnp così bassa rispetto a quella dell'npn?

se le resistenze le metto con lo stesso valore lo strumento non funziona bene, e strano ma vero, se provi vedrai che è così, a furia di prove ho trovato l'equilibrio giusto, non mi chiedere perché, perché non te lo so spiegare, sono certo che tu saprai fare molto meglio di come l'ho fatto io, visto che non possiedo le conoscenze elettroniche per fare di meglio, accetto qualsiasi suggerimento pratico per migliorarlo.
Avatar utente
Foto Utenteelektronik
7.800 4 6 7
Master
Master
 
Messaggi: 3836
Iscritto il: 12 mag 2015, 22:26

0
voti

[40] Re: Programma Arduino che indica su un display 4 azioni

Messaggioda Foto UtenteGioArca67 » 19 ott 2024, 17:09

Era una semplice domanda.
qual era il comportamento quando la resistenza era simile a quella dell'npn?
Avatar utente
Foto UtenteGioArca67
4.580 4 6 9
Master EY
Master EY
 
Messaggi: 4591
Iscritto il: 12 mar 2021, 9:36

PrecedenteProssimo

Torna a Arduino

Chi c’è in linea

Visitano il forum: Nessuno e 16 ospiti