Buongiorno, vado dritto al punto ma statemi dietro un attimo...
se volessi testare una pila misurerei V mentre sottopogo la pila ad un carico R, perché voglio vedere se V è mantenuta sotto carico R.
Allora si potrebbe pensare: non puoi usare però una resistenza per testare la pila, perché cambiando V (pila consumata) cambia anche I che sarà minore.
Allora faccio un generatore di corrente costante così qualunque V della pila assorbo la stessa I ed il test è preciso (e questo è più o meno quello che fanno i provapile fighi).
Tutto ciò ha senso ???
Se ho un circuito che assorbe una certa I a una certa V (es. 50mA a 9V) quando la pila si consuma e sarà diciamo 6.5V anche la I assorbita diminuirà... infatti il circuito non è che cambia... (supponendo di voler vedere il circuito come una R).
Se la pila alimenta un survoltore... anche in questo caso, che mi frega di fare un test alla pila con una I precisa visto che tanto poi il survoltore si prenderà cura di prosciugare la pila ?
Domanda banale sul testare le pile
Moderatori:
carloc,
g.schgor,
BrunoValente,
IsidoroKZ
34 messaggi
• Pagina 1 di 4 • 1, 2, 3, 4
0
voti
Secondo me una resistenza è sufficiente. È vero che la corrente diminuisce al diminuire della tensione, ma puoi sempre adattare le tue soglie di tensione alle quali consideri la pila "carica"/"parzialmente carica"/"scarica" in funzione della corrente un po' minore.
Le soglie non sono poi tanto distanti in percentuale (per esempio per una pila da 1,5 V potrebbero essere 1,5/1,4/1,3 V, un 15% tra la massima e la minima) e quindi anche usando una resistenza la corrente non cambia così tanto.
Volendo comunque, un generatore di corrente costante si può fare semplicemente con due BJT, anche se in tal caso la corrente regolata ha una certa dipendenza dalla temperatura.
Ci sono anche gli "zener di corrente", contenenti credo un MOSFET collegato opportunamente, ma non li ho mai usati e non so dirti di più.
Le soglie non sono poi tanto distanti in percentuale (per esempio per una pila da 1,5 V potrebbero essere 1,5/1,4/1,3 V, un 15% tra la massima e la minima) e quindi anche usando una resistenza la corrente non cambia così tanto.
Volendo comunque, un generatore di corrente costante si può fare semplicemente con due BJT, anche se in tal caso la corrente regolata ha una certa dipendenza dalla temperatura.
Ci sono anche gli "zener di corrente", contenenti credo un MOSFET collegato opportunamente, ma non li ho mai usati e non so dirti di più.
Big fan of ⋮ƎlectroYou! Ausili per disabili e anziani su ⋮ƎlectroYou
Caratteri utili: À È É Ì Ò Ó Ù α β γ δ ε η θ λ μ π ρ σ τ φ ω Ω º ª ² ³ √ ∛ ∜ ₀ ₁ ₂ ₃ ₄ ₅ ₆ ∃ ∄ ∆ ∈ ∉ ± ∓ ∾ ≃ ≈ ≠ ≤ ≥
Caratteri utili: À È É Ì Ò Ó Ù α β γ δ ε η θ λ μ π ρ σ τ φ ω Ω º ª ² ³ √ ∛ ∜ ₀ ₁ ₂ ₃ ₄ ₅ ₆ ∃ ∄ ∆ ∈ ∉ ± ∓ ∾ ≃ ≈ ≠ ≤ ≥
1
voti
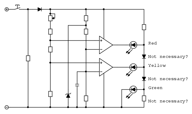
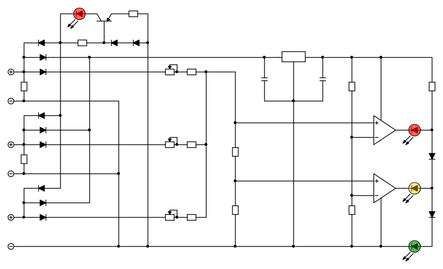
Se può esserti utile, ho recuperato questo schema di provapile, in cui però non ho calcolato i valori dei componenti. Accende un LED (verde, giallo o rosso) in funzione dello stato di carica della pila.
Lo zener, per non avere una grossa dipendenza dalla temperatura, andrebbe da 5,6 V, oppure si può sostituirlo con un bandgap voltage reference da 1,2 V (ce ne sono tanti, assomigliano a diodi).
Il doppio comparatore DEVE avere le uscite in open collector, per esempio un LM393.
Il circuito sfrutta le diverse cadute di tensione dei LED di diverso colore per ottenere lo spegnimento del LED verde quando si accende il giallo, e lo spegnimento del giallo quando si accende il rosso. Se le differenze in caduta di tensione non fossero sufficienti, si possono aggiungere dei diodi (indicati con "Not necessary?") per aumentarle.
Se i LED verde o giallo ancora non si spengono completamente, si può collegare in parallelo al LED verde una resistenza di valore intorno ai 2,2 kΩ (anche lei indicata con "Not necessary?").
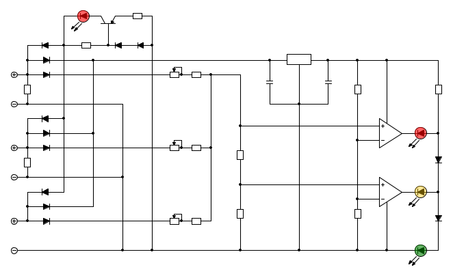
Qui un'altra versione con tre ingressi, per provare pile con diverse tensioni o capacità, e con un LED che indica il collegamento erroneo a polarità invertita. Il rettangolo a 3 piedini è uno stabilizzatore 7805 o 78L05:
Per provare pile di tensione inferiore a circa 7 V è necessaria una tensione ausiliaria, che può essere fornita da una pila da 9 V interna allo strumento, che in tal caso può essere acceso automaticamente (con un transistor opportunamente collegato) quando si collega una pila. Sempre in caso di tensioni inferiori a 7 V, sarebbe opportuno rivedere le protezioni (attualmente, diodi) per ridurre la caduta di tensione e la dipendenza dalla temperatura.
Lo zener, per non avere una grossa dipendenza dalla temperatura, andrebbe da 5,6 V, oppure si può sostituirlo con un bandgap voltage reference da 1,2 V (ce ne sono tanti, assomigliano a diodi).
Il doppio comparatore DEVE avere le uscite in open collector, per esempio un LM393.
Il circuito sfrutta le diverse cadute di tensione dei LED di diverso colore per ottenere lo spegnimento del LED verde quando si accende il giallo, e lo spegnimento del giallo quando si accende il rosso. Se le differenze in caduta di tensione non fossero sufficienti, si possono aggiungere dei diodi (indicati con "Not necessary?") per aumentarle.
Se i LED verde o giallo ancora non si spengono completamente, si può collegare in parallelo al LED verde una resistenza di valore intorno ai 2,2 kΩ (anche lei indicata con "Not necessary?").
Qui un'altra versione con tre ingressi, per provare pile con diverse tensioni o capacità, e con un LED che indica il collegamento erroneo a polarità invertita. Il rettangolo a 3 piedini è uno stabilizzatore 7805 o 78L05:
Per provare pile di tensione inferiore a circa 7 V è necessaria una tensione ausiliaria, che può essere fornita da una pila da 9 V interna allo strumento, che in tal caso può essere acceso automaticamente (con un transistor opportunamente collegato) quando si collega una pila. Sempre in caso di tensioni inferiori a 7 V, sarebbe opportuno rivedere le protezioni (attualmente, diodi) per ridurre la caduta di tensione e la dipendenza dalla temperatura.
Big fan of ⋮ƎlectroYou! Ausili per disabili e anziani su ⋮ƎlectroYou
Caratteri utili: À È É Ì Ò Ó Ù α β γ δ ε η θ λ μ π ρ σ τ φ ω Ω º ª ² ³ √ ∛ ∜ ₀ ₁ ₂ ₃ ₄ ₅ ₆ ∃ ∄ ∆ ∈ ∉ ± ∓ ∾ ≃ ≈ ≠ ≤ ≥
Caratteri utili: À È É Ì Ò Ó Ù α β γ δ ε η θ λ μ π ρ σ τ φ ω Ω º ª ² ³ √ ∛ ∜ ₀ ₁ ₂ ₃ ₄ ₅ ₆ ∃ ∄ ∆ ∈ ∉ ± ∓ ∾ ≃ ≈ ≠ ≤ ≥
0
voti
Non sono d'accordo su alcune osservazioni.
Per prima cosa il test a corrente costante ha senso eccome, perché rende possibile misurare in maniera semplice gli Ah erogati, che sono il dato più comune fornito dai produttori.
Io mi ero costruito un semplice circuito basato su regolatori lineari di corrente, ne ho parlato qui:
https://www.electroyou.it/richiurci/wik ... rizzazione
Secondo: non è in generale vero, soprattutto su dispositivi moderni, che al calare della tensione cala la I assorbita, spesso ormai succede il contrario grazie a circuiti di regolazione interni, e ad una pila scarica si richiedono correnti maggiori. Per lo stesso motivo non è sempre vero che le variazioni di tensione sono limitate, alcuni oggetti utilizzatori tirano il collo alle batterie, specie se ne usano diverse in serie, fino a tensioni anche del 50% inferiori alla nominale.
Il link che ho messo riporta a sua volta il link ad un 3d con schema, avevo introdotto un timer che misurava il tempo trascorso, ad I di scarica costante, fino al raggiungimento di una tensione minima di batteria che può essere cambiata a seconda della chimica
Per prima cosa il test a corrente costante ha senso eccome, perché rende possibile misurare in maniera semplice gli Ah erogati, che sono il dato più comune fornito dai produttori.
Io mi ero costruito un semplice circuito basato su regolatori lineari di corrente, ne ho parlato qui:
https://www.electroyou.it/richiurci/wik ... rizzazione
Secondo: non è in generale vero, soprattutto su dispositivi moderni, che al calare della tensione cala la I assorbita, spesso ormai succede il contrario grazie a circuiti di regolazione interni, e ad una pila scarica si richiedono correnti maggiori. Per lo stesso motivo non è sempre vero che le variazioni di tensione sono limitate, alcuni oggetti utilizzatori tirano il collo alle batterie, specie se ne usano diverse in serie, fino a tensioni anche del 50% inferiori alla nominale.
Il link che ho messo riporta a sua volta il link ad un 3d con schema, avevo introdotto un timer che misurava il tempo trascorso, ad I di scarica costante, fino al raggiungimento di una tensione minima di batteria che può essere cambiata a seconda della chimica
0
voti
https://www.electroschematics.com/bt-16 ... ry-tester/
Questo è quanto di più semplice ( e direi funzionante) si trova in commercio. Ne possiedo uno, che però probabilmente ha valori differenti di resistenza di carico ( Ho misurato che A 1,6 V assorbe 0,3 A) . Se me ne rimane l'interesse proverò a smontarlo e rilevare schema, valori e caratteristiche di funzionamento.
Sarebbe un interessante esercizio di elettrotecnica per studenti.
Questo è quanto di più semplice ( e direi funzionante) si trova in commercio. Ne possiedo uno, che però probabilmente ha valori differenti di resistenza di carico ( Ho misurato che A 1,6 V assorbe 0,3 A) . Se me ne rimane l'interesse proverò a smontarlo e rilevare schema, valori e caratteristiche di funzionamento.
Sarebbe un interessante esercizio di elettrotecnica per studenti.
0
voti
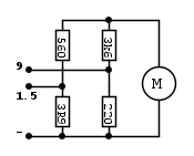
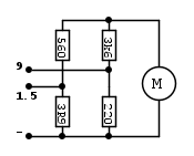
Ho comperato un po di quei cosi "BT168" in offerta su aliexpress tempo fa, perche' mi servivano alcuni strumentini a lancetta piccoli per un vecchio progetto, e cosi piccoli non c'era modo di trovarli a meno di 15 Euro l'uno dai vari rivenditori (mentre i BT168 li ho pagati ben 1.86 Euro l'uno, e gli strumentini all'interno erano della misura giusta, cosi li ho cannibalizzati
), e dentro ci sono quattro (si, BEN quattro, perche' oltre alle 1.5V misura anche le 9V, altrimenti sarebbero state due) resistenze SMD, lo strumentino, e basta.
Ho ancora un paio degli strumentini recuperati, questo e' come sono fatti (non c'e' altro dentro)
Se vuoi tiro giu i valori, tanto e' gia aperto.
Ho ancora un paio degli strumentini recuperati, questo e' come sono fatti (non c'e' altro dentro)
Se vuoi tiro giu i valori, tanto e' gia aperto.
"Sopravvivere" e' attualmente l'unico lusso che la maggior parte dei Cittadini italiani,
sia pure a costo di enormi sacrifici, riesce ancora a permettersi.
sia pure a costo di enormi sacrifici, riesce ancora a permettersi.
-

Etemenanki
9.522 3 6 10 - Master

- Messaggi: 5948
- Iscritto il: 2 apr 2021, 23:42
- Località: Dalle parti di un grande lago ... :)
1
voti
venanzio ha scritto:
...Allora faccio un generatore di corrente costante così qualunque V della pila assorbo la stessa I ed il test è preciso (e questo è più o meno quello che fanno i provapile fighi).
Tutto ciò ha senso ???
Ha certamente senso, ma la domanda giusta è: ha senso complicarsi la vita per arrivare a sapere con precisione che ad una precisa corrente assorbita la tensione cala di quei volt?
Direi che una stima fatta assorbendo una corrente solo grosso modo del valore teorico sia più che sufficiente per arrivare a capire se una pila è carica oppure no.
venanzio ha scritto:Se la pila alimenta un survoltore... anche in questo caso, che mi frega di fare un test alla pila con una I precisa visto che tanto poi il survoltore si prenderà cura di prosciugare la pila ?
Ha senso controllare se la pila è troppo scarica solo per evitare che possa danneggiarsi e comunque, come già ti hanno detto, se il survoltore mantiene costante la tensione in uscita, succede che la corrente erogata dalla pila aumenta man mano che la tensione cala.
-

BrunoValente
39,6k 7 11 13 - G.Master EY

- Messaggi: 7796
- Iscritto il: 8 mag 2007, 14:48
0
voti
>
MarcoD : lo schema ed i valori sono questi, oggi appena riesco provo anche la resistenza e la corrente di fondoscala dello strumento
"Sopravvivere" e' attualmente l'unico lusso che la maggior parte dei Cittadini italiani,
sia pure a costo di enormi sacrifici, riesce ancora a permettersi.
sia pure a costo di enormi sacrifici, riesce ancora a permettersi.
-

Etemenanki
9.522 3 6 10 - Master

- Messaggi: 5948
- Iscritto il: 2 apr 2021, 23:42
- Località: Dalle parti di un grande lago ... :)
0
voti
Bisognerebbe capire esattamente se si sta parlando di
Pile ricaricabili
Pile non ricaricabili
Batterie (mi auguro ricaricabili).
In ogni caso va valutata la tensione e la resistenza interna.
Questo ultimo parametro può essere ricavato con diverse tecniche ed è il più interessante.
Si può provare sicuramente con la resistenza di scarica ma anche con altri strumenti facilmente reperibili.
Qui qualche spunto sul tema.
https://www.electroyou.it/stefanopc/wik ... ile-guaste
Per le versioni ricaricabili si può cercare di misurare la capacità in Ah con un adatto strumento che si può trovare già fatto o autocostruire.
Anche in questo caso la resistenza interna gioca comunque un ruolo fondamentale.
In ogni caso la misura della resistenza interna richiede poco tempo.
La misura di capacità invece richiede una carica completa e una scarica fino alla tensione x da valutare in base alle specifiche tecniche.
Ciao
Pile ricaricabili
Pile non ricaricabili
Batterie (mi auguro ricaricabili).
In ogni caso va valutata la tensione e la resistenza interna.
Questo ultimo parametro può essere ricavato con diverse tecniche ed è il più interessante.
Si può provare sicuramente con la resistenza di scarica ma anche con altri strumenti facilmente reperibili.
Qui qualche spunto sul tema.
https://www.electroyou.it/stefanopc/wik ... ile-guaste
Per le versioni ricaricabili si può cercare di misurare la capacità in Ah con un adatto strumento che si può trovare già fatto o autocostruire.
Anche in questo caso la resistenza interna gioca comunque un ruolo fondamentale.
In ogni caso la misura della resistenza interna richiede poco tempo.
La misura di capacità invece richiede una carica completa e una scarica fino alla tensione x da valutare in base alle specifiche tecniche.
Ciao
600 Elettra
34 messaggi
• Pagina 1 di 4 • 1, 2, 3, 4
Chi c’è in linea
Visitano il forum: Nessuno e 42 ospiti

Elettrotecnica e non solo (admin)
Un gatto tra gli elettroni (IsidoroKZ)
Esperienza e simulazioni (g.schgor)
Moleskine di un idraulico (RenzoDF)
Il Blog di ElectroYou (webmaster)
Idee microcontrollate (TardoFreak)
PICcoli grandi PICMicro (Paolino)
Il blog elettrico di carloc (carloc)
DirtEYblooog (dirtydeeds)
Di tutto... un po' (jordan20)
AK47 (lillo)
Esperienze elettroniche (marco438)
Telecomunicazioni musicali (clavicordo)
Automazione ed Elettronica (gustavo)
Direttive per la sicurezza (ErnestoCappelletti)
EYnfo dall'Alaska (mir)
Apriamo il quadro! (attilio)
H7-25 (asdf)
Passione Elettrica (massimob)
Elettroni a spasso (guidob)
Bloguerra (guerra)









