Quadro con due sezioni isolate in "classe II".
Moderatori:
sebago,
MASSIMO-G,
lillo,
Mike
28 messaggi
• Pagina 2 di 3 • 1, 2, 3
0
voti
Domanda, ma anche se intervenisse il differenziale a monte di un UPS quale sarebbe il problema?
--
Michele Lysander Guetta
--
"Non pensare mai al dolore, al pericolo o ai nemici un momento più lungo del necessario per combatterli." — Ayn Rand
Michele Lysander Guetta
--
"Non pensare mai al dolore, al pericolo o ai nemici un momento più lungo del necessario per combatterli." — Ayn Rand
-

Mike
55,6k 7 10 12 - G.Master EY

- Messaggi: 17006
- Iscritto il: 1 ott 2004, 18:25
- Località: Conegliano (TV)
0
voti
Mike ha scritto:Domanda, ma anche se intervenisse il differenziale a monte di un UPS quale sarebbe il problema?
L'ho specificato già prima: nessuno.
Del resto che le terre siano uniche o separate, se i due circuiti sono separati e protetti ognuno da un differenziale di corretta taglia la selettività è garantita.
Il mio è un problema di:
1) analisi della Ileak su ogni terra;
2) schermatura da inquinamento elettromagnetico irradiato.
Per quello ognuno dei due circuiti, più il cabinet, deve avere una messa a terra separata!
0
voti
Quindi a te interessa verificare la corrente di dispersione, corretto?
--
Michele Lysander Guetta
--
"Non pensare mai al dolore, al pericolo o ai nemici un momento più lungo del necessario per combatterli." — Ayn Rand
Michele Lysander Guetta
--
"Non pensare mai al dolore, al pericolo o ai nemici un momento più lungo del necessario per combatterli." — Ayn Rand
-

Mike
55,6k 7 10 12 - G.Master EY

- Messaggi: 17006
- Iscritto il: 1 ott 2004, 18:25
- Località: Conegliano (TV)
0
voti
Mike ha scritto:Quindi a te interessa verificare la corrente di dispersione, corretto?
Sì e non solo, anche la "segregazione" con schermo metallico, chiaramente usando cavi doppio isolamento con schermo all'ingresso ed all'uscita delle due sezioni del quadro!
0
voti
E' possibile conoscere il costruttore/marca degli UPS in questione ?
I circuiti sono controcorrente. Seguono sempre la massa
-Per rispondere utilizza il tasto [RISPONDI] e non il tasto [CITA], grazie.-
-Per rispondere utilizza il tasto [RISPONDI] e non il tasto [CITA], grazie.-
0
voti
mir ha scritto:E' possibile conoscere il costruttore/marca degli UPS in questione ?
Sì anche se non è dirimente visto che gli UPS sono esterni al quadro in questione.
Sono degli APC VFI-SS-111 monofase: uno da 10 kVA ed uno da 6 kVA.
Neutro passante, quindi regime TT in uscita.
0
voti
Chiedevo, solo con l'idea di verificare la tipologia di UPS, poiché in genere questi dispositivi forniscono in uscita una tensione di alimentazione pulita, grazie ai filtri EMI ed RFI che posseggono, per questo non comprendo la necessità di ulteriori filtri a valle degli UPS, fermo restando avere un circuito di terra correttamente dimensionato (basso valore di impedenza).
I modelli che hai postato hanno di loro i filtri indicati; probabilmente mi sfugge qualcos'altro.
I modelli che hai postato hanno di loro i filtri indicati; probabilmente mi sfugge qualcos'altro.
I circuiti sono controcorrente. Seguono sempre la massa
-Per rispondere utilizza il tasto [RISPONDI] e non il tasto [CITA], grazie.-
-Per rispondere utilizza il tasto [RISPONDI] e non il tasto [CITA], grazie.-
0
voti
Se hai paura dei segnali irradiati e non puoi schermare con involucro, le soluzione sono prettamente impiantistiche: cavi schermati, adeguato e accurato cablaggio per ridurre interferenze, ridurre i loop di terra, collegamento delle terre a stella su un unica barra, possibilmente usare bandelle di terra etc etc.
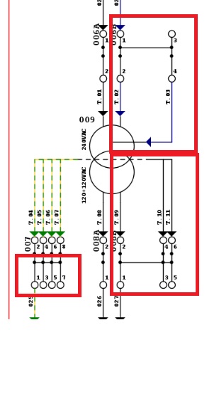
Guardando il tuo schema mi viene da chiederti cosa sono questi loop? Magari potreste valutare alcuni di non farli.
Penso il risultato richiesto dipenda molto dall'applicazione finale, dove lavoravo prima n un un'altra divisione era molto spinto il filtraggio, ho cambiato lavoro quando hanno iniziato a coinvolgermi troppo perché il settore finale non mi interessava per motivi etici.
Guardando il tuo schema mi viene da chiederti cosa sono questi loop? Magari potreste valutare alcuni di non farli.
Penso il risultato richiesto dipenda molto dall'applicazione finale, dove lavoravo prima n un un'altra divisione era molto spinto il filtraggio, ho cambiato lavoro quando hanno iniziato a coinvolgermi troppo perché il settore finale non mi interessava per motivi etici.
0
voti
Provo a riformulare la domanda originale dell'OP.
"
In un rack standard 19" ho vari componenti elettrici ed elettronici che fanno riferimento a 2 UPS montati esternamente al rack stesso.
Per questioni di monitoraggio/verifiche mi interessa che i circuiti di messa a terra di tutte le masse, pur facendo capo ad una stessa barra equipotenziale EBB esterna al rack, siano solo al massimo 3 e siano separati per tutto quanto afferisce a ciascun UPS: il primo per l'UPS1, il secondo per l'UPS2 ed eventualmente un terzo per il rack metallico se dovesse questo risultare una massa.
Quasi sicuramente le sezioni dedicate a ciascun UPS dovranno essere schermate da interferenze elettromagnetiche e vorrei che anche esse afferiscano per competenza ai circuiti di messa a terra di ciascun UPS
"
Se la domanda è essenzialmente questa, potresti darci le caratteristiche meccaniche di tutti gli elementi che devi inserire nel quadro?
Si installano su guida DIN? sono moduli da 19" standard? situazioni miste? quali elementi sono a doppio isolamento? gli UPS hanno cavi specifici? sono collegati con prese o morsettiere? pensi di usare cavi schermati nel tratto da QEF a UPSx e viceversa?
Ad es. non potresti all'interno del rack montare dei quadri tradizionali per automazione in metallo (schermatura) separati dal rack con distanziali isolanti? ci sono molti accessori per le barre in rame nei quadri che magari potresti riutilizzare per il tuo scopo.
"
In un rack standard 19" ho vari componenti elettrici ed elettronici che fanno riferimento a 2 UPS montati esternamente al rack stesso.
Per questioni di monitoraggio/verifiche mi interessa che i circuiti di messa a terra di tutte le masse, pur facendo capo ad una stessa barra equipotenziale EBB esterna al rack, siano solo al massimo 3 e siano separati per tutto quanto afferisce a ciascun UPS: il primo per l'UPS1, il secondo per l'UPS2 ed eventualmente un terzo per il rack metallico se dovesse questo risultare una massa.
Quasi sicuramente le sezioni dedicate a ciascun UPS dovranno essere schermate da interferenze elettromagnetiche e vorrei che anche esse afferiscano per competenza ai circuiti di messa a terra di ciascun UPS
"
Se la domanda è essenzialmente questa, potresti darci le caratteristiche meccaniche di tutti gli elementi che devi inserire nel quadro?
Si installano su guida DIN? sono moduli da 19" standard? situazioni miste? quali elementi sono a doppio isolamento? gli UPS hanno cavi specifici? sono collegati con prese o morsettiere? pensi di usare cavi schermati nel tratto da QEF a UPSx e viceversa?
Ad es. non potresti all'interno del rack montare dei quadri tradizionali per automazione in metallo (schermatura) separati dal rack con distanziali isolanti? ci sono molti accessori per le barre in rame nei quadri che magari potresti riutilizzare per il tuo scopo.
1
voti
In più, come vedi dallo schema, si adotta un trasformatore di isolamento come filtro passa basso per eliminare ulteriori disturbi di modo comune.
28 messaggi
• Pagina 2 di 3 • 1, 2, 3
Torna a Impianti, sicurezza e quadristica
Chi c’è in linea
Visitano il forum: Nessuno e 200 ospiti

Elettrotecnica e non solo (admin)
Un gatto tra gli elettroni (IsidoroKZ)
Esperienza e simulazioni (g.schgor)
Moleskine di un idraulico (RenzoDF)
Il Blog di ElectroYou (webmaster)
Idee microcontrollate (TardoFreak)
PICcoli grandi PICMicro (Paolino)
Il blog elettrico di carloc (carloc)
DirtEYblooog (dirtydeeds)
Di tutto... un po' (jordan20)
AK47 (lillo)
Esperienze elettroniche (marco438)
Telecomunicazioni musicali (clavicordo)
Automazione ed Elettronica (gustavo)
Direttive per la sicurezza (ErnestoCappelletti)
EYnfo dall'Alaska (mir)
Apriamo il quadro! (attilio)
H7-25 (asdf)
Passione Elettrica (massimob)
Elettroni a spasso (guidob)
Bloguerra (guerra)





