Salve a tutti ho un problema e se è possibile vorrei il vostro aiuto Ho realizzato una scheda con dei relè per controllare la 220 V
in questa scheda che allego lo schema che ho realizzato da una parte entra la 220 V da un'altra parte entra la 24 V e da un'altra parte entra i pin di un microcontrollere in questo caso arduino ora vi vorrei chiedere se i collegamenti che ho fatto vanno bene perché non vorrei rischiare di bruciare arduino se fino ad ora ho collegato tutto bene vi devo chiedere il gnd (negativo) di arduino dove lo devo collegare in più il negativo che arriva dalla 220 v dove va collegato per questo ultimo negativo della 220 v penso ma non ne sono sicuro e se sbaglio vi prego di correggermi ho pensato che lo devo collegare direttamente alle prese 220 v fuori dalla scheda che ho fatto spero che qualcuno di voi ne sa più di me e mi possa aiutare vi ringrazio anticipatamente.
Microcontrollore + scheda relè
Moderatore:
Paolino
0
voti
Ultima modifica di
Candy il 7 gen 2012, 12:08, modificato 1 volta in totale.
Motivazione: rimossa immagine brush.
Motivazione: rimossa immagine brush.
-

simon77blitz
15 1 4 - Messaggi: 32
- Iscritto il: 7 gen 2012, 11:31
0
voti
Accidenti, che pastrocchio!
Qualche consiglio:
1) disegna il circuito usando FIDOCADJ. Non è per nulla difficile il suo utilizzo!
2) la tensione di rete 230V è alternata: non ha negativo.
3) riordina un po' le idee.
Dopo che hai passato il punto 1) rispondi al topic allegando il disegno.
Ciao.
Paolo.
Qualche consiglio:
1) disegna il circuito usando FIDOCADJ. Non è per nulla difficile il suo utilizzo!
2) la tensione di rete 230V è alternata: non ha negativo.
3) riordina un po' le idee.
Dopo che hai passato il punto 1) rispondi al topic allegando il disegno.
Ciao.
Paolo.
"Houston, Tranquillity Base here. The Eagle has landed." - Neil A.Armstrong
-------------------------------------------------------------
PIC Experience - http://www.picexperience.it
-------------------------------------------------------------
PIC Experience - http://www.picexperience.it
-

Paolino
32,6k 8 12 13 - G.Master EY

- Messaggi: 4226
- Iscritto il: 20 gen 2006, 11:42
- Località: Vigevano (PV)
0
voti
grazie per i consigli sono veramente un grande appassionato ma sono alle prime esperienze e non vorrei combinare qualche danno ad arduiono o provato a ridisegnare lo schema con FidoCad se non lo fatto bene mi dovete scusare ma è la prima volta che lo uso spero che mi possiate aiutare magari se quello che ho fatto di schema non va bene i collegamenti vi chiedo se chi ne sa più di me mi può dare lo schema giusto
-

simon77blitz
15 1 4 - Messaggi: 32
- Iscritto il: 7 gen 2012, 11:31
0
voti
Ciao.
Paolo.
Edit: usa i simboli corretti per i componenti, mi raccomando!
"Houston, Tranquillity Base here. The Eagle has landed." - Neil A.Armstrong
-------------------------------------------------------------
PIC Experience - http://www.picexperience.it
-------------------------------------------------------------
PIC Experience - http://www.picexperience.it
-

Paolino
32,6k 8 12 13 - G.Master EY

- Messaggi: 4226
- Iscritto il: 20 gen 2006, 11:42
- Località: Vigevano (PV)
0
voti
Per la 220 V non si parla di polarità ma di fase e neutro 

-

milan1996pato2
851 3 10 13 - Sostenitore

- Messaggi: 1062
- Iscritto il: 4 ago 2011, 17:42
0
voti
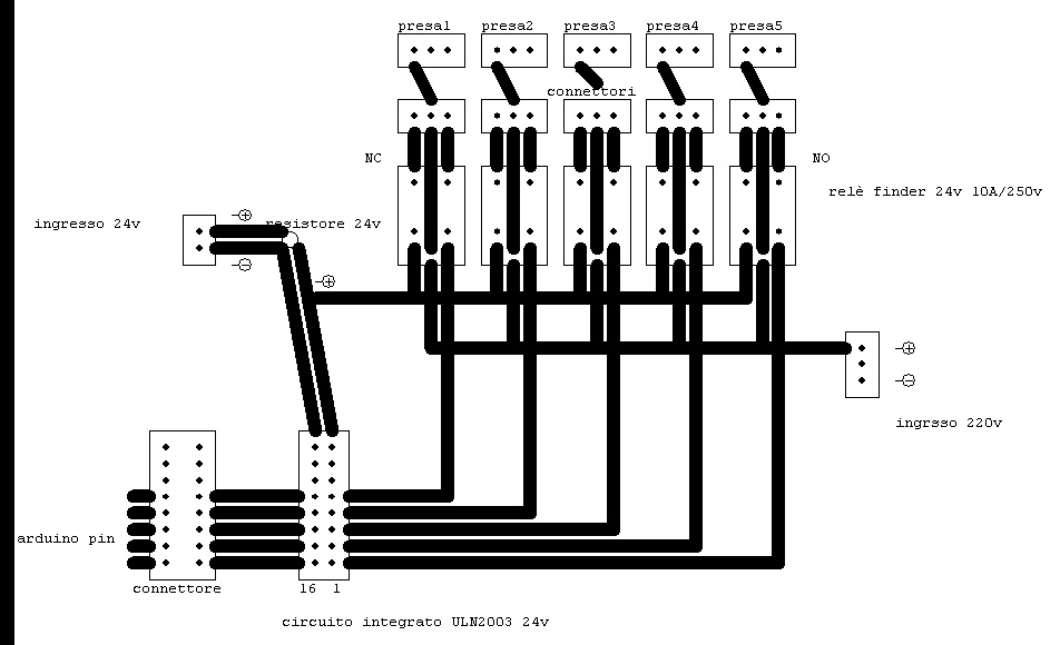
Mi dovete proprio scusare sono alle prime armi e meglio di cosi non riesco per ora a fare lo schema ma penso che si capisce molto bene quello che ho fatto ora vi spiego il rosso è corrente a 24 V - il blu è corrente 220 V .
ora provo a spiegarmi meglio il relè a 5 piedini dalla parte dei tre piedini in quello centrale lo collegato all'ingresso positivo 220 V e al connettore dove andranno poi le prese gli altri due piedini laterali uno lo collegato alla 24 V e l'altro lo collegato al circuito integrato invece da l'altra parte dove ci sono solo due piedini il NO lo collegato al morsetto(connettore) sempre dove poi andranno le prese.
al circuito integrato da una parteho collegato il positivo 24 V e da l'altra il negativo
tra tutto questo casino che ho fatto non lo so se ho fatto bene ora se qualcuno di voi riesce a dirmi se ho fatto tutto bene mi può dire dove va il GND di arduino e se va bene che il negativo della 220 V va collegato direttamente alle lampadine o da un'altra parte in più il piedino NC del relè dove e se lo devo collegare aiutatemi mi sto incasinando e non riesco a venirne fuori
ora provo a spiegarmi meglio il relè a 5 piedini dalla parte dei tre piedini in quello centrale lo collegato all'ingresso positivo 220 V e al connettore dove andranno poi le prese gli altri due piedini laterali uno lo collegato alla 24 V e l'altro lo collegato al circuito integrato invece da l'altra parte dove ci sono solo due piedini il NO lo collegato al morsetto(connettore) sempre dove poi andranno le prese.
al circuito integrato da una parteho collegato il positivo 24 V e da l'altra il negativo
tra tutto questo casino che ho fatto non lo so se ho fatto bene ora se qualcuno di voi riesce a dirmi se ho fatto tutto bene mi può dire dove va il GND di arduino e se va bene che il negativo della 220 V va collegato direttamente alle lampadine o da un'altra parte in più il piedino NC del relè dove e se lo devo collegare aiutatemi mi sto incasinando e non riesco a venirne fuori
-

simon77blitz
15 1 4 - Messaggi: 32
- Iscritto il: 7 gen 2012, 11:31
0
voti
Saltando tutta la parte relativa al fatto che ti abbiamo chiesto uno SCHEMA ELETTRICO e non un disegnino di spine e fili:
no che non hai fatto bene!
Ma accidenti, ma perché non ti informi prima di fare i collegamenti a CASO?
Con quel circuito distruggi alimentatore, arduino e soprattutto rischi anche di lasciarci le penne
edit:
Da quel che ho capito del tuo disegno hai collegato la tensione di rete ai contatti di scambio, collegati a loro volta ad arduino e al generatore.
E' necessario che tu cominci a fornirci prima di tutto lo schema elettrico, fatto in FidoCADJ con i simboli appropriati e poi anche il modello del relè.
no che non hai fatto bene!
Ma accidenti, ma perché non ti informi prima di fare i collegamenti a CASO?
Con quel circuito distruggi alimentatore, arduino e soprattutto rischi anche di lasciarci le penne
edit:
Da quel che ho capito del tuo disegno hai collegato la tensione di rete ai contatti di scambio, collegati a loro volta ad arduino e al generatore.
E' necessario che tu cominci a fornirci prima di tutto lo schema elettrico, fatto in FidoCADJ con i simboli appropriati e poi anche il modello del relè.
"Computers, operating systems, networks are a hot mess. They're barely manageable, even if you know a decent amount about what you're doing. Nine out of ten software engineers agree: it's a miracle anything works at all."
@fasterthanlime
@fasterthanlime
0
voti
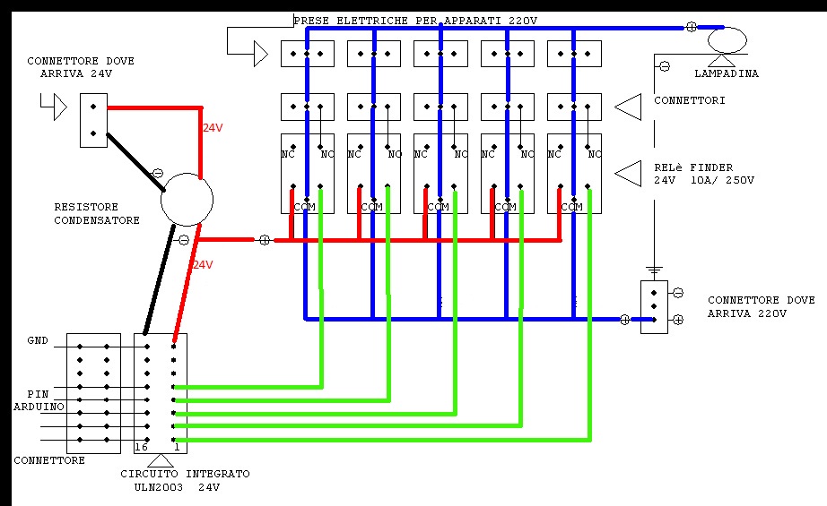
vi chiedo scusa e piano piano cercherò di imparare ad usare meglio FIDOCAD ma non riesco neanche a caricarllo qui nel forum per ora...
il progetto che sto realizzando è che arduino tramite un codice che gli ho inserito deve accendere o spegnere delle utenze che vanno a 220 V (il finale che devo raggiungere è questo).....
lo schema lo avevo preso da un'altra utente e tramite consigli di altri ho cercato di modificarllo per mie esigenze ma non sono molto pratico il materiale che ho è il seguente
-5 relè della finder 36.11.9.024.0000 24 V 10A/250v
-5 connettori a tre vie ( dove poi ci andra collegate le prese)
-1 Condensato- re Elettrolitico verticale 100uF/35V
-1 Circuito Integrato ULN2003A 24 V
-1 Connettore 1 via a saldare (dove ci andra un alimentatore a 24 V)
-1 Connettore a 3 vie dove ci si colleghera l'ingresso della 220 V
-1 Connettore IDC 16 pin maschio (da qui usciranno i fili che andranno ai rispettivi pin e al GND di arduino)
vi allego il link
http://www.presepioelettronico.it/tecni ... allela.htm
in pratica devo in qualche modo trovare un sistema che tramite arduino io possa accendere o spegnere delle luci o altro che vanno alla 220 V
il progetto che sto realizzando è che arduino tramite un codice che gli ho inserito deve accendere o spegnere delle utenze che vanno a 220 V (il finale che devo raggiungere è questo).....
lo schema lo avevo preso da un'altra utente e tramite consigli di altri ho cercato di modificarllo per mie esigenze ma non sono molto pratico il materiale che ho è il seguente
-5 relè della finder 36.11.9.024.0000 24 V 10A/250v
-5 connettori a tre vie ( dove poi ci andra collegate le prese)
-1 Condensato- re Elettrolitico verticale 100uF/35V
-1 Circuito Integrato ULN2003A 24 V
-1 Connettore 1 via a saldare (dove ci andra un alimentatore a 24 V)
-1 Connettore a 3 vie dove ci si colleghera l'ingresso della 220 V
-1 Connettore IDC 16 pin maschio (da qui usciranno i fili che andranno ai rispettivi pin e al GND di arduino)
vi allego il link
http://www.presepioelettronico.it/tecni ... allela.htm
in pratica devo in qualche modo trovare un sistema che tramite arduino io possa accendere o spegnere delle luci o altro che vanno alla 220 V
-

simon77blitz
15 1 4 - Messaggi: 32
- Iscritto il: 7 gen 2012, 11:31
Torna a Realizzazioni, interfacciamento e nozioni generali.
Chi c’è in linea
Visitano il forum: Nessuno e 2 ospiti

Elettrotecnica e non solo (admin)
Un gatto tra gli elettroni (IsidoroKZ)
Esperienza e simulazioni (g.schgor)
Moleskine di un idraulico (RenzoDF)
Il Blog di ElectroYou (webmaster)
Idee microcontrollate (TardoFreak)
PICcoli grandi PICMicro (Paolino)
Il blog elettrico di carloc (carloc)
DirtEYblooog (dirtydeeds)
Di tutto... un po' (jordan20)
AK47 (lillo)
Esperienze elettroniche (marco438)
Telecomunicazioni musicali (clavicordo)
Automazione ed Elettronica (gustavo)
Direttive per la sicurezza (ErnestoCappelletti)
EYnfo dall'Alaska (mir)
Apriamo il quadro! (attilio)
H7-25 (asdf)
Passione Elettrica (massimob)
Elettroni a spasso (guidob)
Bloguerra (guerra)

