Cos'è ElectroYou | Login Iscriviti

ElectroYou - la comunità dei professionisti del mondo elettrico

Interfacciare pre e finale.... auto oscilla

hi-fi, luci, suoni, effetti speciali, palcoscenici...

Moderatore: Foto UtenteIsidoroKZ

-1
voti

[1] Interfacciare pre e finale.... auto oscilla

Messaggioda Foto Utentealienspice » 20 gen 2012, 0:32

Ciao a tutti,
ho costruito due semplici circuiti, che ad occhio dovrebbero andare al primo colpo, ma… :roll:

Il primo è un preamplificatore per microfono bilanciato, il secondo un amplificatorino finale: attacco un microfono ad una vecchia tromba (4 ohm) :ok: .

Presi uno alla volta funzionano egregiamente; il pre, se collegato in ingresso ad un sistema di casse amplificate da PC, preamplifica a basso rumore e con un buon timbro, il finale, se pilotato da una sorgente con uscita a livello di linea, amplifica per quello che può, ma lo fa bene.

Quando li collego insieme inizia ad auto oscillare non so esattamente cosa, fatto sta che emette una :oops: reggia ad una frequenza abbastanza bassa (200 Hz ad orecchio) modulata come una RRRR. :shock:

Ho provato a caricare l'uscita del pre con una con una 10k verso massa, ma non è cambiato niente.
I due hanno la stessa alimentazione e nello stampato le masse sono tutte in comune (con entrambi i lati della basetta "riempiti" di massa).
Linko gli schemi come jpg perché gli originali sono in kikad e non so come portarli a fido. :^o

Spero che qualcuno possa darmi una zampa perché sono allo strenuo… non capisco, #-o ....e non capisco perché non capisco... ?%

il preamplificatore:
premicrofonico3.jpg
premicrofonico3.jpg (38.66 KiB) Osservato 10584 volte



e l'ampli:
amplificatore20w4.jpg
amplificatore20w4.jpg (49.86 KiB) Osservato 10584 volte


Edit CC: inserite immagini in linea.
Avatar utente
Foto Utentealienspice
18 4
New entry
New entry
 
Messaggi: 89
Iscritto il: 21 mar 2010, 1:02

0
voti

[2] Re: Interfacciare pre e finale.... auto oscilla

Messaggioda Foto Utentealev » 20 gen 2012, 7:49

Gli schemi e le immagini con link su siti esterni non sono gradite a causa delle pubblicità che tocca sorbirsi.

Se vuoi essere aiutato nel risolvere il problema, devi inserire lo schema mediante FidoCadJ.
Avatar utente
Foto Utentealev
5.993 2 9 12
free expert
 
Messaggi: 6281
Iscritto il: 19 lug 2010, 14:38
Località: Altrove

2
voti

[3] Re: Interfacciare pre e finale.... auto oscilla

Messaggioda Foto Utentecarloc » 20 gen 2012, 13:35

alienspice ha scritto:[...]
Linko gli schemi come jpg perché gli originali sono in kikad e non so come portarli a fido. :^o
[...]


Non c'è modo di portarli, vanno ridisegnati :D , comunque, non me voglia Foto Utentealev te li ho inseriti come immagine almeno ci sganciamo da server esterni. Credo che in casi come questi, dove lo schema è relativamente "esteso" e non oggetto di discussione nel suo dettaglio, un po' di elasticità non guasti ;-)

Veniamo al dunque... direi un classico caso di motorboating che, anche se wikipedia non è d'accordo :? , è un'autoscillazione a bassa frequenza tipica dei circuiti audio dovuta ad una reazione positiva tipicamente tramite la linea di alimentazione...

soluzione:
intanto varei alcune perplessità su quei circuiti, in primiss mi pare che il guadagno totale della catena sia un po' troppo elevato anche per un microfono, così a spanne il pre guadagna intorno a 600 V/V poi il finale ancora 333V/V e dato che l'uscita vale al massimo in valore efficace \frac{12\;\text{V}}{\sqrt{2}}\approx 8.5\;\text{V} avresti piena potenza già con \frac{8.5\;\text{V}}{600\times 333}\approx0.04\:\text{mV}

poi quel potenziometro del guadagno sul finale... non mi piace collegato a quel modo e BTW anche il finale a ponte si potrebbe fare con una resistenza in meno...ma lasciamo perdere...

comunque i punti chiave sono due...

layout: dovresti farci capire come sono collegati i componenti e i cavi di connessione...il fatto che la massa sia un piano continuo non mette del tutto al riparo da loop

filtrare: io proverei in prima istanza a filtare con un RC passabasso l'alimentazione del pre che mi pare avere una reizione all'alimentazione molto bassa, cioè aumenterei C29 e metterei qualche centinaio di ohn in serie al positivo...
Se ti serve il valore di beta: hai sbagliato il progetto!
Avatar utente
Foto Utentecarloc
33,8k 6 11 13
G.Master EY
G.Master EY
 
Messaggi: 2153
Iscritto il: 7 set 2010, 19:23

0
voti

[4] Re: Interfacciare pre e finale.... auto oscilla

Messaggioda Foto Utentealev » 20 gen 2012, 14:43

carloc ha scritto:Credo che in casi come questi, dove lo schema è relativamente "esteso" e non oggetto di discussione nel suo dettaglio, un po' di elasticità non guasti ;-)

Sono di parere opposto, ma non fa nulla ;-)
Avatar utente
Foto Utentealev
5.993 2 9 12
free expert
 
Messaggi: 6281
Iscritto il: 19 lug 2010, 14:38
Località: Altrove

3
voti

[5] Re: Interfacciare pre e finale.... auto oscilla

Messaggioda Foto Utenteclaudiocedrone » 20 gen 2012, 14:53

Buongiorno; a naso,senza vedere alcuno schema e basandomi sulla tua affermazione che presi singolarmente i due circuiti sembrano funzionare e il problema si presenta quando li unisci,presumo che quello che tu interpreti come una autooscillazione sugli "a orecchio 200 Hz" (circa il SOL terza corda a vuoto della chitarra? Non è una frequenza poi così"bassa"da assomigliare a un peto!) sia in realtà un "rientro" di alternata (o meglio in questo caso pulsante perché dopo il "raddrizzatore") della alimentazione a 100 Hz (circa il SOL sesta corda,terzo tasto della chitarra,per non mettere troppo in dubbio il tuo"orecchio"!) dovuto a qualche collegamento "di troppo" a massa che crea un bel loop nel quale la alternata si tuffa a capofitto che è un piacere (per lei!),favorito dal fatto di avere la alimentazione in comune ai due circuiti,prova quindi a ricontrollare i cablaggi (masse dei circuiti e di alimentazione ed eventuali "messe a terra") dei circuiti accoppiati e considerati come un tuttuno! Per il resto; con le descrizioni a parole non si va molto lontano, meglio delle buone immagini! Per quanto riguarda la conversione tra i vari CAD è semplice; mettiti davanti una immagine del circuito nel formato che più ti aggrada e ricopiala disegnandola con fidocadJ ! p.s. Mi scuso con carloc ma sono una vera lumaca con la tastiera del PC ! Ho iniziato a scrivere prima della sua risposta e ho finito solo adesso! Vi saluto e vado a pranzo!
Avatar utente
Foto Utenteclaudiocedrone
21,3k 4 7 9
Master EY
Master EY
 
Messaggi: 15300
Iscritto il: 18 gen 2012, 13:36

0
voti

[6] Re: Interfacciare pre e finale.... auto oscilla

Messaggioda Foto UtenteDirtyDeeds » 20 gen 2012, 15:05

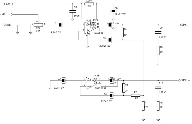
Ma com'è connesso RV1 nell'amplificatore?!
It's a sin to write sin instead of \sin (Anonimo).
...'cos you know that cos ain't \cos, right?
You won't get a sexy tan if you write tan in lieu of \tan.
Take a log for a fireplace, but don't take log for \logarithm.
Avatar utente
Foto UtenteDirtyDeeds
55,9k 7 11 13
G.Master EY
G.Master EY
 
Messaggi: 7012
Iscritto il: 13 apr 2010, 16:13
Località: Somewhere in nowhere

0
voti

[7] Re: Interfacciare pre e finale.... auto oscilla

Messaggioda Foto UtenteLelettrico » 20 gen 2012, 17:45

Foto Utentealienspice Spero che qualcuno possa darmi una zampa perché sono allo strenuo… non capisco, #-o ....e non capisco perché non capisco... ?%

Fai finta di aver implementato la versione senza bootstrap, se piazzi un 220 uF fra 9 e 6 cambia qualcosa?
O_/
Avatar utente
Foto UtenteLelettrico
2.458 1 4 6
Master
Master
 
Messaggi: 1108
Iscritto il: 13 set 2010, 12:24

0
voti

[8] Re: Interfacciare pre e finale.... auto oscilla

Messaggioda Foto Utenteclaudiocedrone » 20 gen 2012, 20:01

Salve a tutti;bene bene,si comincia a sindacare sugli schemi! Per quanto riguarda il finale;scusate l'ignoranza,ma a cosa servirebbe un elettrolitico tra 9 e 6 ? Cioè,non è la stessa cosa che metterlo tra +V e ground in un altro punto qualsiasi a monte dello IC ? Per quanto concerne il pre,mi pare di vedere un ingresso bilanciato dove mic in+ e mic in- li interpreto come hot e cold , dove è shield ? Ah,forse è fuori immagine ! Piuttosto dove è il necessario condensatore di bypass tra V+ e ground dello TL 071 quà si il più vicino possibile ai piedini ? Scappo che chiama mia moglie ! Ciao !
Avatar utente
Foto Utenteclaudiocedrone
21,3k 4 7 9
Master EY
Master EY
 
Messaggi: 15300
Iscritto il: 18 gen 2012, 13:36

1
voti

[9] Re: Interfacciare pre e finale.... auto oscilla

Messaggioda Foto Utentealienspice » 21 gen 2012, 14:49

alev ha scritto:Gli schemi e le immagini con link su siti esterni non sono gradite a causa delle pubblicità che tocca sorbirsi.

Scusami, ma pensa te, come a volte cercando di fare bene .... pensavo: "le carico su image shack in modo da non appesantire il motore del forum, do atto comunque che con fidocad tutto si alleggerisce.


carloc ha scritto:
Non c'è modo di portarli, vanno ridisegnati

SPeravo di riuscire a passargli la net list... :cry: oh, se proprio da fastidio mi rimetto li a ridisegnare il tutto a fido, non voglio urtare nessuno.


carloc ha scritto: Veniamo al dunque... direi un classico caso di motorboating

Si! Proprio lui, esattamente come padre e figlio che all'alba si allontanano con la barchetta sul lago per andare a pescare.... RRRRRRR


carloc ha scritto:soluzione:
intanto varei alcune perplessità su quei circuiti, in primiss mi pare che il guadagno totale della catena sia un po' troppo elevato anche per un microfono, così a spanne il pre guadagna intorno a 600 V/V poi il finale ancora 333V/V e dato che l'uscita vale al massimo in valore efficace \frac{12\;\text{V}}{\sqrt{2}}\approx 8.5\;\text{V} avresti piena potenza già con \frac{8.5\;\text{V}}{600\times 333}\approx0.04\:\text{mV}

Vero guadagna tanto, ma è abbastanza silenzioso (preso da solo) e funziona anche con un microfono duretto, se poi mi porta problemi vedo di abbassare il guadagno degli ultimi 2 transistor


carloc ha scritto:poi quel potenziometro del guadagno sul finale... non mi piace collegato a quel modo e BTW anche il finale a ponte si potrebbe fare con una resistenza in meno...ma lasciamo perdere...

in effetti è inguardabile, il circuito è preso pari pari dal datasheet e mi sono scappate un paio di cosette tipo quella.


carloc ha scritto:layout: dovresti farci capire come sono collegati i componenti e i cavi di connessione...il fatto che la massa sia un piano continuo non mette del tutto al riparo da loop

è tutto montato sullo stesso stampato insieme ad un lettore audio su PIC con una manciata di 555 e di relais per gestire segnali, alimentazioni e comandi.
Per quanto riguarda i due schemi che ho proposto: i due circuiti sono stati posti molto vicini sullo stampato, non ci sono cavi, i due potenziometri sono ancora allo stato di trimmer montati direttamente sulla scheda, vedrò in un secondo tempo se tirarli fuori a pannello.
Le linee di BF audio girano sullo stampato sempre circondate dal piano di massa e da pre a finale il segnale percorre pochi cm (e un relais per la selezione delle sorgenti).


carloc ha scritto:filtrare: io proverei in prima istanza a filtare con un RC passabasso l'alimentazione del pre che mi pare avere una reizione all'alimentazione molto bassa, cioè aumenterei C29 e metterei qualche centinaio di ohn in serie al positivo...

quindi praticamente ripeto il filtro che ho disegnato per l'alimentazione del TL071, solo un po' più "profondo" e a monte dell'alimentazione del blocco pre... stasera ci provo, se serve posso anche postare una o due foto dello stampato.


claudiocedrone ha scritto:Per quanto concerne il pre,mi pare di vedere un ingresso bilanciato dove mic in+ e mic in- li interpreto come hot e cold , dove è shield ?

è bilanciato, come hai detto... quindi la massa è opzionale lungo la linea, invece una volta che sbilanci la massa serve da riferimento e deve esserci.
All'atto pratico dello schema che ho proposto, la massa è invece presente ovunque, anche nella linea che va dal microfono al pre, anche se nello schema è sottointesa

Piuttosto dove è il necessario condensatore di bypass tra V+ e ground dello TL 071 quà si il più vicino possibile ai piedini ? [/quote]
hai ragione, ho messo C23, ma in effetti non è vicino, aggiungo un 100 nF ceramico direttamente sui piedini, anche se non è l'op amp il responsabile del motorboating, l'ho tolto dallo zoccolo e l'oscillazione rimane.



Oh, grazie a tutti per gli aiuti! :ok:
Avatar utente
Foto Utentealienspice
18 4
New entry
New entry
 
Messaggi: 89
Iscritto il: 21 mar 2010, 1:02

0
voti

[10] Re: Interfacciare pre e finale.... auto oscilla

Messaggioda Foto Utentealienspice » 25 gen 2012, 2:00

E allora avevi ragione Carloc! =D> :ok: =D>

Ho inserito il passabasso sull'alimentazione del preamplificatore con R=330 ohm e C=100uF (o meglio sono arrivato a quei valori partendo da 100 ohm e 47 uF) e il motorboating è sparito. :D

Ho notato che filtrando meno l'oscillazione interveniva oltre un certo guadagno dell'amplificatore, quindi immagino che sia comunque latente e interviene in funzione dell'assorbimento del finale.
Quindi chiedo: devo filtrare anche l'alimentazione del finale?
Facendo così però non abbasso poi la tensione di alimentazione e quindi il guadagno dell'amplificatore?

Intanto grazie!
Avatar utente
Foto Utentealienspice
18 4
New entry
New entry
 
Messaggi: 89
Iscritto il: 21 mar 2010, 1:02

Prossimo

Torna a Elettronica e spettacolo

Chi c’è in linea

Visitano il forum: Nessuno e 7 ospiti