ciao ragazzi,
mi hanno venduto delle barre a led usate (ho preso una fregatura ma ormai è tardi)ogni barra ha 5 led da 12volt (spero) all'interno della barra ho visto che c'è questo cercuito ho provato a capirlo ma dasolo non riesco mi date una mano?
grazie mille
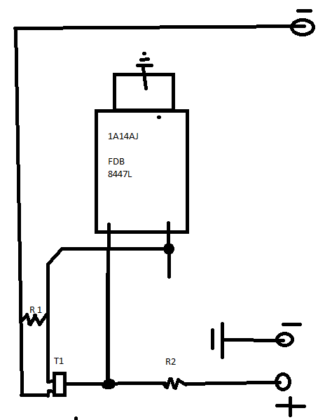
vi dico cosa c'è scritto sopra alle resistenze e al transistor
R1=r560
r2=1003
t1=piccolissimo credo di intraleggere 1Et
ho il tester quindi chiedetemi ogni cosa
identificazione circuito
Moderatori:
carloc,
g.schgor,
BrunoValente,
IsidoroKZ
9 messaggi
• Pagina 1 di 1
-1
voti
dimaios ha scritto:Magari una foto macro di fronte e retro della scheda aiuterebbe.
cavolo ho preparato lo schema e non l'ho postato...
ecco qui!
- Allegati
-
- SCHEMA.png (10.58 KiB) Osservato 9270 volte
0
voti
passo88 ha scritto:cavolo ho preparato lo schema e non l'ho postato...
...wow!
Schemi in FidoCADJ, per il bene degli occhi di tutti.
Qui la guida: http://www.electroyou.it/elettrodomus/w ... -per-tonni
E comunque:
dimaios ha scritto:una foto macro di fronte e retro della scheda aiuterebbe.
"Computers, operating systems, networks are a hot mess. They're barely manageable, even if you know a decent amount about what you're doing. Nine out of ten software engineers agree: it's a miracle anything works at all."
@fasterthanlime
@fasterthanlime
0
voti
nel mosfet ho aggiunto io il diodo perché non c'era in fidocadj ma nel datascheet su internet c'è, mentre il transistor non l'ho identificato perché è piccolo ma se mi dite come identificarlo col tester lo faccio
grazie
grazie
9 messaggi
• Pagina 1 di 1
Chi c’è in linea
Visitano il forum: Nessuno e 54 ospiti

Elettrotecnica e non solo (admin)
Un gatto tra gli elettroni (IsidoroKZ)
Esperienza e simulazioni (g.schgor)
Moleskine di un idraulico (RenzoDF)
Il Blog di ElectroYou (webmaster)
Idee microcontrollate (TardoFreak)
PICcoli grandi PICMicro (Paolino)
Il blog elettrico di carloc (carloc)
DirtEYblooog (dirtydeeds)
Di tutto... un po' (jordan20)
AK47 (lillo)
Esperienze elettroniche (marco438)
Telecomunicazioni musicali (clavicordo)
Automazione ed Elettronica (gustavo)
Direttive per la sicurezza (ErnestoCappelletti)
EYnfo dall'Alaska (mir)
Apriamo il quadro! (attilio)
H7-25 (asdf)
Passione Elettrica (massimob)
Elettroni a spasso (guidob)
Bloguerra (guerra)





