Ciao a tutti rieccomi all'opera dopo un lungo periodo di pausa forzata.
Ho la necessità di costruire 2 ponte H per far muovere un robot. Ho gia provato qualche schema trovato in rete ma la potenza erogata si limita a qualche ampere mentre avrei bisogno di almeno 30A continui e più di 100A di picco a 12V.
Questo dovrebbe essere comandato con Arduino ed essere in grado di rilevare l'assorbimento.
Ma andiamo con ordine:
Ho cercato di assemblare 4 mosfet come in molti suggerimenti dati da Google ma non sono riuscito a fare granchè, nel senso che non riesco a capire come portarli a saturazione in modo corretto.
per adesso vorrei "controllare" un mosfet tramite PWM di arduino. In casa ho IRF540N - F9540N - IRF540& - IRFZ48N.
Ho cercato di informarmi tramite qualche tutorial ma credo di aver fatto solo confusione....
Nono voglio "pappa pronta" voglio capire e imparare per poter camminare con le mie gambe, se poi zoppico pazienza.
H-bridge
Moderatori:
carloc,
g.schgor,
BrunoValente,
IsidoroKZ
12 messaggi
• Pagina 1 di 2 • 1, 2
0
voti
[2] Re: H-bridge
Non ho capito se hai bisogno di un aiuto nel posizionare i componenti.
Quanti sono bit di comando?
100A non sono pochi. Penso che una soluzione potrebbe essere anche quella di mettere i transistori in parallelo, ma per questo dettaglio forse è meglio aspettare un parere più esperto o cercare info a riguardo.
Non ho cercato i datasheet dei componenti, ma non sarebbe male che vengano linkati sempre dall'OP.
Quanti sono bit di comando?
100A non sono pochi. Penso che una soluzione potrebbe essere anche quella di mettere i transistori in parallelo, ma per questo dettaglio forse è meglio aspettare un parere più esperto o cercare info a riguardo.
Non ho cercato i datasheet dei componenti, ma non sarebbe male che vengano linkati sempre dall'OP.
0
voti
[4] Re: H-bridge
IRF540N - F9540N - IRF540& - IRFZ48N.
qui sopra i link ai MOS in mio possesso...
Per bit di comando intendi le uscite di arduino?
Io intendevo usarne meno possibile, quindi due...
il mio problema è pilotare un mosfet in modo corretto utilizzando 5v max 50mA. Al fine poi di costruire un ponte H che non dia problemi.
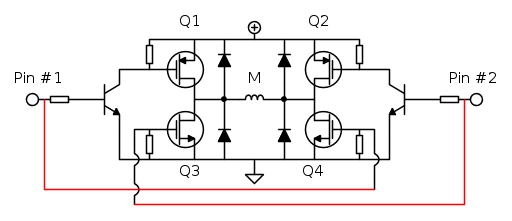
Questo è quello che dovrei fare
qui sopra i link ai MOS in mio possesso...
Per bit di comando intendi le uscite di arduino?
Io intendevo usarne meno possibile, quindi due...
il mio problema è pilotare un mosfet in modo corretto utilizzando 5v max 50mA. Al fine poi di costruire un ponte H che non dia problemi.
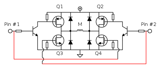
Questo è quello che dovrei fare
0
voti
[5] Re: H-bridge
spud ha scritto:Non conviene usare dei relè?
Avevo pensato a questa soluzione ma non mi piacciono le scintille sui contatti
Scherzi a parte con un relè non avrei un controllo avanti/indietro molto rapido, non avrei poi la possibilità di usare il freno.
0
voti
[6] Re: H-bridge
Se sono 50mA vedi questo schema
viewtopic.php?f=1&t=33009&hilit=+driver+PWM&start=60#p283578
Per gli NMOS al momento mi vengono in mente gli IRLZ44N, per i PMOS al momento nada, fai una ricerca e poi si vede..
viewtopic.php?f=1&t=33009&hilit=+driver+PWM&start=60#p283578
Per gli NMOS al momento mi vengono in mente gli IRLZ44N, per i PMOS al momento nada, fai una ricerca e poi si vede..
0
voti
[10] Re: H-bridge
gohan ha scritto:Forse era meglio che postassi un circuito con una batteria ed una resistenza?
Sarcasmo?
12 messaggi
• Pagina 1 di 2 • 1, 2
Chi c’è in linea
Visitano il forum: Nessuno e 173 ospiti

Elettrotecnica e non solo (admin)
Un gatto tra gli elettroni (IsidoroKZ)
Esperienza e simulazioni (g.schgor)
Moleskine di un idraulico (RenzoDF)
Il Blog di ElectroYou (webmaster)
Idee microcontrollate (TardoFreak)
PICcoli grandi PICMicro (Paolino)
Il blog elettrico di carloc (carloc)
DirtEYblooog (dirtydeeds)
Di tutto... un po' (jordan20)
AK47 (lillo)
Esperienze elettroniche (marco438)
Telecomunicazioni musicali (clavicordo)
Automazione ed Elettronica (gustavo)
Direttive per la sicurezza (ErnestoCappelletti)
EYnfo dall'Alaska (mir)
Apriamo il quadro! (attilio)
H7-25 (asdf)
Passione Elettrica (massimob)
Elettroni a spasso (guidob)
Bloguerra (guerra)




