é le prima volta che vado ad utilizzare una mille fori, e mi sevirebbe qualche consiglio:
1) Come tagliarla? suggerite qualche metodo particolare?
Ho provato a inciderla lungo le piazzole con un cutter, da un lato e dall'altro e pensavo poi di spezzarla, ma non mi convince molto, ho paura di romperla tutta.
2) come cavetti per i collegamenti, ho preso quelli di un cavo di rete, ma sono sottilissimi, l'anima non si "vede", leggevo di saldare direttamente la guaina, che si dovrebbe scoprire, ma il fatto di "squgliare" la plastica sul reoforo del componente non mi convince...
3) Fare i collegamenti con lo stagno? come e in quali casi è meglio?
4) utilizzare i reofori, o l'anima dei fili scoperti, in questi casi se sovrappongo più fili ( non per creare un contatto) potrebbero esserci problemi?
5) cos'è il wire wrapping, e come si fa?
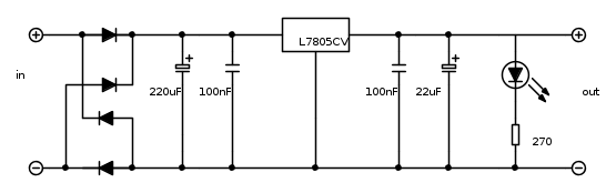
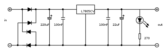
Il circuito che devo fare al momento è semplice, è il circuito per avere l'alimentazione stabilizzata a 5V,
pensavo di disporre i componenti come sullo schema, saldarli e poi effettuare i collegamenti come meglio riesco, anche se non penso sia un buon metodo, ma per iniziare penso vada bene


Elettrotecnica e non solo (admin)
Un gatto tra gli elettroni (IsidoroKZ)
Esperienza e simulazioni (g.schgor)
Moleskine di un idraulico (RenzoDF)
Il Blog di ElectroYou (webmaster)
Idee microcontrollate (TardoFreak)
PICcoli grandi PICMicro (Paolino)
Il blog elettrico di carloc (carloc)
DirtEYblooog (dirtydeeds)
Di tutto... un po' (jordan20)
AK47 (lillo)
Esperienze elettroniche (marco438)
Telecomunicazioni musicali (clavicordo)
Automazione ed Elettronica (gustavo)
Direttive per la sicurezza (ErnestoCappelletti)
EYnfo dall'Alaska (mir)
Apriamo il quadro! (attilio)
H7-25 (asdf)
Passione Elettrica (massimob)
Elettroni a spasso (guidob)
Bloguerra (guerra)








