ciao a tutti.
vorrei mettere alla vostra attenzione il seguente quesito :
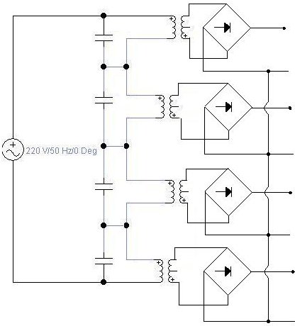
secondo voi con il circuito elettrico allegato è possibile ottenere all'uscita dei trasformatori
delle tensioni sfasate fra loro ?
il circuito è alimentato dalla rete 220 volt
collegata a quattro trasformatori in serie con in parallelo un condensatore
per ognuno di loro .
i valori dei condensatori sono stati messi li a caso e sono da calcolare
naturalmente la tensione di uscita dipende dal rapporto primario secondario dei trsf.
ho provato a vedere cosa succede con il simulatore worckbench (ewb) e all'uscita mi da una tensione sfasata ma non proprio sinusoidale
i valori li ho messi a caso .
di seguito allego il circuito .
ciao grazie .
Quattro trasformatori in serie con condensatori in parallelo
Moderatori:
carloc,
g.schgor,
BrunoValente,
IsidoroKZ
31 messaggi
• Pagina 1 di 4 • 1, 2, 3, 4
0
voti
Ultima modifica di
Candy il 18 giu 2013, 23:24, modificato 2 volte in totale.
Motivazione: Eliminata immagine "lenzuolo" del circuito. Usa fidocadj, grazie ;)
Motivazione: Eliminata immagine "lenzuolo" del circuito. Usa fidocadj, grazie ;)
2
voti
Ciao
arivel.
Dovresti rendere noto, a chi ti vorrà rispondere, il ragionamento che ti ha portato a fare la scelta di mettere quei condensatori.
Sono da calcolare da chi?
Ti consiglio di impostare il calcolo di quei condensatori, così rendi noto, a chi ti vorrà rispondere, il livello della tua preparazione.
Ti consiglio di disegnare il circuito usando Fidocadj.
A questi link trovi alcune guide all' uso.
http://www.electroyou.it/darwinne/wiki/ ... electroyou
http://www.electroyou.it/darwinne/wiki/fidocadj
http://www.electroyou.it/elettrodomus/w ... -per-tonni
Inoltre se devi postare delle formule, ti consiglio di usare LaTex:
http://www.codecogs.com/latex/eqneditor.php
questa è una piccola guida al suo uso:
http://www.electroyou.it/mrc/wiki/intro ... o-di-latex
arivel ha scritto:secondo voi con il circuito elettrico allegato è possibile ottenere all'uscita dei trasformatori
delle tensioni sfasate fra loro ?
Dovresti rendere noto, a chi ti vorrà rispondere, il ragionamento che ti ha portato a fare la scelta di mettere quei condensatori.
arivel ha scritto:...i valori dei condensatori li ho messi a caso e sono da calcolare....
Sono da calcolare da chi?
Ti consiglio di impostare il calcolo di quei condensatori, così rendi noto, a chi ti vorrà rispondere, il livello della tua preparazione.
Ti consiglio di disegnare il circuito usando Fidocadj.
A questi link trovi alcune guide all' uso.
http://www.electroyou.it/darwinne/wiki/ ... electroyou
http://www.electroyou.it/darwinne/wiki/fidocadj
http://www.electroyou.it/elettrodomus/w ... -per-tonni
Inoltre se devi postare delle formule, ti consiglio di usare LaTex:
http://www.codecogs.com/latex/eqneditor.php
questa è una piccola guida al suo uso:
http://www.electroyou.it/mrc/wiki/intro ... o-di-latex
2
voti
Aggiungo che dovresti anzitutto esporre il motivo che ti ha spinto ad escogitare quella disposizione...cosa vorresti ottenere?
-

BrunoValente
39,6k 7 11 13 - G.Master EY

- Messaggi: 7796
- Iscritto il: 8 mag 2007, 14:48
0
voti
ciao .
per quanto riguarda la mia conoscenza dell'elettronica direi che è molto approssimativa , conosco
i componenti discreti e a cosa servono ma se mi chiedete formule misurazioni ecc . non lo so fare.
per quanto riguarda quello che vorrei fare :
l'idea sarebbe quella di creare un alimentatore (sempre che si possa )con un ripple quasi nullo.
per far questo ho pensato a quattro trasformatori con uscite sfasate fra loro in modo da ottenere
le doppie semionde raddrizzate e sfasate dell' immagine allegata ma per renderle e per farle sfasate
ho pensato di mettere dei condensatori di valore diverso l'uno dall'altro in parallelo al primario di ogni trasformatore.
nel primo disegno mancano i ponti diodi che invece ho aggiunto nel secondo.
pero direte voi , ma cosi le uscite vanno in cortocircuito .
vero ma l'intezione è quella di sfruttare solo la parte superiore delle semionde usando un operazionale comparatore
che vada a abilitare una uscita alla volta , nel disegno non l'ho messo ma se è tutto chiaro e si puo fare allora aggiungero
anche quello .
spero di essere stato chiaro ciao grazie .
edit Lele: ho ridimensionato opportunamente ed inserito in linea con testo le immagini da te postate. La prossima volta vedi di utilizzare fidocadj e di inserire immagini di dimensioni ragionavoli. Grazie.
per quanto riguarda la mia conoscenza dell'elettronica direi che è molto approssimativa , conosco
i componenti discreti e a cosa servono ma se mi chiedete formule misurazioni ecc . non lo so fare.
per quanto riguarda quello che vorrei fare :
l'idea sarebbe quella di creare un alimentatore (sempre che si possa )con un ripple quasi nullo.
per far questo ho pensato a quattro trasformatori con uscite sfasate fra loro in modo da ottenere
le doppie semionde raddrizzate e sfasate dell' immagine allegata ma per renderle e per farle sfasate
ho pensato di mettere dei condensatori di valore diverso l'uno dall'altro in parallelo al primario di ogni trasformatore.
nel primo disegno mancano i ponti diodi che invece ho aggiunto nel secondo.
pero direte voi , ma cosi le uscite vanno in cortocircuito .
vero ma l'intezione è quella di sfruttare solo la parte superiore delle semionde usando un operazionale comparatore
che vada a abilitare una uscita alla volta , nel disegno non l'ho messo ma se è tutto chiaro e si puo fare allora aggiungero
anche quello .
spero di essere stato chiaro ciao grazie .
edit Lele: ho ridimensionato opportunamente ed inserito in linea con testo le immagini da te postate. La prossima volta vedi di utilizzare fidocadj e di inserire immagini di dimensioni ragionavoli. Grazie.
Ultima modifica di
Lele_u_biddrazzu il 24 ago 2012, 10:40, modificato 1 volta in totale.
Motivazione: Immagini ridimensionate ed inserite in linea con il testo.
Motivazione: Immagini ridimensionate ed inserite in linea con il testo.
2
voti
Come ti è già stato detto, da me e da
Lele_u_biddrazzu devi postare il disegno del circuito utilizzando FidoCADJ.
In questo modo risulta più facile apportare delle eventuali modifiche, che possono sorgere durante le spiegazioni.
Inoltre usando FidoCADJ, non si corre il rischio di postare delle immagini troppo grandi come nel tuo caso.
Al post n°2 trovi alcuni link in cui è spiegato come usarlo.
In questo modo risulta più facile apportare delle eventuali modifiche, che possono sorgere durante le spiegazioni.
Inoltre usando FidoCADJ, non si corre il rischio di postare delle immagini troppo grandi come nel tuo caso.
Al post n°2 trovi alcuni link in cui è spiegato come usarlo.
0
voti
scusa .
era solo per far capire bene cosa volevo .
e anche perché prima di impegnarmi ad imparare un programma che richiede tempo volevo sapere se si puo fare o no .
ciao .
era solo per far capire bene cosa volevo .
e anche perché prima di impegnarmi ad imparare un programma che richiede tempo volevo sapere se si puo fare o no .
ciao .
1
voti
arivel ha scritto:...era solo per far capire bene cosa volevo...
Come ti ho già spiegato FidoCADJ serve anche per facilitare le risposte, perché si può intervenire sul disegno del circuito apportando le eventuali modifiche, che le spiegazioni richiedono, con molta facilità.
arivel ha scritto:prima di impegnarmi ad imparare un programma che richiede tempo volevo sapere se si puo fare o no .
Se tu non ti vuoi impegnare più di tanto, non pretendere che gli altri si impegnino per te.
Comunque FidoCADJ, come puoi leggere nei link che ti ho postato, è semplicissimo da installare e da usare, se ci metti un attimo di impegno al massimo in una mezz' oretta ( o anche meno ) impari ad usarlo.
Come ti dicevo nel mio post n°5 FidoCADJ, inoltre, evita di postare delle immagini troppo grandi, come è capitato a te.
0
voti
La conversione di un sistema monofase verso uno polifase non funziona, se non a carico costante, utilizzando soli componenti lineari. Occorre passare a sistemi controllati.
Ma, per quel che vuoi fare, meglio rivolgersi ai circuiti con stabilizzatori. Ne è pieno il mondo da lungo tempo.
Ma, per quel che vuoi fare, meglio rivolgersi ai circuiti con stabilizzatori. Ne è pieno il mondo da lungo tempo.
-

Candy
32,5k 7 10 13 - CRU - Account cancellato su Richiesta utente
- Messaggi: 10123
- Iscritto il: 14 giu 2010, 22:54
0
voti
ciao a tutti .
anche se alcune risposte mi sono gia state date e a quanto pare sembra che non sia fattibile ,
per correttezza verso chi amministra il forum ed anche perché mi è stato chiesto , posto il file in fidocadj .Quest' altro è diverso dall' altro ( i condensatori sono in serie).
comunque l'idea era proprio quella di ottenere un' uscita trifase partendo dal monofase
sfruttando lo sfasamento tra corrente e tensione dell'induttanza dei trasformatori .
vorrei aggiungere un' altra cosa :
è vero che ci sono già da una vita gli integrati stabilizzatori ma per certe applicazioni molto esigenti come la musica liquida avere un ripple nullo è molto importante.
ciao e grazie.
anche se alcune risposte mi sono gia state date e a quanto pare sembra che non sia fattibile ,
per correttezza verso chi amministra il forum ed anche perché mi è stato chiesto , posto il file in fidocadj .Quest' altro è diverso dall' altro ( i condensatori sono in serie).
comunque l'idea era proprio quella di ottenere un' uscita trifase partendo dal monofase
sfruttando lo sfasamento tra corrente e tensione dell'induttanza dei trasformatori .
vorrei aggiungere un' altra cosa :
è vero che ci sono già da una vita gli integrati stabilizzatori ma per certe applicazioni molto esigenti come la musica liquida avere un ripple nullo è molto importante.
ciao e grazie.
31 messaggi
• Pagina 1 di 4 • 1, 2, 3, 4
Chi c’è in linea
Visitano il forum: Nessuno e 33 ospiti

Elettrotecnica e non solo (admin)
Un gatto tra gli elettroni (IsidoroKZ)
Esperienza e simulazioni (g.schgor)
Moleskine di un idraulico (RenzoDF)
Il Blog di ElectroYou (webmaster)
Idee microcontrollate (TardoFreak)
PICcoli grandi PICMicro (Paolino)
Il blog elettrico di carloc (carloc)
DirtEYblooog (dirtydeeds)
Di tutto... un po' (jordan20)
AK47 (lillo)
Esperienze elettroniche (marco438)
Telecomunicazioni musicali (clavicordo)
Automazione ed Elettronica (gustavo)
Direttive per la sicurezza (ErnestoCappelletti)
EYnfo dall'Alaska (mir)
Apriamo il quadro! (attilio)
H7-25 (asdf)
Passione Elettrica (massimob)
Elettroni a spasso (guidob)
Bloguerra (guerra)



