salve a tutti,
su un esercizio come questo posso applicare il PSE? cioè lascio attiva prima la terna di generatori a sinistra e poi quella a destra
esercizi trifase
Moderatori:
g.schgor,
IsidoroKZ
41 messaggi
• Pagina 1 di 5 • 1, 2, 3, 4, 5
0
voti
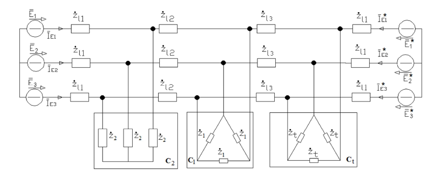
riprendo il post per chiedere un'altra cosa...su alcuni esercizi come questo ad esempio dove le 3 impedenze vengono raggruppate in un unico blocco (carico) trovo questi dati che rappresentano il carico ma non riesco a capire cosa significhi Vn=400v.... ho pensato alla tensione del nodo interno ma non ne sono sicuro visto che l'ho trovato anche con carico a triangolo ...
1
voti
Rabeluk ha scritto:...non riesco a capire cosa significhi Vn=400v...
Probabilmente è la tensione nominale del carico C
Emanuele Lorina
- Chi lotta contro i mostri deve fare attenzione a non diventare lui stesso un mostro. E se tu riguarderai a lungo in un abisso, anche l'abisso vorrà guardare dentro di te (F. Nietzsche)
- Tavole della legge by admin
- Chi lotta contro i mostri deve fare attenzione a non diventare lui stesso un mostro. E se tu riguarderai a lungo in un abisso, anche l'abisso vorrà guardare dentro di te (F. Nietzsche)
- Tavole della legge by admin
-

Lele_u_biddrazzu
8.154 3 8 13 - Master EY

- Messaggi: 1288
- Iscritto il: 23 gen 2007, 16:13
- Località: Modena
1
voti
Rabeluk ha scritto:cioè?
La tensione nominale del carico C
Quelli sono i dati di targa del carico, ovvero ... quelli scritti sulla "targa".
"Il circuito ha sempre ragione" (Luigi Malesani)
0
voti
non cambia niente se lo dici tu o lo dice lui
il valore efficace della tensione sul carico?
edit Lele: per rispondere sei pregato di premere il tasto Rispondi e non quello cita. Grazie.
il valore efficace della tensione sul carico?
edit Lele: per rispondere sei pregato di premere il tasto Rispondi e non quello cita. Grazie.
Ultima modifica di
Lele_u_biddrazzu il 17 set 2012, 18:53, modificato 1 volta in totale.
Motivazione: Eliminata citazione integrale del post precedente. Usa il tasto rispondi ;)
Motivazione: Eliminata citazione integrale del post precedente. Usa il tasto rispondi ;)
1
voti
[10] Re: esercizi trifase
No, come ti è stato detto, l'esercizio ti fornisce i dati di targa del carico in modo da poter risalire al valore delle impedenze collegate a stella 
Emanuele Lorina
- Chi lotta contro i mostri deve fare attenzione a non diventare lui stesso un mostro. E se tu riguarderai a lungo in un abisso, anche l'abisso vorrà guardare dentro di te (F. Nietzsche)
- Tavole della legge by admin
- Chi lotta contro i mostri deve fare attenzione a non diventare lui stesso un mostro. E se tu riguarderai a lungo in un abisso, anche l'abisso vorrà guardare dentro di te (F. Nietzsche)
- Tavole della legge by admin
-

Lele_u_biddrazzu
8.154 3 8 13 - Master EY

- Messaggi: 1288
- Iscritto il: 23 gen 2007, 16:13
- Località: Modena
41 messaggi
• Pagina 1 di 5 • 1, 2, 3, 4, 5
Torna a Elettrotecnica generale
Chi c’è in linea
Visitano il forum: Google Adsense [Bot] e 64 ospiti

Elettrotecnica e non solo (admin)
Un gatto tra gli elettroni (IsidoroKZ)
Esperienza e simulazioni (g.schgor)
Moleskine di un idraulico (RenzoDF)
Il Blog di ElectroYou (webmaster)
Idee microcontrollate (TardoFreak)
PICcoli grandi PICMicro (Paolino)
Il blog elettrico di carloc (carloc)
DirtEYblooog (dirtydeeds)
Di tutto... un po' (jordan20)
AK47 (lillo)
Esperienze elettroniche (marco438)
Telecomunicazioni musicali (clavicordo)
Automazione ed Elettronica (gustavo)
Direttive per la sicurezza (ErnestoCappelletti)
EYnfo dall'Alaska (mir)
Apriamo il quadro! (attilio)
H7-25 (asdf)
Passione Elettrica (massimob)
Elettroni a spasso (guidob)
Bloguerra (guerra)




