Cos'è ElectroYou | Login Iscriviti

ElectroYou - la comunità dei professionisti del mondo elettrico

Esercizio su Transistor NPN PNP

Elettronica lineare e digitale: didattica ed applicazioni

Moderatori: Foto Utentecarloc, Foto Utenteg.schgor, Foto UtenteBrunoValente, Foto UtenteIsidoroKZ

0
voti

[1] Esercizio su Transistor NPN PNP

Messaggioda Foto Utentekotek » 20 ott 2012, 9:40

O_/ a tutti,
avrei dei problemi nel risolvere il seguente esercizio.

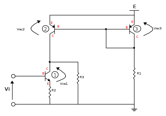
"Determinare le correnti I_c e le tensioni V_{ce} a riposo per tutti i transistor, dati:"
E=10 V
R_1=4.7 K \Omega
R_2=1K \Omega
R_3=5K \Omega
V_{be}=V_{eb}=0.7 V
V_i=1.7 V
\beta_F=100

Le uniche cose che sono riuscito a trovare, perché banali, bastano due semplici maglie sono:
I_{c1}\simeq 1mA

I_{R_1}=1,98 mA
ed
V_{ec3}=0.7 V

Poi mi sono bloccato tutte le equazioni di nodo e maglia che ho fatto mi restituiscono sempre delle identità....non so come fare più
Avatar utente
Foto Utentekotek
202 2 4 9
Stabilizzato
Stabilizzato
 
Messaggi: 481
Iscritto il: 9 giu 2011, 17:22

6
voti

[2] Re: Esercizio su Transistor NPN PNP

Messaggioda Foto UtenteBrunoValente » 20 ott 2012, 10:39

Ciao Foto Utentekotek,
immagino che la tua difficoltà dipenda dal non considerare che la Ic di TR2 è uguale a quella di TR3: il circuito TR2-TR3 è uno specchio di corrente e serve proprio ad imporre una corrente di collettore voluta a TR2 tramite la scelta del valore di R1.

Devi considerare che, se TR2 e TR3 sono identici, avendo la stessa Vbe, hanno di conseguenza anche la stessa Ic.

Il collegamento tra C e B di TR3 di fatto non sottrae una quota sostanziale di corrente alla Ic di TR3 :in quel collegamento scorre la corrente delle due basi che è dell'ordine di \beta/2 volte più piccola di Ic, quindi la Ic di TR3, che è uguale alla Ic di TR2, è anche quasi uguale alla corrente I_{R_1}.

Se quindi la Ic emessa da TR2 vale circa 1.98mA e quella assorbita da TR1 vale 1mA, essendoci nel collegamento tra i due collettori il nodo dove si innesta R3,vuol dire che l'esubero scorre in R3...il resto è ovvio.
Avatar utente
Foto UtenteBrunoValente
39,6k 7 11 13
G.Master EY
G.Master EY
 
Messaggi: 7796
Iscritto il: 8 mag 2007, 14:48

0
voti

[3] Re: Esercizio su Transistor NPN PNP

Messaggioda Foto Utentekotek » 20 ott 2012, 10:48

Ooo grazie mille, stavo impazzendo....il prof ci aveva detto che tutti gli esercizi non li potevamo ancora fare perché c'erano delle particolari configurazione che noi non avevamo ancora visto e guarda caso sono andato proprio a beccare uno di quegli esercizi, comunque grazie mille ancora.
Volevo chiederti, ma analiticamente c'è un modo per giungere alla conclusione I_{c2} \simeq I_{c3}?
Scrivendo l'equazione di nodo trovo:
I_{c2}= \beta_F I_{R1}-(\beta_F + 1)I_{c3}
e se ammetto I_{R1} \simeq I_{c3}
risulta:
I_{c2}\simeq -I_{c3}
Che non dovrebbe essere così, se sono tutti in regione diretta.
Avatar utente
Foto Utentekotek
202 2 4 9
Stabilizzato
Stabilizzato
 
Messaggi: 481
Iscritto il: 9 giu 2011, 17:22

7
voti

[4] Re: Esercizio su Transistor NPN PNP

Messaggioda Foto UtenteIsidoroKZ » 20 ott 2012, 11:35

Devi usare la relazione esponenziale del transistore in zona lineare (corrente positiva entrante)

I_C=-I_0 \exp\left(\frac{V_{EB}}{V_T}-1\right)\approx -I_0 \exp\left(\frac{V_{EB}}{V_T}\right)

Il circuito impone la stessa V_{EB}, se i transistori sono uguali e sono alla stessa temperatura allora le I_C sono uguali.

La corrente della resistenza e quella di collettore sono legate fra di loro da una equazione al nodo

I_{R1}=-I_{C3}-I_{B3}-I_{B2}=-I_C \left (1+\frac{2}{\beta} \right ) da cui la corrente di uscita da T2 rispetto a quella della resistenza vale I_{C2}=-I_{R3}\,\,\frac{\beta}{2+\beta} con un errore relativo pari a circa -\frac{2}{\beta}

Nella realta` le cose vanno peggio perche' i transistori identici, senza effetto Early e alla stessa temperatura non esistono :( e quindi gli errori di specchiaggio aumentano
Per usare proficuamente un simulatore, bisogna sapere molta più elettronica di lui
Plug it in - it works better!
Il 555 sta all'elettronica come Arduino all'informatica! (entrambi loro malgrado)
Se volete risposte rispondete a tutte le mie domande
Avatar utente
Foto UtenteIsidoroKZ
121,2k 1 3 8
G.Master EY
G.Master EY
 
Messaggi: 21059
Iscritto il: 17 ott 2009, 0:00

5
voti

[5] Re: Esercizio su Transistor NPN PNP

Messaggioda Foto UtenteBrunoValente » 20 ott 2012, 11:37

Booo :? ti dico la verità. io queste cose non le ho mai studiate, ai miei tempi non si facevano.
Ti dico comunque come farei, molto semplicemente.
Correggetemi se sbaglio



I_{R1}=I_{C3}+2I_{b}
I_{C3}=\beta I_{b}
I_{R1}=\beta I_{b}+2I_{b}=I_{b}\left ( \beta +2 \right )
I_{b}=\frac{I_{R1}}{\left ( \beta +2 \right )}
I_{C1}=\beta I_{b}=I_{R1}\frac{\beta }{\beta +2}
I_{C1}=I_{R1}\frac{1}{1+\frac{2}{\beta }}\simeq I_{R1}
Avatar utente
Foto UtenteBrunoValente
39,6k 7 11 13
G.Master EY
G.Master EY
 
Messaggi: 7796
Iscritto il: 8 mag 2007, 14:48

3
voti

[6] Re: Esercizio su Transistor NPN PNP

Messaggioda Foto UtenteIsidoroKZ » 20 ott 2012, 11:39

Foto UtenteBrunoValente e` un grande, valente di nome e di fatto!
Per usare proficuamente un simulatore, bisogna sapere molta più elettronica di lui
Plug it in - it works better!
Il 555 sta all'elettronica come Arduino all'informatica! (entrambi loro malgrado)
Se volete risposte rispondete a tutte le mie domande
Avatar utente
Foto UtenteIsidoroKZ
121,2k 1 3 8
G.Master EY
G.Master EY
 
Messaggi: 21059
Iscritto il: 17 ott 2009, 0:00

0
voti

[7] Re: Esercizio su Transistor NPN PNP

Messaggioda Foto UtenteBrunoValente » 20 ott 2012, 11:40

Meno male, Foto UtenteIsidoroKZ mi ha preceduto, non me ne ero accorto.
Avatar utente
Foto UtenteBrunoValente
39,6k 7 11 13
G.Master EY
G.Master EY
 
Messaggi: 7796
Iscritto il: 8 mag 2007, 14:48

0
voti

[8] Re: Esercizio su Transistor NPN PNP

Messaggioda Foto Utentekotek » 20 ott 2012, 11:43

Come hai fatto a priori a dire che I_{b2}=I_{b3}?
Avatar utente
Foto Utentekotek
202 2 4 9
Stabilizzato
Stabilizzato
 
Messaggi: 481
Iscritto il: 9 giu 2011, 17:22

3
voti

[9] Re: Esercizio su Transistor NPN PNP

Messaggioda Foto UtenteIsidoroKZ » 20 ott 2012, 11:47

Se i transistori sono ugual9, lavorano con la stessa corrente di collettore, sono alla stessa temperatura hanno anche lo stesso beta (*). Altrimenti l'errore relativo diventa dell'ordine di -\frac{\beta_1+\beta_2}{\beta_1\beta_2}

(*) in realta` alla stessa temperatura non lo sono quasi mai perche' dissipano potenze diverse e c'e` l'effetto Early che rompe. Un esempio misurato di questo comportamento con transistori discreti e` riportato qui verso il fondo.
In un circuito integrato questo effetto e` piu` piccolo ma c'e` ancora.
Per usare proficuamente un simulatore, bisogna sapere molta più elettronica di lui
Plug it in - it works better!
Il 555 sta all'elettronica come Arduino all'informatica! (entrambi loro malgrado)
Se volete risposte rispondete a tutte le mie domande
Avatar utente
Foto UtenteIsidoroKZ
121,2k 1 3 8
G.Master EY
G.Master EY
 
Messaggi: 21059
Iscritto il: 17 ott 2009, 0:00

0
voti

[10] Re: Esercizio su Transistor NPN PNP

Messaggioda Foto Utentekotek » 20 ott 2012, 11:49

Scusate la mia ignoranza :oops:
IsidoroKZ ha scritto:Se i transistori sono uguali hanno anche lo stesso beta.

Certo.
IsidoroKZ ha scritto:Altrimenti l'errore relativo diventa dell'ordine di

L'errore relativo a cosa è riferito?
Avatar utente
Foto Utentekotek
202 2 4 9
Stabilizzato
Stabilizzato
 
Messaggi: 481
Iscritto il: 9 giu 2011, 17:22

Prossimo

Torna a Elettronica generale

Chi c’è in linea

Visitano il forum: Google [Bot] e 80 ospiti