Cos'è ElectroYou | Login Iscriviti

ElectroYou - la comunità dei professionisti del mondo elettrico

Thevenin analisi circuito

Circuiti, campi elettromagnetici e teoria delle linee di trasmissione e distribuzione dell’energia elettrica

Moderatori: Foto Utenteg.schgor, Foto UtenteIsidoroKZ

-1
voti

[1] Thevenin analisi circuito

Messaggioda Foto Utenteatipico » 20 gen 2013, 20:04

buonasera,
grazie a Foto UtenteRenzoDF , in un topic precedente, sono riuscito a cogliere alcuni dettagli fondamentali su sviluppi di esercizi con Thevenin.
Mi ritrovo ora a dover affrontare un altro caso "particolare" e vorrei, spero con il vostro aiuto, capire come risolverlo.

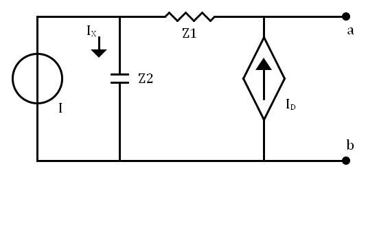
Circuito.jpg
Circuito.jpg (12.75 KiB) Osservato 6882 volte


Viene richiesto di calcolare Z_T_h e V_T_h.

DATI
I(I)=2\angle0
I(I_D)=1,5I_x
Z_1=4
Z_2=-j3
Z_T_h=?
V_T_h=?

Ho calcolatoZ_T_h =V(E_0)/I_0

Il problema è nel calcolare V_T_h
Infatti i poli a e b si trovano ai capi del generatore pilotato ed ho calcolato la tensioneV_T_h (sul pilotato) usando l'analisi nodale ponendo V_T_h=Z_T_h*I(I_D)
Il valore che mi esce è V_T_h=48-j36 mentre il risultato corretto è V_T_h=-24+j12
Comunque indipendentemente dal risultato in se, mi interesserebbe capire il ragionamento da portare avanti e capire dove ho sbagliato.

*potreste gentilmente dirmi come fare ad inserire direttamente da fidocadj il circuito, in quanto mi dice che l'estensione .fcd non è permessa? Grazie
Ultima modifica di Foto UtenteRenzoDF il 21 gen 2013, 15:22, modificato 2 volte in totale.
Motivazione: Usare il pulsante "Inserisci in linea con il testo", grazie.
Avatar utente
Foto Utenteatipico
-21 6
New entry
New entry
 
Messaggi: 72
Iscritto il: 23 nov 2012, 19:42

0
voti

[2] Re: Thevenin analisi circuito

Messaggioda Foto UtenteGuerra » 20 gen 2013, 20:16

Lo disegno in fidocadj, lo copi come fosse un testo e lo incolli all'interno delle "parentesi" che ti si aprono premendo il tasto FCD.
Detto terra terra...
"Le domande non sono mai indiscrete. Le risposte lo sono a volte"
Per qualche dollaro in più
Avatar utente
Foto UtenteGuerra
34,9k 7 11 13
G.Master EY
G.Master EY
 
Messaggi: 4790
Iscritto il: 14 apr 2010, 16:38

1
voti

[3] Re: Thevenin analisi circuito

Messaggioda Foto Utentemir » 20 gen 2013, 20:44

atipico ha scritto:*potreste gentilmente dirmi come fare ad inserire direttamente da fidocadj il circuito...

http://www.electroyou.it/elettrodomus/w ... -per-tonni
;-)
Avatar utente
Foto Utentemir
66,0k 9 12 13
G.Master EY
G.Master EY
 
Messaggi: 21869
Iscritto il: 19 ago 2004, 21:10

1
voti

[4] Re: Thevenin analisi circuito

Messaggioda Foto UtenteMassi79 » 20 gen 2013, 22:07

Manca il contrassegno al generatore non pilotato, e poi non capisco se è di tensione o corrente.
Avatar utente
Foto UtenteMassi79
84 1 9
Frequentatore
Frequentatore
 
Messaggi: 134
Iscritto il: 21 dic 2012, 18:46

0
voti

[5] Re: Thevenin analisi circuito

Messaggioda Foto Utentemir » 20 gen 2013, 22:10

i simboli che mancano,puoi costruirteli ....
Avatar utente
Foto Utentemir
66,0k 9 12 13
G.Master EY
G.Master EY
 
Messaggi: 21869
Iscritto il: 19 ago 2004, 21:10

0
voti

[6] Re: Thevenin analisi circuito

Messaggioda Foto Utenteatipico » 21 gen 2013, 14:05

Massi79 ha scritto:Manca il contrassegno al generatore non pilotato, e poi non capisco se è di tensione o corrente.

Il generatore non pilotato è di corrente
*il simbolo è quello che mi è uscito semplicemente scrivendo generatore di corrente in fidocadj.

@mir
@guerra
Grazie
Avatar utente
Foto Utenteatipico
-21 6
New entry
New entry
 
Messaggi: 72
Iscritto il: 23 nov 2012, 19:42

4
voti

[7] Re: Thevenin analisi circuito

Messaggioda Foto UtenteLele_u_biddrazzu » 21 gen 2013, 14:32

Potresti procedere così...



Tensione equivalente Vab:

\begin{aligned}\dot{V}_{AB} & =\left(\dot{z}_{2}+\alpha\dot{z}_{1}\right)\dot{I}_{\text{x}}\\
 & =\left(\dot{z}_{2}+\alpha\dot{z}_{1}\right)\frac{\dot{I}}{1-\alpha}
\end{aligned}

Impedenza equivalente Zab:

\begin{aligned}\dot{z}_{AB} & =\frac{\dot{z}_{1}+\dot{z}_{2}}{1-\alpha}\end{aligned}

Se hai dubbi, non esitare a chiedere ;-)
Emanuele Lorina

- Chi lotta contro i mostri deve fare attenzione a non diventare lui stesso un mostro. E se tu riguarderai a lungo in un abisso, anche l'abisso vorrà guardare dentro di te (F. Nietzsche)
- Tavole della legge by admin
Avatar utente
Foto UtenteLele_u_biddrazzu
8.154 3 8 13
Master EY
Master EY
 
Messaggi: 1288
Iscritto il: 23 gen 2007, 16:13
Località: Modena

0
voti

[8] Re: Thevenin analisi circuito

Messaggioda Foto Utenteatipico » 21 gen 2013, 16:04

@emanuele
potresti aiutarmi a capire il procedimento che hai seguito? anche perché io sto usando l'analisi nodale e non riesco a ritrovarmi nei tuo calcoli Che approfitto per dire coincidenti con il risultato corretto.
Grazie
Avatar utente
Foto Utenteatipico
-21 6
New entry
New entry
 
Messaggi: 72
Iscritto il: 23 nov 2012, 19:42

0
voti

[9] Re: Thevenin analisi circuito

Messaggioda Foto UtenteLele_u_biddrazzu » 21 gen 2013, 16:25

atipico ha scritto:...potresti aiutarmi a capire il procedimento che hai seguito?...

Come al solito ho semplicemente utilizzato le leggi di Kirchhoff ;-) Ti consiglio di provare a ragionare sui risultati che ti ho fornito. Appena posterai le tue conclusioni, si vedrà di chiarire gli eventuali dubbi ;-)
Emanuele Lorina

- Chi lotta contro i mostri deve fare attenzione a non diventare lui stesso un mostro. E se tu riguarderai a lungo in un abisso, anche l'abisso vorrà guardare dentro di te (F. Nietzsche)
- Tavole della legge by admin
Avatar utente
Foto UtenteLele_u_biddrazzu
8.154 3 8 13
Master EY
Master EY
 
Messaggi: 1288
Iscritto il: 23 gen 2007, 16:13
Località: Modena

0
voti

[10] Re: Thevenin analisi circuito

Messaggioda Foto Utenteatipico » 21 gen 2013, 16:37

No aspetta un attimo per piacere emanuele.
Tu hai fatto dei passaggi molto "raffinati" diciamo puliti rapidi, ma io non ho ancora capito su quel elemento in questo caso devo considerare V_T_h. Infatti in questo caso pensavo fosse sul generatore pilotato, ma da quello che vedo tu non hai fatto questa considerazione o sbaglio?
Avatar utente
Foto Utenteatipico
-21 6
New entry
New entry
 
Messaggi: 72
Iscritto il: 23 nov 2012, 19:42

Prossimo

Torna a Elettrotecnica generale

Chi c’è in linea

Visitano il forum: Nessuno e 19 ospiti