Faccio il 5° liceo e avendo studiato condensatori e resistori in serie e in parallelo devo realizzare un circuito.
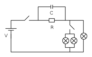
Ho intenzione di costruire un circuito rc come quello che ho disegnato e allegato. Aprendo l'interruttore "generale" il condensatore va in scarica e quindi le lampadine (una o tre in base al secondo interruttore) si spengono lentamente.
Dispongo di 5 condensatori: due da 100uF, uno da 220uF, uno da 470uF e uno da 1000uF.
Dispongo, inoltre di svariati resistori di cui due da 80Mohm (per ottenere altre resitenze posso collegare altri resistori in serie o in parallelo).
Per quanto riguarda le lampadine, devo comprarle, oppure posso usare dei led che ho, anche se dovrei aggiungere altri resistori (troppo fastidioso, preferirei la prima opzione).
Purtroppo non so proprio da dove partire. Potreste suggerirmi dei valori per la pila, i resistori e il condensatore per far sì che il processo di scarica del condensatore sia apprezzabile? Per le lampadine, vanno bene delle comunissime lampadine da 12V o meglio altri tensioni??
Spero di essere stato chiaro. Vi ringrazio in anticipo per l'aiuto!

edit Lele: sei pregato di postare gli schemi circuitali con fidocadj, grazie. Dimenticavo... la prossima volta evita anche di postare immagini grandi come lenzuoli

Elettrotecnica e non solo (admin)
Un gatto tra gli elettroni (IsidoroKZ)
Esperienza e simulazioni (g.schgor)
Moleskine di un idraulico (RenzoDF)
Il Blog di ElectroYou (webmaster)
Idee microcontrollate (TardoFreak)
PICcoli grandi PICMicro (Paolino)
Il blog elettrico di carloc (carloc)
DirtEYblooog (dirtydeeds)
Di tutto... un po' (jordan20)
AK47 (lillo)
Esperienze elettroniche (marco438)
Telecomunicazioni musicali (clavicordo)
Automazione ed Elettronica (gustavo)
Direttive per la sicurezza (ErnestoCappelletti)
EYnfo dall'Alaska (mir)
Apriamo il quadro! (attilio)
H7-25 (asdf)
Passione Elettrica (massimob)
Elettroni a spasso (guidob)
Bloguerra (guerra)





