Cos'è ElectroYou | Login Iscriviti

ElectroYou - la comunità dei professionisti del mondo elettrico

Opamp, GBP e Voo-Doo

Elettronica lineare e digitale: didattica ed applicazioni

Moderatori: Foto Utentecarloc, Foto Utenteg.schgor, Foto UtenteBrunoValente, Foto UtenteIsidoroKZ

1
voti

[1] Opamp, GBP e Voo-Doo

Messaggioda Foto Utenteboiler » 7 feb 2014, 22:22

Ciao a tutti

Oggi volevo misurare (misurare è una parola grossa... valutare) la banda passante di un premaplificatore per fotodiodo (amplificatore a transimpedenza).

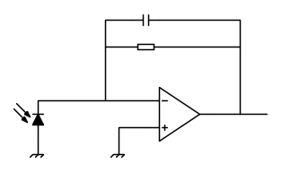
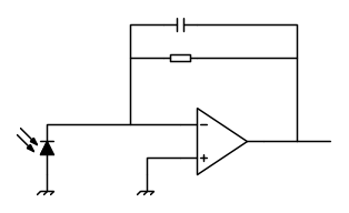
Ho messo in piedi questo setup:



Il driver pilota il LED in corrente, in modo da avere un output luminoso proporzionale alla tensione sinusoidale.
Il generatore di sweep triggera l'oscilloscopio. La base dei tempi di quest'ultimo è impostata in modo che una scansione equivalga alla durata di uno sweep.

L'amplificatore a transimpedenza (TIA) è un classico:



Il motivo del tutto è che sto debuggando un circuito fatto da un'altra persona. In teoria il circuito non dovrebbe funzionare, ma funziona :shock:
Il fotodiodo è un SFH213, quindi con 11 pF di capacità parassita.
La transimpedenza è (udite udite!) 100M.
La capacità di compensazione è semplicemente omessa.
L'opamp è un LTC6240. Come bias fenomenale, ma ha un GBP di 18 MHz. Il segnale che misuriamo ha 6 kHz. Con un gain di 100000000 non dovrebbe passare piú nulla, invece il segnale c'è.

Facendo uno sweep da 100 Hz a 10 kHz si vede quello che ci si aspetta: l'ampiezza decresce. Non ho informazioni quantitative, di venerdì pomeriggio non ne ho voglia ;-)

Secondo round: stessa configurazione ma diminuiamo il gain a 10M, mettiamo 4.7pF di compensazione ma soprattutto sostituisco l'opamp. Con un ADA4817-1 da 1 GHz di GBP mi aspetterei una banda passante ben piú piatta.

Invece, a parte un altro valore dovuto alla diversa amplificazione, l'envelope era identica.
In scala log-log la decrescita di ampiezza era presoché lineare, quindi direi che non abbiamo poli tra 100 Hz e 10 kHz.

Domanda 1: perché un amplificatore con 18 MHz di GBP funziona a 6 kHz con una transimpedenza di 100M?
Domanda 2: cosa potrebbe essere il fattore limitante che si mangia tutta la banda?

Boiler
Avatar utente
Foto Utenteboiler
26,4k 5 9 13
G.Master EY
G.Master EY
 
Messaggi: 5599
Iscritto il: 9 nov 2011, 12:27

2
voti

[2] Re: Opamp, GBP e Voo-Doo

Messaggioda Foto Utenteobiuan » 8 feb 2014, 2:36

il GPB è il prodotto del guadagno di tensione per la banda. L'amplificatore in quella configurazione ha guadagno di tensione 1, quindi utilizza tutta la banda. Inoltre la capacità parassita del fotodiodo è sempre tenuta scarica, quindi nemmeno quella conta.

certo ottenere un guadagno di transimpedenza da 100mega con quella configurazione è una follia...è più un termometro che un amplificatore di transimpedenza. Le R sopra i 6mega8 sconsiglierei di usarle, meglio 4M7 addirittura. Per ottenere un guadagno totale di transimpedenza 100Mega, puoi usare una 4M7 e un partitore con rapporto 20. Metti la 4M7 fra il meno e il centro del partitore, che colleghi da una parte al riferimento e dall'altra all'uscita dell'opa.

scusa sono col cell quindi non riesco a postare schemi...spero di essermi spiegato.

comunque, nel primo caso hai una R da 100mega (!!!!)...bastano le C parassite del PCB per fare un filtro sui kiloheerz.
nel secondo caso, quelli con guadagno a 10M , hai messo tu un filtro con costante di tempo 47us
che ti blocca la banda alle frequenza che vedi.

quindi riassumendo: l'operazionale in quella configurazione lavora a banda piena, la l i mitazione che vedi è dovuta ai conponenti in reazione. Nel primo caso è la R gigantesca che fra la capacità parassita sua e quella del PCB (non saprei dire wuale delle due prevale...nemmeno supponevo esistessero R così grandi) filtra il segnale, nel secondo caso è la c di compensazio.
_______________________________________________________
Gli oscillatori non oscillano mai, gli amplificatori invece sempre

Io HO i poteri della supermucca, e ne vado fiero!
Avatar utente
Foto Utenteobiuan
5.894 3 10 13
Master
Master
 
Messaggi: 980
Iscritto il: 23 set 2013, 23:45

5
voti

[3] Re: Opamp, GBP e Voo-Doo

Messaggioda Foto UtenteDirtyDeeds » 8 feb 2014, 10:27

In questi giorni non ho tempo di fare conti, però qui (uh, vedo che la domanda era sempre tua) avevo fatto un'analisi della banda di un amplificatore per fotodiodi. Il problema maggiore è dato dalla capacità del fotodiodo e di eventuali collegamenti tra fotodiodo e amplificatore. Poi ci sarebbero anche altri effetti da tenere in conto, p.es. il fatto che per alcuni op amp la modellazione come semplice integratore non è accurata, per cui bisogna fare degli aggiustamenti.

Considera anche che una resistenza da 100 M ohm ha una capacità parassita che, di fatto, fa da capacità di compensazione.
It's a sin to write sin instead of \sin (Anonimo).
...'cos you know that cos ain't \cos, right?
You won't get a sexy tan if you write tan in lieu of \tan.
Take a log for a fireplace, but don't take log for \logarithm.
Avatar utente
Foto UtenteDirtyDeeds
55,9k 7 11 13
G.Master EY
G.Master EY
 
Messaggi: 7012
Iscritto il: 13 apr 2010, 16:13
Località: Somewhere in nowhere

2
voti

[4] Re: Opamp, GBP e Voo-Doo

Messaggioda Foto UtenteDoeM » 8 feb 2014, 14:13

obiuan ha scritto:L'amplificatore in quella configurazione ha guadagno di tensione 1, quindi utilizza tutta la banda. Inoltre la capacità parassita del fotodiodo è sempre tenuta scarica, quindi nemmeno quella conta.


Scusa ma queste due affermazioni sono errate. Anzi, la capacità del fotodiodo è maggiore in questa configurazione che in quella fotoconduttiva. (cfr. NI Photodiode Amplifiers)

Il procedimento corretto è riportato nel post citato da Foto UtenteDirtyDeeds oppure in diverse Application Note, ad esempio della Texas Instruments:
Compensate Transimpedance Amplifiers Intuitively
Transimpedance Considerations for High-Speed Amplifiers
Avatar utente
Foto UtenteDoeM
580 2 6
Expert
Expert
 
Messaggi: 182
Iscritto il: 11 lug 2011, 1:09

-1
voti

[5] Re: Opamp, GBP e Voo-Doo

Messaggioda Foto Utenteobiuan » 8 feb 2014, 18:18

..a dire il vero sul guadagno e la banda abbiamo detto la stessa cosa, lui in modo molto più matematico ma il concetto è lo stesso.

per il fotodiodo, la capacità parassita porta problemi di oscillazione in quel caso, ma non limita la banda visto che non si carica ne scarica mai. Mi spiace di non potermi dilungare di più..sono sulle piste a Plan de Corones :-D

comunque, come semprel il post di Dirtydeeds è perfetto, quindi nemmeno serve aggiungere altro.
_______________________________________________________
Gli oscillatori non oscillano mai, gli amplificatori invece sempre

Io HO i poteri della supermucca, e ne vado fiero!
Avatar utente
Foto Utenteobiuan
5.894 3 10 13
Master
Master
 
Messaggi: 980
Iscritto il: 23 set 2013, 23:45

6
voti

[6] Re: Opamp, GBP e Voo-Doo

Messaggioda Foto UtenteDirtyDeeds » 9 feb 2014, 12:11

obiuan ha scritto:ma non limita la banda visto che non si carica ne scarica mai.


La capacità parassita si carica e si scarica eccome e limita la banda. Se non ci fosse la capacità parassita all'ingresso, la banda dell'amplificatore a transresistenza coinciderebbe con il prodotto banda-guadagno GBP dell'opamp. In presenza di capacità parassita, in condizioni di corretta compensazione, la banda diventa circa (v. i conti qui)

f_{-3\,\text{dB}} \approx \sqrt{\frac{\text{GBP}}{2\pi R_\text{f}C_\text{D}}}

dove R_\text{f} è la resistenza di retroazione e C_\text{D} la capacità del fotodiodo (in realtà bisogna aggiungere anche la capacità d'ingresso dell'op amp, qualche pF). Quell'espressione sopra può anche essere scritta come

f_{-3\,\text{dB}} \approx \sqrt{\text{GBP}\,f_\text{p}}

dove

f_\text{p} = \frac{1}{2\pi R_\text{f}C_\text{D}}

è la frequenza del polo introdotto dalla coppia Rf-CD. La banda passante è quindi la media geometrica tra GBP e fp, ovvero

f_\text{p} < f_{-3\,\text{dB}} < \text{GBP}

e la banda risulta ridotta rispetto al caso in cui non ci sia CD. E' bene osserevare che con una resistenza da 100 MΩ e una capacità da 15 pF (11 pF più qualche pF per l'ingresso dell'op amp), f_\text{p}\approx 100\,\text{Hz} e questo, con un GBP di 18 MHz, porta la banda intorno alla decina di kHz (dipende molto dalla capacità parassita della resistenza da 100 MΩ che influenza il Q del circuito: la frequenza di taglio scritta prima vale per Q = 0.7).
It's a sin to write sin instead of \sin (Anonimo).
...'cos you know that cos ain't \cos, right?
You won't get a sexy tan if you write tan in lieu of \tan.
Take a log for a fireplace, but don't take log for \logarithm.
Avatar utente
Foto UtenteDirtyDeeds
55,9k 7 11 13
G.Master EY
G.Master EY
 
Messaggi: 7012
Iscritto il: 13 apr 2010, 16:13
Località: Somewhere in nowhere

1
voti

[7] Re: Opamp, GBP e Voo-Doo

Messaggioda Foto Utenteobiuan » 9 feb 2014, 14:44

Grazie al mio ritorno leggo tutto con calma.
_______________________________________________________
Gli oscillatori non oscillano mai, gli amplificatori invece sempre

Io HO i poteri della supermucca, e ne vado fiero!
Avatar utente
Foto Utenteobiuan
5.894 3 10 13
Master
Master
 
Messaggi: 980
Iscritto il: 23 set 2013, 23:45

0
voti

[8] Re: Opamp, GBP e Voo-Doo

Messaggioda Foto Utenteboiler » 10 feb 2014, 0:30

Grazie per le risposte, che apprezzo molto. Con grande onta, ammetto che avevo dimenticato il thread che avevo aperto (per altre ragioni) un anno fa.

Domani, compatibilmente con le altre rotture di scatole giornaliere (riunioni, telefonate & co), provo a venirne a capo. Scaturiranno certamente altre domande!

Saluti Boiler
Avatar utente
Foto Utenteboiler
26,4k 5 9 13
G.Master EY
G.Master EY
 
Messaggi: 5599
Iscritto il: 9 nov 2011, 12:27

1
voti

[9] Re: Opamp, GBP e Voo-Doo

Messaggioda Foto Utenteboiler » 11 feb 2014, 10:18

Eccoci qui :cool:

Ho calcolato la banda teorica con le formule citate da Foto UtenteDirtyDeeds.
Usando un OPA301 con un SFH213 dovrei mettere una Cf di circa 70 fF, ottenendo -3 dB a 308 kHz.
Se ci metto 4.7 pF ottengo 283 kHz (a meno di errori di calcolo).

Facendo il layout del circuito mi ci sono messo di impegno: tutti i ground-plan e sono interrotti sotto a aplificatore e diodo, il diodo è messo vicino all'emplificatore, gli elementi di feedback sono 0402 e il loop di feedback è tenuto molto corto. Ho quindi usato nei calcoli 2 pF di capacità parassita, probabilmente è meno.

L'oscilloscopio mi dice però che siamo molto molto lontani da quei 300 kHz:
BW_tia_osram-opa301_10M-4.7pF.png

C4 lo uso per il trigger e per avere un marker a 6 kHz (frequenza di interesse per me).
C2 è la corrente che attraversa il LED, ha ampiezza costante su tutta la banda misurata.
C3 è l'uscita del TIA. Si vede chiaramente che la banda è limitata. La scala è lin-lin, quindi abbiamo una decade sulla scala orizzontale e se prendiamo il valore a 1 kHz come unità, scendiamo a 10 kHz a circa 0.7.
Cosa causa una discesa dell'ampiezza di 3 dB/decade?

Se dissaldo Cf e lascio solo R, con lo stesso setup misuro quanto segue:
BW_tia_osram-opa301_10M-0pF.png

La differenza nella tensione misurata è dovuta al setup ottico non proprio riproducibile.

Ottengo lo stesso risultato facendo le misurazioni con altri amplificatori o con altri diodi.

Cosa può essere? Se fosse dovuto ad un passa-basso RC fatto da capacità parassite + capacità di feedback + resistenza di feedback dovrebbe scendere con -20 dB/decade, o no?

Saluti Boiler
Avatar utente
Foto Utenteboiler
26,4k 5 9 13
G.Master EY
G.Master EY
 
Messaggi: 5599
Iscritto il: 9 nov 2011, 12:27

2
voti

[10] Re: Opamp, GBP e Voo-Doo

Messaggioda Foto UtenteDirtyDeeds » 11 feb 2014, 11:38

La ragione è la seguente.

Riassumiamo i dati innanzitutto:

R_\text{f} = 10\,\text{M}\Omega
C_\text{D} = 20\,\text{pF} (11 pF di diodo + 9 pF op amp tra capacità differenziale e modo comune)
C_\text{f} = 4{,}7\,\text{pF}
f_\text{c} = 150\,\text{MHz} (Prodotto banda-guadagno dell'op amp. Nota però che quell'op amp non è ben approssimabile come un integratore perché la fase fa un po' casino, è una cosa tipica degli op amp ad alta velocità)

Confermi?

C_\text{D} e C_\text{f} aggiungono un polo e uno zero al guadagno d'anello di frequenza

f_\text{p} = \frac{1}{2\pi R_\text{f} (C_\text{D}+C_\text{f})}\approx 637\,\text{Hz}

e

f_\text{z} = \frac{1}{2\pi R_\text{f} C_\text{f}}\approx 3390\,\text{Hz}

Dai conti del solito link si ha (ho rimaneggiato un po' le formule)

f_0 = \sqrt{f_\text{c}f_\text{p}} \approx 309\,\text{kHz}

e

Q = \frac{\sqrt{f_\text{c}/f_\text{p}}}{1+f_\text{c}/f_\text{z}}\approx 0{,}011

Ecco, questo è il punto. La formula per f_{-3\,\text{dB}}che ti ho scritto in [6] vale solo se l'amplificatore è compensato per un Q di 0.7. Quanto vale la frequenza di taglio se il Q è più basso? Be', diventa moooolto più bassa. Non è difficile dimostrare (solo una gran palla) che quando Q\ll 1 si ha

f_{-3\,\text{dB}}\approx Qf_0\approx f_\text{z} \approx 3.4\,\text{kHz}

Ecco perché vedi una banda così stretta (praticamente si comporta come un filtro passa-basso con frequenza di taglio data dalla rete Rf-Cf). Ecco anche perché non cambia cambiando op-amp, con quel valore di Cf la banda non dipende molto dalla banda dell'op amp. Se vuoi una banda più ampia devi mettere circa la giusta capacità di compensazione, che è praticamente la capacità parassita della resistenza.

PS: non è che stai vedendo una pendenza di -3 dB/decade, semplicemente sei intorno alla frequenza di taglio e non vedi l'asintoto.
It's a sin to write sin instead of \sin (Anonimo).
...'cos you know that cos ain't \cos, right?
You won't get a sexy tan if you write tan in lieu of \tan.
Take a log for a fireplace, but don't take log for \logarithm.
Avatar utente
Foto UtenteDirtyDeeds
55,9k 7 11 13
G.Master EY
G.Master EY
 
Messaggi: 7012
Iscritto il: 13 apr 2010, 16:13
Località: Somewhere in nowhere

Prossimo

Torna a Elettronica generale

Chi c’è in linea

Visitano il forum: Nessuno e 39 ospiti