Cos'è ElectroYou | Login Iscriviti

ElectroYou - la comunità dei professionisti del mondo elettrico

Correzione esercizio.

Circuiti, campi elettromagnetici e teoria delle linee di trasmissione e distribuzione dell’energia elettrica

Moderatori: Foto Utenteg.schgor, Foto UtenteIsidoroKZ

0
voti

[1] Correzione esercizio.

Messaggioda Foto Utenteescher » 21 mag 2014, 21:36

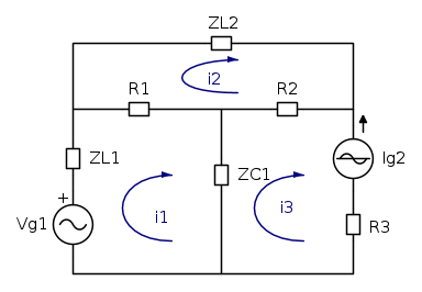
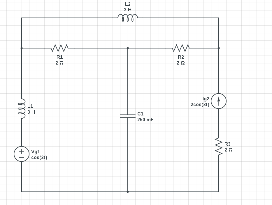
Salve ho in allegato il circuito che devo risolvere. Riscrivo qui i valori:

Codice: Seleziona tutto
Vg1 = cos(3t)
Ig2 = 2cos(3t)
R1 = 2 ohm
R2 = 2 ohm
R3 = 2 ohm
L1 = 3H
L2 = 3H
C1 = 0.25 F


Scelgo l'albero con 3 maglie che non riesco a disegnare. cerco di spiegarvele:
La prima è quella che contiene Vg1,L1,R1 e C1 e la corrente gira in senso orario.
La seconda è quella che contiene R1,L2 e R2 e la corrente gira in senso orario.
La terza è quella che contiene C1,R2,Ig2 e R3 e la corrente gira in senso orario.

Scrivo le equazioni con la legge di Kirchhoff alle maglie:
\begin{cases}i1(jwL1 +R1+\frac{1}{jwC1}) +i2(-R2) +0 = Vg1 * -ig2(\frac{1}{jwC1}) \\ i1(-R1) + i2(R1 +jwL2 +R2) = -Ig2(R2) \\ i1(\frac{-1}{jwc1}) +i2(-R2) -Vg2 = -ig2(R3+\frac{1}{jwC1} +R2)    \end{cases}

Visto che nella terza maglia giro in senso orario vado nel verso contrario della corrente di Ig2 quindi ho sostituito
i3 = -ig2

Visto che sto usando kirchhoff alle maglie quelle che ho scritto sono tutte tensioni.

La matrice sostituendo i valori:

\begin{bmatrix} 2+7.6i & -2 & 0 \\ -2 &

4+9i & 0 \\ -1.3i & -2 &
-1\end{bmatrix}

La colonna delle incognite quindi è:

\begin{bmatrix} i1 \\ i2 \\ Vg2
\end{bmatrix}

E la colonna dei termini noti sarà:

\begin{bmatrix}  Vg1 * -ig2(\frac{1}{jwC1}) \\ -Ig2(R2) \\ -ig2(R3+\frac{1}{jwC1} +R2) \end{bmatrix}

Ps: Scusate che non ho potuto scrivere le 3 matrici tutte attaccate.

Vorrei sapere se è giusto il procedimento e se è corretto quello che ho scritto.
3.png


Grazie delle eventuali risposte.
Avatar utente
Foto Utenteescher
10 2
 
Messaggi: 14
Iscritto il: 14 mag 2014, 11:40

0
voti

[2] Re: Correzione esercizio.

Messaggioda Foto Utentelillo » 22 mag 2014, 11:57

ciao Foto Utenteescher.
è la seconda volta che chiedi aiuto, e sarebbe l'ora di usare Fidocadj:

mi raccomando, utilizza Fidocadj...alla prossima blocco.
nella barra Help in alto trovi tutte le info.
---------------------------------------------------------------------------------------------------
tornando all'esercizio:
Foto Utenteescher ha scritto:Scrivo le equazioni con la legge di Kirchhoff alle maglie:
\begin{cases}i1(jwL1 +R1+\frac{1}{jwC1}) +i2(-R2) +0 = Vg1 * -ig2(\frac{1}{jwC1}) \\ i1(-R1) + i2(R1 +jwL2 +R2) = -Ig2(R2) \\ i1(\frac{-1}{jwc1}) +i2(-R2) -Vg2 = -ig2(R3+\frac{1}{jwC1} +R2)    \end{cases}

da dove esce R2 nella prima equazione?
Avatar utente
Foto Utentelillo
20,5k 7 12 13
G.Master EY
G.Master EY
 
Messaggi: 4174
Iscritto il: 25 nov 2010, 11:30
Località: Nuovo Mondo

0
voti

[3] Re: Correzione esercizio.

Messaggioda Foto UtenteRenzoDF » 22 mag 2014, 14:38

... aggiungerei, asterisco a parte (al secondo membro della prima), da dove esce la Vg2 :?: ... anche se posso intuire a quale bipolo si riferisca, mancando l'indicazione della convenzione assunta, il controllo della terza equazione non è possibile.
"Il circuito ha sempre ragione" (Luigi Malesani)
Avatar utente
Foto UtenteRenzoDF
55,9k 8 12 13
G.Master EY
G.Master EY
 
Messaggi: 13189
Iscritto il: 4 ott 2008, 9:55

0
voti

[4] Re: Correzione esercizio.

Messaggioda Foto UtenteElectro » 22 mag 2014, 15:11

Ma vuoi applicare il metodo di Kirchhoff o Maxwell?
Una volta che mi definisci la prima maglia, cosa c'entra R2 nell'equazione di maglia.
Nella terza cosa è Vg2?
"La progettazione, il primo presidio della sicurezza" [Michele Guetta]
Avatar utente
Foto UtenteElectro
2.127 2 2 8
Expert EY
Expert EY
 
Messaggi: 1327
Iscritto il: 12 nov 2008, 11:14
Località: Bari

0
voti

[5] Re: Correzione esercizio.

Messaggioda Foto Utenteescher » 22 mag 2014, 15:52

Scusate!

-R2 non c'è nella prima maglia , ho sbagliato a scrivere. Volevo scrivere -R1.

Per quanto riguarda Vg2 facendo Kirchhoff alle meglie conosco le tensioni e quel Vg2 si riferisce alla tensione di Ig2 (Corretto?). La corrente di ig2 ,come si vede dal circuito , scrorre verso l'alto, e nella maglia in questione prendo il verso della corrente i3 in senso orario.
Avatar utente
Foto Utenteescher
10 2
 
Messaggi: 14
Iscritto il: 14 mag 2014, 11:40

3
voti

[6] Re: Correzione esercizio.

Messaggioda Foto UtenteRenzoDF » 22 mag 2014, 16:28

escher ha scritto:... Per quanto riguarda Vg2 facendo Kirchhoff alle meglie conosco le tensioni e quel Vg2 si riferisce alla tensione di Ig2 (Corretto?). ...

Questo l'avevamo intuito, ma manca la

con-

ven-

zio-

ne


è possibile che non riusciate a capire che quando si parla di tensione o corrente bisogna sempre specificarla?
"Il circuito ha sempre ragione" (Luigi Malesani)
Avatar utente
Foto UtenteRenzoDF
55,9k 8 12 13
G.Master EY
G.Master EY
 
Messaggi: 13189
Iscritto il: 4 ott 2008, 9:55

0
voti

[7] Re: Correzione esercizio.

Messaggioda Foto Utenteescher » 22 mag 2014, 16:59

Per il generatore di tensione: Ho preso la convenzione che se la corrente entra dal polo negativo e esce da quello positivo scrivo un meno, viceversa scrivo il più.
Per il generatore di corrente: Se la corrente di maglia va nello stesso verso della freccia scrivo il più viceversa scrivo un meno.

E' questo che volevi sapere? Se non è questo non saprei cosa dire...

Sinceramente ho sempre fatto nel modo in cui lavora il mio professore. Essendo al primo approccio con la materia non pensavo si potessero prendere delle convenzioni diverse da quelle che mi hanno spiegato.

Grazie.
Avatar utente
Foto Utenteescher
10 2
 
Messaggi: 14
Iscritto il: 14 mag 2014, 11:40

1
voti

[8] Re: Correzione esercizio.

Messaggioda Foto UtenteRenzoDF » 22 mag 2014, 17:10

escher ha scritto:... Per il generatore di tensione: Ho preso la convenzione che se la corrente entra dal polo negativo e esce da quello positivo scrivo un meno, viceversa scrivo il più.
Per il generatore di corrente: Se la corrente di maglia va nello stesso verso della freccia scrivo il più viceversa scrivo un meno.

Vedo che non sai cosa sia una convenzione, ti consiglio di ripassare il concetto.

Quando nel post
viewtopic.php?t=51951#p500180
scrivevi "credo di aver capito", scusa se te lo dico, ma ti sbagliavi e di grosso! ;-)
... e non sto di certo qui a ripeterlo.

escher ha scritto:... E' questo che volevi sapere? ...

No.

escher ha scritto:...Se non è questo non saprei cosa dire...

Io nemmeno!

Saluti
Renzo
"Il circuito ha sempre ragione" (Luigi Malesani)
Avatar utente
Foto UtenteRenzoDF
55,9k 8 12 13
G.Master EY
G.Master EY
 
Messaggi: 13189
Iscritto il: 4 ott 2008, 9:55

0
voti

[9] Re: Correzione esercizio.

Messaggioda Foto Utenteescher » 22 mag 2014, 17:19

Saluti.
Avatar utente
Foto Utenteescher
10 2
 
Messaggi: 14
Iscritto il: 14 mag 2014, 11:40

1
voti

[10] Re: Correzione esercizio.

Messaggioda Foto UtenteRenzoDF » 22 mag 2014, 17:38

... forse questa vecchia discussione "sulle convenzioni" potrebbe esserti utile.

viewtopic.php?t=43156#p389685
"Il circuito ha sempre ragione" (Luigi Malesani)
Avatar utente
Foto UtenteRenzoDF
55,9k 8 12 13
G.Master EY
G.Master EY
 
Messaggi: 13189
Iscritto il: 4 ott 2008, 9:55

Prossimo

Torna a Elettrotecnica generale

Chi c’è in linea

Visitano il forum: Google [Bot] e 54 ospiti