Salve a tutti,
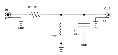
Mi trovo davanti a questo filtro ( riportato brutalmente con screenshoot)
1) Mi sono trovato la funzione di trasferimento e si tratta di una funzione con una coppia di poli complessi coniugati e uno zero nello zero
2) Ho fatto la simulazione con LT Spice
3) Ho messo i dati sperimentali nella simulazione Spice, ma ci sono delle incongruenze che non riesco a giustificarmi
a) cosa accade alle basse frequenze?
b) Considerazioni da fare fra il comportamento reale e quello ideale alla frequenza di risonanza
4) Non ho ben capito cosa è il fattore di qualità e come si calcoli
Ringrazio tutti in anticipo e spero di non tediare nessuno con questi quesiti basilari ma che per me sembrano insormontabili
Rete RLC
Moderatori:
carloc,
g.schgor,
BrunoValente,
IsidoroKZ
9 messaggi
• Pagina 1 di 1
1
voti
[2] Re: Rete RLC
Scaricalo e leggi questa breve guida, poi posta il circuito (fatto in FidoCadJ).

0
voti
[3] Re: Rete RLC
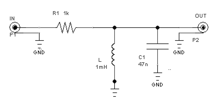
@ L= 1mH @R=1kohm @C=47nC
(scusate se nn l'ho fatto prima... ps: lo so, il mio schema con filocadj è pietoso xD)
Ultima modifica di
Qetsiyah il 5 set 2014, 15:25, modificato 1 volta in totale.
3
voti
[6] Re: Rete RLC
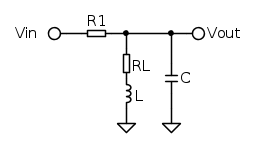
Secondo me l'ipotesi di
EcoTan è buona. Se consideri questo circuito,
ottieni la funzione di trasferimento

che è più compatibile con quello che tu osservi.
Ora, se consideri l'ipotesi
, la tua fdt si può approssimare come

dove abbiamo considerato, visti i valori in gioco, anche l'ipotesi
.
Questo giustifica il fatto che alle alte frequenze il circuito è approssimabile con la fdt calcolata con componenti ideali. Infatti, si ha che per s sufficientemetne grandi (a frequenze oltre lo zero...)

Non ho fatto i conti, ho solo fatto ad occhio e quindi sarebbe da verificare che le ipotesi utilizzate siano soddisfatte. Se questo non fosse vero, allora bisogna pensarci.
ottieni la funzione di trasferimento

che è più compatibile con quello che tu osservi.
Ora, se consideri l'ipotesi
, la tua fdt si può approssimare come
dove abbiamo considerato, visti i valori in gioco, anche l'ipotesi
.Questo giustifica il fatto che alle alte frequenze il circuito è approssimabile con la fdt calcolata con componenti ideali. Infatti, si ha che per s sufficientemetne grandi (a frequenze oltre lo zero...)

Non ho fatto i conti, ho solo fatto ad occhio e quindi sarebbe da verificare che le ipotesi utilizzate siano soddisfatte. Se questo non fosse vero, allora bisogna pensarci.
-

EnChamade
6.498 2 8 12 - G.Master EY

- Messaggi: 588
- Iscritto il: 18 giu 2009, 12:00
- Località: Padova - Feltre
0
voti
[7] Re: Rete RLC
Risposta molto veloce.. tanto per rendervi partecipi della nuova simulazione, della quale posterò a breve lo screen shoot.
1) Inserendo una resistenza molto piccola 12.5 Ohm risolvo le contraddizioni
.. ma come hai fatto a capire ad occhio che ci andava una resistenza? :V
1) Inserendo una resistenza molto piccola 12.5 Ohm risolvo le contraddizioni
.. ma come hai fatto a capire ad occhio che ci andava una resistenza? :V
2
voti
[9] Re: Rete RLC
Qetsiyah ha scritto:ma come hai fatto a capire ad occhio che ci andava una resistenza? :V
Osservando le tue misurazioni, ad occhio si vedeva che in DC avevi un rapporto di tensione dalle parti di -40dB. Questo stava a significare che c'era un pertitore fare ingresso ed uscita con rapporto di partizione dalle parti di 1/100. Dato che il C alla continua é aperto, l'unica soluzione era che la R parassita dell'induttore non fosse trascurabile. Tra l'altro si vedeva già ad occhio che doveva essere dalle parti di 10-12 ohm.
E con il Q come hai risolto? Che considerazioni faresti a riguardo di questo?
-

EnChamade
6.498 2 8 12 - G.Master EY

- Messaggi: 588
- Iscritto il: 18 giu 2009, 12:00
- Località: Padova - Feltre
9 messaggi
• Pagina 1 di 1
Chi c’è in linea
Visitano il forum: Nessuno e 78 ospiti

Elettrotecnica e non solo (admin)
Un gatto tra gli elettroni (IsidoroKZ)
Esperienza e simulazioni (g.schgor)
Moleskine di un idraulico (RenzoDF)
Il Blog di ElectroYou (webmaster)
Idee microcontrollate (TardoFreak)
PICcoli grandi PICMicro (Paolino)
Il blog elettrico di carloc (carloc)
DirtEYblooog (dirtydeeds)
Di tutto... un po' (jordan20)
AK47 (lillo)
Esperienze elettroniche (marco438)
Telecomunicazioni musicali (clavicordo)
Automazione ed Elettronica (gustavo)
Direttive per la sicurezza (ErnestoCappelletti)
EYnfo dall'Alaska (mir)
Apriamo il quadro! (attilio)
H7-25 (asdf)
Passione Elettrica (massimob)
Elettroni a spasso (guidob)
Bloguerra (guerra)







