Salve a tutti,
sono al secondo anno di ingegneria e sto studiando elettronica. A breve avro un parziale su esercizi di circuiti con mosfet, BJT e diodi. Nonostante io abbia studiato la teoria, quando mi trovo davanti un circuito non ho proprio idea da dove iniziare. Qualcuno sa darmi qualche dritta, qualche spiegazione? Vi ringrazio.
Risoluzione circuiti elettrici
Moderatori:
g.schgor,
IsidoroKZ
-
Francesca94
5 2 - Messaggi: 8
- Iscritto il: 26 gen 2015, 18:23
0
voti
[1] Risoluzione circuiti elettrici
0
voti
[2] Re: Risoluzione circuiti elettrici
Ciao, posta un esercizio e prova a risolverlo, poi chiedi quello che non ti è chiaro.


http://millefori.altervista.org
Tool gratuito per chi sviluppa su millefori.
Tutti sanno che una cosa è impossibile da realizzare, finché arriva uno sprovveduto che non lo sa e la inventa. (A. Einstein)
Se non c'e` un 555 non e` un buon progetto (IsidoroKZ)
Strumento per formule
Tool gratuito per chi sviluppa su millefori.
Tutti sanno che una cosa è impossibile da realizzare, finché arriva uno sprovveduto che non lo sa e la inventa. (A. Einstein)
Se non c'e` un 555 non e` un buon progetto (IsidoroKZ)
Strumento per formule
-
Francesca94
5 2 - Messaggi: 8
- Iscritto il: 26 gen 2015, 18:23
-
Francesca94
5 2 - Messaggi: 8
- Iscritto il: 26 gen 2015, 18:23
1
voti
[6] Re: Risoluzione circuiti elettrici
Ok grazie mille!! Ci provo
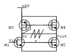
Il circuito è questo:
Il mosfet in alto a destra (M4) ha la freccia che va verso sinistra ed è posizionata sopra(nel drain) e M3 è in corto.
Io sono riuscita a fare parte del circuito ma avevo posto M2 e M1 in saturazione ma nella soluzione c'è scritto che sono in triodo. Quindi io vorrei sapere: perché sono in triodo? Come me ne accorgo? Grazie!
PS.i dati sono Vdd=5v, Vin=3V, Vthn=1, Vthp=-1, beta1= 60 microA/V^2 , beta2=beta3=beta4=20 microA/V^2,.
Se Vout=1,5V quanto vale R? Calcolare Id1,Id2,Id3,Id4,Ir,Vx,R.
Il circuito è questo:
Il mosfet in alto a destra (M4) ha la freccia che va verso sinistra ed è posizionata sopra(nel drain) e M3 è in corto.
Io sono riuscita a fare parte del circuito ma avevo posto M2 e M1 in saturazione ma nella soluzione c'è scritto che sono in triodo. Quindi io vorrei sapere: perché sono in triodo? Come me ne accorgo? Grazie!

PS.i dati sono Vdd=5v, Vin=3V, Vthn=1, Vthp=-1, beta1= 60 microA/V^2 , beta2=beta3=beta4=20 microA/V^2,.
Se Vout=1,5V quanto vale R? Calcolare Id1,Id2,Id3,Id4,Ir,Vx,R.
1
voti
[7] Re: Risoluzione circuiti elettrici
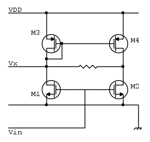
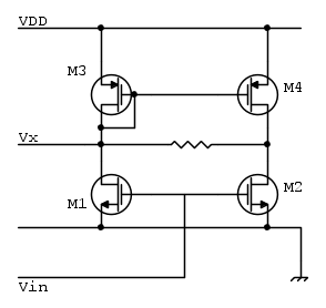
Il tuo disegno è un po confuso
interpreto correttamente se lo ridisegno così?


http://millefori.altervista.org
Tool gratuito per chi sviluppa su millefori.
Tutti sanno che una cosa è impossibile da realizzare, finché arriva uno sprovveduto che non lo sa e la inventa. (A. Einstein)
Se non c'e` un 555 non e` un buon progetto (IsidoroKZ)
Strumento per formule
Tool gratuito per chi sviluppa su millefori.
Tutti sanno che una cosa è impossibile da realizzare, finché arriva uno sprovveduto che non lo sa e la inventa. (A. Einstein)
Se non c'e` un 555 non e` un buon progetto (IsidoroKZ)
Strumento per formule
-
Francesca94
5 2 - Messaggi: 8
- Iscritto il: 26 gen 2015, 18:23
0
voti
[8] Re: Risoluzione circuiti elettrici
-
Francesca94
5 2 - Messaggi: 8
- Iscritto il: 26 gen 2015, 18:23
0
voti
[9] Re: Risoluzione circuiti elettrici
Ciao a tutti! Scusate il disturbo ma qualcuno può rispondere alla mia domanda di prima? Ovvero come faccio a capire se il mosfet é in triodo? Grazie! 

0
voti
[10] Re: Risoluzione circuiti elettrici
Scusami, mi ero perso il post.
Dunque, tu hai supposto che i due MOS fossero in saturazione e hai fatto tutti i calcoli.
Ora, non devi far altro che verificare che la condizione per cui il MOS è in saturazione

sia realmente soddisfatta.
Se non lo è, il MOS è in triodo.

Dunque, tu hai supposto che i due MOS fossero in saturazione e hai fatto tutti i calcoli.
Ora, non devi far altro che verificare che la condizione per cui il MOS è in saturazione

sia realmente soddisfatta.
Se non lo è, il MOS è in triodo.

http://millefori.altervista.org
Tool gratuito per chi sviluppa su millefori.
Tutti sanno che una cosa è impossibile da realizzare, finché arriva uno sprovveduto che non lo sa e la inventa. (A. Einstein)
Se non c'e` un 555 non e` un buon progetto (IsidoroKZ)
Strumento per formule
Tool gratuito per chi sviluppa su millefori.
Tutti sanno che una cosa è impossibile da realizzare, finché arriva uno sprovveduto che non lo sa e la inventa. (A. Einstein)
Se non c'e` un 555 non e` un buon progetto (IsidoroKZ)
Strumento per formule

Elettrotecnica e non solo (admin)
Un gatto tra gli elettroni (IsidoroKZ)
Esperienza e simulazioni (g.schgor)
Moleskine di un idraulico (RenzoDF)
Il Blog di ElectroYou (webmaster)
Idee microcontrollate (TardoFreak)
PICcoli grandi PICMicro (Paolino)
Il blog elettrico di carloc (carloc)
DirtEYblooog (dirtydeeds)
Di tutto... un po' (jordan20)
AK47 (lillo)
Esperienze elettroniche (marco438)
Telecomunicazioni musicali (clavicordo)
Automazione ed Elettronica (gustavo)
Direttive per la sicurezza (ErnestoCappelletti)
EYnfo dall'Alaska (mir)
Apriamo il quadro! (attilio)
H7-25 (asdf)
Passione Elettrica (massimob)
Elettroni a spasso (guidob)
Bloguerra (guerra)









