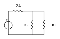
Il circuito è stupido lo so.. allora devo trovare Vr3. Faccio il partitore di tensione tra R1 e R2//R3. Poi?
Circuito resistenze in serie e parallelo, facilissimo
Moderatori:
g.schgor,
IsidoroKZ
8 messaggi
• Pagina 1 di 1
0
voti
Allora io farei il parallelo tra R2//R3 fino qui è ok.
Poi applico la formula e Vr2//r3 = Vg x (R2//R3)/(R1+R2//R3) giusto?
Quindi ora ho la tensione sul parallelo di due resistenze in parallelo e non ho ben capito se sia la stessa tensione che vedo sulle due resistenze prese singolarmente?
Poi applico la formula e Vr2//r3 = Vg x (R2//R3)/(R1+R2//R3) giusto?
Quindi ora ho la tensione sul parallelo di due resistenze in parallelo e non ho ben capito se sia la stessa tensione che vedo sulle due resistenze prese singolarmente?
-

NicholasASR
13 6 - Frequentatore

- Messaggi: 108
- Iscritto il: 7 nov 2015, 12:09
1
voti
NicholasASR ha scritto:la formula e Vr2//r3 = Vg x (R2//R3)/(R1+R2//R3) giusto?
Non la capisco, non conosco l'operazione "//"
NicholasASR ha scritto:non ho ben capito se sia la stessa tensione che vedo sulle due resistenze prese singolarmente?
Già la grafica te lo fa vedere, ma domandati questo: le resistenze R2 ed R3 in parallelo, potrebbero vedere una tensione diversa tra loro?
-

Candy
32,5k 7 10 13 - CRU - Account cancellato su Richiesta utente
- Messaggi: 10123
- Iscritto il: 14 giu 2010, 22:54
0
voti
// è semplicemente due rette parallele per indicare il parallelo .... comunque la mia domanda in pratica è se io faccio il parallelo tra r2 e r3 e tramite il partitore trovo la tensione su questo parallelo... la tensione su r3 singola è uguale alla tensione su r2 e r3 parallelo?
-

NicholasASR
13 6 - Frequentatore

- Messaggi: 108
- Iscritto il: 7 nov 2015, 12:09
1
voti
NicholasASR ha scritto:Quindi ora ho la tensione sul parallelo di due resistenze in parallelo e non ho ben capito se sia la stessa tensione che vedo sulle due resistenze prese singolarmente?
E certo.
Ricorda, dalla teoria, che due resistori in parallelo hanno in comune la d.d.p. ai loro capi, mentre due resistori in serie hanno in comune la corrente che li attraversa.
8 messaggi
• Pagina 1 di 1
Torna a Elettrotecnica generale
Chi c’è in linea
Visitano il forum: Google Adsense [Bot] e 19 ospiti

Elettrotecnica e non solo (admin)
Un gatto tra gli elettroni (IsidoroKZ)
Esperienza e simulazioni (g.schgor)
Moleskine di un idraulico (RenzoDF)
Il Blog di ElectroYou (webmaster)
Idee microcontrollate (TardoFreak)
PICcoli grandi PICMicro (Paolino)
Il blog elettrico di carloc (carloc)
DirtEYblooog (dirtydeeds)
Di tutto... un po' (jordan20)
AK47 (lillo)
Esperienze elettroniche (marco438)
Telecomunicazioni musicali (clavicordo)
Automazione ed Elettronica (gustavo)
Direttive per la sicurezza (ErnestoCappelletti)
EYnfo dall'Alaska (mir)
Apriamo il quadro! (attilio)
H7-25 (asdf)
Passione Elettrica (massimob)
Elettroni a spasso (guidob)
Bloguerra (guerra)


