buona sera a tutti.
ho la necessita di alimentare un utilizzatore audio con le seguenti caratteristiche :
24 volt 1,5 A max
io ho un trafo toroidale da 80va 24 volt.
come transistor ho lm317 2n3055.
visto che in rete c e di tutto voi quale schema mi consigliate , magari che mi generi poco rumore?
in uscita pensavo di mettere 3 elettrolitici da 35 volt 2200mF piu0 un ceramico da 100 nF che dite voi?
lm317 con transistor di potenza
Moderatori:
carloc,
g.schgor,
BrunoValente,
IsidoroKZ
7 messaggi
• Pagina 1 di 1
0
voti
Allo stesso costo dell'LM317 si può avere l'LM338T
che regge, da solo, 5A continui e 7A di picco
nel datasheet trovi gli schemi per i vari utilizzi
http://www.ti.com/lit/ds/symlink/lm138.pdf
oppure
http://www.eleccircuit.com/wp-content/u ... -lm338.jpg
http://www.eleccircuit.com/adjustable-power-supply-1-2-30v-5a-using-lm338/
K
che regge, da solo, 5A continui e 7A di picco
nel datasheet trovi gli schemi per i vari utilizzi
http://www.ti.com/lit/ds/symlink/lm138.pdf
oppure
http://www.eleccircuit.com/wp-content/u ... -lm338.jpg
http://www.eleccircuit.com/adjustable-power-supply-1-2-30v-5a-using-lm338/
K
-

Kagliostro
6.396 4 5 7 - Master

- Messaggi: 4828
- Iscritto il: 19 set 2012, 11:32
0
voti

"Non farei mai parte di un club che accettasse la mia iscrizione" (G. Marx)
-

claudiocedrone
21,3k 4 7 9 - Master EY

- Messaggi: 15300
- Iscritto il: 18 gen 2012, 13:36
0
voti
Ti serve un TR di potenza PNP e non NPN (2N3055)
http://electronics-diy.com/schematics/1246/1.2-36v-5a-adjustable-power-supply-with-lm317.png
Nel link uno dei tanti circuiti canonici.
http://electronics-diy.com/schematics/1246/1.2-36v-5a-adjustable-power-supply-with-lm317.png
Nel link uno dei tanti circuiti canonici.
-

Antonino2017
65 3 - New entry

- Messaggi: 85
- Iscritto il: 24 gen 2017, 20:22
0
voti
Si' però ...
TIP147
http://it.rs-online.com/web/p/transisto ... n/4860301/
LM338T
http://it.rs-online.com/web/p/regolator ... i/0460900/
differenza di prezzo (l'LM338T costa più del TIP147) € 0.078
Val la pena andare di LM317 + Transistor o conviene usare solo l'LM338T ?
K
TIP147
http://it.rs-online.com/web/p/transisto ... n/4860301/
LM338T
http://it.rs-online.com/web/p/regolator ... i/0460900/
differenza di prezzo (l'LM338T costa più del TIP147) € 0.078
Val la pena andare di LM317 + Transistor o conviene usare solo l'LM338T ?
EDIT: Io non ne capisco di Stato Solido, però qui mostrano un circuito che usa l'LM317 con un paio di 2N3055 ....
http://electronics-diy.com/power-supply-lm317-2n3055-0-28v-6-8a.php
e qui altri esempi
http://www.circuitdiagram.org/images/lm317-5a-variable-adjustable-supply-circuit.gif
http://www.circuitdiagram.org/lm317-5a-variable-power-supply.html
http://powersupply33.com/15-ampere-adjustable-power-supply.html
http://www.pocketmagic.net/wp-content/uploads/2010/02/LM317-30V-variable-high-power-supply-6-20A-max.jpg
http://www.pocketmagic.net/variable-regulated-power-supply/
K
-

Kagliostro
6.396 4 5 7 - Master

- Messaggi: 4828
- Iscritto il: 19 set 2012, 11:32
2
voti
Antonino2017 ha scritto:Nel link uno dei tanti circuiti canonici.
R1 da 1kohm? Lascerei perdere quel sito. Anche R2 da 1kohm non promette tanto bene, e i condensatori piccoli e grossi in parallelo mi fanno venire un po' di orticaria, anche se in questo caso la probabilita` che diano problemi e` veramente minima.
Per usare proficuamente un simulatore, bisogna sapere molta più elettronica di lui
Plug it in - it works better!
Il 555 sta all'elettronica come Arduino all'informatica! (entrambi loro malgrado)
Se volete risposte rispondete a tutte le mie domande
Plug it in - it works better!
Il 555 sta all'elettronica come Arduino all'informatica! (entrambi loro malgrado)
Se volete risposte rispondete a tutte le mie domande
0
voti
Ciao
IsidoroKZ
Sì, di questo mi pare si sia parlato tempo fa
E' comunque una configurazione che si vede messa in atto anche da marchi commerciali
ad esempio la Korg, attuale proprietaria del marchio VOX, lo fa
in giro si vocifera che sia per sopperire al fatto che gli elettrolitici usati non siano propriamente il massimo
della qualità (
)
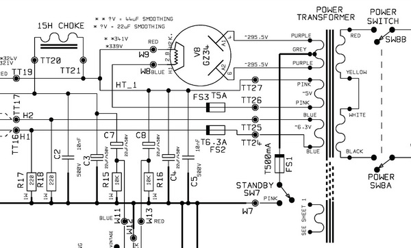
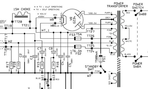
http://i.imgur.com/1AjQEOf.jpg
K
.... i condensatori piccoli e grossi in parallelo mi fanno venire un po' di orticaria
Sì, di questo mi pare si sia parlato tempo fa
E' comunque una configurazione che si vede messa in atto anche da marchi commerciali
ad esempio la Korg, attuale proprietaria del marchio VOX, lo fa
in giro si vocifera che sia per sopperire al fatto che gli elettrolitici usati non siano propriamente il massimo
della qualità (
http://i.imgur.com/1AjQEOf.jpg
K
-

Kagliostro
6.396 4 5 7 - Master

- Messaggi: 4828
- Iscritto il: 19 set 2012, 11:32
7 messaggi
• Pagina 1 di 1
Chi c’è in linea
Visitano il forum: Google [Bot] e 42 ospiti

Elettrotecnica e non solo (admin)
Un gatto tra gli elettroni (IsidoroKZ)
Esperienza e simulazioni (g.schgor)
Moleskine di un idraulico (RenzoDF)
Il Blog di ElectroYou (webmaster)
Idee microcontrollate (TardoFreak)
PICcoli grandi PICMicro (Paolino)
Il blog elettrico di carloc (carloc)
DirtEYblooog (dirtydeeds)
Di tutto... un po' (jordan20)
AK47 (lillo)
Esperienze elettroniche (marco438)
Telecomunicazioni musicali (clavicordo)
Automazione ed Elettronica (gustavo)
Direttive per la sicurezza (ErnestoCappelletti)
EYnfo dall'Alaska (mir)
Apriamo il quadro! (attilio)
H7-25 (asdf)
Passione Elettrica (massimob)
Elettroni a spasso (guidob)
Bloguerra (guerra)


