Salve a tutti e complimenti per i suggerimenti e le spiegazioni sempre precise e dettagliate.
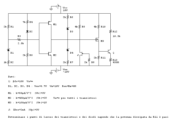
Sono alle prese con questo circuito. Volevo chiedervi quale sia il modo più veloce ed efficace per la sua risoluzione. Dovrei trovare i punti di lavoro dei transistori e dei diodi.
Grazie in anticipo...
analisi circuito
Moderatori:
carloc,
g.schgor,
BrunoValente,
IsidoroKZ
11 messaggi
• Pagina 1 di 2 • 1, 2
1
voti
Il metodo piu` veloce ed efficace e` quello di mettere i pallini dove servono, altrimenti lo schema e` illeggibile. Per i pallini vedi qui
Per usare proficuamente un simulatore, bisogna sapere molta più elettronica di lui
Plug it in - it works better!
Il 555 sta all'elettronica come Arduino all'informatica! (entrambi loro malgrado)
Se volete risposte rispondete a tutte le mie domande
Plug it in - it works better!
Il 555 sta all'elettronica come Arduino all'informatica! (entrambi loro malgrado)
Se volete risposte rispondete a tutte le mie domande
1
voti
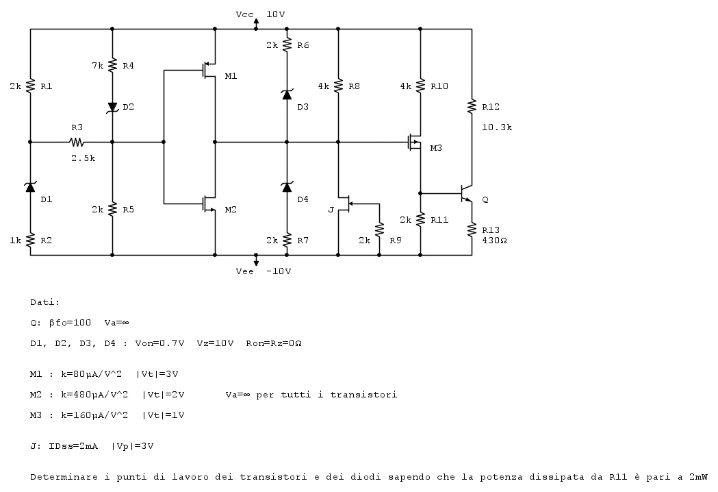
...ecco, così dovrebbe andar bene...
0
voti
Non capisco a che cosa serva l'indicazione che R11 dissipa 2mW. Mi sembra che per risolvere il circuito non sia richiesto quel dato, dovrebbe potersi risolvere anche senza. Pero` non ho ancora provato a farlo!
Direi che convenga risolvere dapprima la rete che va sui gate di M1 ed M2. D2 molto probabilmente e` in conduzione diretta (sicuro che sia girato in quel modo?), mentre D1 non lo so, bisogna fare i conti, ma direi che si acceso anche lui.
Da questa rete trovi la tensione dei gate e la corrente dei due MOS, supponendo che siano in zona satura. Poi fai l'equivalente Thevenin di R8, J e la corrente dei due MOS, per decidere quale dei due diodi D3 e D4 e` in conduzione. Entrambi non possono essere in conduzione, se la tensione dell'equivalente Thevenin e` positiva, conduce D4, altrimenti conduce D3. Sapendo quale dei due e` in conduzione, calcoli la tensione di gate di M2, e speri di trovare una tensione di source di 2V, che corrispondono a 2mW su R11.
Il transistore Q mi sembra saturo, sei sicuro di tutti i dati? Eventualmente piu` tardi provo a farlo "per bene". Che formula usate per la corrente nel MOS saturo?
Direi che convenga risolvere dapprima la rete che va sui gate di M1 ed M2. D2 molto probabilmente e` in conduzione diretta (sicuro che sia girato in quel modo?), mentre D1 non lo so, bisogna fare i conti, ma direi che si acceso anche lui.
Da questa rete trovi la tensione dei gate e la corrente dei due MOS, supponendo che siano in zona satura. Poi fai l'equivalente Thevenin di R8, J e la corrente dei due MOS, per decidere quale dei due diodi D3 e D4 e` in conduzione. Entrambi non possono essere in conduzione, se la tensione dell'equivalente Thevenin e` positiva, conduce D4, altrimenti conduce D3. Sapendo quale dei due e` in conduzione, calcoli la tensione di gate di M2, e speri di trovare una tensione di source di 2V, che corrispondono a 2mW su R11.
Il transistore Q mi sembra saturo, sei sicuro di tutti i dati? Eventualmente piu` tardi provo a farlo "per bene". Che formula usate per la corrente nel MOS saturo?
Per usare proficuamente un simulatore, bisogna sapere molta più elettronica di lui
Plug it in - it works better!
Il 555 sta all'elettronica come Arduino all'informatica! (entrambi loro malgrado)
Se volete risposte rispondete a tutte le mie domande
Plug it in - it works better!
Il 555 sta all'elettronica come Arduino all'informatica! (entrambi loro malgrado)
Se volete risposte rispondete a tutte le mie domande
0
voti
Sono "normali" zener da 10V che polarizzati in diretta conducono come tutti i diodi.
Per usare proficuamente un simulatore, bisogna sapere molta più elettronica di lui
Plug it in - it works better!
Il 555 sta all'elettronica come Arduino all'informatica! (entrambi loro malgrado)
Se volete risposte rispondete a tutte le mie domande
Plug it in - it works better!
Il 555 sta all'elettronica come Arduino all'informatica! (entrambi loro malgrado)
Se volete risposte rispondete a tutte le mie domande
0
voti
Ho rivisto lo schema ma non ci sono errori nella disposizione dei componenti.
Anche la potenza dissipata su R11 è espressamente dichiarata.
Per la corrente nel MOS quando è in saturazione usiamo la seguente formula:
Anche la potenza dissipata su R11 è espressamente dichiarata.
Per la corrente nel MOS quando è in saturazione usiamo la seguente formula:
0
voti
[10] Re: analisi circuito
Ho chiesto la formula del MOS perche' ci sono due versioni, con k/2 e k soltanto.
Comincia a calcolare la rete sui gati di M1 e M2. Per fare in fretta potresti togliere R3 e calcolare le tensioni equivalenti e le resistenze equivalenti dei due rami che restano. In questa condizioni i due diodi sono in conduzione. Poi aggiungi R3, trovi la tensione ai capi di R3 e verifichi che i due diodi siano ancora in conduzione. A questo punto hai la tensione dei gate. Prova e vediamo quanto viene.
Comincia a calcolare la rete sui gati di M1 e M2. Per fare in fretta potresti togliere R3 e calcolare le tensioni equivalenti e le resistenze equivalenti dei due rami che restano. In questa condizioni i due diodi sono in conduzione. Poi aggiungi R3, trovi la tensione ai capi di R3 e verifichi che i due diodi siano ancora in conduzione. A questo punto hai la tensione dei gate. Prova e vediamo quanto viene.
Per usare proficuamente un simulatore, bisogna sapere molta più elettronica di lui
Plug it in - it works better!
Il 555 sta all'elettronica come Arduino all'informatica! (entrambi loro malgrado)
Se volete risposte rispondete a tutte le mie domande
Plug it in - it works better!
Il 555 sta all'elettronica come Arduino all'informatica! (entrambi loro malgrado)
Se volete risposte rispondete a tutte le mie domande
11 messaggi
• Pagina 1 di 2 • 1, 2
Chi c’è in linea
Visitano il forum: Nessuno e 438 ospiti

Elettrotecnica e non solo (admin)
Un gatto tra gli elettroni (IsidoroKZ)
Esperienza e simulazioni (g.schgor)
Moleskine di un idraulico (RenzoDF)
Il Blog di ElectroYou (webmaster)
Idee microcontrollate (TardoFreak)
PICcoli grandi PICMicro (Paolino)
Il blog elettrico di carloc (carloc)
DirtEYblooog (dirtydeeds)
Di tutto... un po' (jordan20)
AK47 (lillo)
Esperienze elettroniche (marco438)
Telecomunicazioni musicali (clavicordo)
Automazione ed Elettronica (gustavo)
Direttive per la sicurezza (ErnestoCappelletti)
EYnfo dall'Alaska (mir)
Apriamo il quadro! (attilio)
H7-25 (asdf)
Passione Elettrica (massimob)
Elettroni a spasso (guidob)
Bloguerra (guerra)









