Cos'è ElectroYou | Login Iscriviti

ElectroYou - la comunità dei professionisti del mondo elettrico

Esercizio su circuito magnetico

Circuiti, campi elettromagnetici e teoria delle linee di trasmissione e distribuzione dell’energia elettrica

Moderatori: Foto Utenteg.schgor, Foto UtenteIsidoroKZ

3
voti

[1] Esercizio su circuito magnetico

Messaggioda Foto Utenteaber24 » 27 ago 2017, 9:53

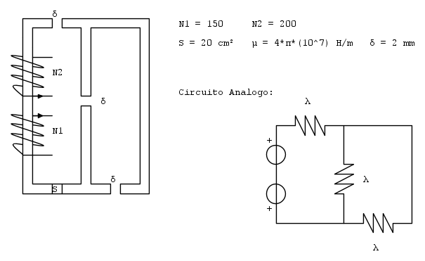
Salve a tutti vorrei chiedere aiuto per la risoluzione del seguente esercizio:

Le richieste del problema sono di calcolare il coefficiente di auto e mutua induzione dei 2 avvolgimenti nell'ipotesi di trascurare la riluttanza del ferro e il flusso disperso, e infine calcolare il fattore di accoppiamento tra i due avvolgimenti.
Ho provato ad iniziare il problema calcolando la riluttanza dei traferri: \lambda=\frac {\delta}{\mu \cdot S}=7,96 \cdot 10^5 H^{-1}.
In seguito utilizzando il metodo della sovrapposizione degli effetti ho calcolato:L_1=\frac {\Lambda_1}{i_1}(i_2=0)=\frac {N_1 \cdot \varphi_1}{i_1}.
Il flusso \varphi_1=\frac {N_1 \cdot i_1}{\lambda_{eq}}=1,26 \cdot 10^{-4} \cdot i_1 considerando \lambda_{eq}=\frac {\lambda}{2} \cdot \lambda=1,19 \cdot 10^6 H^{-1}.
Per cui L_1=18,9mH.
Con un simile processo ho trovato L_2=33,5mH.
Arrivato a questo punto però non so come continuare per trovare il coefficiente di mutua induzione ed il fattore di mutuo accoppiamento.
Grazie in anticipo in caso di risposta e scusatemi se per caso ho fatto qualche errore.
Avatar utente
Foto Utenteaber24
20 3
 
Messaggi: 5
Iscritto il: 26 ago 2017, 18:09

1
voti

[2] Re: Esercizio su circuito magnetico

Messaggioda Foto Utentemir » 27 ago 2017, 11:09

aber24 ha scritto:il coefficiente di mutua induzione...

Immagino che anche nel tuo libro di testo il coefficiente di mutua induzione M sia definito dalla relazione
M=k\sqrt{L_{1}L_{2}} in Henry.

nel caso di accoppiamento perfetto k (fattore di accoppiamento) vale 1 in tutti gli altri casi k<1 nel caso di due circuiti magneticamente indipendeti si ha k=0 (accoppiamento nullo) e pertanto anche M vale 0
I circuiti sono controcorrente. Seguono sempre la massa

-Per rispondere utilizza il tasto [RISPONDI] e non il tasto [CITA], grazie.-
Avatar utente
Foto Utentemir
66,0k 9 12 13
G.Master EY
G.Master EY
 
Messaggi: 21870
Iscritto il: 19 ago 2004, 21:10

3
voti

[3] Re: Esercizio su circuito magnetico

Messaggioda Foto UtenteDanteCpp » 28 ago 2017, 10:38

\mathfrak{R_t}=\frac {\delta}{\mu \cdot S}=7,96 \cdot 10^5 \text{H}^{-1}.



N_1 I_1 -N_2 I_2 = \mathfrak{R_t} \Phi_1 + \mathfrak{R_t} (\Phi_1-\Phi_2),
N_1 I_1 -N_2 I_2 = \mathfrak{R_t} \Phi_1 + \mathfrak{R_t} \Phi_2.

Il flusso che si concatena con i nostri avvolgimenti è \Phi_1, quindi è l'unico che siamo interessati a determinare. Isolando \Phi_2 dalla seconda e sostituendo nella prima, si ottiene

\Phi_1 = \frac23 \frac{N_1 }{\mathfrak{R_t}} I_1- \frac23 \frac{N_2}{\mathfrak{R_t}} I_2.

I flussi concatenati saranno quindi:

\Phi_{c1} = \frac23 \frac{N_1^2}{\mathfrak{R_t}} I_1- \frac23  \frac{N_1 N_2 }{\mathfrak{R_t}} I_2,

\Phi_{c2} = - \frac23 \frac{N_1N_2}{\mathfrak{R_t}} I_1+\frac23  \frac{N_2^2 }{\mathfrak{R_t}} I_2.

Pertanto,

M= \frac23 \frac{N_1 N_2}{\mathfrak{R_t}}.

Ora puoi calcolare il coefficiente di accoppiamento, grazie alla formula che ti ha suggerito mir.
Avatar utente
Foto UtenteDanteCpp
4.730 3 9 13
Master EY
Master EY
 
Messaggi: 1106
Iscritto il: 15 dic 2011, 18:51

1
voti

[4] Re: Esercizio su circuito magnetico

Messaggioda Foto Utenteaber24 » 28 ago 2017, 12:06

Grazie mille ad entrambi per la risposta. :D
Avatar utente
Foto Utenteaber24
20 3
 
Messaggi: 5
Iscritto il: 26 ago 2017, 18:09

2
voti

[5] Re: Esercizio su circuito magnetico

Messaggioda Foto UtenteDanteCpp » 28 ago 2017, 17:10

Il metodo che ti ho presentato sopra è piuttosto sistematico e si può applicare a qualsiasi circuito magnetico. Tuttavia non è il metodo più rapido per risolvere questo esercizio.
Considerando che i due generatori di flusso sono nello stesso ramo, conviene semplificare il circuito con semplici operazioni di serie e parallelo tra riluttanze, ed infine ricavare il flusso dalla legge di Hopkinson.

\mathfrak{R}=\mathfrak{R_t} +\mathfrak{R_t} \| \mathfrak{R_t}= \mathfrak{R_t} + \frac{\mathfrak{R_t}}{2} = \frac{3}{2} \; \mathfrak{R_t}

\Phi = \frac{N_1 I_1 -N_2 I_2}{\mathfrak{R} } =  \frac23 \frac{N_1 }{\mathfrak{R_t}} I_1- \frac23 \frac{N_2}{\mathfrak{R_t}} I_2

Ottenendo lo stesso risultato semplicemente ispezionando il circuito.

Il tuo post è un ottimo primo post. Comunque, ti consiglio di usare le librerie standard di FidoCadJ per disegnare i circuiti e di scrivere le formule in righe indipendenti.
Quest'ultimo accorgimento in particolare, rende i post molto più leggibili ed attraenti per un eventuale lettore.
Avatar utente
Foto UtenteDanteCpp
4.730 3 9 13
Master EY
Master EY
 
Messaggi: 1106
Iscritto il: 15 dic 2011, 18:51


Torna a Elettrotecnica generale

Chi c’è in linea

Visitano il forum: Nessuno e 58 ospiti