Cos'è ElectroYou | Login Iscriviti

ElectroYou - la comunità dei professionisti del mondo elettrico

Caricabatterie piombo acido 12v

Tecniche per la costruzione e la riparazione di apparecchiature elettriche e non. Ricerca guasti. Adattamenti e riutilizzazioni
0
voti

[1] Caricabatterie piombo acido 12v

Messaggioda Foto Utenteelektronik » 2 mag 2021, 8:42

GuidoB ha scritto:Visto che lo vuoi costruire, ti propongo la versione riveduta e corretta del circuito
della rivista

Ciao Guido, ti avevo risposto stanotte ma stamattina ho acceso il computer e ho notato che hai scritto che "Questo caricabatterie va staccato quando il LED giallo si spegne (evita di lasciarlo attaccato per giorni e giorni" A me sevirebbe uno che stacca e attacca automaticamente o che riesca ad abbassare la corrente in modo che la batteria nel mio caso tampone, possa rimanere sempre attaccata per tutto il suo ciclo vitale. Credo che con un transistor un paio di resistenze ed un relè oppure un powerfet fatto pilotare dalla tensione del diodo giallo possa funzionare.
Avatar utente
Foto Utenteelektronik
7.800 4 6 7
Master
Master
 
Messaggi: 3836
Iscritto il: 12 mag 2015, 22:26

3
voti

[2] Re: Caricabatterie piombo acido 12v

Messaggioda Foto UtenteGuidoB » 3 mag 2021, 1:39

Ciao Foto Utenteelektronik,
bisognerebbe sapere come usi la batteria.

Se la usi in modo ciclico (la colleghi al caricabatterie e la carichi, poi la colleghi al carico e la scarichi, e così via) va bene il circuito sopra (che devi ricordare di staccare), oppure il circuito che appare in questo articolo, che riporto qui:

Questa seconda versione smette di caricare la batteria quando la carica è completa, quindi puoi anche dimenticarlo attaccato e la batteria non si sovracaricherà.
Quando è carica, le invia una tensione di mantenimento di 13,8 V. Però non è un vero "tampone" e non dovresti lasciar collegato un carico alla batteria mentre la carichi.

Bisogna fare un appunto: in entrambi i circuiti, quando la batteria invecchia e la sua tensione a fine carica si abbassa, è possibile che la fine carica non venga riconosciuta. Se dopo le ore necessarie a una carica completa il LED giallo non si è ancora spento, il caricabatterie va staccato manualmente.
Si potrebbe aggiungere un secondo LED giallo che indica la fine carica per le batterie "stanche".



Il vero "tampone" è quando l'alimentazione è sempre collegata, alimenta il carico e mantiene carica la batteria, e la batteria interviene solo occasionalmente quando manca l'alimentazione.

In questo caso il circuito è diverso, e anche più semplice:

Per correnti di carico superiori a 800 mA bisognerà aumentare proporzionalmente le portate del fusibile e del diodo.
Per batterie di maggiore capacità bisognerà diminuire proporzionalmente R1 e aumentare la sua potenza.
L'alimentatore dovrà accettare la tensione della batteria sull'uscita senza consumare troppa corrente e senza rompersi.

Se vuoi ti disegno un alimentatore simile ai precedenti, ma con collegamento in tampone della batteria. Sarebbe utile sapere quanto consuma il tuo circuito.
Big fan of ƎlectroYou!       Ausili per disabili e anziani su ƎlectroYou
Caratteri utili: À È É Ì Ò Ó Ù α β γ δ ε η θ λ μ π ρ σ τ φ ω Ω º ª ² ³ √ ∛ ∜ ₀ ₁ ₂ ₃ ₄ ₅ ₆ ∃ ∄ ∆ ∈ ∉ ± ∓ ∾ ≃ ≈ ≠ ≤ ≥
Avatar utente
Foto UtenteGuidoB
17,8k 7 12 13
G.Master EY
G.Master EY
 
Messaggi: 2809
Iscritto il: 3 mar 2011, 16:48
Località: Madrid

0
voti

[3] Re: Caricabatterie piombo acido 12v

Messaggioda Foto Utenteelektronik » 3 mag 2021, 8:17

Allora se non erro il terzo circuito farebbe al caso mio, io ho una batteria da 12v 1.2 Ah, credo che se la carica la effettuo con un alimentatore fatto con un LM317 regolato tra 12.20 V - 12.40V dovrei farcela senza che la batteria venga sovracaricata, il motore assorbe massimo 300mA e lavora massimo un minuto la mattina, e un minuto la sera, grazie per l'aiuto
Avatar utente
Foto Utenteelektronik
7.800 4 6 7
Master
Master
 
Messaggi: 3836
Iscritto il: 12 mag 2015, 22:26

1
voti

[4] Re: Caricabatterie piombo acido 12v

Messaggioda Foto Utentestefanopc » 3 mag 2021, 8:32

Se è una batteria in tampone come quella di un allarme specialmente se a gel ( sempre in carica tranne le poche volte che manca la 220 V) non si fa più la carica a tensione maggiore e poi si riduce.

Quella va bene per l'uso a cicli (prima la carichi e poi la scarichi ) e in questo caso le pb gel vanno caricate a 13. 8 V altrimenti si rovinano dopo pochissimo.

Tornando al caso utilizzo in tampone si fa la carica a 13.4 V esatti che è anche la tensione di mantenimento.


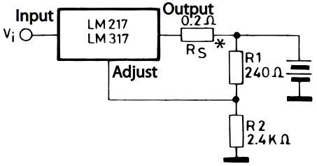
Lo schema piu semplice è questo.
2506cd00000455_5.jpg
2506cd00000455_5.jpg (16.76 KiB) Osservato 8175 volte

Preso dal vecchio manuale della national semiconductor.
https://www.google.it/url?sa=t&source=w ... gljjQIEUFE
Manca il diodo di uscita che potresti mettere schottky così perdi solo 0.2V
Il trimmer di regolazione andrebbe bene da 4.7k al posto di R2.
Rs andrebbe probabilmente bene da 0.1 Ohm

Alla pagina 20 del manuale di National trovi la figura che ti ho allegato e una mini formula per calcolare la corrente di uscita.
La spiegazione completa è a pagina 8.
La tensione di ingresso andrebbe almeno 18 - 20V.
Ciao

Tensioni superiori come 14.4 sono solo per batterie con elettrolita liquido e non per le pb-gel.

Ciao
Ultima modifica di Foto Utentestefanopc il 3 mag 2021, 8:47, modificato 2 volte in totale.
600 Elettra
Avatar utente
Foto Utentestefanopc
13,3k 5 9 13
Master EY
Master EY
 
Messaggi: 5566
Iscritto il: 4 ago 2020, 9:11

0
voti

[5] Re: Caricabatterie piombo acido 12v

Messaggioda Foto Utenteelektronik » 3 mag 2021, 8:42

stefanopc ha scritto:Se è una batteria in tampone come quella di un allarme specialmente se a gel ( sempre in carica tranne le poche volte che manca la 220 V) non si fa più la carica a tensione maggiore e poi si riduce. Si fa la carica a 13.4 V esatti che è anche la tensione di mantenimento.

ho notato che le batterie da 12V - 1.2Ah massimo arrivano ad una carica di 12.60, quindi deduco che la carica di mantenimento dovrebbe restare sui 12.40V con una corrente di 120mA
Avatar utente
Foto Utenteelektronik
7.800 4 6 7
Master
Master
 
Messaggi: 3836
Iscritto il: 12 mag 2015, 22:26

0
voti

[6] Re: Caricabatterie piombo acido 12v

Messaggioda Foto Utentestefanopc » 3 mag 2021, 11:57

20210503_114525.jpg

Questo è un tipico grafico della tensione di carica per le batterie a gel.
Si vede la tensione di carica in funzione della temperatura
In blu la tensione di carica in tampone.
Se la batteria è spesso al caldo (in casa ) meglio stare un po più bassi sui 13.4V
Se la batteria è prevalentemente al freddo va bene 13.6V
La corrente massima va limitata a 1/10 della capacità in Ah quindi è giusto limitare a 120mA.
Ciao
600 Elettra
Avatar utente
Foto Utentestefanopc
13,3k 5 9 13
Master EY
Master EY
 
Messaggi: 5566
Iscritto il: 4 ago 2020, 9:11

1
voti

[7] Re: Caricabatterie piombo acido 12v

Messaggioda Foto Utenteelektronik » 3 mag 2021, 14:41

stefanopc ha scritto:
20210503_114525.jpg

Questo è un tipico grafico della tensione di carica per le batterie a gel.
Si vede la tensione di carica in funzione della temperatura
In blu la tensione di carica in tampone.
Se la batteria è spesso al caldo (in casa ) meglio stare un po più bassi sui 13.4V
Se la batteria è prevalentemente al freddo va bene 13.6V
La corrente massima va limitata a 1/10 della capacità in Ah quindi è giusto limitare a 120mA.
Ciao

alloora ci ho acchiappato come dicono quà in Toscana. Grazie per il chiarimento
Avatar utente
Foto Utenteelektronik
7.800 4 6 7
Master
Master
 
Messaggi: 3836
Iscritto il: 12 mag 2015, 22:26

2
voti

[8] Re: Caricabatterie piombo acido 12v

Messaggioda Foto UtenteGuidoB » 4 mag 2021, 0:58

stefanopc ha scritto:Quella va bene per l'uso a cicli (prima la carichi e poi la scarichi ) e in questo caso le pb gel vanno caricate a 13. 8 V altrimenti si rovinano dopo pochissimo.

Veramente io ho letto, su libri, siti web e anche sulle batterie piombo gel di diversi fabbricanti, dati abbastanza allineati su questi:

a 20 ºC:
per uso in tampone (standby) tensione di carica 13,5 - 13,8 V
per uso ciclico, tensione finale di carica = 14,4 - 15 V:

DSCN4920o.JPG
Batteria piombo gel 12 V 7,2 Ah con tensioni di ricarica consigliate

La corrente iniziale di carica, su batterie recenti, può anche arrivare a 1/4 della capacità, come si può calcolare dai dati in foto.

In uso ciclico, ho letto che la carica si considera completa quando la corrente (in A), alla tensione finale di carica, è scesa a 1/30 della capacità della batteria (in Ah). A quel punto la carica va interrotta, altrimenti la batteria si rovina.
Sulla base di questo ho progettato il caricabatteria "ciclico" a distacco automatico.

Ho visto nella pratica che, quando le batterie invecchiano, spesso la fine carica non viene rilevata, e quindi il LED giallo resta acceso indefinitamente e continuano ad essere caricate a tensione eccessiva. In tal caso conviene sostituirle.
Se proprio si vuole sfruttarle fino all'ultimo, si può aggiungere un secondo LED giallo che si spegne a circa metà della carica di assorbimento, cosa che avviene anche con le batterie vecchie. Dopo un tempo limitato (quanto, dipende dalla batteria) dovrebbe spegnersi anche il primo LED giallo e la carica interrompersi. Se questo non succede, si può staccare la batteria manualmente e utilizzarla "finché va", senza garanzia di affidabilità.

Nel caso ciclico ho visto nella pratica che non serve a molto considerare la dipendenza della tensione finale dalla temperatura (almeno per le batterie piccole che uso io), perché comunque la differenza di tempo nel rilevamento di fine carica è piccola (dell'ordine della decina di minuti).

Invece, per la carica in tampone che è quella che serve a te Foto Utenteelektronik:
elektronik ha scritto:ho notato che le batterie da 12V - 1.2Ah massimo arrivano ad una carica di 12.60, quindi deduco che la carica di mantenimento dovrebbe restare sui 12.40V con una corrente di 120mA

No. Con 12,6 V non si ricaricano, e una volta scaricate si rovinano. Devi usare 13,5 - 13,8 V (e la corrente, una volta cariche, scende da sola a circa 4 mA per batterie da 2 Ah).
Io sto sui 13,7 V (in casa) e durano molti anni. Ad ogni modo, segui le prudenti indicazioni di Foto Utentestefanopc:
stefanopc ha scritto:Se la batteria è spesso al caldo (in casa ) meglio stare un po più bassi sui 13.4V
Se la batteria è prevalentemente al freddo va bene 13.6V


elektronik ha scritto:

I valori che hai messo non vanno bene. Un fusibile da 150 mA fonde non appena parte un motore che assorbe 300 mA (e probabilmente allo spunto di più). Io starei un po' alto, con un fusibile da 2 - 3 A ritardato e un diodo che regga almeno quella corrente.
Una resistenza da 100 ohm non va bene, la carica in tampone sarebbe troppo lenta. Stai sulla decina di ohm, e almeno 1 W.
Big fan of ƎlectroYou!       Ausili per disabili e anziani su ƎlectroYou
Caratteri utili: À È É Ì Ò Ó Ù α β γ δ ε η θ λ μ π ρ σ τ φ ω Ω º ª ² ³ √ ∛ ∜ ₀ ₁ ₂ ₃ ₄ ₅ ₆ ∃ ∄ ∆ ∈ ∉ ± ∓ ∾ ≃ ≈ ≠ ≤ ≥
Avatar utente
Foto UtenteGuidoB
17,8k 7 12 13
G.Master EY
G.Master EY
 
Messaggi: 2809
Iscritto il: 3 mar 2011, 16:48
Località: Madrid

2
voti

[9] Re: Caricabatterie piombo acido 12v

Messaggioda Foto Utentestefanopc » 4 mag 2021, 8:33

Sai i fabbricanti (non tutti ) mirano a fare in modo che tu cambi la batteria finita la garanzia.
Il mio obbiettivo invece è far durare la mia batteria il più possibile oltre che per un motivo economico anche un motivo morale e "ecologico".
La fretta con le batterie non va d'accordo.
Caricare velocemente specialmente senza motivo è sempre dannoso specie con le pb-gel.
Quindi le regole sono sempre le solite da una vita.
Carica a un decimo della capacità in Ah
Fine carica come da grafico in funzione della temperatura.
Tensione differenziata se a cicli o tampone.
Col piombo non c'è più nulla da inventare.
Pensa alle batterie delle automobili dentro il vano motore.
E il regolatore dell'alternatore regolato a 14.4V sempre da - 20 a 50°C.
Poi quando la batteria è carica la tensione di mantenimento non passa a13. 8 come si dovrebbe ma rimane invariata a 14.4V.
Poi i tappi li sigilli così non puoi aggiungere l'acqua e dopo 4 o 5 anni dovrai cambiare la batteria.
Ecco spiegato il mistero delle batterie *senza manutenzione ".
Infatti io compro ancora quelle coi tappi.
20210504_083338.jpg

Ecco questi sono alcuni elementi di batteria che sono stati sostituiti dopo 30 anni di servizio giusto la scorsa settimana qui dove lavoro.
Sono elementi singoli 2v 5000Ah
Nel campo delle telecomunicazioni c'è una cultura storica in questo campo.
Tutte le apparecchiature sono alimentate a 48V nominali.
Se serve documentazione in merito io faccio sempre riferimento a Sonnenschein che sulle batterie a pb-gel sono i più affermati storicamente.
https://www.google.it/url?sa=t&source=w ... evpslAany7
Se vuoi ti metto le foto del manuale degli anni '80 con i grafici fatti molto più accuratamente.
Ciao
600 Elettra
Avatar utente
Foto Utentestefanopc
13,3k 5 9 13
Master EY
Master EY
 
Messaggi: 5566
Iscritto il: 4 ago 2020, 9:11

0
voti

[10] Re: Caricabatterie piombo acido 12v

Messaggioda Foto Utentestefanopc » 4 mag 2021, 9:05

Riguardo allo schema per elektronik stasera provo a mettere uno schemino di come lo farei io.
Ciao
600 Elettra
Avatar utente
Foto Utentestefanopc
13,3k 5 9 13
Master EY
Master EY
 
Messaggi: 5566
Iscritto il: 4 ago 2020, 9:11

Prossimo

Torna a Costruzione, riparazione, riutilizzo

Chi c’è in linea

Visitano il forum: Nessuno e 18 ospiti