Ciao a tutti,
vorrei costruire un circuito pilotato da Arduino, che tiri fuori una PWM la quale apre e chiude un Fet regolando l' intensità di luce di una striscia a LED.
Stiamo parlando quindi di tensione continua in ingresso, PWM in uscita. La frequenza della PWM di arduino è 976 Hz sui pin 5 e 6 e 488 Hz sui pin 9,10, 3, 11 .
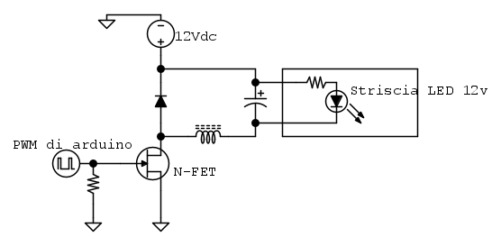
Guarda questo schema:
Per stabilizzare la tensione e quindi limitare il ripple vorrei mettere un condensatore ma credo che questa mia idea sia sbagliata, visto che siamo in tensione alternata (PWM) il condensatore ha una sua reattanza quindi andrebbe ad abbassare la tensione ai capi del carico (nel mio caso la striscia di led).
Il Duty-Cycle varia in base a come programmerò Arduino, quindi potrò avere anche valori minimi di tensione ai capi del carico, ad esempio 90%off del Periodo e solo il 10% on. pertanto, anche se l occhio umano non "vede" lo sfarfallìo, magari una Fotocamera si. Dovrei stabilizzare in qualche modo l onda quadra ai capi del carico, e ottenere una tensione costante quanto più possibile (magari con un Ripple del 10-20%).
Cosa mi consigliate di fare?
Grazie per la pazienza...
PWM di Arduino e condensatore in uscita
36 messaggi
• Pagina 1 di 4 • 1, 2, 3, 4
0
voti
Una domanda ben posta è già mezza risposta.
0
voti
Esatto, ti sei risposto da solo.konig87 ha scritto:Per stabilizzare la tensione e quindi limitare il ripple vorrei mettere un condensatore ma credo che questa mia idea sia sbagliata
Devi ottenere un convertitore,
saluti.
-

lelerelele
4.899 3 7 9 - Master

- Messaggi: 5505
- Iscritto il: 8 giu 2011, 8:57
- Località: Reggio Emilia
0
voti
Se vuoi comandare la striscia led in PWM direttamente il primo schema va bene ma non mettere assolutamente il condensatore.
Non importa se i diodi si accendono e si spengono a 900 Hz.
L'occhio non se ne accorge.
Se invece vuoi regolare la corrente ma il led è sempre acceso a correnti diverse allora va bene il secondo schema.
Ciao
Non importa se i diodi si accendono e si spengono a 900 Hz.
L'occhio non se ne accorge.
Se invece vuoi regolare la corrente ma il led è sempre acceso a correnti diverse allora va bene il secondo schema.
Ciao
600 Elettra
0
voti
Te ne accorgi se muovi velocemente gli occhi o la testa, altrimenti no.
Per il convertitore funziona, considera solo che probabilmente dovrai limitare l'escursione del PWM, le strip sono di solito a gruppi di 3 led parallelati, ogni gruppo con la sua resistenza in serie, quindi avranno una loro tensione minima di funzionamento sotto alla quale saranno comunque spente, quindi usando un condensatore e facendo il convertitore, non andrai piu da PWM 255 a 0, ma da 255 al valore che produrra' ai capi del condensatore la tensione minima di funzionamento (quelle che ho in casa io bianche iniziano ad accendersi intorno ai 9V, altri colori e/o modelli avranno probabilmente tensioni minime differenti), per cui dovrai fare delle prove e tenerne poi conto nello scrivere il programma
Per il convertitore funziona, considera solo che probabilmente dovrai limitare l'escursione del PWM, le strip sono di solito a gruppi di 3 led parallelati, ogni gruppo con la sua resistenza in serie, quindi avranno una loro tensione minima di funzionamento sotto alla quale saranno comunque spente, quindi usando un condensatore e facendo il convertitore, non andrai piu da PWM 255 a 0, ma da 255 al valore che produrra' ai capi del condensatore la tensione minima di funzionamento (quelle che ho in casa io bianche iniziano ad accendersi intorno ai 9V, altri colori e/o modelli avranno probabilmente tensioni minime differenti), per cui dovrai fare delle prove e tenerne poi conto nello scrivere il programma
"Sopravvivere" e' attualmente l'unico lusso che la maggior parte dei Cittadini italiani,
sia pure a costo di enormi sacrifici, riesce ancora a permettersi.
sia pure a costo di enormi sacrifici, riesce ancora a permettersi.
-

Etemenanki
9.507 3 6 10 - Master

- Messaggi: 5935
- Iscritto il: 2 apr 2021, 23:42
- Località: Dalle parti di un grande lago ... :)
0
voti
Etemenanki ha scritto:T non andrai piu da PWM 255 a 0, ma da 255 al valore che produrra' ai capi del condensatore la tensione minima di funzionamento (quelle che ho in casa io bianche iniziano ad accendersi intorno ai 9V, altri colori e/o modelli avranno probabilmente tensioni minime differenti),
Grazie, si, fin qua lo sapevo. La PWM non è un problema, semmai si corregge nello sketch, il mio problema è elettronico
0
voti
djnz ha scritto:
Scusa l ignoranza, quella è un'induttanza? un toroide? come faccio a calcolarmi la dimensione, in henry, e quella del condensatore, in uF, sapendo che vorrei un ripple del 20% max e che la corrente assorbita sia 12v e circa 6Amp? Finora onestamente in altri progetti, ho ottenuto la dimensione del Condensatore per tentativi usando l' oscilloscopio, ne ho uno analogico a 20mhz che va na meraviglia quindi l ho sempre fatto sperimentalmente.
Colgo l occasione per rispondere anche a STEFANOPC: devo farci delle Foto, quindi se i tempi sono corti ed il duty-cycle basso, rischia facilmente di beccare lo sfarfallio. Ho bisogno di stabilizzare la tensione (e quindi la corrente) il più possibile... Grazie
0
voti
Se e' per uso fotografico, forse ti andrebbe meglio un regolatore lineare.
"Sopravvivere" e' attualmente l'unico lusso che la maggior parte dei Cittadini italiani,
sia pure a costo di enormi sacrifici, riesce ancora a permettersi.
sia pure a costo di enormi sacrifici, riesce ancora a permettersi.
-

Etemenanki
9.507 3 6 10 - Master

- Messaggi: 5935
- Iscritto il: 2 apr 2021, 23:42
- Località: Dalle parti di un grande lago ... :)
0
voti
Etemenanki ha scritto:Se e' per uso fotografico, forse ti andrebbe meglio un regolatore lineare.
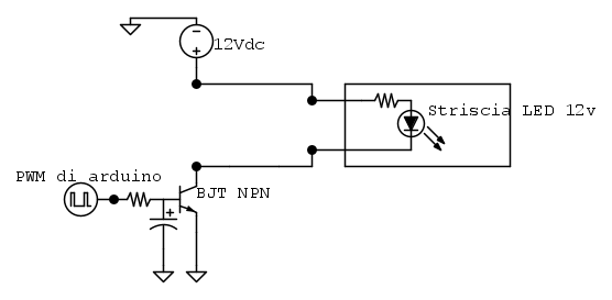
in che senso? al posto del Fet, un BJT?
Apro e chiudo parentesi pazza: se al posto del FET metto un BJT con un condensatore tra Base ed Emettitore per annullare l' onda quadra della PWM e quindi avere una corrente sul carico (Ic) più lineare? qualcosa del genere, ma ad occhio succede un disastro dato che il Condensatore a quella frequenza si lascia attraversare da corrente creando una reattanza di un certo valore in Ohm. inserisco lo schema giusto per farvi cadere dalla sedia, lo schema principale RIMANE QUELLO COL FET
0
voti
Ci manca giusto una seconda resistenza tra la base del transistor e il condensatore e sei a posto.
Hai realizzato il regolatore lineare comandato in PWM da arduino.
C'è un articolo che potrebbe interessarti.
https://www.electroyou.it/isidorokz/wik ... -analogico
https://www.electroyou.it/isidorokz/wik ... ensione-ii
Ps. Averlo detto subito che serve per fare fotografia.
Ciao
Hai realizzato il regolatore lineare comandato in PWM da arduino.
C'è un articolo che potrebbe interessarti.
https://www.electroyou.it/isidorokz/wik ... -analogico
https://www.electroyou.it/isidorokz/wik ... ensione-ii
Ps. Averlo detto subito che serve per fare fotografia.
Ciao
600 Elettra
36 messaggi
• Pagina 1 di 4 • 1, 2, 3, 4
Chi c’è in linea
Visitano il forum: Nessuno e 4 ospiti

Elettrotecnica e non solo (admin)
Un gatto tra gli elettroni (IsidoroKZ)
Esperienza e simulazioni (g.schgor)
Moleskine di un idraulico (RenzoDF)
Il Blog di ElectroYou (webmaster)
Idee microcontrollate (TardoFreak)
PICcoli grandi PICMicro (Paolino)
Il blog elettrico di carloc (carloc)
DirtEYblooog (dirtydeeds)
Di tutto... un po' (jordan20)
AK47 (lillo)
Esperienze elettroniche (marco438)
Telecomunicazioni musicali (clavicordo)
Automazione ed Elettronica (gustavo)
Direttive per la sicurezza (ErnestoCappelletti)
EYnfo dall'Alaska (mir)
Apriamo il quadro! (attilio)
H7-25 (asdf)
Passione Elettrica (massimob)
Elettroni a spasso (guidob)
Bloguerra (guerra)






