Buonasera a tutti.
su tv Toshiba lcd in oggetto (a lampade), il circuito di illuminazione ha smesso di funzionare, Il tv si avvia poi dopo qualche secondo inizia a lampeggiare il led giallo.Una volta è capitato che è rimasto in funzione regolarmente ma 99 su 100 fa il difetto. Volevo sapere come bypassare la protezione su questo inverter per fare una prova. Monta l'integrato SAM 2107. Le tensioni sull'alimentatore ci sono (5, stb, 12,18,24).
Vi ringrazio anticipatamente.
tvc Toshiba 40LV685D
7 messaggi
• Pagina 1 di 1
0
voti
mistervolt ha scritto: Il tv si avvia poi dopo qualche secondo inizia a lampeggiare il led giallo.
Credo sia l'intervento di una protezione, e potrebbe essere dovuto proprio alla retroilluminazione, ovviamente da verificare.
mistervolt ha scritto:Volevo sapere come bypassare la protezione su questo inverter per fare una prova.
Non ha senso "bypassare una protezione", si dovrebbe cercare la causa che ne determina l'intervento.
I circuiti sono controcorrente. Seguono sempre la massa
-Per rispondere utilizza il tasto [RISPONDI] e non il tasto [CITA], grazie.-
-Per rispondere utilizza il tasto [RISPONDI] e non il tasto [CITA], grazie.-
0
voti
il mio intento non è bypassare la protezione e lasciarlo cosi, ma per fare delle prove. Se qualcuno sà come si fa...
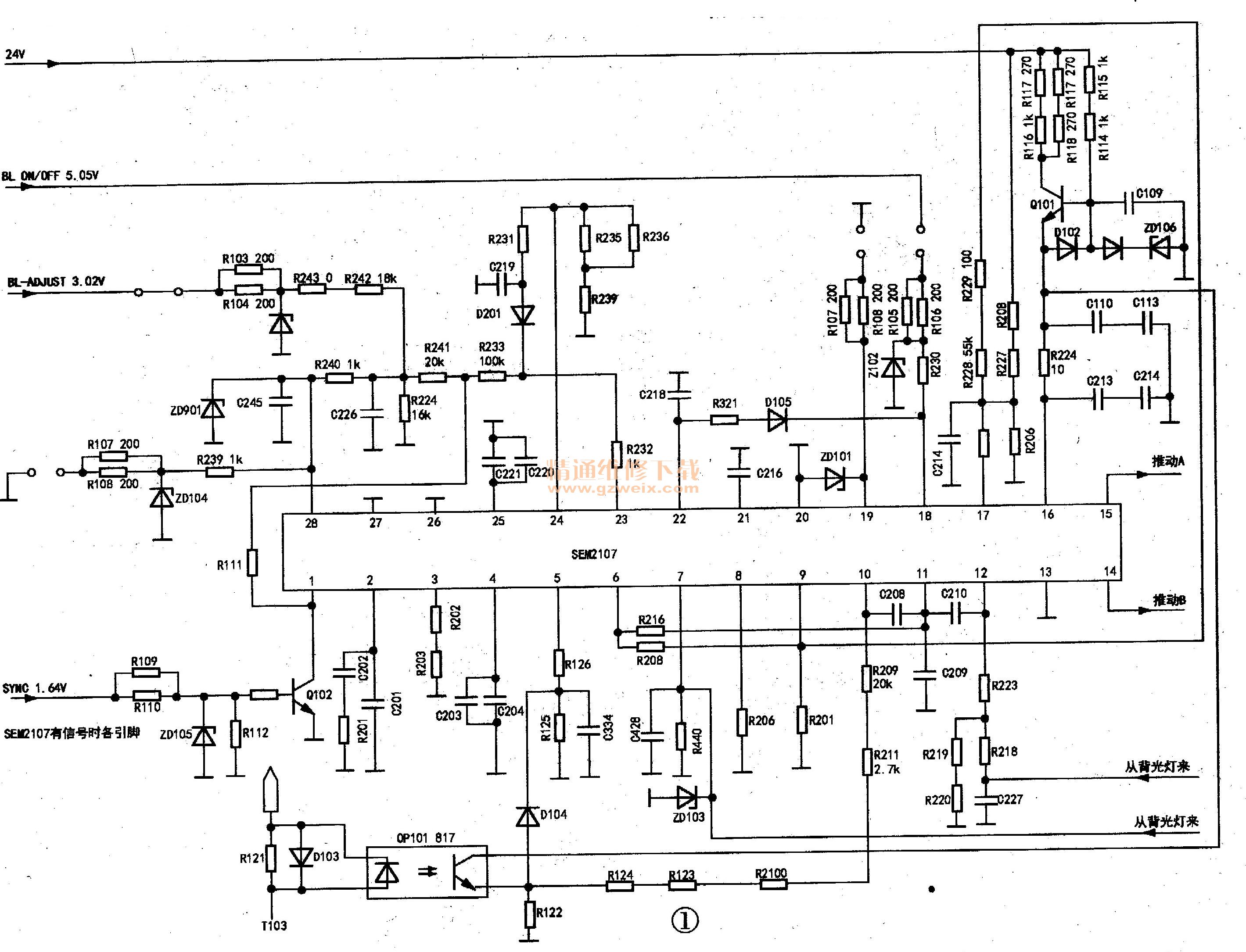
L'integrato dovrebbe essere questo:
L'integrato dovrebbe essere questo:
-

mistervolt
252 1 4 6 - Frequentatore

- Messaggi: 279
- Iscritto il: 11 feb 2013, 11:24
- Località: Roma
0
voti
Grazie.
ho bypassato protezione e ho potuto constatare che le lampade sono in parte esaurite (zona d'ombra su lato destro (sx dal lato frontale). Ora mi domandavo: qualora volessi sostituire la retro con delle barre a led inserendo un'alimentatore a parte, come faccio a rimuovere il gruppo inverter evitando che entri in protezione il televisore?
ho bypassato protezione e ho potuto constatare che le lampade sono in parte esaurite (zona d'ombra su lato destro (sx dal lato frontale). Ora mi domandavo: qualora volessi sostituire la retro con delle barre a led inserendo un'alimentatore a parte, come faccio a rimuovere il gruppo inverter evitando che entri in protezione il televisore?
-

mistervolt
252 1 4 6 - Frequentatore

- Messaggi: 279
- Iscritto il: 11 feb 2013, 11:24
- Località: Roma
0
voti
Dovresti intercettare la 12/24 v. Che dalla psu alimentano il "gruppo inverter" e con quella alimentare l'alimentatore dei led..su YouTube ci sono dei video per la modifica! Se riesci a trovare lo schema fai ancora prima...!! (Prova su Elektrotanya)...
7 messaggi
• Pagina 1 di 1
Torna a Costruzione, riparazione, riutilizzo
Chi c’è in linea
Visitano il forum: Nessuno e 8 ospiti

Elettrotecnica e non solo (admin)
Un gatto tra gli elettroni (IsidoroKZ)
Esperienza e simulazioni (g.schgor)
Moleskine di un idraulico (RenzoDF)
Il Blog di ElectroYou (webmaster)
Idee microcontrollate (TardoFreak)
PICcoli grandi PICMicro (Paolino)
Il blog elettrico di carloc (carloc)
DirtEYblooog (dirtydeeds)
Di tutto... un po' (jordan20)
AK47 (lillo)
Esperienze elettroniche (marco438)
Telecomunicazioni musicali (clavicordo)
Automazione ed Elettronica (gustavo)
Direttive per la sicurezza (ErnestoCappelletti)
EYnfo dall'Alaska (mir)
Apriamo il quadro! (attilio)
H7-25 (asdf)
Passione Elettrica (massimob)
Elettroni a spasso (guidob)
Bloguerra (guerra)

