Cos'è ElectroYou | Login Iscriviti

ElectroYou - la comunità dei professionisti del mondo elettrico

Scaricatore monte o valle?

Progettazione, esercizio, manutenzione, sicurezza, leggi, normative...

Moderatori: Foto Utentesebago, Foto UtenteMASSIMO-G, Foto Utentelillo, Foto UtenteMike

0
voti

[1] Scaricatore monte o valle?

Messaggioda Foto UtenteDuracell » 30 apr 2024, 13:54

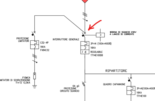
Mi hanno sottoposto questo schema con lo scaricatore messo a monte del generale.
Io di solito lo metto a valle in modo che quando apro il generale tutto il quadro è fuori tensione ma forse si può fare anche così?
Ultima cosa, dato che la fornitura è di 80kW hanno giustamente previsto un generale trif. con pdi da 16KA ma anche le partenze monofase sotto il generale le hanno messe a 16kA, direi che è uno spreco di denaro quando la norma chiede un 6kA per il monofase, che dite ?
Grazie
O_/

Screenshot 2024-04-30 134819.png
Avatar utente
Foto UtenteDuracell
575 3 3 6
Expert
Expert
 
Messaggi: 2525
Iscritto il: 2 ott 2009, 11:55

0
voti

[2] Re: Scaricatore monte o valle ?

Messaggioda Foto UtenteMike » 30 apr 2024, 14:25

Duracell ha scritto:Mi hanno sottoposto questo schema con lo scaricatore messo a monte del generale.
Io di solito lo metto a valle in modo che quando apro il generale tutto il quadro è fuori tensione ma forse si può fare anche così?


Non ci sono grandi differenze. A monte può servire per proteggere anche il differenziale a valle e/o evitare di far saltare il differenziale, sempre che a monte ci sia una protezione dai contatti indiretti o gli SPD sono del tipo con neutro spinterometrico. Non mi convince il MT a protezione degli SPD, verifica con le istruzioni del costruttore degli SPD.

Duracell ha scritto:Ultima cosa, dato che la fornitura è di 80kW hanno giustamente previsto un generale trif. con pdi da 16KA ma anche le partenze monofase sotto il generale le hanno messe a 16kA, direi che è uno spreco di denaro quando la norma chiede un 6kA per il monofase, che dite ?


Concordo.
--
Michele Lysander Guetta
--
"Non pensare mai al dolore, al pericolo o ai nemici un momento più lungo del necessario per combatterli." — Ayn Rand
Avatar utente
Foto UtenteMike
55,6k 7 10 12
G.Master EY
G.Master EY
 
Messaggi: 17001
Iscritto il: 1 ott 2004, 18:25
Località: Conegliano (TV)

0
voti

[3] Re: Scaricatore monte o valle ?

Messaggioda Foto UtenteDuracell » 30 apr 2024, 16:41

Grazie Mike
Avatar utente
Foto UtenteDuracell
575 3 3 6
Expert
Expert
 
Messaggi: 2525
Iscritto il: 2 ott 2009, 11:55

0
voti

[4] Re: Scaricatore monte o valle?

Messaggioda Foto Utentealphabit » 4 mag 2024, 23:11

Ciao, chiedo conferma circa i 6Ka del monofase. Io pensavo che i sei kA monofase fossero per la fornitura monofase, ma che per la fornitura trifase la Icc monofase dovesse essere almeno la metà di quella trifase immaginando il neutro la metà del conduttore di fase.... grazie ciao
Avatar utente
Foto Utentealphabit
460 2 3 6
Expert
Expert
 
Messaggi: 748
Iscritto il: 20 mar 2007, 6:52
Località: Milano

0
voti

[5] Re: Scaricatore monte o valle?

Messaggioda Foto UtenteFranco012 » 5 mag 2024, 0:39

Estratto della Norma CEI 0-21:

Dimensionamento apparecchiature.png
Norma CEI 0-21
Big fan of ƎlectroYou
Avatar utente
Foto UtenteFranco012
5.842 3 4 8
G.Master EY
G.Master EY
 
Messaggi: 2713
Iscritto il: 8 ago 2015, 19:40
Località: Sardegna

0
voti

[6] Re: Scaricatore monte o valle?

Messaggioda Foto UtenteMike » 5 mag 2024, 0:46

In un sistema TT la Ik monofase in un sistema trifase è sempre 6 kA (CEI 0-21 5.1.3).
--
Michele Lysander Guetta
--
"Non pensare mai al dolore, al pericolo o ai nemici un momento più lungo del necessario per combatterli." — Ayn Rand
Avatar utente
Foto UtenteMike
55,6k 7 10 12
G.Master EY
G.Master EY
 
Messaggi: 17001
Iscritto il: 1 ott 2004, 18:25
Località: Conegliano (TV)

0
voti

[7] Re: Scaricatore monte o valle?

Messaggioda Foto UtenteGoofy » 5 mag 2024, 7:48

C'è già stata una discussione-fiume tempo fa, concordo con i 6,0 kA teorici (e misuro sempre, siamo sempre lontani dal valore)
Avatar utente
Foto UtenteGoofy
14,6k 4 5 9
Master EY
Master EY
 
Messaggi: 5908
Iscritto il: 10 dic 2014, 20:16

0
voti

[8] Re: Scaricatore monte o valle?

Messaggioda Foto Utentealphabit » 7 mag 2024, 0:09

Ok, grazie a tutti. Ciao
Avatar utente
Foto Utentealphabit
460 2 3 6
Expert
Expert
 
Messaggi: 748
Iscritto il: 20 mar 2007, 6:52
Località: Milano


Torna a Impianti, sicurezza e quadristica

Chi c’è in linea

Visitano il forum: Nessuno e 71 ospiti