Apro un thread separato su questo argomento già in discussione perché il dislivello di competenze sarebbe un po' esagerato.
La mia piccola mania è diventata quella di fare tutto il possibile in software.
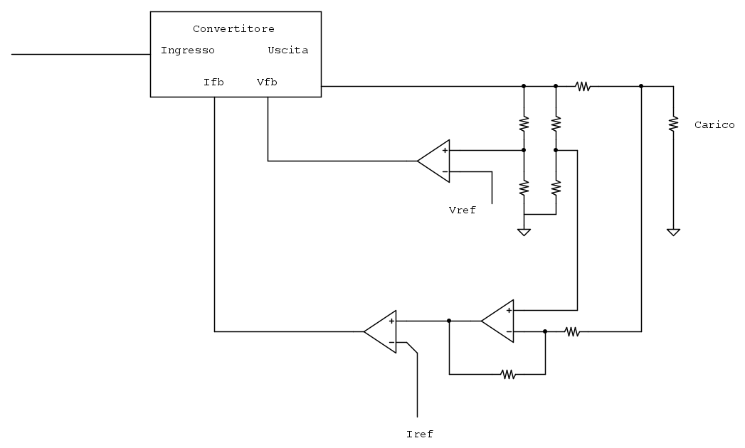
Una cosa del genere potrebbe funzionare, magari mettendo dei resistori selezionati nei due partitori?
Sorgente di corrente
Moderatori:
carloc,
g.schgor,
BrunoValente,
IsidoroKZ
47 messaggi
• Pagina 1 di 5 • 1, 2, 3, 4, 5
1
voti
lascia perdere
-

PietroBaima
90,7k 7 12 13 - G.Master EY

- Messaggi: 12206
- Iscritto il: 12 ago 2012, 1:20
- Località: Londra
0
voti
Sull'anello di corrente non mi pronunzio, perché effettivamente non mi è mai capitato di realizzarlo in quel modo. Ma di alimentatori o caricabatterie basati sul mio schema (cioè facendo in software tutto il possibile) ne ho fatti e funzionano bene.
0
voti
PietroBaima ha scritto:lascia perdere
Estremismi, però mi piace
Ammetto ci ho provato (con uC da hobbista), nella mia incapacità ho riscontrato problemi di stabilità e velocità di risposta.
Per quanto ti punti ad usare Interupt,DMA e controllo a vista, appena il SW si "distrare" sei fregato.
E questo con una matematica da superiori, quando inizio a vedere più di due lettere iniziano i problemi
Si può guardare ai STM32G4 (link)
Ho provato anche a fare così ma in realtà stai "solo generando" i riferimenti, il controllo è veramente limitato
E un IC dedicato con interfaccia seriale ?

0
voti
Mi domando perche' usare un micro ... ad esempio, LT3092 , con una resistenza fai tutto, arriva a 200mA ma sono parallelabili se serve (c'e' anche roba piu potente in giro, comunque)
Oppure la cosa ha un suo preciso scopo che io non riesco a capire ?
Oppure la cosa ha un suo preciso scopo che io non riesco a capire ?
"Sopravvivere" e' attualmente l'unico lusso che la maggior parte dei Cittadini italiani,
sia pure a costo di enormi sacrifici, riesce ancora a permettersi.
sia pure a costo di enormi sacrifici, riesce ancora a permettersi.
-

Etemenanki
9.507 3 6 10 - Master

- Messaggi: 5935
- Iscritto il: 2 apr 2021, 23:42
- Località: Dalle parti di un grande lago ... :)
0
voti
Etemenanki ha scritto:Oppure la cosa ha un suo preciso scopo che io non riesco a capire ?
Potresti volere un generatore di corrente controllabile in digitale senza voler spendere questo tipo di prezzo: https://www.digikey.com/en/products/det ... CPZ/996375
O potresti volere 5 A.
O potresti non volere una soluzione lineare che produce quantità immense di calore.
Le giustificazioni ci sono, la soluzione probabilmente non è questa.
1
voti
boiler ha scritto:...
O potresti volere 5 A.
O potresti non volere una soluzione lineare che produce quantità immense di calore.
...
Preregolatore switching seguito da stadio lineare di potenza ? ... entrambi controllati dal micro ?
(come idea per una struttura iniziale)
"Sopravvivere" e' attualmente l'unico lusso che la maggior parte dei Cittadini italiani,
sia pure a costo di enormi sacrifici, riesce ancora a permettersi.
sia pure a costo di enormi sacrifici, riesce ancora a permettersi.
-

Etemenanki
9.507 3 6 10 - Master

- Messaggi: 5935
- Iscritto il: 2 apr 2021, 23:42
- Località: Dalle parti di un grande lago ... :)
1
voti
Etemenanki ha scritto:Preregolatore switching seguito da stadio lineare di potenza ? ... entrambi controllati dal micro ?
(come idea per una struttura iniziale)
Ottima soluzione, quella che pensavo di adottare io nel thread parallelo prima di impegolarmi con l'LTC3623
Però vedi che il micro ci vuole?
Boiler
47 messaggi
• Pagina 1 di 5 • 1, 2, 3, 4, 5
Chi c’è in linea
Visitano il forum: Nessuno e 42 ospiti

Elettrotecnica e non solo (admin)
Un gatto tra gli elettroni (IsidoroKZ)
Esperienza e simulazioni (g.schgor)
Moleskine di un idraulico (RenzoDF)
Il Blog di ElectroYou (webmaster)
Idee microcontrollate (TardoFreak)
PICcoli grandi PICMicro (Paolino)
Il blog elettrico di carloc (carloc)
DirtEYblooog (dirtydeeds)
Di tutto... un po' (jordan20)
AK47 (lillo)
Esperienze elettroniche (marco438)
Telecomunicazioni musicali (clavicordo)
Automazione ed Elettronica (gustavo)
Direttive per la sicurezza (ErnestoCappelletti)
EYnfo dall'Alaska (mir)
Apriamo il quadro! (attilio)
H7-25 (asdf)
Passione Elettrica (massimob)
Elettroni a spasso (guidob)
Bloguerra (guerra)


pigreco]=π



