Un recente argomento del Forum poneva il problema di riscaldare un oggetto fino ad una certa temperatura. Come frequentemente succede, l'argomento è stato interrotto dalla mancanza di partecipazione di chi ha posto la domanda.
Essendo l'argomento di interesse generale, credo sia comunque opportuno un richiamo alla possibilità di utilizzare un modello elettrico di un sistema termico.
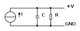
Il modello
Rimandando a questo capitolo la definizione di capacità e resistenza termiche, si riporta il semplice modello elettrico
dove I rappresenta la potenza termica fornita (Pt), C la capacità termica del sistema (Ct)ed R la sua resistenza termica (Rt), mentre V rappresenta la temperatura raggiunta (θ).
Il modello indica intuitivamente che quando V è =0 , tutta la I viene incanalata in C facendo crescere V, ma man mano questa cresce una parte sempre maggiore di I viene trasferita in R, finché tutta la I transita in R. V non cresce più e si ha una condizione stabile (fine del transitorio che ha il tipico andamento esponenziale a pendenza decrescente)
E' evidente che più grande è R più alto sarà il valore finale di V. Al limite, con V infinito, la V cresce linearmente, senza limiti.
L'interpretazione dell'equivalente sistema termico è che se la dispersione fosse nulla la temperatura salirebbe illimitatamente, mentre in presenza di dispersioni, questa raggiungerà il valore limite per cui tutta la potenza fornita si disperde.
Questo consente una semplice determinazione sperimentale dei parametri di un dato sistema fornendogli una Pt nota e costante:
, con θr la temperatura raggiunta a regime e
cioè la pendenza iniziale del transitorio.
Essendo questa di difficile valutazione, è però più semplice ricavare la costante di tempo T (tempo impiegato a raggiungere il 63% di θr) e calcolare
.
Determinati i parametri è facile studiare il comportamento del sistema termico simulando col computer l'equivalente modello elettrico.
Predeterminazione della temperatura
Per un esempio concreto, supponiamo di esaminare un sistema che con una Pt = 100W raggiunga una θr = 150°C, con una costante di tempo T = 4s. Ponendo come scala I = 1A per i 100W e V=1V ogni 10°C, si ha nel modello elettrico R=15Ohm e C=0.27F.
Se si vuole raggiungere una diversa temperatura (ad es. 120°C) è ovvio che si debba agire su Pt (cioè I nel modello), fare cioè un controllo a ciclo aperto, come ad es avviene nei comuni forni domestici.
Un modo semplice di ridurre la temperatura a regime è quello di utilizzare un PWM, cioè generare un onda quadra con duty-cycle (rapporto fra durata impulso e periodo) opportuno.
Come mostrato in figura, un Mosfet commuta la corrente I dal modello, con una cadenza determinata dal PWM (V1). La corrente media nel modello è quindi stabilita dal duty-cycle del PWM.
L'effetto è un θr corrispondente. Ecco il grafico nel caso che il duty-cycle di V1 sia 20%:
(si noti che nella simulazione il duty-cycle deve essere complementare, essendo la temperatura voluta l' 80% di quella massima)
Come si vede, il PWM (traccia blu) sposta il valore finale da 15V a 12V (traccia rossa), cioè da 150°C a 120°C).
Passando dal modello alla realtà, il circuito che realizza un controllo di questo tipo può essere:
dove la potenza termica (Pt) è data da
.
Il controllo a ciclo aperto della potenza termica non garantisce però la temperatura voluta (che oltretutto è in realtà una sovratemperatura rispetto all'ambiente) se variano i parametri.
Per un esatto raggiungimento di questa occorre adottare un controllo a ciclo chiuso, cioè una regolazione.
Regolazione della temperatura
Il controllo a ciclo chiuso presuppone il confronto fra il valore desiderato (riferimento) e la misura della grandezza controllata (retroazione). La differenza (errore) viene elaborata dal regolatore che fornisce l'uscita di controllo per minimizzare o addirittura annullare l'errore.
Nel caso della temperatura però si applica spesso un controllo semplificato noto come ON-OFF, che può essere realizzato applicando un comparatore con isteresi.
Per evidenziarne il funzionamento, si può ricorrere al modello elettrico pilotato appunto da un comparatore.
Ecco lo schema
Come si vede, la tensione d'uscita del modello (v(3)che rappresenta in scala la temperatura) viene applicata direttamente all'ingresso positivo del comparatore e paragonata al valore di riferimento (ingresso negativo). Finché il riferimento è superiore, l'uscita del comparatore sarà zero (quindi il Mosfet sarà aperto, ma appena la retroazione lo supera il Mosfet si chiuderà togliendo la corrente del generatore al modello.
La tensione di questo tenderà allora a diminuire (C1 si scarica su R1), ma sotto un certo livello riazzererà l'uscita del comparatore. La tensione del modello (che corrisponde alla temperatura) oscillerà quindi fra i limiti imposti dall'isteresi del comparatore
(dipendente dalla resistenza R6).
Ecco l'andamento dinamico del sistema:
L'uso del modello consente quindi di mettere a punto la regolazione della temperatura di un sistema, purché ovviamente si siano determinati i suoi parametri.
Nella realtà, supponendo che la potenza termica sia fornita da un resistore, la configurazione del sistema potrebbe essere questa:
Si noti in confronto al modello, la presenza del sensore per rilevare la temperatura effettivamente raggiunta e l'inversione della polarità degli ingressi del comparatore.
Vantaggi rispetto al PWM sono il mantenimento della temperatura assoluta (indipendentemente da quella ambientale) e la maggior rapidità del raggiungimento di questo valore . Svantaggio è le necessità di un sensore, spesso di difficile collocazione, per rilevare la temperatura reale.

Elettrotecnica e non solo (admin)
Un gatto tra gli elettroni (IsidoroKZ)
Esperienza e simulazioni (g.schgor)
Moleskine di un idraulico (RenzoDF)
Il Blog di ElectroYou (webmaster)
Idee microcontrollate (TardoFreak)
PICcoli grandi PICMicro (Paolino)
Il blog elettrico di carloc (carloc)
DirtEYblooog (dirtydeeds)
Di tutto... un po' (jordan20)
AK47 (lillo)
Esperienze elettroniche (marco438)
Telecomunicazioni musicali (clavicordo)
Automazione ed Elettronica (gustavo)
Direttive per la sicurezza (ErnestoCappelletti)
EYnfo dall'Alaska (mir)
Apriamo il quadro! (attilio)
H7-25 (asdf)
Passione Elettrica (massimob)
Elettroni a spasso (guidob)
Bloguerra (guerra)


