Il problema del rumore nelle comunicazioni numeriche (quarta parte)
Nella settima parte abbiamo introdotto il problema della rivelazione in presenza di rumore (definita coerente), discutendo sotto opportune ipotesi, il dimensionamento del ricevitore ottimo come elemento fondamentale per l'idonea estrazione dell'informazione, a fronte di un contributo (più o meno considerevole) dovuto al rumore additivo. In altre parole, abbiamo analizzato quel black box contenuto nel ricevitore di un collegamento a ponte radio numerico, in grado di stimare il segnale trasmesso dando luogo alla minima probabilità di errore per simbolo.
A questo punto non resta che "aprire la scatola nera" e definire la struttura del ricevitore ottimo in senso generale e successivamente entrare nel merito della demodulazione coerente, per cui sarà introdotto il calcolo della probabilità di errore in dipendenza della distanza euclidea fra le segnalazioni binarie (trattando quindi i segnali come dei veri e propri vettori) per discutere infine il caso multilivello, presentando un andamento della probabilità di errore per simbolo in dipendenza del margine di rumore (SNR).
1. Teoria della rivelazione coerente
I disturbi introdotti dal canale di comunicazione, nonché le interferenze di varia natura, introducono un effetto distorcente del segnale r(t) che si presenta in ingresso al ricevitore; tale segnale è una replica del segnale numerico ν(t) generato dalla stazione trasmittente. Ritenendo ancora valide le ipotesi di idealità del mezzo trasmissivo e supponendo una banda sufficientemente larga tale da trascurare le distorsioni da non linearità e da interferenza intersimbolica, la forma d'onda di r(t) è esprimibile come segue:

dove n(t) è il consueto contributo additivo del rumore considerato stazionario, gaussiano, bianco ed indipendente dalla sequenza dei simboli emessi dalla sorgente di informazione.
In un sistema di trasmissione multilivello, quale il ponte radio digitale, si è detto che l’informazione trasmessa è associata ad un insieme di M simboli aj, appartenenti ad un alfabeto M-ario. Poiché per modulazioni prive di memoria (ovvero con segnalazione istantanea non dipendente da intervalli di tempo passati), il segnale modulato, nel generico intervallo di segnalazione di durata T, è esclusiva funzione di aj, è lecito scrivere:

laddove sj(t) indica la forma d'onda dell'impulso di segnalazione associato al simbolo aj, scelto fra un insieme di M segnali distinti
.
Sempre per modulazioni prive di memoria, la rivelazione può essere effettuata simbolo per simbolo, cosicché si può far riferimento all'intervallo [0,T) corrispondente alla rivelazione del simbolo di posto 0 nella sequenza trasmessa.
Da un punto di vista concettuale è utile considerare il ricevitore come di seguito illustrato:
In esso distinguiamo due blocchi.
- il demodulatore vero e proprio che fornisce in uscita un insieme numerabile di variabili casuali
partendo dal riconoscimento del segnale r(t), con t confinato in [0,T) per l'ipotesi di zero ISI;
- il rivelatore che stima il simbolo corrispondente al dato trasmesso sulla base di
osservazioni.
E' implicito che i segnali sj(t) siano ad energia finita, e trattabili come vettori appartenenti ad un sottospazio vettoriale lineare
N-dimensionale (con
); inoltre, per semplicità, supponiamo che gli N generatori del suddetto sottospazio costituiscono una base ortonormale di funzioni uj(t) definite sempre in [0,T). Sicché, per la teoria degli spazi vettoriali, il generico segnale sj(t) è espandibile nel seguente modo:

dove i coefficienti dello sviluppo in serie sono così definiti:

In generale, il vettore rappresentativo del segnale r(t) non appartiene al sottospazio vettoriale precedentemente definito dai vettori
, per cui se ne considera una sua proiezione ortogonale
tale da individuare il seguente segnale:

essendo:

dove:

In termini delle componenti sopra definite, andando a proiettare ortogonalmente la (I) sul sottospazio
, otteniamo:

supposto che il simbolo trasmesso sia aj; in notazione vettoriale, la (VIII) si scrive come segue:

Pertanto, in base a quest'ultima formulazione, il problema della rivelazione si può esprimere nei seguenti termini:
- partendo dalle osservazioni delle N v.a. ρi, il ricevitore deve decidere sul simbolo aj inviato, ovvero scegliere fra le seguenti M ipotesi Hj:

- corrispondenti ai simboli aj trasmessi.
Dalla (X) possiamo pertanto dedurre che della rivelazione del simbolo aj, influisce esclusivamente la componente di rumore
giacente nel sottospazio
, ortogonale alla sua proiezione (giacente sempre in
)
, costituenti quindi una coppia di segnali statisticamente indipendenti (in quanto, per definizione, gaussiani e ortogonali). Questa circostanza si traduce con il fatto che la conoscenza di
non apporta alcun contributo alla rivelazione del simbolo aj.
Come si è più volte sottolineato nella settima parte, nell'ambito della trasmissione numerica il ricevitore decide a favore di quella segnalazione che conduce ad una decisione con il minimo della probabilità di errore. Tale scelta si basa su quello che si definisce criterio della massima probabilità a posteriori MAP (noto anche come criterio di massima verosimiglianza) così formalmente esplicato:
![\widehat{a}_{j}=\text{arg}\max_{a_{j}}\left \{ \mathbf{P}[a_{i}|r(t)]\right \}\,\,\,\,\,\,\text{(XI)}](/mediawiki/images/math/f/e/0/fe082a82cd8a231387eff4c49822fc75.png)
Vediamo passo passo perché questo criterio corrisponde effettivamente alla scelta del simbolo con la minima probabilità d'errore:
-
è la probabilità che il dato trasmesso, noto r(t) , sia ai;
- di conseguenza
denota la probabilità che non si sia trasmesso ai noto r(t);
- questo vuol dire che quando il ricevitore stabilisce che il dato trasmesso è ai, commette un errore con probabilità
;
- la (XI) corrisponde quindi alla scelta del simbolo in corrispondenza del quale la probabilità di errore è minima, o che è lo stesso, la probabilità della corretta decisione è massima.
Si è detto che la proiezione ortogonale del rumore giacente nel sottospazio
non apporta alcun contributo alla decisione, sicché è lecito prenderla sulla base del vettore delle variabili di decisione
. La
è allora equivalente alla
per cui, applicando il teorema di Bayes (rivedere quinta parte in merito), possiamo scrivere:
![\mathbf{P}[a_{i}|\mathbf{r}_{n}]=\frac{p_{\mathbf{r}_{N}|a_{i}}(\mathbf{r}_{N}|a_{i})\mathbf{P}[a_{i}]}{p_{\mathbf{r}_{N}}(\mathbf{r}_{N})}\,\,\,\,\,\,\text{(XII)}](/mediawiki/images/math/3/1/c/31c4820b7b573b9ae37dec12b0ac5750.png)
dove:
-
è la probabilità associata al simbolo ai;
-
è la densità di probabilità associata al vettore
;
-
è la densità di probabilità associata al vettore
noto che il simbolo trasmesso sia ai.
Nell'ipotesi di equiprobabilità, la (XI) si scrive:

dove la sostituzione effettuata è giustificata dal fatto che, essendo
una quantità positiva ed indipendente da ai, non ha contributo alcuno nella determinazione del massimo.
Dalla (XIII) discende che la decisione sul simbolo aj è fatta se
è contenuto in un sottoinsieme
del sottospazio
essendo
definito dall'insieme dei punti
tali che:

Quanto appena detto, equivale a definire un partizione
del sottospazio
in M sottoinsiemi disgiunti tali che:
-
- ogni sottoinsieme
contiene il solo elemento
della costellazione dei segnali, di modo che se
giace in
, il ricevitore prende la decisione a favore del simbolo aj: le partizioni così definite prendono il nome di regioni di decisione.
Per applicare la regola di decisione formulata dalla (XIII) o (XIV) occorre conoscere le densità di probabilità condizionate
; per cui, tenendo conto della (I) deduciamo:

essendo
la densità di probabilità vettore
valutata in corrispondenza del valore
.
Come discusso nella settima parte, il modello matematico del rumore additivo prevede l'associazione di una variabile casuale gaussiana al segnale n(t); per cui le quantità νi che compaiono nella relazione (VII), in quanto ottenute da n(t) mediante trasformazioni lineari, presentano una distribuzione congiunta gaussiana che occorre definire stocasticamente. Pertanto, se n(t) è caratterizzato da un valore medio nullo e da una densità spettrale di potenza pari a
, il valore medio statistico risulta:
![\mathbf{E}[\nu _{i}]=\int_{0}^{T}\mathbf{E}[n(t)]u_{i}(t)\text{d}t=0\,\,\,\,\,\,\text{(XVI)}](/mediawiki/images/math/0/1/2/0120ccdacd9ac922ebf3053dcc44d02b.png)
nonché:
![\mathbf{E}[\nu _{i}\nu _{j}]=\mathbf{E}\left [\int_{0}^{T}\int_{0}^{T}n(t_{1})
n(t_{2})u_{i}(t_{1})u_{j}(t_{2})\text{d}t_{1}\text{d}t_{1} \right]=](/mediawiki/images/math/4/d/3/4d372a948e568e3b6d1732ba53fe16bc.png)
![=\int_{0}^{T}\int_{0}^{T}\mathbf{E}[n(t_{1})
n(t_{2})]u_{i}(t_{1})u_{j}(t_{2})\text{d}t_{1}\text{d}t_{1}\,\,\,\,\,\,\text{(XVII)}](/mediawiki/images/math/d/3/9/d3984fcf9161e7c133e356a5a30e5a88.png)
Essendo:
![\mathbf{E}[n(t_{1})n(t_{2})]=\frac{N_{0}}{2}\delta (t_{2}-t_{1})\,\,\,\,\,\,\text{(XVIII)}](/mediawiki/images/math/e/2/4/e248e3b1967057e6c7c182170049cb03.png)
la (XVIII), dopo alcuni semplici passaggi matematici e considerando l'ipotesi di ortonormalità della base scelta, porta al seguente risultato:
![\mathbf{E}[\nu _{i}\nu _{j}]=\frac{N_{0}}{2}\,\,\,\,\,\,\text{(XIX)}](/mediawiki/images/math/0/0/5/005edd455994bf6d40b361ebdd4ceebd.png)
se i = j e naturalmente 0 in caso di ortogonalità (
).
Questo porta a concludere che le grandezze vettoriali νi e νj sono scorrelate e, in quanto gaussiane, anche statisticamente indipendenti.
Ricordando dalla settima parte che la varianza associata alla v.c. del rumore e quindi alle stesse νi e νj è proprio
, possiamo scrivere:
![p_{\mathbf{n}_{N}}(\mathbf{n}_{N})=\prod_{k=1}^{N}p_{n}(\nu _{k})=\frac{1}{(\sqrt{\pi N_{0}})^N}\text{exp}\left[ -\frac{1}{N_{0}}\sum_{k=1}^{N}\nu _{k}^{2}\right]\,\,\,\,\,\,\text{(XX)}](/mediawiki/images/math/d/7/a/d7aaa66fcfe3d5cd224045da4e9f8f6f.png)
per cui la (XV) diventa:
![p(\mathbf{r}_{N}|a_{i})=\frac{1}{(\sqrt{\pi N_{0}})^N}\text{exp}\left[ -\frac{1}{N_{0}}\sum_{k=1}^{N}(\rho _{k}-s_{ik})^2\right]\,\,\,\,\,\,\text{(XXI)}](/mediawiki/images/math/b/8/6/b86d3e789da28d4f631deef4af38644b.png)
Se i simboli sono emessi con equiprobabilità, la regione di decisione
definita dall'insieme dei punti di coordinate ρj(i = 1,2,...,N), soddisfano la seguente relazione:
![\text{exp}\left[ -\frac{1}{N_{0}}\sum_{k=1}^{N}(\rho _{k}-s_{jk})^2\right]=\max_{i,i\neq j}\left \{ \text{exp}\left[ -\frac{1}{N_{0}}\sum_{k=1}^{N}(\rho _{k}-s_{ik})^2\right]\right \}\,\,\,\,\,\,\text{(XXII)}](/mediawiki/images/math/b/b/d/bbdd582e432f81b575dc4489b0de0d93.png)
La funzione esponenziale a secondo membro è strettamente decrescente per cui, applicando il logaritmo neperiano, otteniamo un argomento con segno negativo la cui estrazione del valore massimo equivale ad una estrazione del valore minimo; quindi la (XXII) può riscriversi come segue:

La quantità:

rappresenta il quadrato della distanza euclidea tra il vettore ricevuto
e la segnalazione
; pertanto dalla (XXIV) deduciamo che il ricevitore decide a favore del simbolo aj se la distanza dj fra il segnale ricevuto
e la corrispondente segnalazione
è la minima fra le distanze di valutate sempre da
con le rimanenti segnalazioni
corrispondenti ai simboli
. In altre parole, la relazione finale che sintetizza il criterio di massima verosimiglianza a priori (definito, per quanto appena detto, anche criterio della minima distanza euclidea), si riduce alla seguente:

2. Struttura del ricevitore ottimo
La regola di decisione ottima espressa dalla (XXV), suggerisce la seguente struttura del ricevitore ottimo:
Osserviamo come essa sia l'evoluzione dello schema base presentato nella settima parte; nella fattispecie, la struttura è basata sull'operazione di correlazione fra il segnale in ingresso r(t) e le funzioni di base ui(t) le quali, essendo dipendenti dalle forma d'onda si(t) impiegate per la segnalazione, sono note al ricevitore in luogo della possibilità dello stesso di ricostruire esattamente i segnali si(t). Un tale tipo di ricevitore è propriamente chiamato ricevitore coerente.
Sviluppando la (XXIV) otteniamo:

La quantità
rappresenta il prodotto scalare fra il segnale
e la segnalazione
. Dal momento che
è la proiezione ortogonale di
nel sottospazio
, esso coincide con
, ovvero esplicitando:

Essendo altresì:

la (XXV) diventa:

L'analisi della (XXIX) porta ad implementare un secondo schema per il ricevitore ottimo di seguito illustrato:
dove le correlazioni sono stavolta effettuate tra il segnale ricevuto e le forme d’onda di segnalazione.
Facendo un raffronto tra le relazioni (XXVII) e (XXVIII) si evince che la struttura riportata in Fig.2 risultapiù semplice di quella di Fig.3, essendo
. Nel caso per cui si ha l'uguaglianza N = M, le due strutture sono equivalenti, contenendo lo stesso numero di blocchi correlatori.
Il segnale in uscita dal generico blocco di integrazione vale:

Ponendo:

la (XXX) si modifica come segue:

che, per la teoria dei sistemi LTI, può essere interpretata come il valore del segnale in uscita dal filtro di risposta impulsiva hk(t) quando al suo ingresso è sollecitato dal segnale r(t), all'istante T. Allo schema di Fig.2 possono dunque essere apportate delle modifiche al fine di ottenere il seguente:
ovvero compendiando la presenza dei filtri adattati alle forme di segnalazione
.
3. Sistemi per la demodulazione coerente nei ponti radio numerici
Consideriamo dapprima il caso didattico di segnalazione binaria. Siano s0(t) ed s1(t) le forme di segnalazione associate ai simboli d = 0 e d = 1, supposti come sempre equiprobabili. Associando a tali segnali un'equivalente rappresentazione vettoriale, essi possono essere pensati come giacenti in un sottospazio
bidimensionale individuato da una base ortonormale
come di seguito illustrato:
Supponiamo che il trasmettitore stia inviando sul canale il simbolo d = 0; il ricevitore commette un errore nella decisione quando la distanza tra i vettori
e
è minore di quella fra
ed
. Ricordando che in uno spazio vettoriale è possibile definire la norma di un generico vettore, possiamo allora scrivere:




Dal momento che risulta:
![||\mathbf{n}_{2}||^2-||\mathbf{n}_{2}-(\mathbf{s}_{1}-\mathbf{s}_{0})||^2=\mathbf{n}_{2}^T\mathbf{n}_{2}-[\mathbf{n}_{2}-(\mathbf{s}_{1}-\mathbf{s}_{0})]^T[\mathbf{n}_{2}-(\mathbf{s}_{1}-\mathbf{s}_{0})]=](/mediawiki/images/math/d/f/0/df04d8ad33e4aa33aba5b1bc443a052a.png)
![=\mathbf{n}_{2}^T\mathbf{n}_{2}-[\mathbf{n}_{2}^T\mathbf{n}_{2}-\mathbf{n}_{2}^T(\mathbf{s}_{1}-\mathbf{s}_{0})-(\mathbf{s}_{1}-\mathbf{s}_{0})^T\mathbf{n}_{2}+(\mathbf{s}_{1}-\mathbf{s}_{0})^T(\mathbf{s}_{1}-\mathbf{s}_{0})]=](/mediawiki/images/math/f/f/0/ff0e655b14f1309538e23f547aa0f0da.png)


la (XXXIII) si può scrivere come segue:

Del resto la quantità
è una v.a. gaussiana in quanto definita da una combinazione lineare di v.a. gaussiane. Il suo valore atteso risulta:
![\mathbf{E}[x]=(\mathbf{s}_{1}-\mathbf{s}_{0})^T\mathbf{E}[\mathbf{n}_{2}]=0\,\,\,\,\,\,\text{(XXXVI)}](/mediawiki/images/math/9/e/8/9e857f64011ae223a533f2d6e3e34675.png)
La varianza è invece pari a:
![\mathbf{E}[x^2]=\mathbf{E}[(\mathbf{s}_{1}-\mathbf{s}_{0})^T\mathbf{n}_{2}\mathbf{n}_{2}^{T}(\mathbf{s}_{1}-\mathbf{s}_{0})]=](/mediawiki/images/math/a/0/1/a016159551ce99653a1efa586bf4f607.png)
=](/mediawiki/images/math/5/f/6/5f645477512fce82db84b47f7ed1f0e8.png)


dove si è posto:

definendo così la distanza euclidea fra le due segnalazioni. Alla luce di quanto detto, la p.d.f. gaussiana assume la seguente espressione:

Per cui la probabilità d'errore risulta come di seguito definita:

Ricordando la definizione di funzione d'errore, la (XL) si può porre nella seguente forma:

La stessa identica discussione vale nel caso in cui il trasmettitore invii nel canale il simbolo d = 1. Sicché, essendo il problema simmetrico, si ha Pe | 0 = Pe | 1, per cui definitivamente:

da cui si evince che nella segnalazione binaria la probabilità di errore dipende dalla distanza euclidea fra le due segnalazioni.
3.1 Demodulazione PSK binaria (CPSK)
La demodulazione di un segnale PSK può essere ottenuta ricorrendo ad un processo perfettamente complementare a quello di modulazione descritto nella quarta parte. E' sufficiente cioè traslare lo spettro (simmetricamente disposto attorno alla frequenza portante), alla sua originaria posizione in banda base, mediante operazione lineare.
Tutto il processo è di seguito illustrato:
Come vediamo, l'operazione è svolta da un circuito moltiplicatore che esegue il prodotto tra la grandezza modulata s(t) ed un'oscillazione c0 che possieda caratteristiche identiche a quelle su cui è stata impressa la modulazione:
![d(t)=[m(t) \cdot A\cos\omega _{0}t]\cdot [C\cos\omega _{0}t+\varphi ]=](/mediawiki/images/math/3/2/c/32c582928c8dd7a80de8850ffc0577e8.png)

Il prodotto tra le ampiezze A e C è irrilevante ai fini dell'analisi, per cui si può porre
e riscrivere la (XLIII) come segue:

Il primo termine a frequenza doppia viene eliminato dal filtro passa basso posto in cascata, sicché la funzione d'uscita vale definitivamente:

Per determinare la regola di decisione ottima, supponiamo che le segnalazioni associate rispettivamente ai simboli d = 0 e d = 1 siano le seguenti:

che, come noto, possono essere rappresentate nel sottospazio
monodimensionale, generato dalla seguente funzione di base:

dai vettori:

e la costellazione di segnali è quella di seguito mostrata:
La regola di decisione è pertanto la seguente:

ovvero, per la (XLVII):

che dà luogo al seguente schema generale di ricezione ottima:
La distanza euclidea fra le due segnalazioni risulta:

sicché la probabilità d'errore vale:

Introducendo la definizione di energia media per simbolo:

possiamo infine esprimere la probabilità d'errore in funzione del margine di rumore:

3.2 Demodulazione PSK multilivello (CQPSK)
Nella quarta parte di questa trattazione, abbiamo analizzato la modulazione QPSK, con particolare riferimento alla 4PSK, in quanto facilmente estendibile ai casi multilivello (8,16,32,...).
Per demodulare una portante 4PSK, è sufficiente disporre di due segnali in quadratura generati localmente, purché allineati con la rispettiva sottoportante in arrivo, al fine di ottenere, tramite moltiplicazioni, l'estrazione della sequenza numerica con operazione lineare, come di seguito mostrato:
Se la fase del segnale di riferimento viene mantenuta in concordanza con una delle quattro fasi del segnale modulato, risulta chiaro che ogni ramo del demodulatore è sensibile alle variazioni di fase che avvengono lungo l'asse del rispettivo vettore di riferimento, ignorando totalmente la modulazione presente sulla portante in quadratura.
E' facile dedurre che si tratta palesemente di una demodulazione coerente, a cui si applicano le stesse considerazioni fatte già nel precedente sottoparagrafo per il caso binario. Il riferimento di fase per la portante localmente generata, viene estratto dalla portante in arrivo. I due flussi sI(t) e sQ(t) separatamente demodulati (e rigenerati), vengono successivamente compattati in un unico flusso u(t) tramite opportuna conversione parallelo-serie (P/S), che funziona in modo del tutto complementare a quello serie-parallelo (S/P), esaminato in sede di modulazione.
3.2.1 Estrazione del riferimento di fase
I circuiti analizzati in questo sottoparagrafo, realizzano la funzione di generare quella oscillazione che il demodulatore coerente potrà utilizzare per interpretare i simboli presenti sulla portante in arrivo sotto forma di transizioni di fase. A tale oscillazione sono richieste alcune essenziali prerogative; in particolare:
- la coerenza di fase con la portante;
- un preciso e stabile allineamento del vettore nei confronti di quello associato alla portante;
- un'elevata purezza spettrale.
Il metodo concettualmente più semplice (anche ai fini implementativi) è quello di moltiplicare la frequenza della portante per il numero delle fasi usate nella modulazione, come mostrato di seguito:
Il vettore modulato PSK, come noto, può assumere stati discreti identificabili con posizioni angolari:

dove Nl rappresenta il livello di modulazione (Nl è uguale sostanzialmente al numero possibile di fasi pari a 2,4,8,...) e K la posizione attuale in un istante arbitrario. L'argomento della na armonica di tale segnale vale:

cioè mostra una fase aggiuntiva pari a multipli di 2π e non presenta più transizioni. Facendo seguire al moltiplicatore un circuito capace di dividere la frequenza per Nl, si riottiene la portante f0.
Un secondo possibile metodo consiste nel cancellare la modulazione presente sulla portante in arrivo. Consideriamo a tal proposito la seguente figura:
Il segnale dati viene utilizzato per rimodulare la portante modulata; ad ogni salto di fase di questa, il moltiplicatore M2, pilotato dal segnale numerico a contenuto informativo, impone alla portante un salto di fase inverso e ne annulla le transizioni.
Il circuito di ritardo ha lo scopo di realizzare il corretto allineamento in fase tra il segnale dati e le transizioni della portante modulata.
In entrambi i casi esaminati, il segnale di riferimento ricostruito è inevitabilmente affetto dal rumore e da momentanee indeterminazioni della fase, causate dalla non perfetta cancellazione della modulazione. Per ottenere, viceversa, un segnale quanto più possibile puro dal punto di vista spettrale, esso richiede un filtraggio ottenibile mediante implementazione di un filtro passa banda, tanto più efficace quanto più stretta è la sua banda passante.
Un filtraggio di tipo convenzionale, ad ogni modo, darebbe luogo ad intollerabili variazioni di ampiezza e fase in presenza delle inevitabili derive di frequenza del segnale di ingresso.
Risulta invece molto conveniente impiegare un circuito già analizzato in precedenza: il PLL. Ricordiamo infatti che, tra le sue diverse configurazioni e modalità di impiego, esso equivale ad un filtro notevolmente stretto (notch PLL) con la capacità, però, di mantenersi sempre ed automaticamente sintonizzato sulla frequenza del segnale d'ingresso (ossia la modalità di sintonizzatore ampiamente esposta nell'ambito della teoria della modulazione). Rimando a tal proposito alla terza parte.
In linea di massima, il segnale di riferimento viene generato localmente da un VCO, la frequenza del quale è controllata da un anello d'aggancio, che confronta la fase del segnale generato dal VCO stesso con quella del segnale di riferimento ottenuto dalla portante modulata, come mostrato nella seguente figura:
Possiamo constatare che, ottenuto il sincronismo delle fasi, la frequenza del VCO si manterrà perfettamente identica alla f0, anche nel caso di fluttuazione di quest'ultima, pur mantenendo inalterata la sua elevata purezza spettrale.
3.2.2 Ricostruzione della portante mediante anello di Costas
Il circuito noto come anello di Costas è impiegato come ricostruttore della portante ed offre notevoli motivi di interesse, in quanto presenta decisamente minori limitazioni rispetto ai casi appena discussi. Esso utilizza il principio dell'anello ad aggancio di fase, e ha la peculiarità di sfruttare come comparatori di fase gli stessi circuiti moltiplicatori che realizzano la demodulazione coerente, con conseguente riduzione della complessità di implementazione, nonché dei costi di installazione, reimpiegando le risorse già usate per altri scopi.
Per capire il suo funzionamento, analizziamo il caso della demodulazione 2PSK, che ne rappresenta la versione più semplice (come sempre la trattazione non lede la generalità dei casi ad n fasi).
A tal proposito analizziamo il seguente schema a blocchi e la relativa tabella:
Entro il tratteggio, è stato messo in evidenza il circuito per la demodulazione coerente; esiste poi un secondo ramo, simile al primo, in cui però il moltiplicatore M2 è pilotato da una sottoportante c2 in quadratura con quella c1 che realizza la demodulazione del segnale dati.
Il moltiplicatore M2 realizza quindi la seguente operazione:
![s(t)\cdot c_{2}=[m(t)\cdot A\cos \omega _{0}t]\times [C\sin \omega _{0}t+\varphi ]=](/mediawiki/images/math/7/e/7/7e77bdf84b0fd4dd7427379577e41cf3.png)

In pratica, è possibile valutare la funzione di uscita Q(t) nel punto BQ mediante la relazione:

dove
è l'errore di fase del VCO rispetto al segnale modulato. Tale situazione è evidenziata mediante analisi vettoriale nella seguente figura:
ed esplicata nella seguente tabella:
Nel caso a) l'allineamento tra le fasi è perfetto (errore di fase
) mentre in b) e c) si ha rispettivamente fuori-allineamento in anticipo e in ritardo.
E' immediato osservare che, mentre il vettore c1 provvede alla demodulazione del segnale dati, il vettore c2 in quadratura è sensibile all'errore di fase e consente di determinare un criterio (tensione dQ(t) proporzionale a
) che potrebbe essere utilizzato per pilotare il VCO e quindi per controllare l'aggancio di fase tra la portante locale e la portante in arrivo.
Si nota tuttavia che la tensione Vc è funzione, oltre che dell'apertura positiva o negativa (anticipo o ritardo tra i due vettori) dell'angolo
, anche della posizione di fase (
) del vettore portante rispetto a c1, conseguente all'effetto della modulazione PSK.
A risolvere il problema provvede il moltiplicatore M3 (riferendoci alla Fig.13), che esegue il seguente prodotto:
![V_{c}=[m(t)\cdot V\cos (-\varphi )]\times [m(t)\cdot V\sin (-\varphi )]=](/mediawiki/images/math/c/d/6/cd655a1db296ef4ceb21ca99613c099b.png)

Qualunque sia il valore assoluto in ampiezza Ax del simbolo m(t), l'operazione di elevazione al quadrato ne elimina il segno negativo, per cui la quantità m(t)2 sarà sempre una grandezza positiva; questo significa però che la tensione Vc non contiene più le inversioni di polarità proprie del processo di modulazione PSK, e rimane unicamente proporzionale all'errore
, come effettivamente necessario per provvedere all'aggancio dell'anello di fase.
In pratica, poi, la tensione d'errore non viene usata con ampiezza proporzionale al
, bensì portata ai livelli logici + 1 e − 1 mediante circuiti a scatto sulle due vie I e Q. Un segnale di qualunque livello, se positivo, diventa + 1 e se negativo − 1; con questo, il circuito squadratore decide velocemente il segno di I e Q. Occorre tenere a mente che, per quanto riguarda il segnale numerico, questo comportamento realizza proprio la legge di decisione del demodulatore PSK (come vedremo fra non molto).
Per quel che riguarda la rivelazione della tensione d'errore, l'aver trasformato una tensione con dinamica analogica in un segnale logico, non modifica il contenuto informativo del segnale; sarebbe infatti sufficiente inserire (dopo il blocco a scatto) un filtro passa basso, per riottenere dal valore medio del segnale logico, le variazioni analogiche originarie.
L'apparente complicazione circuitale offre invece il vantaggio di poter usare semplici circuiti logici; nel caso in questione, il moltiplicatore M3 si realizza con un semplice OR esclusivo. Le possibili combinazioni segno dell'errore/libello del simbolo che si possono verificare sono quelle di Fig.13.
Comprendiamo come la tensione Vc all'uscita del blocco EX-OR non potrà mai assumere un valore di equilibrio statico; per la sua natura logica salterà infatti continuamente tra i due possibili valori + 1 e − 1. Tuttavia tale tensione, prima di raggiungere il VCO, viene integrata e filtrata per non creare fenomeni di jitter nel demodulatore.
Nel caso del demodulatore quadrifase, come illustrato nella seguente figura, i moltiplicatori M1 ed
M2 svolgono ciascuno la doppia funzione di rivelare le transizioni di fase relative alla sottoportante di loro competenza e di rilevare l'errore di fase riferendosi all'altra sottoportante:
La tensione d'errore all'ingresso del VCO è proporzionale al quadrato del battimento tra frequenza a riposo del VCO e frequenza della portante d'ingresso.
Ad aggancio avvenuto, i segnali c1 e c2 coincidono con gli assi della portante modulata. Sicché si può concludere che l'anello di Costas svolge simultaneamente tre funzioni:
- demodula il segnale numerico;
- ricostruisce la portante escludendo ogni traccia della modulazione;
- la aggancia nella corretta posizione di fase garantendo la coerenza della demodulazione.
Dal punto di vista della trasmissione numerica, l'anello di Costas si può pensare come un metodo di rimodulazione in banda base. Tuttavia, rispetto ai metodi che operano direttamente sulla portante ricevuta, offre, come anticipato, maggior semplicità di realizzazione circuitale grazie al largo impiego delle tecniche numeriche operanti direttamente in banda base, piuttosto che in banda traslata (ad IF o RF).
Grazie a tali requisiti, questo metodo, con le opportune varianti per l'applicazione a sistemi più complessi multilivello, come è effettivamente un ponte radio digitale, ha oggi un impiego assai diffuso anche aldilà delle comunicazioni elettriche.
Analizziamo a questo punto la probabilità d'errore e la struttura ottima del ricevitore per il caso di demdulazione PSK m-aria.
Possiamo generalizzare la forma d'onda della segnalazione con la seguente relazione:

con m = 1,2,...,M che sono rappresentate nel sottospazio bidimensionale individuato dalle due funzioni di base:

Riferiamoci quindi alla seguente figura:
Risulta evidente che sotto l’ipotesi che i simboli vengano emessi con eguale probabilità, il ricevitore decide a favore di quel simbolo aj cui corrisponde la fase
che è la più vicina all'angolo formato dal vettore ricevuto
. Detti pertanto ρ0 e ρ1 le componenti del vettore
lungo i versori
e
rispettivamente, la stima
della fase Θj può essere effettuata valutando la quantità:

e attribuendo a
quel valore, fra le fasi possibili, che si trova più vicino a Θ.
Alla luce di tali considerazioni analitiche, lo schema del ricevitore ottimo per demodulazioni PSK multilivello è il seguente:
Per determinare la probabilità di errore basta far riferimento alla probabilità di corretta decisione. Se il simbolo inviato è Θj la rivelazione è corretta se Θ è contenuto nell'intervallo
, per cui possiamo scrivere:

dove con p(Θ | Θj) si è denotata la densità di probabilità di Θ noto che sia il simbolo Θj trasmesso. Tenendo infine conto che, per la simmetria del sistema, la p(Θ | Θj) non dipende dal particolare simbolo trasmesso, la (LXIII) si può riscrivere come segue:

Per valutare la p(Θ | ΘM) basta osservare che, essendo ΘM = 2π, le componenti ρ0 e ρ1 del vettore
valgono:

Se n(t) è, al solito, un rumore gaussiano e bianco e
costituisce un riferimento ortonormale, le quantità ν0 e ν1 sono v.a. gaussiane ed indipendenti caratterizzate da un valore medio nullo e da varianze eguali e pari a
. Risulta pertanto:
![p(\rho _{0},\rho _{0}|\Theta _{M})=\frac{1}{\pi N_{0}}\text{exp}\left \{-\frac{1}{N_{0}}\left [\left(\rho _{0}-V_{0}\sqrt{\frac{T}{2}}\right)^2 + \rho _{1}^2 \right] \right \}\,\,\,\,\,\,\text{(LXVI)}](/mediawiki/images/math/f/c/f/fcf4b3c86a9af83551fc6696114e1a4b.png)
Introducendo la seguente trasformazione di variabili:

la precedente può essere riscritta in termini di ρ e Θ come segue:

D’altra parte si ha:



Sicché possiamo scrivere:

essendo
l'energia media di segnalazione.
A questo punto, dalla (LXX) è possibile ricavare la densità di probabilità della fase Θ integrando rispetto a ρ:

che, con alcuni opportuni passaggi, può essere posta nella forma seguente:
![p(\Theta |\Theta _{M})=\frac{e^{-\frac{E}{N_{0}}}}{2\pi }\left \{ 1+\cos \Theta \sqrt{\frac{\pi E}{N_{0}}}e^{\frac{E}{N_{0}}\cos ^2 \Theta }\left[1+\text{erf}\left( \sqrt{\frac{E}{N_{0}}}\cos \Theta \right) \right] \right \}\,\,\,\,\,\,\text{(LXXII)}](/mediawiki/images/math/f/f/5/ff573fe64f872af71ea9bce9e58fafff.png)
il cui andamento in funzione del margine di rumore è di seguito mostrato:
La probabilità di corretta decisione vale:

e la corrispondente probabilità di errore per simbolo:

Gli andamenti della probabilità d'errore per simbolo in funzione del rapporto segnale rumore, ottenuti per integrazione numerica della (LXXI), sono di seguito riportati per alcuni valori di M:
Dall'analisi della Fig.19 possiamo dedurre che, per un assegnato valore della probabilità di errore, il rapporto segnale rumore aumenta al crescere del numero dei livelli o, che è lo stesso, aumentando M, occorre impegnare una più elevata potenza per ottenere le stesse prestazioni in termini di probabilità di errore.
3.3 Cenni alla decodifica differenziale e demodulazione DC-PSK
Avendo discusso nella quarta parte di codifica differenziale, nell'ambito della modulazione PSK multilivello, è il caso di analizzare brevemente il processo complementare di decodifica che si svolge in ricezione.
La decodifica viene ottenuta grazie ad un circuito che applica chiaramente la legge complementare vista per la codifica: ogni volta che il rivelatore sente una transizione di fase, viene ricostruito il simbolo 1; viceversa, finché la portante ricevuta mantiene un qualunque stato di fase, senza presentare transizioni, per la durata dei rispettivi tempi di clock vengono ricostruiti dei simboli 0.
Consideriamo quindi la seguente figura:
La ricostruzione del segnale originale (sequenza C di Fig.20), si ottiene sommando in OR esclusivo la sequenza demodulata (sequenza B), con la stessa ritardata di un tempo di simbolo (sequenza B). Dove c'è discordanza di segno, significa che c'è stata variazione di fase, e quindi si ha 1 in uscita; dove c'è concordanza di segno, il circuito fornisce 0.
Possiamo notare che, qualora a causa dell'ambiguità del riferimento di fase, la sequenza demodulata fosse negata, il segnale decodificato risulterebbe identico a quello ricostruito nell'altro caso, cioè comunque congruente con la sequenza modulante originaria.
La codifica differenziale può essere decodificata usando un diverso metodo di modulazione, chiamato DC-PSK (Fig.20 b)).
In questo caso la portante ricevuta viene confrontata (su un moltiplicatore lineare) con la stessa, ricevuta nel precedente tempo di simbolo, e ritardata dal circuito τ.
Anche in questa circostanza, la decisione nei riguardi della ricostruzione del simbolo dipende dalla concordanza o discordanza di fase tra i due segnali a confronto.
In pratica, questo metodo evita l'operazione di ricostruzione della portante e, in linea di massima, risulta più semplice; ad ogni modo, sui ponti radio numerici, peggiora di alcuni decibel il margine del collegamento, per cui viene di norma preferito il metodo della demodulazione coerente precedentemente discusso.
3.4 Demodulazione QAM
Per quel che riguarda la demodulazione del segnale QAM, trattandosi fondamentalmente di una modulazione quadrifase, viene utilizzato il principio della demodulazione coerente su due sottoportanti in quadratura, abbondantemente discusso nella parte relativa alla modulazione.
Ogni punto della costellazione è portatore di particolari contributi d'ampiezza e fase che si manifestano lungo l'allineamento dei vettori I e Q. Pertanto, su ciascuna delle due vie del demodulatore, è possibile raccogliere un segnale il cui diagramma ad occhio ha il seguente aspetto:
Per la rigenerazione di ciascun segnale, è necessario un circuito di decisione abbastanza complesso, capace di riconoscere 3 soglie di livello, corrispondenti ai 3 "buchi" dell'occhio. I 6 criteri così ottenuti vengono trasformati nei 4 bit associati al simbolo trasmesso nell'istante di decisione.
Osserviamo che anche la modulazione QAM soffre di ambiguità nella ricostruzione del segnale dati, per le stesse ragioni già esaminate a proposito del demodulatore CPSK; il demodulatore QAM è in grado di discriminare i 4 punti all'interno del quadrante, ma non può identificare assolutamente il quadrante.
Sicché, mentre due bit di ogni simbolo vengono associati ai 4 punti corrispondenti entro ogni quadrante (adottando la codifica di Gray), gli altri due vengono associati ai salti tra i vari quadranti (esattamente come nel caso della CQPSK). Questi due bit vengono quindi sottoposti a codifica differenziale e corrispondono ai salti di quadrante per la cui interpretazione sono sufficienti i due criteri provenienti dalle due soglie intermedie (centrate sullo zero). Gli altri due bit non subiscono alcuna codifica differenziale e si ricavano da una rete combinatoria che è opportunamente progettata per lavorare su tutti e 6 i segnali.
La logica di recupero della portante è sostanzialmente identica a quella impiegata in un sistema quadrifase, con l'aggiunta di un gate selettivo pilotato da una combinazione logica dei segnali rigenerati. Il gate lascia passare il segnale-errore che controlla il VCO soltanto in corrispondenza degli 8 stati che giacciono sulle due diagonali principali; gli 8 vettori corrispondenti hanno infatti la disposizione tipica dei sistemi CQPSK e quindi fanno funzionare correttamente la logica di recupero della portante. L'informazione di errore portata dagli altri 8 vettori è un'informazione errata (ai fini del recupero della portante) e quindi viene bloccata da un opportuno gate selettivo. Lo schema di principio di un demodulatore 16-QAM implementato sul ricevitore di un ponte radio è il seguente (che è lo stesso discusso nella trattazione dei sistemi PCM):
La logica di ricostruzione della portante LRP ha la funzione di estrarre dalla portante ricevuta un riferimento di fase, che prescinda dalla modulazione impressa sulla stessa; successivamente il circuito ad aggancio di fase PLL provvederà ad usare tale riferimento al fine di realizzare e mantenere l'aggancio della fase del VCO con quella della portante ricevuta (e conseguentemente delle rispettive frequenze). Il metodo di estrazione della portante più comunemente usato è l'anello di Costas digitale DCL (precedentemente discusso in termini generali).
Analizzando la Fig.22, osserviamo che la logica di recupero della portante è preceduta da un circuito selettivo chiamato
gate selettivo GS che ha la funzione di eliminare quei criteri che possono dare un'informazione errata ai fini del recupero della portante. Esso infatti, selezionando gli otto punti che giacciono sulle diagonali della costellazione QAM, consente poi di utilizzare correttamente la "logica di recupero portante" tipica dei sistemi CQPSK già vista in precedenza.
Per quanto riguarda il segnale modulato a frequenza intermedia FI (come vedremo dettagliatamente nella nona parte) sui due assi in quadratura, ogni sottoportante interagisce soltanto con la modulazione d'ampiezza ad essa coerente, per cui in definitiva a valle dei moltiplicatori si ritrovano demodulati e separati sulle vie I e Q i due flussi di simboli, che appartenevano alle due componenti del segnale modulato entrante.
I filtri che seguono i blocchi moltiplicatori, sono dei filtri digitali BTF ed hanno la funzione di eliminare i prodotti indesiderati del processo di demodulazione, ed anche di attenuare il rumore termico che è stato inevitabilmente traslato in banda base assieme al segnale numerico. Inoltre, essi partecipano alla sagomatura dell'intero canale di trasmissione, che è ripartita tra trasmissione e ricezione. La complessità e la curva caratteristica di tali filtri viene elaborata come compromesso tra le varie esigenze; nel caso dei metodi più semplici di modulazione (2 o 4PSK) vengono spesso impiegati filtri di tipo Bessel o Butterworth, mentre nel caso di modulazione QAM (che spesso devono sottostare a canalizzazioni piuttosto strette, tipiche dei ponti radio numerici), si tende a realizzare con filtri digitali trasversali la funzione di trasferimento complessiva che soddisfi le condizioni di Nyquist.
I segnali estratti sui punti di misura BI e BQ sono sostanzialmente una copia imperfetta di quelli modulanti, a causa delle varie distorsioni e rumori da cui risultano affetti in uscita dal mezzo trasmissivo.
La rigenerazione dei segnali demodulati implica due distinti criteri:
- la ritemporizzazione dei dati, che richiede localmente la presenza di un clock sincrono con la temporizzazione di cui il segnale dati stesso è portatore;
- il criterio di massima verosimiglianza, che decida quale fra gli n simboli possibili (secondo il metodo di modulazione adottato) ha la maggiore probabilità di essere stato modulato in ogni intervallo di campionamento.
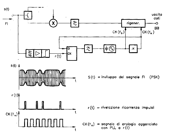
Il segnale che si osserva nei punti d'estrazione BI o BQ, possiede un inviluppo dai contorni smussati e di livello impreciso e continuamente variabile sotto l'effetto del rumore di linea come si osserva dalla seguente figura:
Il diagramma ad occhio, come sappiamo, fornisce il criterio di decisione che occorre impiegare per la ricostruzione del dato. Se la modulazione è PSK, l'occhio si mostra proprio come in Fig.23, e il criterio di decisione coinciderà con la soglia, posizionata a metà altezza dell'occhio, di un circuito a scatto a due livelli.
Analizzando la figura, risulta evidente che la trama così ottenuta è caratterizzata da una sequenza irregolare di impulsi uguali, la cui cadenza è rigorosamente intervallata da un tempo di simbolo Ts o suoi multipli. Con tale segnale è possibile controllare, mediante il PLL ad aggancio di fase, un VCO, il quale genera quindi una frequenza pari a
.
Consideriamo quindi la seguente figura:
Il segnale dati si può riottenere dal segnale in banda base con un derivatore seguito da un raddrizzatore, oppure semplicemente mediante un circuito che rilevi in ampiezza l'inviluppo s(t) del segnale modulato a frequenza intermedia. Un flip-flop tipo D viene comandato sull'ingresso CK dagli impulsi RZ, e sull'ingresso D da un segnale a frequenza di simbolo ottenuto da un VCO che opera alla frequenza di bit.
Come si nota, il flip-flop si comporta da comparatore di fase tra i due segnali, generando una tensione correttiva che, attraverso il filtro passa basso, va a chiudere il loop di fase mantenendo agganciato il VCO alle transizioni presentate da s(t).
I segnali di clock a frequenza fb ed fs vengono usati nel circuito di rigenerazione per "leggere" il segnale demodulato, ad esempio mediante un fp-flop tipo D, all'uscita del quale le indecisioni delle transizioni sono virtualmente eliminate. Perché ciò avvenga con la minima probabilità di commettere un errore, il segnale demodulato viene letto, all'interno di ogni intervallo di simbolo, nel punto in cui il diagramma ad occhio offre la massima apertura.
Nel caso di modulazione 16QAM, il diagramma ad occhio di ciascun segnale demodulato (punti di rilievo BI e BQ di Fig.22), mostra tre zone di massima apertura, coincidenti (come detto) con punti equidistanti dai livelli di ampiezza scelti in modulazioni, che come noto valgono + V, + 3V.
In corrispondenza di tali aperture massime, e quindi per valori pari a + 2V, 0V e − 2V, vengono posizionate le soglie dei circuiti di decisione, realizzati con circuiti operazionali veloci, come quello di seguito illustrato:
L'insieme dei tre segnali binari, Q1, Q2 e Q3 così ottenuti, indica in modo univoco quale soglia sia stata superata e, conseguentemente, anche il livello del simbolo trasmesso, il tutto secondo la seguente tabella:
La seconda via (BI) fornirà ovviamente altrettanti segnali rigenerati (I1, I2 e I3) che insieme ai primi accedono ad una decodifica combinatoria e differenziale, per riottenere in definitiva i quattro bit per simbolo che individuano i 16 stati della modulazione 16QAM.
Infine, un convertitore parallelo-serie riordina a tempo di clock il flusso originario.
Per concludere questo paragrafo, discutiamo la struttura del ricevitore ottimo, che si presenta come di seguito illustrato:
All'uscita degli integratori si ottengono le componenti ρ0 e ρ0 secondo le direzioni individuate dai vettori
e
rispettivamente e, se i simboli sono equiprobabili, è presa una decisione sul simbolo trasmesso secondo la regola seguente:

Poiché le componenti in fase e in quadratura del segnale QAM ricevuto sono indipendenti, è immediato rendersi conto che la probabilità di corretta decisione per simbolo può essere espressa dalla:

dove pf e pq rappresentano le probabilità di errore dei segnali che costituiscono le componenti in fase e in quadratura.
Limitandoci a considerare solo segnalazioni QAM la cui costellazione è costituita da un graticcio quadrato, si ha:

per cui la probabilità di errore è:

che per elevati valori del rapporto
può essere approssimata dalla:

Se i simboli sono equiprobabili, l’energia media associata alle forme di segnalazione è:
![E=\frac{V^2 _{0}T}{N_{0}}\frac{1}{M}\left[\sum_{n=1}^{M}a^2 _{n}+\sum_{m=1}^{M}b^2 _{n} \right]=V^2 _{0}T\frac{M^2 -1}{3}\,\,\,\,\,\,\text{(LXXX)}](/mediawiki/images/math/d/e/c/dec28beef5ff91fd5718a6bcad470d37.png)
che sostituita nella (LXXIX) fornisce:

per cui la probabilità di errore in funzione dell’energia media per simbolo è quella di seguito mostrata:
Bibliografia
- Formazione specialistica e training on the job presso Telecom Italia S.p.A. (2007 - 2013);
- Appunti, dispense e materiale didattico messo a disposizione nel corso di Fondamenti Di Comunicazioni Elettriche tenuto presso la Facoltà di Ingegneria Elettronica dell'Università Degli Studi Di Palermo (201s - 2013);
- G. MAMOLA, G. GARBO: <<Lezioni di teoria dei segnali, vol.1 & 2>>, Dario Flaccovio, 2003;
- S. HAYKIN, M. MOHER: <<An Introduction to Analog and Digital Communications, 2nd Edition>>, Wiley, 2007;
- M.C. JERUCHIM, P. BALABAN, K.S. SHANMUGAN: <<Simulation of Communication Systems>>, 2nd Edition>>, New York: Plenum, 2000;
- F. VALDONI, F. VATALARO: <<Telecomunicazioni>>, Calderini, 1984;
- J.R. PIERCE: <<Simbols, signals and noise>>, J.Newman, 1961;
- F. CARASSA: <<Comunicazioni elettriche>>, Boringhieri, Torino 1977.

Elettrotecnica e non solo (admin)
Un gatto tra gli elettroni (IsidoroKZ)
Esperienza e simulazioni (g.schgor)
Moleskine di un idraulico (RenzoDF)
Il Blog di ElectroYou (webmaster)
Idee microcontrollate (TardoFreak)
PICcoli grandi PICMicro (Paolino)
Il blog elettrico di carloc (carloc)
DirtEYblooog (dirtydeeds)
Di tutto... un po' (jordan20)
AK47 (lillo)
Esperienze elettroniche (marco438)
Telecomunicazioni musicali (clavicordo)
Automazione ed Elettronica (gustavo)
Direttive per la sicurezza (ErnestoCappelletti)
EYnfo dall'Alaska (mir)
Apriamo il quadro! (attilio)
H7-25 (asdf)
Passione Elettrica (massimob)
Elettroni a spasso (guidob)
Bloguerra (guerra)


















