Indice
|
Note generali
La generazione di freddo per climatizzazione o per processi industriali può essere conseguita con macchine ad assorbimento, apparecchiature queste in cui l’effetto utile è ottenuto a spese di energia termica fornita ad un opportuno livello di temperatura.
A seconda della tipologia di macchina si possono distinguere:
1)macchine ad alimentazione diretta, altrimenti denominate a fiamma diretta, in cui la sorgente termica è costituita da un combustibile (nella maggior parte dei casi gas naturale), che viene combusto direttamente nella macchina;
2)macchine ad alimentazione indiretta, in cui la sorgente termica è costituita da un fluido termovettore (acqua, olio diatermico, fumi caldi, vapore), fornito ad un livello termico adeguato.
Le macchine ad assorbimento azionate da un fluido termovettore sono attualmente oggetto di un rinnovato interesse perché consentono di essere alimentate con qualsiasi tipo di sorgente termica, compreso il calore di scarto da un processo industriale, le energie rinnovabili o il calore recuperato da un cogeneratore.
Gli assorbitori costituiscono un’alternativa ai tradizionali gruppi a compressione, quindi all’uso dei fluidi frigorigeni basati sugli idrocarburi alogenati, con benefici ambientali rispetto alle problematiche di impatto sull’effetto serra e di mantenimento e riciclaggio tipiche dei fluidi frigorigeni.
Le apparecchiature di seguito considerate sono costituite dagli assorbitori alimentati ad acqua calda, attualmente di gran lunga i più diffusi.
Questi sono dispositivi, che a fronte di energia termica immessa sotto forma di acqua calda a temperature anche relativamente basse, sino a 70 °C, rendono energia frigorifera sotto forma di acqua refrigerata con temperature minime sino a 5,5 °C.
Il ciclo termodinamico utilizzato, detto assorbimento, è percorso da una miscela binaria di fluidi costituita da acqua e bromuro di litio.
Le prestazioni termodinamiche nominali degli assorbitori in esame sono sintetizzate dal coefficiente di prestazione COP - altrimenti EER / Energy Efficiency Ratio - che è il rapporto fra potenza frigorifera ricavata e quella termica utilizzata, il cui valore è pari a 0,7.
La sostanziale assenza di parti in movimento rende queste apparecchiature particolarmente silenziose ed affidabili, due qualità di primaria importanza per il settore domestico e terziario.
Di seguito vengono passate in rassegna le varie applicazioni che rendono queste macchine particolarmente interessanti sotto l’aspetto dell’efficienza energetica.
Principio di funzionamento degli assorbitori
Principio di funzionamento di un assorbitore alimentato ad acqua calda, con temperatura minima a 70°C. L’acqua refrigerata è prodotta a 7°C.
Generatore
L’acqua di alimentazione riscalda, portandola all’ebollizione, la soluzione diluita di acqua e bromuro di litio contenuta nel generatore.
L’ebollizione libera il vapore acqueo (refrigerante) ed arricchisce la soluzione di bromuro di litio. La soluzione concentrata viene raccolta e preraffreddata, passando attraverso uno scambiatore di calore, prima di venire immessa nell’assorbitore.
Condensatore
Il vapore refrigerante perviene al condensatore dove condensa sulla superficie delle serpentine del circuito di raffreddamento.
Il calore di condensazione è rimosso dall’acqua di raffreddamento ed espulso normalmente con una torre evaporativa.
Il liquido refrigerante, raccolto nel condensatore, passa quindi nell’evaporatore attraverso un’apposita apertura.
Evaporatore
La pressione esistente nell’evaporatore è assai più bassa di quella del generatore e del condensatore per l’influenza esercitata dall’assorbitore.
Per questo motivo il liquido refrigerante, una volta entrato nell’evaporatore, bolle ed assorbe calore evaporando sulla superficie della serpentina del circuito dell’acqua da refrigerare.
Il vapore refrigerante ottenuto fluisce quindi nell’assorbitore.
Assorbitore
La bassa pressione nell’assorbitore è dovuta all’affinità chimica fra la soluzione concentrata di bromuro di litio proveniente dal generatore ed il vapore refrigerante che si forma nell’evaporatore.
Il vapore refrigerante viene assorbito dalla soluzione concentrata di bromuro di litio mentre quest’ultima lambisce la superficie delle serpentine dell’assorbitore.
Il calore di condensazione e di diluizione è rimosso dall’acqua di raffreddamento.
La soluzione diluita di bromuro di litio è poi preriscaldata nello scambiatore di calore prima di ritornare nel generatore.
Alcuni assorbitori in opera
Impianto di trigenerazione con assorbitore utilizzato per freddo di processo dalla A. Gandola & C - Ponte San Marco, Brescia, azienda di produzione di cioccolato. Potenza elettrica 200 kW, termica 280 kW, frigorifera 105 kW.
Mantova, Palazzo Ducale - Museo Archeologico.
Centrale di produzione periferica di acqua refrigerata in impianto di teleriscaldamento. La potenza frigorifera nominale dell’installazione è pari a 420 kW. L’acqua di alimentazione da rete è erogata da TEA SPA a 80 °C. Lo smaltimento del calore è operato con acqua prelevata dal limitrofo fiume Mincio.
Azienda agricola Cescon Giuseppe e Antonella SS, Chiarano (TV).Assorbitore da 70kW in impianto ad alimentazione indiretta con cippato ricavato da tralci di vite. L’acqua refrigerata prodotta viene utilizzata sia per il termocondizionamento delle vasche vino, sia per la climatizzazione ambientale.
- Sca Hygiene Products Spa. Stabilimento di produzione di carte per uso domestico, igienico e sanitario sito in Badia (LU). Impianto da 352 kWf, costituito da due unità da 176 kWf ciascuna, alimentate con recupero termico su fumi per la climatizzazione della cabina elettrica.
Impiego razionale degli assorbitori
Campi di lavoro
La figura riporta i campi di lavoro degli assorbitori considerati, in termini di temperature di mandata e di ritorno dell’acqua refrigerata.
Come si può rilevare dalla stessa, la temperatura limite inferiore di mandata è di 5,5 °C e quella massima di ritorno è di 19,5 °C. Il campo di lavoro nominale è quello con mandata a 6,5 °C e ritorno a 10,5 °C (standard setting).
Va notato che il differenziale di temperatura fra mandata e ritorno, pari a 4°C, rimane costante per qualsiasi campo di lavoro adottato.
Curve caratteristiche di prestazione
Le prestazioni di ogni singola macchina vengono evidenziate dalle relative curve caratteristiche.
Nella figura sono riportate quelle di un assorbitore Yazaki, illustrato visivamente in copertina, di potenza frigorifera nominale pari a 105 kW.
Per le stesse valgono le seguenti considerazioni, anche se la maggior parte dei concetti esposti si possono estendere ad apparecchiature di gamma e di concezione costruttiva diverse.
Tenendo fissa la temperatura dell’acqua erogata, pari a 7 °C, la potenza frigorifera prodotta è fortemente influenzata dalle temperature dell’acqua di raffreddamento, o meglio di dissipazione e dalla temperatura dell’acqua di alimentazione. Si otterranno valori di potenza più elevati, infatti, diminuendo la temperatura dell’acqua di raffreddamento, oppure aumentando quella di alimentazione.
La temperatura dell’acqua di raffreddamento, che comunque non può scendere sotto il valore di 24 °C per evitare fenomeni di cristallizzazione della soluzione di lavoro, è dettata, nel caso di utilizzo di torri evaporative, dalla temperatura a bulbo umido dell’aria esterna, caratteristica della località d’installazione.La temperatura dell’acqua di alimentazione non può eccedere, sull’ unità considerata, i 95 °C, per motivi di sicurezza operativa, risultando la temperatura limite di progetto della macchina pari a 100 °C. Essa, peraltro, può scendere a valori molto bassi, scontando per contro forti flessioni di potenza.
Da ultimo è stato illustrato sempre nella figura l’andamento del fattore di penalizzazione della potenza frigorifera per riduzione della portata dell’acqua di alimentazione, fermi restando i rimanenti parametri caratteristici di funzionamento.
I valori ottenibili dai grafici illustrati nella figura 3) possono essere utilizzati per ipotizzare differenti condizioni di funzionamento della macchina, anche se i risultati ottenibili debbono essere considerati solamente indicativi.
Curve caratteristiche di refrigerazione
Di seguito vengono riportate nella figura le curve caratteristiche di mandata dell’acqua refrigerata, per temperatura di condensazione pari a 31 °C, in funzione delle diverse temperature dell’acqua di alimentazione. Come si può rilevare dalle stesse, la potenza frigorifera erogata corrispondente cresce all’aumentare dei valori di temperatura di erogazione fino a stabilizzarsi asintoticamente per i valori più elevati.
I corrispondenti valori dei coefficienti di prestazione COP, sotto riportati, mostrano similmente un andamento crescente con l’incremento delle temperature di erogazione dell’acqua refrigerata.
schemi concettuali di impianto
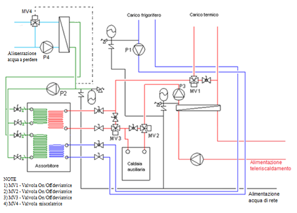
Nella figura che segue è illustrato uno schema concettuale di impianto. Lo stesso è caratterizzato da due circuiti, quello primario al servizio del sistema di alimentazione del calore e quello secondario di gestione dell’assorbitore.
I due circuiti sono interconnessi da uno scambiatore. Questo, che è dotato di quattro connessioni, provvede ad una distribuzione all’utenza a 4 tubi.
Ad una temperatura dell’acqua calda disponibile nello scambiatore di almeno 70 °C, qualora sia richiesta acqua refrigerata, verranno azionate le pompe P3, P2 e P1 a servizio dei circuiti idraulici dell’assorbitore.L’acqua calda di alimentazione affluirà dallo scambiatore attraverso le valvole deviatrici MV2 e MV3 sino all’assorbitore e da questo ritornerà allo scambiatore.
L’acqua refrigerata spinta dalla pompa P1 fluirà alle diverse utenze (centrale di trattamento aria, ventilconvettori od altro).Se è richiesto contemporaneamente calore, la valvola deviatrice MV1 verrà azionata allo scopo di convogliare l’acqua calda proveniente dall’assorbitore all’utenza termica.
Nel caso di solo fabbisogno termico per riscaldamento, la valvola MV3 escluderà l’assorbitore.Allorché l’impianto di alimentazione termica venga posto fuori servizio per manutenzione od altro, la valvola MV2 provvederà a deviare tutto il fluido termovettore verso la caldaia ausiliaria, allo scopo di soddisfare comunque l’utenza. La stessa, ovviamente, dovrà essere in grado di fornire l’acqua calda alle temperature e nelle quantità di progetto.
Nello schema è prevista una torre evaporativa chiusa. Poiché la qualità dell’acqua ed il suo trattamento richiedono pur sempre una particolare attenzione, le torri chiuse offrono una soluzione idonea alla salvaguardia dell’ assorbitore.
La figura seguente illustra uno schema di impianto, che si differenzia dal precedente per il sistema di smaltimento del calore operato mediante l’impiego di acqua a perdere.
Per quanto riguarda il raffreddamento con acqua a perdere, anche nel caso di acqua prelevata da roggia o da fiume, la cui disponibilità in linea teorica, risulta essere illimitata, sussistono problemi di approvvigionamento e di inquinamento termico, come di seguito precisato.
E’ comunque indispensabile tener presente che gli assorbitori in esame, come già precedentemente segnalato, impongono temperature di condensazione comprese tra i 24 °C ed i 31 °C.
Per contro la temperatura di prelievo dell’acqua a perdere è normalmente compresa tra i 12 °C ed i 18 °C. Risulta quindi necessaria l’adozione di una valvola miscelatrice e di uno scambiatore di calore per riuscire a garantire una temperatura dell’acqua di condensazione adeguata. La valvola MV4 miscelerà, quando necessario, l’acqua a perdere con una parte della stessa già circolata nello scambiatore, per mantenere la temperatura dell’acqua in ingresso all’assorbitore, come già detto, ad un valore compreso tra i 24 °C ed i 31 °C.
Lo smaltimento del calore
Torri evaporative
Per il rigetto del calore generato negli assorbitori, che utilizzano quale fluido di lavoro una miscela di acqua e bromuro di litio, sono normalmente impiegate torri evaporative.
La loro adozione è dovuta principalmente al basso livello delle temperature di smaltimento imposto dall’assorbitore (31-35 °C).
Il funzionamento delle torri evaporative è basato sull’impiego del calore latente di evaporazione dell’acqua. Mettendo a contatto nella torre una portata d’acqua, finemente suddivisa, con una corrente d’aria, una piccola quantità di acqua viene assorbita per evaporazione dalla corrente d’aria, sottraendo il suo calore latente di evaporazione all’acqua restante.
L’acqua uscente dalla torre sarà appena un po’ meno in quantità, ma sensibilmente più fredda di quella inizialmente entrante, ed il calore sottratto, come calore latente di evaporazione, risulterà disperso nell’ambiente sotto forma di vapore acqueo contenuto nella corrente d’aria uscente, la cui umidità sarà a sua volta aumentata rispetto all’aria entrante, normalmente sino alla saturazione.
Il calore sottratto all’acqua non dipende dalla temperatura a bulbo secco dell’aria entrante, ma solamente da quella a bulbo umido. Ciò risulta importante in quanto, per umidità relativa inferiore al 100%, la temperatura a bulbo umido è inferiore a quella a bulbo secco (ad esempio con bulbo secco di 32 °C ed umidità relativa pari al 52%, il bulbo umido è solo a 24 °C) e nei processi di raffreddamento ci si può avvicinare a temperature sensibilmente inferiori rispetto a quelle ottenibili utilizzando sistemi a secco.
La caratteristica peculiare delle torri evaporative è che il raffreddamento è ottenuto a spese di un modesto consumo d’acqua (qualche percentuale della portata in circolo), ma con un consumo di energia ridotto rispetto ad un equivalente raffreddamento ad aria.Il consumo d’acqua in una torre evaporativa è dato dalla somma di quello per evaporazione, di quello per trascinamento delle gocce d’acqua nell’aria uscente (di solito nell’ordine dello 0,002% della portata d’acqua circolante) e di quello di spurgo, variabile in funzione della qualità dell’acqua utilizzata, con valori compresi fra il 30% ed il 100% del consumo d’acqua per evaporazione.Per quanto riguarda lo spurgo va precisato quanto segue. La continua evaporazione dell’acqua provoca un progressivo aumento, nell’acqua rimasta, della concentrazione di sali ed altre impurità, anche di quelle assorbite dall’aria ambiente.
Se non controllata, la concentrazione nell’acqua di ricircolo di sali ed altri solidi disciolti aumenta molto rapidamente provocando incrostazioni, depositi e corrosioni, che pregiudicano il corretto funzionamento e la durata delle apparecchiature utilizzate.
Per limitare l’aumento di dette concentrazioni occorre effettuare uno spurgo, vale a dire uno spillamento continuo realizzato a mezzo di una saracinesca posta possibilmente sulla tubazione di entrata dell’acqua nella torre. Allo scopo di fornire un’idea dei valori in gioco, varrà segnalare che per l’assorbitore, preso in esame, i valori massimi relativi ai consumi d’acqua risultano i seguenti:
per evaporazione: 402 l/h; per trascinamento: 1,1 l/h; per spillamento: 402 l/h (valore massimo); per un totale massimo quindi di 805 l/h.
Sistema di acqua a perdere
Come sopra accennato, soprattutto se le potenze in gioco sono limitate, può essere presa in considerazione per lo smaltimento del calore anche acqua a perdere.
Nel caso quindi di cospicue disponibilità di acqua ambiente, prelevata ad esempio da roggia, da pozzo, da lago, da fiume, eccetera, con l’interposizione di uno scambiatore per ragioni di sicurezza operativa, può essere adottato uno schema quale quello illustrato nella figura 6).
Lo scambiatore lavorerà in controcorrente con temperature atte all’ottenimento di quella dettata dalla condensazione, nel nostro caso 31 °C (valore di targa), e la quantità d’acqua ambiente richiesta sarà facilmente calcolabile con la formula 1) riportata di seguito.
Nel caso di utilizzo dell’assorbitore in esame, supponendo ad esempio che la temperatura dell’acqua disponibile sia di 15 °C, nota la quantità di calore da smaltire pari a 255,6 kW, risultando il salto termico dell’acqua utilizzata di 16 °C (31 °C - 15 °C), si otterrà un impiego d’acqua pari a 13.789 l/h.Dal confronto dei valori sopra riportati appare evidente la notevolissima differenza degli utilizzi di acqua fra la soluzione con acqua a perdere 13.789 l/h e quella con torre evaporativa 805 l/h.
Scelta dei parametri operativi
La scelta dei parametri operativi è univocamente correlata alle prestazioni delle apparecchiature in esame, secondo quanto evidenziato dai diagrammi sopra riportati.Stabilita la temperatura di erogazione dell’acqua refrigerata richiesta, fissata per una temperatura dell’acqua di raffreddamento, il maggiore impatto sulle prestazioni è determinato dalla temperatura dell’acqua calda di azionamento e dei relativi salto termico e portata.
Un’attenta progettazione dell’impianto deve mirare ad un sostanziale recupero del calore disponibile; ciò è particolarmente necessario allorché questo viene per la massima parte impiegato nell’assorbitore, la cui alimentazione e le cui prestazioni sono ad esso strettamente correlate. Una disattenta valutazione delle portate e della compatibilità delle temperature infatti possono rendere il sistema parzialmente inefficiente.Va tenuto presente, per altro, che gli assorbitori, qualora operino con temperature di alimentazione inferiori a quelle nominali, vengono sostanzialmente penalizzati.
Tutto ciò si traduce praticamente in un parziale utilizzo della potenza disponibile.
L’energia termica inutilizzata può naturalmente essere impiegata altrove. Tuttavia, il calore a disposizione potrebbe essere stato considerato completamente convertibile nel progetto e, come sopra accennato, se lo stesso non è totalmente fruibile ne risulterà una cospicua riduzione della potenza frigorifera ottenibile.
La massima potenza ricavabile si registra in ogni caso allorché la portata dell’acqua calda risulta quella nominale, indicata nelle specifiche costruttive.
Le valutazioni necessarie al dimensionamento del sistema devono basarsi sui valori rilevabili dalle curve caratteristiche di prestazione dell’assorbitore considerato.
Servirà anche l’ausilio della formula sotto riportata, che regola i rapporti fra i vari parametri in gioco in un circuito idraulico.
P = CΔTQ
dove:
(P) = potenza termica scambiata (kW)
(C) = calore specifico dell’acqua, pari a 4,187 
(ΔT) = differenziale di temperatura dell’acqua 
(Q) = portata volumetrica dell’acqua (l / s)
La procedura da seguire risulta la seguente
Fissata la temperatura dell’acqua di alimentazione e la temperatura dell’acqua di raffreddamento, per valori di portata nominale dell’acqua di alimentazione, dalle curve si potranno ricavare le potenze frigorifera erogata e quella termica assorbita.Dalla formula, note la potenza assorbita e la portata utilizzata si potrà calcolare il salto termico dell’acqua nel circuito di alimentazione, valore questo eventualmente necessario al dimensionamento dello scambiatore di interfaccia fra circuito primario e secondario.Qualora si adotti, a parità di temperatura dell’acqua di alimentazione, una portata ridotta rispetto a quella di targa si potrà, utilizzando la curva, ricavare il fattore di penalizzazione della potenza erogata e di quella assorbita.
Noto quest’ultimo, dalla formula si potrà determinare il differenziale di temperatura dell’acqua nel circuito di alimentazione.
Per l’ottenimento dei vari valori in gioco, in luogo delle procedure sopra indicate, piuttosto laboriose, è possibile normalmente utilizzare un programma di calcolo computerizzato appositamente elaborato.
Scheda tecnica di alcuni prodotti Yazaki
Bibliografia
Manuale degli impianti di climatizzazione (Tecniche NUove)
Manuale D'ausilio alla progettazione termotecnica (AICARR)
Principi di trasmissione del calore (Liguori editore)
Manuale dell' installatore frigorista
Sull' articolo
Questo articolo è un riassunto di vari articoli redatti da MAYA SPA consultabili sul web all' indirizzo http://maya-airconditioning.com/
La pubblicazione di questo articolo è stato autorizzata da suddetta società
L' autore degli articoli originali è l' Ingegner Paolo Colaiemma

Elettrotecnica e non solo (admin)
Un gatto tra gli elettroni (IsidoroKZ)
Esperienza e simulazioni (g.schgor)
Moleskine di un idraulico (RenzoDF)
Il Blog di ElectroYou (webmaster)
Idee microcontrollate (TardoFreak)
PICcoli grandi PICMicro (Paolino)
Il blog elettrico di carloc (carloc)
DirtEYblooog (dirtydeeds)
Di tutto... un po' (jordan20)
AK47 (lillo)
Esperienze elettroniche (marco438)
Telecomunicazioni musicali (clavicordo)
Automazione ed Elettronica (gustavo)
Direttive per la sicurezza (ErnestoCappelletti)
EYnfo dall'Alaska (mir)
Apriamo il quadro! (attilio)
H7-25 (asdf)
Passione Elettrica (massimob)
Elettroni a spasso (guidob)
Bloguerra (guerra)