Questo è il mio primo articolo su Electroyou e prima di tutto vorrei ringraziare per l'aiuto :
che mi hanno dato una mano per realizzarlo.
e
- mio nonno che mi ha dato una grande mano a saldare il tutto
Tutto è incominciato quando il professore di pratica della mia scuola ci ha chiesto di costruire quello che volevamo.
Mi è venuta subito l'idea di realizzare un semaforo e per questo mi sono rivolto su questo sito.
Il semaforo è solo uno e questo è il relativo schema per la realizzazione:
Per la realizzazione ho usato questo materiale:
- 1 ponte raddrizzatore
- 1 led verde
- 1 led rosso
- 1 led arancione
- due condensatori elettrolitici da 100uF
- due resistenze da 220 ohm
- una resistenza da 100k ohm,
- una resistenza da 470 ohm
- due NE555( la tensione utilizzata è quella di 12 V in corrente continua ).
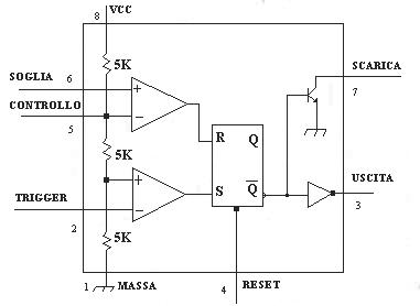
L'NE555
è un'integrato che solitamente ha 8 pin. Il numero uno per il collegamento a massa, il numero 2 che va al trigger del 555, il numero 3 va all'uscita che ha una corrente massima di 200 mA,il numero 4 viene usato per il reset (ma normalmente non viene usato e si collega alla Vcc), il numero 5 per il controllo, il numero 6 la soglia, il numero 7 per la scarica mentre al numero 8 viene collegato al positivo della tensione come mostrato nello schema:
.Ho usato una basetta millefori e insieme a mio nonno abbiamo saldato tutti i componenti, ed il risultato direi che è venuto abbastanza bene.
Il funzionamento del semaforo è questo: quando alimento il trasformatore il led rosso si illumina; poi, dopo 7 secondi, scatta il verde, poi, dopo 9 secondi, diventa giallo e infine il giallo dura 3 secondi, e ripete il solito ciclo finché non stacco corrente.
C'è anche l'aggiunta di due pulsanti per i pedoni. Questa soluzione ovviamente costa molto di più con componenti elettromeccanici come relè temporizzati e relè o contattori come ad esempio K1 (nello schema) oppure ancora questo tipo di soluzione: Traffic Light che non ho scelto perchè il contatore a 10 vie non è facile trovarlo.
Io ho scelto il primo schema per il costo e per lo spazio occupato, che era molto meno rispetto a quello di relè temporizzati e contattori.
Il risultato è stato il seguente: 9 di pratica come voto migliore di tutta la classe.
Ringrazio tutti per la visione e spero che vi sia piaciuto.
(Purtroppo non ho potuto postare le foto di ciò che ho fatto perchè il cavetto USB della mia macchina fotografica è rotto , appena sarà possibile posterò le foto ).
Nel prossimo articolo avrei intenzione di parlare di un semaforo creato con lo SCU datomi da TardoFreak . Alla prossima =)
Ciao Federico

Elettrotecnica e non solo (admin)
Un gatto tra gli elettroni (IsidoroKZ)
Esperienza e simulazioni (g.schgor)
Moleskine di un idraulico (RenzoDF)
Il Blog di ElectroYou (webmaster)
Idee microcontrollate (TardoFreak)
PICcoli grandi PICMicro (Paolino)
Il blog elettrico di carloc (carloc)
DirtEYblooog (dirtydeeds)
Di tutto... un po' (jordan20)
AK47 (lillo)
Esperienze elettroniche (marco438)
Telecomunicazioni musicali (clavicordo)
Automazione ed Elettronica (gustavo)
Direttive per la sicurezza (ErnestoCappelletti)
EYnfo dall'Alaska (mir)
Apriamo il quadro! (attilio)
H7-25 (asdf)
Passione Elettrica (massimob)
Elettroni a spasso (guidob)
Bloguerra (guerra)
