Negli impianti e/o macchine di automazione industriale, capita sovente che un guasto elettrico possa avere come oggetto il motore asincrono trifase, (brevemente mat) indiziato da possibili interventi delle relative protezioni magnetiche e/o termiche, o da indicazioni di stato di allarme del rispettivo inverter, o semplicemente per una verifica prima di una nuova installazione/sostituzione.
Verifica a campo
In queste condizioni, è buona norma eseguire dapprima delle verifiche a campo su eventuali condizioni di lavoro gravose (di natura meccanica) che abbiano portato il mat interessato a quel sistema , ad un lavoro straordinario al punto di portare lo stesso motore ad un'ulteriore richiesta di energia, (sovraccarico) tale da far intervenire le protezioni termiche, o ad allarmare il rispettivo inverter.
Esclusa quindi la possibilità di un’anomalia meccanica (anche se spesso ne è la causa..) si eseguono i controlli elettrici sul mat (avendo già controllato la presenza/bontà di:Tensione, Contattore-contatti, connessioni.. etc ) verificando, in prima istanza, lo stato degli avvolgimenti, misurandone il valore di resistenza con il tester disponibile al momento, per avere un’indicazione (il tester non ha sufficiente tensione per questo tipo di misura, pertanto fornisce solamente un’indicazione di massima) dello stato di isolamento degli avvolgimenti fra gli stessi, e verso il collegamento di terra presente sul mat; valori molto bassi di resistenza forniscono la chiara situazione dello stato di isolamento, pertanto sono motivo di approfondimento con adeguato strumento di misura, come di seguito indicato.
La misura efficace di isolamento degli avvolgimenti costituenti il mat, e verso il collegamento di terra (carcassa) si esegue con l’utilizzo di un megaohmetro: megger, strumento che offre la possibilità di eseguire la misura della resistenza di isolamento alla tensione nominale (400 V) di funzionamento del mat.
Di norma questi strumenti forniscono un range di tensione variabile, per eseguire verifiche di isolamento a tensioni diverse, ove sia necessario, per altre tipologie di macchine o impianti di distribuzione.
La misura viene eseguita utilizzando i puntali dello strumento megger, fissando un morsetto di misura su quello di terra del mat, misurando con l’altro puntale la resistenza di isolamento verso le connessioni degli avvolgimenti (u-v-w), lanciando la misura attraverso l’apposito pulsante dello strumento e leggendo sul display il valore ottenuto. Il valore ottenuto, solitamente dell’ordine dei Megaohm indica un buono stato di isolamento; in effetti, seppur non essendoci dei valori tipici a cui riferirsi, (variano in funzione delle caratteristiche del motore) nella pratica credo si possa considerare un valore di resistenza di isolamento compreso fra i
, per avere un buon isolamento della macchina; fermo restando che l'indicazione migliore di questo valore, nonchè delle tensioni di prova vengono fornite, quando è presente ,sul libretto di istruzioni del mat.
Sulla misura....
La consultazione di un testo del corso di studi, ci illustra che lo scopo della prova di isolamento, ha come intento quello di verificare l’efficienza dei materiali costituenti la macchina elettrica (eventuali difetti di fabbricazione) ; o l’isolamento generale della macchina che abbia un sufficiente margine di sicurezza rispetto alla tensione nominale.
La prova di isolamento può essere del tipo con tensione ad impulso al fine di verificare la tenuta dell’isolamento a sovratensioni di origine esterna; si esegue su trasformatori, o avvolgimenti che, in funzione, possano essere interessati dal tipo di sovratensione indicato.
La prova di isolamento con tensione alternata, verifica l’isolamento della macchina nei confronti di sovratensioni di bassa frequenza; questa prova può essere eseguita con tensione applicata, o con tensione indotta, quest’ultima si applica solamente ai trasformatori.
Prima di eseguire le prove con tensione applicata si consiglia di rilevare il valore minimo di “resistenza di isolamento ad una temperatura vicino a quella di regime, espresso in Megaohm” R, ottenuto dall’espressione empirica (con un minimo di
)
Dove Vn è la tensione ai morsetti del mat e kVA il rispettivo valore di potenza.
Il riferimento alla temperatura vicino a quella di regime, non è casuale, in quanto la resistenza di isolamento diminuisce con l’aumentare della temperatura, e si abbassa notevolmente se la macchina è umida o non sufficientemente pulita, al punto che in alcuni casi, ripulendo accuratamente la macchina o riessiccandola, può esser sufficiente a riportare il valore di resistenza di isolamento a quella presunta.
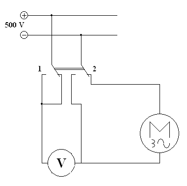
Un metodo di misura della resistenza di isolamento può essere eseguito in corrente continua a tensione non inferiore a 500 V, utilizzando lo schema di seguito raffigurato.
Nello schema si utilizza un voltmetro di resistenza interna Rv nota, ed un commutatore; con quest’ultimo si eseguono due misure: nella posizione 1 si esegue la misura della tensione di alimentazione V1, mentre nella posizione 2 si leggerà il valore della tensione V2 ottenuto con la Rx (del mat sottoposto a prova) in serie. Il valore della Rx si ottiene applicando l’espressione
Come indicato in precedenza nella pratica la valutazione della resistenza di isolamento si verifica attraverso l’utilizzo del megger (megaohmetro) che fornisce la tensione elettrica necessaria alla misura, e la relativa lettura della Rx su apposito display con scala di lettura automatica, questo utilizzando gli appositi puntali corredati di adeguati morsetti per il fissaggio sul morsetto di terra, ed i morsetti degli avvolgimenti di macchina tra loro collegati.
L'articolo prende spunto, da un intervento "tipo" di quelli che solitamente sono interventi manutentivi su guasto,in impianti industriali.
L'aspetto teorico tratto dalla consultazione di un testo, ha l’intento di migliorarne i contenuti.
Saranno ben accetti eventuali indicazioni, correzioni e ulteriori riferimenti letterari (web) utili a migliorarne l'esposizione ed i contenuti.
Grazie.
Testo di riferimento:
Prove e collaudi delle macchine e degli impianti. Bandini/Buti Ed.Delfino II Ediz.

Elettrotecnica e non solo (admin)
Un gatto tra gli elettroni (IsidoroKZ)
Esperienza e simulazioni (g.schgor)
Moleskine di un idraulico (RenzoDF)
Il Blog di ElectroYou (webmaster)
Idee microcontrollate (TardoFreak)
PICcoli grandi PICMicro (Paolino)
Il blog elettrico di carloc (carloc)
DirtEYblooog (dirtydeeds)
Di tutto... un po' (jordan20)
AK47 (lillo)
Esperienze elettroniche (marco438)
Telecomunicazioni musicali (clavicordo)
Automazione ed Elettronica (gustavo)
Direttive per la sicurezza (ErnestoCappelletti)
EYnfo dall'Alaska (mir)
Apriamo il quadro! (attilio)
H7-25 (asdf)
Passione Elettrica (massimob)
Elettroni a spasso (guidob)
Bloguerra (guerra)